Sign in to use this feature.

Years

Between: -

Subjects

remove_circle_outline
remove_circle_outline
remove_circle_outline
remove_circle_outline
remove_circle_outline
remove_circle_outline

Journals

Article Types

Countries / Regions

Search Results (2)

Search Parameters:
Keywords = mushroom grading measurement

Order results
Result details
Results per page
Select all
Export citation of selected articles as:
16 pages, 1172 KB  
Article
Effects of In Vitro Fermented Pleurotus eryngii on Intestinal Barrier Integrity and Immunomodulation in a Lipopolysaccharide-Induced Colonic Model
by Evangelia N. Kerezoudi, Georgia Saxami, Georgios I. Zervakis, Vasiliki Pletsa, Robert J. Brummer, Adamantini Kyriacou and Ignacio Rangel
Biomedicines 2025, 13(2), 430; https://doi.org/10.3390/biomedicines13020430 - 11 Feb 2025
Cited by 1 | Viewed by 1458
Abstract
Background: This study investigates the impact of fermentation supernatants (FSs) from Pleurotus eryngii whole mushrooms (PEWS), as well as its subcomponents, digested (PEWSD) and extracted (PEWSE) forms, on intestinal barrier function and immune modulation in lipopolysaccharide (LPS) -stimulated Caco-2 cells. Methods: [...] Read more.
Background: This study investigates the impact of fermentation supernatants (FSs) from Pleurotus eryngii whole mushrooms (PEWS), as well as its subcomponents, digested (PEWSD) and extracted (PEWSE) forms, on intestinal barrier function and immune modulation in lipopolysaccharide (LPS) -stimulated Caco-2 cells. Methods: Gene expression of tight junction (TJs) genes, cytokines, and key immune/metabolic receptors was assessed via qRT-PCR, while cytokine protein levels were measured using ELISA to explore post-transcriptional regulation. Results: LPS challenge significantly downregulated TJs zonula occludens-1 (ZO-1,) occludin, and claudin-1, compromising epithelial integrity. Treatment with FS-PEWS notably restored ZO-1 and occludin expression, outperforming FS-PEWSD and FS-PEWSE, which only partially mitigated the LPS-induced damage. FS-PEWS further demonstrated potent immunomodulatory effects, upregulating anti-inflammatory IL-10 and pro-inflammatory cytokines such as IL-8 and TNF-α. The activation of key receptors like TLR-2 and mTOR suggests that FS-PEWS modulates critical immune and metabolic pathways, such as NF-kB signaling, to maintain immune homeostasis. Although mRNA expression of pro-inflammatory cytokines was altered, no corresponding protein release was detected, suggesting potential post-transcriptional regulation. Conclusions: FS-PEWS preserves intestinal barrier integrity and modulates immune responses, particularly in low-grade inflammation, highlighting the whole food matrix’s role in enhancing its bioactivity and functional food potential. Full article
Show Figures

Figure 1

18 pages, 3743 KB  
Article
A Special Robot for Precise Grading and Metering of Mushrooms Based on Yolov5
by Xiaoyang Zhu, Ke Zhu, Pingzeng Liu, Yan Zhang and Honghua Jiang
Appl. Sci. 2023, 13(18), 10104; https://doi.org/10.3390/app131810104 - 7 Sep 2023
Cited by 4 | Viewed by 2001
Abstract
In order to accomplish accurate mushroom classification and measurement, it is necessary to optimize the existing classification algorithm and measurement devices, as well as to design a specific robot to improve classification accuracy and measurement efficiency. In order to achieve the above objectives, [...] Read more.
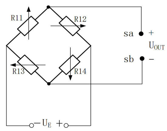
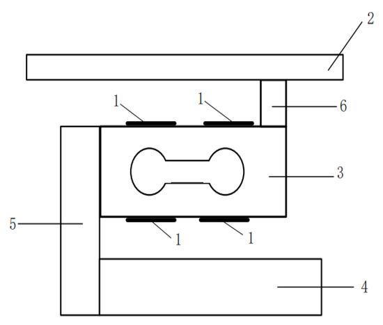
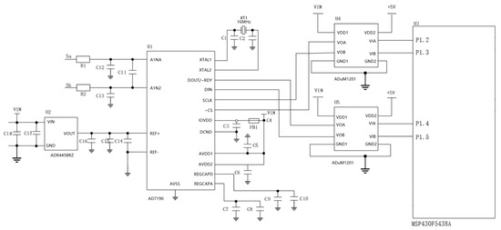
In order to accomplish accurate mushroom classification and measurement, it is necessary to optimize the existing classification algorithm and measurement devices, as well as to design a specific robot to improve classification accuracy and measurement efficiency. In order to achieve the above objectives, a research-level verification of mushroom grading using Yolov5 + OpenCV and a mushroom measuring system using a resistance strain gauge sensor was carried out. In the aspect of mushroom grading, a method based on the OpenCV visual library was used to identify the minimum quadrilateral outside the mushroom contour, allowing the size of the mushroom to be measured. The experiment’s results show that the method can assess target objects that are occluded with each other under different illumination conditions with 96% accuracy. In the measurement of mushrooms, the strain of the resistance is converted into an analog signal, and the weight of different grades of mushrooms is converted according to the linear relationship after processing by the detection circuit module. Through this method, the error range is successfully controlled within ±0.02 kg, which meets the requirements of accurate measurement of mushrooms. The results of field experiments show that the proposed accurate grading and measurement method of Lentinula edodes is effective and feasible, and provides technical support for the intelligent grading and measurement of Lentinula edodes in production units. Full article
Show Figures

Figure 1

Back to TopTop