Sign in to use this feature.

Years

Between: -

Subjects

remove_circle_outline
remove_circle_outline
remove_circle_outline
remove_circle_outline
remove_circle_outline
remove_circle_outline

Journals

Article Types

Countries / Regions

Search Results (3)

Search Parameters:
Keywords = alpha-beta (α-β) filter

Order results
Result details
Results per page
Select all
Export citation of selected articles as:
19 pages, 4365 KB  
Article
Fecal Virome Transplantation Confirms Non-Bacterial Components (Virome and Metabolites) Participate in Fecal Microbiota Transplantation-Mediated Growth Performance Enhancement and Intestinal Development in Broilers with Spatial Heterogeneity
by Shuaihu Chen, Tingting Liu, Junyao Chen, Hong Shen and Jungang Wang
Microorganisms 2025, 13(8), 1795; https://doi.org/10.3390/microorganisms13081795 - 31 Jul 2025
Cited by 1 | Viewed by 1064
Abstract
Fecal microbiota transplantation (FMT) promotes growth performance and intestinal development in yellow-feathered broilers, but whether the virome and metabolites contribute to its growth-promoting effect remains unclear. This study removed the microbiota from FMT filtrate using a 0.45 μm filter membrane, retaining the virome [...] Read more.
Fecal microbiota transplantation (FMT) promotes growth performance and intestinal development in yellow-feathered broilers, but whether the virome and metabolites contribute to its growth-promoting effect remains unclear. This study removed the microbiota from FMT filtrate using a 0.45 μm filter membrane, retaining the virome and metabolites to perform fecal virome transplantation (FVT), aiming to investigate its regulatory role in broiler growth. Healthy yellow-feathered broilers with high body weights (top 10% of the population) were used as FVT donors. Ninety-six 8-day-old healthy male yellow-feathered broilers (95.67 ± 3.31 g) served as FVT recipients. Recipient chickens were randomly assigned to a control group and an FVT group. The control group was gavaged with 0.5 mL of normal saline daily, while the FVT group was gavaged with 0.5 mL of FVT solution daily. Growth performance, immune and antioxidant capacity, intestinal development and related gene expression, and microbial diversity were measured. The results showed that FVT improved the feed utilization rate of broilers (the feed conversion ratio decreased by 3%; p < 0.05), significantly increased jejunal length (21%), villus height (69%), and crypt depth (84%) (p < 0.05), and regulated the jejunal barrier: insulin-like growth factor-1 (IGF-1) (2.5 times) and Mucin 2 (MUC2) (63 times) were significantly upregulated (p < 0.05). FVT increased the abundance of beneficial bacteria Lactobacillales. However, negative effects were also observed: Immunoglobulin A (IgA), Immunoglobulin G (IgG), Immunoglobulin M (IgM), Interleukin-1 beta (IL-1β), Interleukin-6 (IL-6), Tumor Necrosis Factor-alpha (TNF-α), and Interferon-gamma (IFN-γ) in broilers were significantly upregulated (p < 0.05), indicating immune system overactivation. Duodenal barrier-related genes Mucin 2 (MUC2), Occludin (OCLN), Claudin (CLDN1), and metabolism-related genes solute carrier family 5 member 1 (SLC5A1) and solute carrier family 7 member 9 (SLC7A9) were significantly downregulated (p < 0.05). The results of this trial demonstrate that, besides the microbiota, the gut virome and metabolites are also functional components contributing to the growth-promoting effect of FMT. The differential responses in the duodenum and jejunum reveal spatial heterogeneity and dual effects of FVT on the intestine. The negative effects limit the application of FMT/FVT. Identifying the primary functional components of FMT/FVT to develop safe and targeted microbial preparations is one potential solution. Full article
(This article belongs to the Section Veterinary Microbiology)
Show Figures

Figure 1

21 pages, 8383 KB  
Article
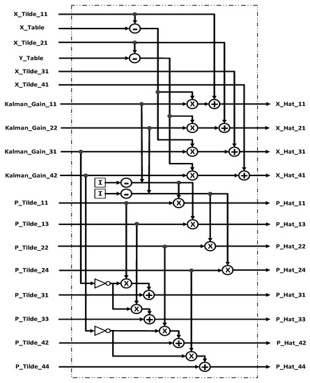
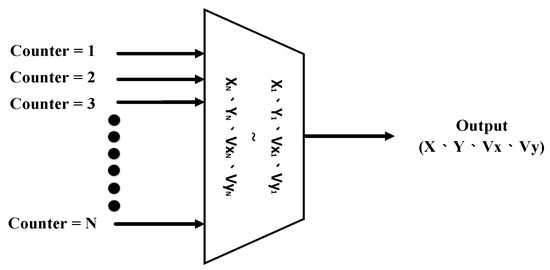
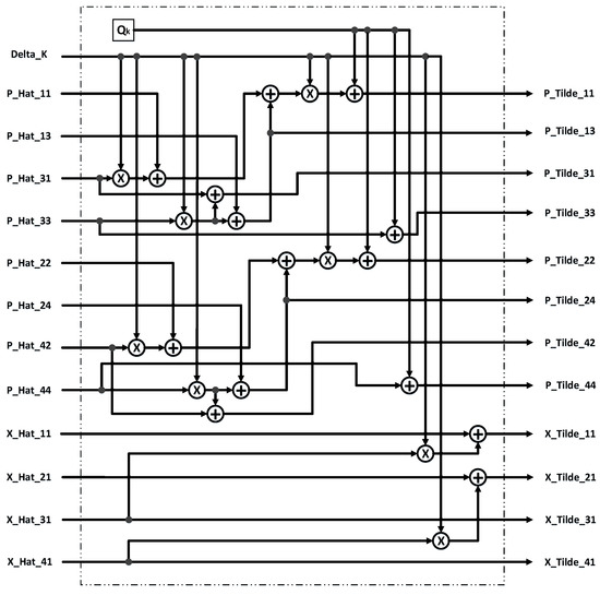
Reduced-Complexity Tracking Algorithms on Chip for Real-Time Location Estimation
by Yih-Shyh Chiou, Shih-Lun Chen and Wei-Ting Chen
Electronics 2023, 12(3), 739; https://doi.org/10.3390/electronics12030739 - 1 Feb 2023
Cited by 2 | Viewed by 2314
Abstract
This article puts forward a low-complexity filtering algorithm to achieve a low-complexity filtering chip design for real-time location tracking. In order to meet the need for low-complexity and real-time, the positioning tracking algorithm based on Kalman Filter (KF) is proposed. The KF itself [...] Read more.
This article puts forward a low-complexity filtering algorithm to achieve a low-complexity filtering chip design for real-time location tracking. In order to meet the need for low-complexity and real-time, the positioning tracking algorithm based on Kalman Filter (KF) is proposed. The KF itself has the functions of tracking, predicting, etc., which can correct the positioning into more accurate results. However, in the calculation of KF algorithms, each iteration often requires tedious and complex calculations of Kalman Gain (KG). Both software and hardware are very resource-intensive. Therefore, use the feature of KG in alpha-beta (α-β) filtering algorithm which can gradually balance in each iteration. Proposed a filtering algorithm that is based on low-complexity, low cost, and high efficiency. This algorithm uses DKF (Difference Kalman Filter) and PKF (Percentage Kalman Filter) depending on different environments. In other words, DKF and PKF are the algorithms which are generated based on different judging conditions. This algorithm can not only significantly reduce the time and the complexity of computing, but also greatly shorten the circuit area of the original algorithm. This algorithm has a large number of matrix operation. In the hardware calculation process, it solves matrix problems about hardware and then developed chip design. Coefficients are used by a multiple of 2 for operation. Use shifters instead of multipliers and dividers, significantly reducing complexity and circuit area. At the same time, deal with the problem of a floating-point number, achieve circuit function verification on the FPGA, and finally tape-out. The design uses the TSMC 0.18μm CMOS cell library provided by the TSRI, uses EDA to implement VLSI with the Design Vision of SYNOPSYS, the operating frequency of the circuit is 83.33 MHz, the value of gate counts is 22.84 K, the power consumption is 3.86 mW, and chip area is 582.63 μm × 580.23 μm. Full article
Show Figures

Figure 1

19 pages, 3719 KB  
Article
A Performance Evaluation of the Alpha-Beta (α-β) Filter Algorithm with Different Learning Models: DBN, DELM, and SVM
by Junaid Khan and Kyungsup Kim
Appl. Sci. 2022, 12(19), 9429; https://doi.org/10.3390/app12199429 - 20 Sep 2022
Cited by 14 | Viewed by 4866
Abstract
In this paper, we present a new Multiple learning to prediction algorithm model that used three different combinations of machine-learning methods to improve the accuracy of the α-β filter algorithm. The parameters of α and β were tuned in dynamic conditions instead of [...] Read more.
In this paper, we present a new Multiple learning to prediction algorithm model that used three different combinations of machine-learning methods to improve the accuracy of the α-β filter algorithm. The parameters of α and β were tuned in dynamic conditions instead of static conditions. The proposed system was designed to use the deep belief network (DBN), the deep extreme learning machine (DELM), and the SVM as three different learning algorithms. Then these learned parameters were trained by the machine-learning algorithms tuned to the α-β filter algorithm as a prediction module, and they gave the final predicted results. The MAE and RMSE were used to evaluate the performance of the proposed α-β filter with different learning algorithms. Each algorithm recorded different best-case accuracy results; for the DBN, we achieved 3.60 and 2.61; for the DELM, we obtained the best-case result of 3.90 and 2.81; and finally, for the SVM, 4.0 and 3.21 were attained in terms of the RMSE and MAE, respectively, as compared to 5.21 and 3.95. When assessed in comparison with the typical alpha–beta filter algorithm, the proposed system provided results with better accuracy. Full article
(This article belongs to the Special Issue Future Information & Communication Engineering 2022)
Show Figures

Figure 1

Back to TopTop