Sign in to use this feature.

Years

Between: -

Subjects

remove_circle_outline
remove_circle_outline
remove_circle_outline
remove_circle_outline
remove_circle_outline
remove_circle_outline

Journals

Article Types

Countries / Regions

Search Results (3)

Search Parameters:
Keywords = IP portfolio quality

Order results
Result details
Results per page
Select all
Export citation of selected articles as:
26 pages, 16335 KB  
Article
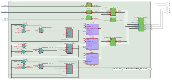
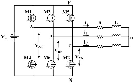
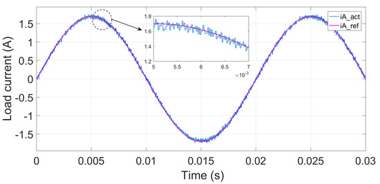
FPGA-Based Cost-Effective and Resource Optimized Solution of Predictive Direct Current Control for Power Converters
by Deepa Sankar, Lakshmi Syamala, Babu Chembathu Ayyappan and Mathew Kallarackal
Energies 2021, 14(22), 7669; https://doi.org/10.3390/en14227669 - 16 Nov 2021
Cited by 13 | Viewed by 3395
Abstract
Recent advances in power converter applications with highly demanding control goals require the efficient implementation of superior control strategies. However, the real-time application of such control strategies demands high computational power that necessitates efficient digital controllers like field programmable gate array (FPGA). The [...] Read more.
Recent advances in power converter applications with highly demanding control goals require the efficient implementation of superior control strategies. However, the real-time application of such control strategies demands high computational power that necessitates efficient digital controllers like field programmable gate array (FPGA). The inherent parallelism offered by FPGAs minimizes the execution time and exhibits an excellent cost-performance trade-off. In addition, rapid advancements in FPGA technology with a broad portfolio of intellectual property (IP) cores, design tools, and robust embedded processors resulted in a design paradigm shift. This article proposes a low-cost solution for the resource-optimized implementation of dynamic, highly accurate, and computationally intensive finite state-predictive direct current control (FS-PDCC). The challenges for implementing complex control algorithms for power converters are discussed in detail, and the control is implemented in Intel’s low-cost non-volatile FPGA-MAX®10. An efficient design methodology using finite state machine (FSM) is adopted to achieve time/resource-efficient implementation. The parallel and pipelined architecture of FPGA provides better resource utilization with high execution speed. The experimental results prove the efficiency of FPGA-based cost-effective solutions that offer superior performance with better output quality. Full article
Show Figures

Figure 1

11 pages, 5367 KB  
Article
An Income Model Using Historical Data, Power-Law Distributions and Monte Carlo Method for University Technology Transfer Offices
by Ken Polasko, Pedro Ponce and Arturo Molina
Future Internet 2021, 13(5), 122; https://doi.org/10.3390/fi13050122 - 6 May 2021
Viewed by 2990
Abstract
Engineering education pushes the creation of new technology to solve community problems. The process of technology transfer promotes educational innovation in universities, a vital process that can improve citizens’ quality of life in cities and rural communities. As a result, university technology transfer [...] Read more.
Engineering education pushes the creation of new technology to solve community problems. The process of technology transfer promotes educational innovation in universities, a vital process that can improve citizens’ quality of life in cities and rural communities. As a result, university technology transfer offices (TTOs) have to create strategies that motivate students and researchers to generate technology. Thus, a primary challenge that TTOs face is to know and communicate the income potential compared to their much more predictable and limited expense budgets. Institutional budgeting for a TTO’s growth would be simplified if the office were on a solid financial footing, i.e., breaking even or making a financial return. Many offices assume that income is unpredictable, that it is a lottery, luck, and more stakes in the fire improve the odds of hitting a winner, etc. These common assumptions or beliefs provide only a vague insight into how to move an intellectual property (IP) portfolio strategy forward. How can a TTO be assessed for quantitative value and not just be a cost center adding qualitative value? This paper illustrates the first steps to understanding how to project potential income versus a much more predictable expense budget, which would allow universities to improve their technology transfer strategy and results. As a result, TTOs would operate under a more sustainable IP portfolio strategy, promote educational innovation in universities, and generate a more significant community impact. Full article
Show Figures

Figure 1

16 pages, 2541 KB  
Article
A Multi-Class Classification Model for Technology Evaluation
by Juhyun Lee, Jiho Kang, Sangsung Park, Dongsik Jang and Junseok Lee
Sustainability 2020, 12(15), 6153; https://doi.org/10.3390/su12156153 - 30 Jul 2020
Cited by 8 | Viewed by 4059
Abstract
This paper proposes a multi-class classification model for technology evaluation (TE) using patent documents. TE is defined as converting technology quality to its present value; it supports efficient research and development using intellectual property rights–research & development (IP–R&D) and decision-making by companies. Through [...] Read more.
This paper proposes a multi-class classification model for technology evaluation (TE) using patent documents. TE is defined as converting technology quality to its present value; it supports efficient research and development using intellectual property rights–research & development (IP–R&D) and decision-making by companies. Through IP–R&D, companies create their patent portfolios and develop technology management strategies. They protect core patents and use those patents to cooperate with other companies. In modern society, as conversion technology has been rapidly developed, previous TE methods became difficult to apply to technology. This is because they relied on expert-based qualitative methods. Qualitative results are difficult to use to guarantee objectivity. Many previous studies have proposed models for evaluating technology based on patent data to address these limitations. However, those models can lose contextual information during the preprocessing of bibliographic information and require a lexical analyzer suitable for processing terminology in patents. This study uses a lexical analyzer produced using a deep learning structure to overcome this limitation. Furthermore, the proposed method uses quantitative information and bibliographic information of patents as explanatory variables and classifies the technology into multiple classes. The multi-class classification is conducted by sequentially evaluating the value of a technology. This method returns multiple classes in order, enabling class comparison. Moreover, it is model-agnostic, enabling diverse algorithms to be used. We conducted experiments using actual patent data to examine the practical applicability of the proposed methodology. Based on the experiment results, the proposed method was able to classify actual patents into an ordered multi-class. In addition, it was possible to guarantee the objectivity of the results. This is because our model used the information in the patent specification. Furthermore, the model using both quantitative and bibliographic information exhibited higher classification performance than the model using only quantitative information. Therefore, the proposed model can contribute to the sustainable growth of companies by classifying the value of technology into more detailed categories. Full article
(This article belongs to the Section Economic and Business Aspects of Sustainability)
Show Figures

Figure 1

Back to TopTop