Abstract
In this paper, an integrated three-voltage-booster DC-DC (direct current to direct current) converter is proposed to achieve high voltage gain for renewable-energy generation systems. The proposed converter integrates three voltage-boosters into one power stage, which is composed of an active switch, a coupled-inductor, five diodes, and five capacitors. As compared with conventional high step-up converters, it has a lower component count. In addition, the features of leakage-energy recycling and switching loss reduction can be accomplished for conversion efficiency improvement. While the active switch is turned off, the converter can inherently clamp the voltage across power switch and suppress voltage spikes. Moreover, the reverse-recovery currents of all diodes can be alleviated by leakage inductance. A 200 W prototype operating at 100 kHz switching frequency with 36 V input and 400 V output is implemented to verify the theoretical analysis and to demonstrate the feasibility of the proposed high step-up DC-DC converter.
1. Introduction
In recent years, owing to the shortage of fossil fuels and the serious problems of environmental pollution, discovering and developing alternative energy resources has become more and more important. To alleviate the problems of rising global temperatures and the serious emission of greenhouse gases, green energy sources such as photovoltaic (PV) power, wind energy, or fuel cells have been the center of attention [1,2]. Generally, a grid-tied renewable-energy system needs a DC bus voltage falling in the range from 380 to 420 V, as shown in Figure 1. Unfortunately, the terminal voltages of PV module, fuel cells, or battery set are less than 45 V. That is, these green-energy generation units require a high step-up converter to serve as a voltage boosting interface between the generation unit and the utility.
Figure 1.
A block diagram to illustrate the grid-tied green-energy power system.
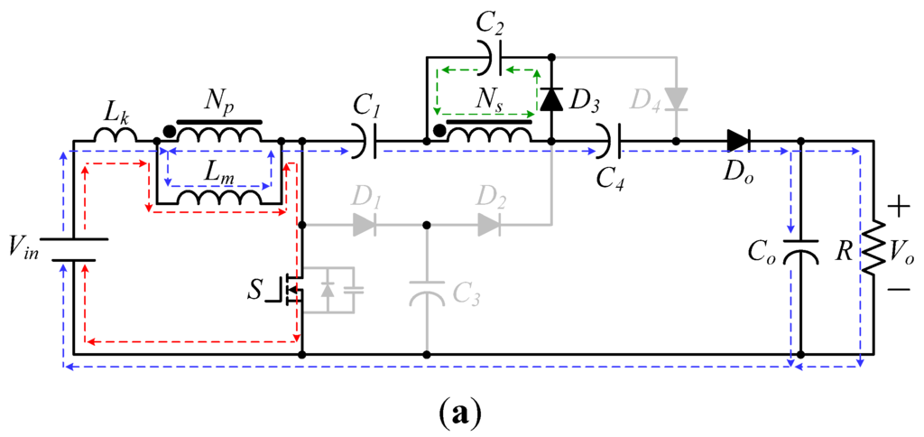
Conventional boost converters can achieve high voltage gains by means of extreme duty ratio operation [3,4,5,6]. However, this will result in large current ripple, significant conduction loss, and heavy current stress on power devices. That is, converter efficiency drops dramatically. In order to resolve this problem, converters with transformers, such as flyback, forward, and push-pull units, are considered [7,8,9,10]. Even though those converters can step up input voltage by adopting high turns-ratio transformers, efficiency is degraded heavily due to the copper loss of windings. Besides, high voltage spikes caused from leakage inductance will be imposed on semiconductor devices. To improve this shortcoming, snubber circuits or active clamp circuits are used but then the cost is increased. In [11,12,13,14], transformerless high step-up converters are proposed to mitigate the aforementioned drawbacks. Those converters have the features of simple structure, high voltage gain, and low cost, nevertheless, the problem of voltage gain inflexibility still exists. In the most current trend, switched capacitor and coupled inductor techniques are adopted to design high step-up converters [15,16,17,18,19]. Those high step-up converters have their own advantages and disadvantages, and result in a compromise between power component count, voltage gain, current stress, voltage stress, and power rating. This paper proposes a novel high step-up converter, which incorporates three voltage boosters and then integrates them into one stage. That is, only one active switch is used. As a result, low component count, concise structure, high voltage gain, easy control circuit design, and high efficiency are its inherent features. Figure 2 depicts the configuration of the power stage.
Figure 2.
Power circuit of the proposed high step-up converter.
2. Operation Principle of the Proposed Converter
For the description of the operation principle, Figure 3 shows the definition of circuit variables, voltage polarity, and current direction. In Figure 3, the notations Vin and Iin denote the DC input voltage and current, respectively; Lm is the magnetizing inductance of the coupled inductor, while Lk stands for the associated leakage inductance; S represents the active power switch; C1 and C4 are switched capacitors; C2 and C3 are boosting capacitors; D1, D2, D3, and D4 are rectifier diodes; Do denotes output diode; Vo and Io are described as output voltage and current, respectively, while R is the output load. In addition, the turns ratio Ns/Np is defined as n.
Figure 3.
Definition of voltage polarity and current direction.
Assume that the converter is operated in continuous conduction mode (CCM). The operation principle can be divided into six stages over one switching period. Figure 4 shows the corresponding equivalent circuits of the six stages and Figure 5 depicts the associated conceptual waveforms. The operation principle is described in the following paragraphs stage by stage:
- Stage 1 [t0~t1]: At time t = t0, switch S is turned on. Diodes D1, D2 and D4 are reversely biased, but D3 and Do are forward biased. In this time interval, the current of leakage-inductor iLk increases linearly and steeply. The energy stored in magnetizing-inductor Lm is released to the output via Do and boosts capacitor C2 via D3. Meanwhile, the current following through Do, iDo, is decreasing. Until the current iDo drops to zero, this operation stage ends. There is no reverse-recovery loss on diode Do. Figure 4a shows the equivalent circuit of this stage.
- Stage 2 [t1~t2]: This stage begins at time t = t1, of which equivalent circuit is shown in Figure 4b. Switch S remains closed. Diodes D1, D3 and Do are reversely biased, but D2 and D4 are forward biased. In this time interval, the magnetizing-inductor Lm and leakage-inductor Lk absorb energy from the DC source Vin. The switched capacitor C1 is charged by the secondary of the coupled inductor and capacitor C3, while the other switched capacitor C4 is by the secondary of the coupled inductor and capacitor C2. During this stage, only the output capacitor Co provides energy to the load R. When switch S is turned off, operation of this converter enters into the next stage.
- Stage 3 [t2~t3]: Switch S is turned off at t = t2. During this stage, diodes D1, D2 and D4 are in on-state, but diodes D3 and Do are reversely biased. In this time interval, the energy of leakage-inductor Lk releases to the parasitic capacitor of switch S and thus, switch voltage increases. When the voltage across the parasitic capacitor is higher than that of boosting capacitor C3, diode D1 becomes forward and this operation stage is completed. Figure 4c illustrates the corresponding equivalent of Stage 3.
- Stage 4 [t3~t4]: Switch S is still kept in off-state over the period of Stage 4. Diodes D2, D3 and Do are reversely biased, but diodes D1, and D4 are in forward bias, as shown in Figure 4d. The boosting capacitor C3 is charged by magnetizing-inductor Lm and leakage-inductor Lk. That is, leakage energy of Lk is recycled to C3 and the voltage across active switch is clamped by C3, which suppresses voltage spike effectively. At the moment the voltage polarity of magnetizing-inductor Lm changes, this stage is finished.
- Stage 5 [t4~t5]: The equivalent circuit is illustrated in Figure 4e. Switch S remains off. The status of diodes D1, D3 and Do are on but D2 and D4 off. In this time interval, the energy of magnetizing-inductor Lm is dumped to ideal transformer, output terminal, and capacitor C3 simultaneously. The secondary side of coupled inductor charges the boosting capacitor C2 via diode D3. At the same time, the output voltage is stacked by input voltage Vin, coupled inductor, and capacitors C1 and C4.
- Stage 6 [t5~t6]: This stage begins as C3 stops charging. The diode D1 becomes reversely biased. The corresponding equivalent circuit is shown in Figure 4f. The energy stored in Lm keeps dumping energy to C2 via ideal transformer. When power switch is turned on again, this stage ends and converter operation over one switching cycle is completed.

Figure 4.
Equivalent circuits of the proposed converter. (a) Stage 1; (b) Stage 2; (c) Stage 3; (d) Stage 4; (e) Stage 5; and (f) Stage 6.
Figure 5.
Conceptual key waveforms of the proposed converter.
3. Steady-State Analysis of the Proposed Converter
To simplify the circuit analysis, the transient state of the circuit is ignored. In addition, some assumptions are made as follows:
- (1)
- The values of all capacitors are large enough so that voltages across all capacitors are considered as constant;
- (2)
- All semiconductor components in the power circuit are ideal;
- (3)
- The magnetizing inductance is much greater than leakage inductance. The influence of the leakage inductance can be neglected. That is, the coupling coefficient of coupled inductor k is equal to unity;
- (4)
- Equivalent series resistance of coupled inductor is ignored;
- (5)
- The active switch is closed for DTs and open for (1-D)Ts;
- (6)
3.1. Derivation of Voltage Gain
To derive the voltage gain of Vo to Vin, the voltages of VC1, VC2, VC3, and VC4 have to be calculated in advance. When active switch S is turned on, referring to Figure 4b and neglecting Lk, the voltage across the secondary winding of the coupled inductor, vL2(on), is:
Therefore, the magnitudes of the voltages VC1 and VC4 can be expressed as:
and:
respectively. With respect to VC2 and VC3, the state of switch off is contacted and the equivalent circuit shown in Figure 4e is referred. Similarly, according to the assumptions, the leakage inductance Lk in Figure 4e is also neglected. The circuit behaviors that input voltage forwards energy to the capacitors C2 and C3 are similar to those of flyback and boost converters, respectively. Therefore, the voltages VC2 and VC3 can be expressed as:
and:
Substituting Equations (4) and (5) into Equations (2) and (3), in turn, yields:
and:
From Figure 4e, it can be found that the output voltage is the sum of Vin, VC1, VC4, and the voltages across Np and Ns. Thus, the following relationship holds:
Rearranging Equation (8), one can find the voltage gain of the proposed high step-up converter:
To further understand the voltage gain performance of the proposed converter, Figure 6 shows the voltage gain versus duty cycle under various turns ratios n. It indicates that when the duty cycle D equals 0.5, the converter achieves an output voltage sixteen times of the input voltage under the turns ratio of 3. As compared with other high step-up converters in the literature [19,20,21], the proposed converter has a higher voltage gain than that of the conventional converters if n = 1.5, which is shown in Figure 7.
Figure 6.
Illustration of voltage gain versus duty cycle under different turns ratios.
Figure 7.
Voltage gain comparison among the proposed converter and conventional converters in [19,20,21].
3.2. Voltage Stress of Power Device
Voltage stress of power devices is an important parameter for choosing power semiconductor devices. A power semiconductor device with lower voltage stress will inherently have a lower on-state resistance or forward voltage, which dominates converter efficiency. The voltage stresses across D1, D3 and Do are determined as active switch is closed. On the contrary, the voltage stresses of S, D2 and D4 are determined as active switch is open. When the switch is in an on-state, referring to Figure 4b the voltages across D1 and D3 are equal to VC3 and VC4, respectively. Therefore, the voltage stresses VD1,stress and VD3,stress can be estimated as:
and:
Meanwhile, the output diode endures a voltage equal to Vo−VC3 + VC4, that is:
After switch S is turned off, the voltage of diode D2 will be clamped to VC1−vL2, as shown in Figure 4e. From Equation (6), the sustained voltage VD2,stress is:
In addition, during off-time interval, the blocking voltages of S and D4 are VC3 and VC4, respectively, so that:
and:
3.3. Current on Power Devices
Since leakage inductance is neglected, the equivalent circuits of Stage 2 and Stage 5, as shown in Figure 4b,e are considered for switch on and off, respectively. Based on the amp-second balance theorem, the following relationship is suitable for any capacitor in the converter:
In Equation (16). IC,on-state and Ton-state stand for capacitor current and time period during on-state, while IC,off-state and Toff-state are for off-state. The ratio of output current to input current is reciprocal to that of output voltage to input voltage. From Equation (9), one can find:
The currents of diodes D1, D3 and Do can be estimated as the switch is open. Referring to Figure 4e and deriving with Equations (16) and (17), one can obtain the average current following through D1, D3 and Do:
With a similar derivation procedure, while the switch is closed and Figure 4b is referred, the average currents of D2 and D4 can be found as:
Owing to capacitors C2 and C3 discharging toward C1 and C4 during on-state interval, the average current of switch S, Ids, is expressed as:
Equation (20) reveals that the ILm has to be known in advance for the determination of Ids. From Kirchhoff’s current law (KCL), the input current is the sum of magnetizing current and the current following through ideal transformer. That is:
Substituting Equations (18), (19) and (21) into Equation (20), the average current of power switch S can be readily obtained as:
3.4. Design of Energy Storage Component
To ensure that the proposed converter can operate in CCM, the minimum magnetizing inductance has to be calculated. Over whole switch-on period, the net change in magnetizing current, ΔiLm, can be expressed as:
The boundary conduction mode (BCM) occurs when:
Substituting Equations (9), (17), (21) and (23) into Equation (24) one can then obtain the minimum value of magnetizing inductance for CCM operation, Lm,min, as follows:
Figure 8 illustrates the relationship between Lm and duty cycle under the conditions that turns ratio n = 1.5, switching frequency fs = 100 kHz, and the load resistance Ro = 3.2 kΩ.
Figure 8.
Illustrating the relationship between magnetizing inductance Lm and duty ratio D.
Even though a larger capacitance can result in a lower voltage ripple, it increases cost. Adopting an appropriate capacitance for the converter is necessary. The capacitance is found by:
where Δq is the change in charge and ΔvC is the accompanied voltage variation. During the time interval when S is off, capacitors C2 and C3 are charged by the currents of ID3 and ID1, respectively. Accordingly, from Equations (18) and (26), the following relationships hold:
and:
Opposite to the charge behavior of C2 and C3, both capacitors C1 and C4 discharge with the current IDO. Also, one can find C1 and C4 from Equations (18) and (26) with the same procedure as for C2 and C3, and then have:
and:
With regard to Co, the switch off interval is also considered. The magnitude of capacitor current ICo is the difference between load current Io and output diode current IDo. Therefore, Co can be computed by:
3.5. Performance Comparison
Performance comparison of the proposed converter with other high step-up converters is summarized in Table 1. The proposed converter has a lower power component count. That is, it is cost-effective. In addition, higher voltage gain can be achieved. If the duty ratio is 0.5 and turns ratio is 1, the proposed converter has a voltage gain of 8 and the other two high step-up converters in [19,20,21] are 6, 7 and 5 in turn. Even though the converter can accomplish higher voltage gain, its voltage stress across power switch is the lowest. This reveals that a power switch with low on-state resistance can be adopted in the converter for power loss reduction. From Table 1, it also can be seen that the switching loss of the converter is small, because the switch voltage in off-time interval is clamped to VC3.
Table 1.
Performance comparison of the proposed converter with other high step-up converters.
| High step-up converters | Converter introduced in [19] | Converter introduced in [20] | Converter introduced in [21] | Proposed converter |
|---|---|---|---|---|
| Voltage gain | ||||
| Diodes | 3 | 6 | 5 | 5 |
| Capacitors | 3 | 6 | 5 | 5 |
| windings | 2 | 2 | 3 | 2 |
| Voltage stress on switch | ||||
| Conduction loss | small | middle | small | small |
| Switching loss | small | middle | middle | small |
4. Experimental Results
To verify the proposed converter, a prototype is built, with the specifications and parameters listed in Table 2. In the prototype, semiconductor devices will dominate circuit losses. Their details are discussed. The power MOSFET, IRFSL4615PbF, is selected to serve as active switch for controlling the current flow, of which maximum on-state resistance RDS(on) is only 42 mΩ. BYW29E-200 is employed as diode D1, of which the forward voltage is 0.895 V and the reverse recovery time is 25 ns. With regard to diodes D2, D3, D4, and Do, the ultrafast rectifier 8ETH03PbF is considered, which has 1.25 V forward voltage and 35 ns reverse recovery time. Figure 9a shows the measured voltage waveforms of the power switch and associated control gate signal. The switch blocks a voltage of 75 V, which meets the theoretical analysis in Section 3. Figure 9b is the diode currents of iD2 and iD4, while iD0 and iD3 are shown in Figure 9c. From Figure 9b,c it is proven that D2 and D4 are forward biased when the switch is closed but D3 and Do are forward biased while the switch is open. Figure 9e depicts the waveforms of iD1 and the control gate signal, which illustrate that there is no reverse recovery current problem in diode D1. Voltages across C3 and Co are shown in Figure 9e in which output voltage and VC3 are kept at 400 V and 72 V, respectively. This is consistent with Equations (5) and (9). To examine the converter transient response, load changes from half load to full load and from full load to half load are carried out. Figure 9f is the corresponding measurement, from which it can be observed that the proposed converter performs fast response and can provide a constant high voltage even if under step load change. Figure 10 is the measured efficiency of the prototype. The maximum efficiency is up to 97.1% and an efficiency of 94.9% is achieved at full load.

Figure 9.
Experimental results at 200 W: (a) Power switch voltage waveforms (vgs: 10 V/div; vds: 50 V/div; time: 2 μs/div); (b) Diode currents iD2 and iD4, (vgs: 10 V/div; iD2: 2 A/div; iD4: 2 A/div; time: 2 μs/div); (c) Diode currents iD3 and iDo, (vgs: 10 V/div; iD3: 2 A/div; iDo: 2 A/div; time: 2 μs/div); (d) Diode current iD1, (vgs: 10 V/div; iD1: 2 A/div; time: 2 μs/div); (e) Waveforms of Vo and VC3, (Vo: 100 V/div; VC3: 50 V/div; time: 2 μs/div); and (f) Step change between half load and full load, (Vo: 200 V/div; Po: 200 W/div; Io: 500 mA/div; time: 1 s/div).
Table 2.
Specifications of the prototype.
| Symbols | Values & Types |
|---|---|
| Vin (Input voltage) | 36 V |
| Vo (Output voltage) | 400 V |
| Po (Rated power) | 200 W |
| fs (Switching frequency) | 100 kHz |
| Lm (Magnetizing inductance) | 55 μH |
| Lk (Leakage inductance) | 1.03 μH |
| n (Transformer turns ratio) | 1:1.6 |
| C1 and C4 (Capacitance) | 33 μF |
| C2 and C3 (Capacitance) | 22 μF |
| Co (Capacitance) | 82 μF |
| S (Active switch) | IRFSL4615PbF (150 V/33 A) |
| D1 (Diode) | BYW29E-200 (200 V/8 A) |
| D2, D3, D4, and Do (Diodes) | 8ETH03PBF (300 V/8 A) |
Figure 10.
Measured efficiency of the proposed converter.
5. Conclusions
This paper proposes a DC-DC high step-up converter for renewable-energy generation systems. The proposed converter can achieve higher voltage gain though it needs fewer power components. The energy stored in the leakage inductor can be recycled and the voltage power switch can be clamped to a low voltage so as to improve converter efficiency and suppress voltage spikes. Accordingly, low on-state power switches and Schottky diodes can be employed. Finally, a prototype is built to validate the converter. Practical measurements have demonstrated the feasibility and correctness of the proposed high step-up converter.
Acknowledgments
The authors gratefully acknowledge financial support from the Ministry of Science and Technology, Taiwan under contract No. MOST 103-2221-E-327-042.
Author Contributions
Chih-Lung Shen and Hong-Yu Chen conceived and designed the circuit. Hong-Yu Chen performed the research and analyzed data with guidance from Chih-Lung Shen. Hong-Yu Chen and Po-Chieh Chiu wrote the manuscript, and then Chih-Lung Shen revised for the publication.
Conflicts of Interest
The authors declare no conflict of interest.
References
- Wang, Z.; Li, H. Integrated MPPT and bidirectional battery charge for PV application using one multiphase interleaved three-port DC-DC converter. In Proceedings of the Applied Power Electronics Conference and Exposition, Fort Worth, TX, USA, 6–11 March 2011; pp. 295–300.
- Eid, A. Utility integration of PV-wind-fuel cell hybrid distributed generation systems under variable load demands. Int. J. Electr. Power Energy Syst. 2014, 62, 689–699. [Google Scholar] [CrossRef]
- Lu, D.C.; Cheng, K.W.; Lee, Y.S. A single-switch continuous-conduction-mode boost converter with reduced reverse-recovery and switch losses. IEEE Trans. Ind. Electron. 2003, 50, 767–776. [Google Scholar] [CrossRef]
- Bryant, B.; Kazimiercuuk, M.K. Voltage-loop power stage transfer functions with MOSFET delay for boost PWM converter operating in CCM. IEEE Trans. Ind. Electron. 2007, 54, 347–353. [Google Scholar] [CrossRef]
- Da Silva, E.S.; Barbosa, L.D.R.; Vieira, J.B.; de Freitas, L.C.; Farias, V.J. An improved boost PWM soft-single-switched converter with low voltage and current stresses. IEEE Trans. Ind. Electron. 2001, 48, 1174–1179. [Google Scholar] [CrossRef]
- Jovanovic, M.M.; Jang, Y. A new soft-switched boost converter with isolated active snubber. IEEE Trans. Ind. Appl. 1999, 35, 496–502. [Google Scholar] [CrossRef]
- Roh, C.W.; Han, S.H.; Youn, M.J. Dual coupled inductor fed isolated boost converter for low input voltage applications. Electron. Lett. 1999, 35, 1791–1792. [Google Scholar] [CrossRef]
- Papanikolaou, N.P.; Tatakis, E.C. Active voltage clamp in flyback converters operating in CCM mode under wide load variation. IEEE Trans. Ind. Electron. 2004, 51, 632–640. [Google Scholar] [CrossRef]
- Wang, C.M. A novel ZCS-PWM flyback converter with a simple ZCS-PWM commutation cell. IEEE Trans. Ind. Electron. 2008, 55, 749–757. [Google Scholar] [CrossRef]
- Lin, B.R.; Hsieh, F.Y. Soft-switching zeta-flyback converter with a buck-boost type of active clamp. IEEE Trans. Ind. Electron. 2007, 54, 2813–2822. [Google Scholar]
- Yang, L.S.; Liang, T.J.; Chen, J.F. Transformerless DC-DC converter with high step-up voltage gain. IEEE Trans. Ind. Electron. 2009, 56, 3144–3152. [Google Scholar] [CrossRef]
- Axelorod, B.; Berkovic, Y.; Ioinovici, A. Transformerless DC-DC converters with a very high DC line-to-load voltage ratio. In Proceeding of the 2003 International Symposium on Circuits and Systems, Bangkok, Thailand, 25–28 May 2003; Volume 3, pp. III-435–III-438.
- Shu, L.J.; Liang, T.J.; Yang, L.S.; Lin, R.L. Transformerless high step-up DC-DC converter using cascode technique. In Proceedings of the 2010 International Power Electronics Conference, Sapporo, Japan, 21–24 June 2010; pp. 63–67.
- Young, C.M.; Chen, M.H.; Chang, T.A.; Ko, C.C. Transformerless high step-up DC-DC converter with cockcroft-walton voltage multiplier. In Proceedings of the 2011 6th IEEE Conference on Industrial Electronics and Applications, Beijing, China, 21–23 June 2011; pp. 1599–1604.
- Sabzali, A.J.; Ismail, E.H.; Behbehani, H.M. High voltage step-up integrated double Boost-Sepic DC-DC converter for fuel-cell and photovoltaic applications. Renew. Energy 2015, 82, 44–53. [Google Scholar] [CrossRef]
- Al-Saffar, M.A.; Ismail, E.H. A high voltage ratio and low stress DC-DC converter with reduced input current ripple for fuel cell source. Renew. Energy 2015, 82, 35–43. [Google Scholar] [CrossRef]
- Nouri, T.; Babaei, E.; Hosseini, S.H. A generalized ultra step-up DC-DC converter for high voltage application with design considerations. Electr. Power Syst. Res. 2013, 105, 71–84. [Google Scholar] [CrossRef]
- Patidar, K.; Umarikar, A.C. High step-up converters based on quadratic boost converter for micro-inverter. Electr. Power Syst. Res. 2015, 119, 168–177. [Google Scholar] [CrossRef]
- Laird, I.; Lu, D.D. High Step-up DC/DC topology and MPPT algorithm for use with a thermoelectric generator. IEEE Trans. Power Electron. 2013, 28, 3147–3157. [Google Scholar] [CrossRef]
- Hsieh, Y.; Chen, J.; Liang, T.; Yang, L. Novel high step-up DC-DC converter with coupled-inductor and switched capacitor technique for a sustainable energy system. IEEE Trans. Power Electron. 2011, 26, 3481–3490. [Google Scholar] [CrossRef]
- Changchien, S.; Liang, T.; Chen, J.; Yang, L. Novel high step-up DC-DC converter for fuel cell energy conversion system. IEEE Trans. Ind. Electron. 2010, 57, 2007–2017. [Google Scholar] [CrossRef]
© 2015 by the authors; licensee MDPI, Basel, Switzerland. This article is an open access article distributed under the terms and conditions of the Creative Commons Attribution license (http://creativecommons.org/licenses/by/4.0/).