Sign in to use this feature.

Years

Between: -

Subjects

remove_circle_outline
remove_circle_outline
remove_circle_outline
remove_circle_outline
remove_circle_outline
remove_circle_outline
remove_circle_outline
remove_circle_outline

Journals

Article Types

Countries / Regions

Search Results (103)

Search Parameters:
Keywords = voltage ripple minimization

Order results
Result details
Results per page
Select all
Export citation of selected articles as:
29 pages, 10502 KB  
Article
Performance Enhancement of Wireless BLDC Motor Using Adaptive Reinforcement Learning for Sustainable Pumping Applications
by Richard Pravin Antony, Pongiannan Rakkiya Goundar Komarasamy, Moustafa Ahmed Ibrahim, Abdulaziz Alanazi and Narayanamoorthi Rajamanickam
Sustainability 2025, 17(23), 10881; https://doi.org/10.3390/su172310881 - 4 Dec 2025
Viewed by 166
Abstract
This paper presents an adaptive reinforcement learning (RL)-based control strategy for a wireless power transfer (WPT)-fed brushless DC (BLDC) motor drive, aimed at enhancing efficiency in industrial applications. Conventional control methods for BLDC motors often result in higher energy consumption and increased torque [...] Read more.
This paper presents an adaptive reinforcement learning (RL)-based control strategy for a wireless power transfer (WPT)-fed brushless DC (BLDC) motor drive, aimed at enhancing efficiency in industrial applications. Conventional control methods for BLDC motors often result in higher energy consumption and increased torque ripple under dynamic load and voltage variations. To address this, an adaptive RL framework is implemented with pulse density modulation (PDM), enabling the controller to augment motor speed, torque, and input power in real time. The system is modeled and tested for a 48 V, 1 HP BLDC motor, powered through a 1.1 kW WPT system. Training is carried out across 10 learning episodes with varying load torque and speed demands, allowing the RL agent to adaptively minimize losses while maintaining performance. Results indicate a significant reduction in torque ripple to a minimum of 0.20 Nm, stable speed regulation within ±30 rpm, and improved power utilization compared to existing controllers. The integration of RL with WPT provides a robust, contactless, and energy-efficient solution that is suitable for sustainable industrial motor-pump applications. Full article
Show Figures

Figure 1

40 pages, 7942 KB  
Article
Experimental Evaluation of Feedback Proportional–Integral Control for Improving the Efficiency and Sustainability of DFIG Systems in Renewable Energy Applications
by Habib Benbouhenni, Abdessamed Milles and Nicu Bizon
Sustainability 2025, 17(23), 10667; https://doi.org/10.3390/su172310667 - 28 Nov 2025
Viewed by 242
Abstract
This study investigates the effectiveness of a feedback-based proportional–integral (PI) regulator in the control system of a doubly fed induction generator (DFIG) used in wind energy applications, with a focus on enhancing the reliability and sustainability of renewable power generation. The primary objective [...] Read more.
This study investigates the effectiveness of a feedback-based proportional–integral (PI) regulator in the control system of a doubly fed induction generator (DFIG) used in wind energy applications, with a focus on enhancing the reliability and sustainability of renewable power generation. The primary objective is to assess how the feedback-based PI regulator can improve the efficiency and stability of rotor-side converter control, thereby ensuring consistent power quality and resilient operation under variable environmental and loading conditions. A novel experimental setup was developed by integrating a laboratory-scale DFIG system with real-time digital simulation tools, enabling a realistic assessment of dynamic performance. Various operating scenarios, including wind speed fluctuations and generator parameter variations, were analyzed to evaluate the regulator’s ability to minimize power ripples, ensure voltage stability, reduce total harmonic distortion (THD), and mitigate torque ripple—all of which contribute to more sustainable and efficient energy conversion. Comparative analyses using performance indicators such as power ripple, steady-state error, and overshoot demonstrate that the feedback-based PI regulator outperforms conventional control methods reported in the literature. The experimental results confirm that the proposed control strategy not only enhances dynamic performance and operational robustness but also contributes to the long-term sustainability of wind energy systems by improving energy efficiency, reducing losses, and supporting grid stability. Overall, this work promotes sustainability by advancing control techniques that optimize renewable energy utilization and strengthen the reliability of clean power technologies. Full article
Show Figures

Figure 1

16 pages, 6413 KB  
Article
High-Efficiency Soft-Switching Technique for a Cascaded Buck–Boost Converter Based on Model Predictive Control Using GaN Devices
by Li Liu, Jialiang Dai, Ju Lee, Seonheui Kang and Changsung Jin
Electronics 2025, 14(22), 4499; https://doi.org/10.3390/electronics14224499 - 18 Nov 2025
Viewed by 345
Abstract
Improving the efficiency of buck–boost converters has long been a major focus in power electronics. To enhance efficiency and overcome existing limitations, this paper proposes a soft-switching technique for a cascaded buck–boost converter (CBBC). The proposed approach integrates high-frequency switching of four gallium [...] Read more.
Improving the efficiency of buck–boost converters has long been a major focus in power electronics. To enhance efficiency and overcome existing limitations, this paper proposes a soft-switching technique for a cascaded buck–boost converter (CBBC). The proposed approach integrates high-frequency switching of four gallium nitride (GaN) devices, improving both dynamic and steady-state performance from hardware and control perspectives. First, a soft-switching modulation scheme based on negative-current pulse width modulation (PWM) is implemented by introducing a new switching sequence in the CBBC, controlled by a modulation variable. This scheme ensures that the GaN switches operate under zero-current switching (ZCS) and zero-voltage switching (ZVS) conditions during transitions. Furthermore, the CBBC operating modes are divided into four intervals for modeling and analysis, upon which a model predictive control (MPC) strategy is developed to achieve fast closed-loop regulation of both output voltage and current. To further minimize current ripple and device losses, the MPC cost function is optimized by constraining the control parameters. Experimental results obtained from a 300-W hardware prototype verify the effectiveness and feasibility of the proposed soft-switching control method. Full article
(This article belongs to the Section Electronic Materials, Devices and Applications)
Show Figures

Figure 1

19 pages, 2635 KB  
Article
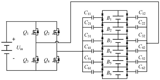
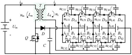
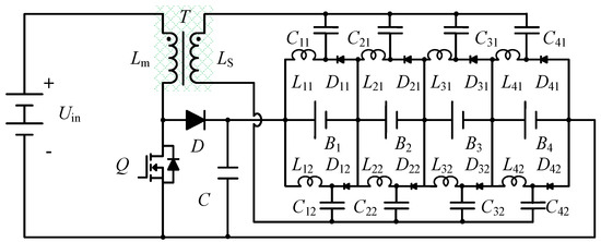
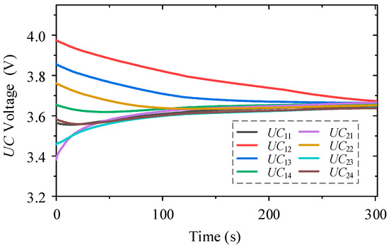
A Compact Integrated Equalizer Based on Multi-Stacked Buck-Boost Converter for Large-Scale Energy Storage System
by Yunchi Qiao, Xuejiao Pan, Miao Mou, Yanghang Ou, Zhenbo Wei, Xuxiang Li, Weiting Xu and Xinyuan Zhang
Energies 2025, 18(21), 5795; https://doi.org/10.3390/en18215795 - 3 Nov 2025
Viewed by 293
Abstract
Traditional symmetric voltage multiplier-based structures offer low current stress and high scalability. However, the equalization current flowing into each energy storage cell must overcome four diode voltage drops per switching cycle, significantly degrading energy transfer efficiency. A compact integrated equalizer based on multi-stacked [...] Read more.
Traditional symmetric voltage multiplier-based structures offer low current stress and high scalability. However, the equalization current flowing into each energy storage cell must overcome four diode voltage drops per switching cycle, significantly degrading energy transfer efficiency. A compact integrated equalizer based on multi-stacked buck-boost converters for large-scale energy storage systems is proposed. By replacing diodes with inductors, the design achieves high-efficiency cell balancing even at low cell voltages. The integrated design leverages the boost circuit’s inherent current ripple for driving the balancing system, eliminating extra switches and minimizing size and cost. Additionally, it provides independent balancing channels for each cell, eliminating equalization current superposition. This reduces cell current stress while enabling large-scale system balancing. Experimental validation on an eight-cell setup demonstrated successful balancing with 87.5% system efficiency. Full article
Show Figures

Figure 1

17 pages, 3259 KB  
Article
A Multivector Direct Model Predictive Control Scheme with Harmonic Suppression for DTP-PMSMs
by Baoyun Qi, Rui Yang, Yu Lu, Zhen Zhang, Bingchen Liang, Bin Deng, Jiancheng Liu, Liwei Yu and Hongyun Wu
Electronics 2025, 14(19), 3970; https://doi.org/10.3390/electronics14193970 - 9 Oct 2025
Viewed by 418
Abstract
A multivector direct model predictive control (DMPC) scheme is proposed for the dual three-phase permanent magnet synchronous machine (DTP-PMSM) drive system to achieve closed-loop control for both fundamental current tracking and harmonic current minimization. The proposed multivector DMPC scheme employs four active voltage [...] Read more.
A multivector direct model predictive control (DMPC) scheme is proposed for the dual three-phase permanent magnet synchronous machine (DTP-PMSM) drive system to achieve closed-loop control for both fundamental current tracking and harmonic current minimization. The proposed multivector DMPC scheme employs four active voltage vectors, including two large vectors and two basic vectors for implicit modulation. Moreover, the control optimization problem is formulated as a four-dimensional quadratic programming problem, which is suitable for real-time implementation. The proposed multivector DMPC scheme enables fast and accurate tracking of the fundamental current as well as effective suppression of harmonic currents in both the fundamental and harmonic subspaces. In addition, a Kalman filter observer is incorporated to enhance robustness against model uncertainties and disturbances. Experimental results on a DTP-PMSM test bench verify that the proposed multivector DMPC scheme effectively reduces torque ripple, improves current quality, and enhances both steady-state and transient performance of the system. Full article
(This article belongs to the Special Issue Emerging Technologies in Wireless Power and Energy Transfer Systems)
Show Figures

Figure 1

22 pages, 6708 KB  
Article
Enhanced Model Predictive Speed Control of PMSMs Based on Duty Ratio Optimization with Integrated Load Torque Disturbance Compensation
by Tarek Yahia, Abdelsalam A. Ahmed, M. M. Ahmed, Amr El Zawawi, Z. M. S. Elbarbary, M. S. Arafath and Mosaad M. Ali
Machines 2025, 13(10), 891; https://doi.org/10.3390/machines13100891 - 30 Sep 2025
Viewed by 808
Abstract
This paper proposes an enhanced Model Predictive Direct Speed Control (MPDSC) framework for Permanent Magnet Synchronous Motor (PMSM) drives, integrating duty ratio optimization and load torque disturbance compensation to significantly improve both transient and steady-state performance. Traditional finite-control-set MPC strategies, which apply a [...] Read more.
This paper proposes an enhanced Model Predictive Direct Speed Control (MPDSC) framework for Permanent Magnet Synchronous Motor (PMSM) drives, integrating duty ratio optimization and load torque disturbance compensation to significantly improve both transient and steady-state performance. Traditional finite-control-set MPC strategies, which apply a single voltage vector per sampling interval, often suffer from steady-state ripples, elevated total harmonic distortion (THD), and high computational complexity due to exhaustive switching evaluations. The proposed approach addresses these limitations through a novel dual-stage cost function structure: the first cost function optimizes dynamic response via predictive control of speed error, while the second adaptively minimizes torque ripple and harmonic distortion by adjusting the active–zero voltage vector duty ratio without the need for manual weight tuning. Robustness against time-varying disturbances is further enhanced by integrating a real-time load torque observer into the control loop. The scheme is validated through both MATLAB/Simulink R2020a simulations and real-time experimental testing on a dSPACE 1202 rapid control prototyping platform across small- and large-scale PMSM configurations. Experimental results confirm that the proposed controller achieves a transient speed deviation of just 0.004%, a steady-state ripple of 0.01 rpm, and torque ripple as low as 0.0124 Nm, with THD reduced to approximately 5.5%. The duty ratio-based predictive modulation ensures faster settling time, improved current quality, and greater immunity to load torque disturbances compared to recent duty-ratio MPC implementations. These findings highlight the proposed DR-MPDSC as a computationally efficient and experimentally validated solution for next-generation PMSM drive systems in automotive and industrial domains. Full article
(This article belongs to the Section Electrical Machines and Drives)
Show Figures

Figure 1

18 pages, 1367 KB  
Article
Torque Smoothness for a Modified W-Type Inverter-Fed Three-Phase Induction Motor with Finite Set Model Predictive Control for Electric Vehicles
by Muhammad Ayyaz Tariq, Syed Abdul Rahman Kashif, Akhtar Rasool and Ahmed Ali
World Electr. Veh. J. 2025, 16(9), 539; https://doi.org/10.3390/wevj16090539 - 22 Sep 2025
Viewed by 673
Abstract
Ripples in the electromagnetic torque of electric vehicle (EV) motors due to poor stator voltage and control cause jerky movements, equipment failure, discomfort for passengers and drivers, and damage to the associated civil works. This paper presents the implementation of Finite Control Set [...] Read more.
Ripples in the electromagnetic torque of electric vehicle (EV) motors due to poor stator voltage and control cause jerky movements, equipment failure, discomfort for passengers and drivers, and damage to the associated civil works. This paper presents the implementation of Finite Control Set Model Predictive Control (FCSMPC) for a high-level modified W-type inverter (MWI) driving a three-phase induction motor (IM), along with validation of its performance. The proposed control strategy aims to minimize motor torque ripples and has been tested under various driving torque patterns. The results demonstrate a significant reduction in torque ripples—down to less than 1%—and acceptable levels of total harmonic distortion (THD), as verified through quality analysis of the stator currents. Moreover, a comparative assessment of voltage profiles for the electromagnetic torque and rotor speed curves has been presented for nine cases of simultaneous variations in multiple motor parameters; the results indicate that the MWI-fed motor has the best performance and the lowest sensitivity to the variations. Full article
Show Figures

Figure 1

26 pages, 9128 KB  
Article
Torque Ripple Reduction in BLDC Motors Using Phase Current Integration and Enhanced Zero Vector DTC
by Xingwei Sa, Han Wu, Guoqing Zhao and Zhenjun Zhao
Electronics 2025, 14(15), 2999; https://doi.org/10.3390/electronics14152999 - 28 Jul 2025
Viewed by 1387
Abstract
To improve commutation accuracy and effectively suppress torque ripple in brushless DC motors (BLDCMs), this paper presents a novel commutation correction strategy integrated into an enhanced direct torque control (DTC) framework. The proposed method estimates the commutation angle error in real time by [...] Read more.
To improve commutation accuracy and effectively suppress torque ripple in brushless DC motors (BLDCMs), this paper presents a novel commutation correction strategy integrated into an enhanced direct torque control (DTC) framework. The proposed method estimates the commutation angle error in real time by analyzing the integral difference in phase currents across adjacent 30° conduction intervals, enabling dynamic and accurate commutation correction. This correction mechanism is seamlessly embedded into a modified DTC algorithm that employs a three-level torque hysteresis comparator and introduces a novel zero-voltage vector selection strategy to minimize torque ripple. Compared with conventional DTC approaches employing dual-loop control and standard zero vectors, the proposed method achieves up to a 58% reduction in torque ripple along with improved commutation precision, as demonstrated through both simulation and experimental validation. These results confirm the method’s effectiveness and its potential for application in high-performance BLDCMs drive systems. Full article
(This article belongs to the Section Power Electronics)
Show Figures

Figure 1

19 pages, 7758 KB  
Article
A Multi-Vector Modulated Model Predictive Control Based on Coordinated Control Strategy of a Photovoltaic-Storage Three-Port DC–DC Converter
by Qihui Feng, Meng Zhang, Yutao Xu, Chao Zhang, Dunhui Chen and Xufeng Yuan
Energies 2025, 18(12), 3208; https://doi.org/10.3390/en18123208 - 19 Jun 2025
Viewed by 934
Abstract
As a core component of the photovoltaic-storage microgrid systems, three-port DC–DC converters have attracted significant attention in recent years. This paper proposes a multi-vector modulated model predictive control (MVM-MPC) method based on vector analysis for a non-isolated three-port DC–DC converter formed by paralleling [...] Read more.
As a core component of the photovoltaic-storage microgrid systems, three-port DC–DC converters have attracted significant attention in recent years. This paper proposes a multi-vector modulated model predictive control (MVM-MPC) method based on vector analysis for a non-isolated three-port DC–DC converter formed by paralleling two bidirectional DC–DC converters. The proposed modulated MPC method utilizes three basic vectors to calculate the optimal switching sequence for minimizing the error vector. It can significantly minimize voltage ripple while maintaining the nonlinear and dynamic performance characteristics of a traditional MPC. MATLAB/Simulink R2024a simulations and hardware-in-loop (HIL) experimental results demonstrate that, compared with finite control set MPC and traditional two-vector modulated MPC methods, the proposed approach achieves remarkable reductions in current ripple and voltage ripple, along with excellent dynamic performance featuring smooth mode-switching. Full article
Show Figures

Figure 1

22 pages, 21215 KB  
Article
High-Performance Two-Stage DC/DC Converter Based on LADRC-PI Hybrid Control for PEM Electrolyzer Hydrogen Production
by Qingshuai Yu, Zhenao Sun, Yetong Han, Tuanlong Zhang, Rongxing Zhang and Muhua Lin
Micromachines 2025, 16(6), 665; https://doi.org/10.3390/mi16060665 - 31 May 2025
Cited by 1 | Viewed by 1246
Abstract
While DC/DC converters for water electrolysis systems have been widely investigated, they inherently face a critical compromise between wide voltage regulation capabilities and dynamic response characteristics. This study is based on a two-stage hybrid topology (TSIB-TPLLC) that synergistically combines a two-phase interleaved buck [...] Read more.
While DC/DC converters for water electrolysis systems have been widely investigated, they inherently face a critical compromise between wide voltage regulation capabilities and dynamic response characteristics. This study is based on a two-stage hybrid topology (TSIB-TPLLC) that synergistically combines a two-phase interleaved buck converter with a three-phase LLC resonant converter to resolve this challenge. The first-stage interleaved buck converter enables wide-range voltage regulation while reducing input current ripple and minimizing intermediate bus capacitance through phase-interleaved operation. The subsequent three-phase LLC stage operates at a fixed resonant frequency, achieving inherent output current ripple suppression through multi-phase cancellation while maintaining high conversion efficiency. A dual-loop control architecture incorporating linear active disturbance rejection control (LADRC) with PI compensation is developed to improve transient response compared to conventional PI-based methods. Finally, a 1.2 kW experimental prototype with an input voltage of 250 V and an output voltage of 24 V demonstrates the converter’s operational feasibility and enhanced steady-state/transient performance, confirming its suitability for hydrogen production applications. Full article
Show Figures

Figure 1

17 pages, 3443 KB  
Article
Low Voltage Ride Through Coordination Control Strategy of DFIG with Series Grid Side Converter
by Xin Qi, Can Ding, Jun Zhang, Quan Wang and Wenhui Chen
Energies 2025, 18(10), 2537; https://doi.org/10.3390/en18102537 - 14 May 2025
Viewed by 871
Abstract
The present study investigates the control strategy of a novel doubled-fed induction generator (DFIG) with a series grid-side converter (SGSC) during grid faults. The rotor-side inverter is subject to a control strategy derived from the Model Predictive Current Control (MPCC) theory, which is [...] Read more.
The present study investigates the control strategy of a novel doubled-fed induction generator (DFIG) with a series grid-side converter (SGSC) during grid faults. The rotor-side inverter is subject to a control strategy derived from the Model Predictive Current Control (MPCC) theory, which is implemented during periods of fault occurrence; for the series grid-side converter, the positive and negative sequence component control is implemented during both steady state and fault periods to enhance system stability and performance. The proposed coordinated control strategy is implemented on a doubly fed turbine with SGSC, while taking into account different degrees of symmetric and asymmetric faults to further evaluate the efficacy of the proposed method. The results of the simulations demonstrate the efficacy of the model-predictive current control scheme applied to the rotor-side converter under conditions of asymmetric faults. This enables the suppression of a range of phenomena, including rotor overcurrent, stator overcurrent, and overvoltage, electromagnetic torque ripple, and DC bus voltage during low-voltage ride-through (LVRT), among others. The present study confirms the viability of implementing positive and negative sequences of voltage separation control in the SGSC during both grid faults and steady state. This approach is expected to minimize the switching of SGSC control strategies and thereby reduce output power fluctuations. The Rotor Side Converter (RSC) and SGSC can perform coordinated control during faults, and the proposed method is able to improve low-voltage ride-through performance compared to existing methods, thereby preventing damage to the converter under multiple fault conditions. Full article
(This article belongs to the Special Issue Control and Optimization of Power Converters)
Show Figures

Figure 1

16 pages, 4111 KB  
Article
Current Ripple and Dynamic Characteristic Analysis for Active Magnetic Bearing Power Amplifiers with Eddy Current Effects
by Zhi Li, Zhenzhong Su, Hao Jiang, Qi Liu and Jingxiong He
Electronics 2025, 14(10), 1936; https://doi.org/10.3390/electronics14101936 - 9 May 2025
Viewed by 533
Abstract
Active magnetic bearings (AMBs), pivotal in high-speed rotating machinery for their frictionless operation and precise control, demand power amplifiers with exceptional dynamic performance and minimal current ripple. However, conventional amplifier designs often overlook eddy current effects, a critical oversight given the high-frequency switching [...] Read more.
Active magnetic bearings (AMBs), pivotal in high-speed rotating machinery for their frictionless operation and precise control, demand power amplifiers with exceptional dynamic performance and minimal current ripple. However, conventional amplifier designs often overlook eddy current effects, a critical oversight given the high-frequency switching inherent to pulse-width modulation (PWM). These induced eddy currents distort output waveforms, amplify ripple, and degrade system bandwidth. This paper bridges this critical gap by proposing a comprehensive methodology to model, quantify, and mitigate eddy current impacts on three-level half-bridge power amplifiers. A novel mutual inductance-embedded circuit model was developed, integrating winding–eddy current interactions under PWM operations, while a discretized transfer function framework dissects frequency-dependent ripple amplification and phase hysteresis. A voltage selection criterion was analytically derived to suppress nonlinear distortions, ensuring stable operation in high-precision applications. A Simulink simulation model was established to verify the accuracy of the theoretical model. Experimental validation demonstrated a 212% surge in steady-state ripple (48 mA to 150 mA at 4 A DC bias) under a 20 kHz PWM operation, aligning with theoretical predictions. Dynamic load tests (400 Hz) showed a 6.28% current amplitude reduction at 80 V DC bus voltage compared to 40 V, highlighting bandwidth degradation. This research provides a paradigm for optimizing AMB power electronics, enhancing precision in next-generation high-speed systems. Full article
Show Figures

Figure 1

19 pages, 8720 KB  
Article
High Step-Up Interleaved DC–DC Converter with Voltage-Lift Capacitor and Voltage Multiplier Cell
by Shin-Ju Chen, Sung-Pei Yang, Chao-Ming Huang and Po-Yuan Hu
Electronics 2025, 14(6), 1209; https://doi.org/10.3390/electronics14061209 - 19 Mar 2025
Cited by 2 | Viewed by 1699
Abstract
In this article, a new high step-up interleaved DC–DC converter is presented for renewable energy systems. The converter circuit is based on the interleaved two-phase boost converter and integrates a voltage-lift capacitor and a voltage multiplier cell. A high voltage gain of the [...] Read more.
In this article, a new high step-up interleaved DC–DC converter is presented for renewable energy systems. The converter circuit is based on the interleaved two-phase boost converter and integrates a voltage-lift capacitor and a voltage multiplier cell. A high voltage gain of the converter can be achieved with a reasonable duty ratio and the voltage stresses of semiconductor devices are reduced. Because of low voltage stress, the switches with low on-resistance and the diodes with low forward voltage drops can be adopted to minimize the conduction losses. Additionally, the switching losses are reduced because the switches are turned on under zero-current switching (ZCS) conditions. Due to the existence of leakage inductances of the coupled inductors, the diode reverse-recovery problem is alleviated. Moreover, the leakage energy is recycled and the voltage spikes during switch turn-off are avoided. The parallel input architecture and interleaved operation reduce the input current ripple. The operating principles, steady-state characteristics, and design considerations of the presented converter are proposed in detail. Furthermore, a closed-loop control is designed to maintain a well-regulated output voltage despite variations in input voltage and output load. A prototype converter with a rated 1000 W output power is realized for demonstration. Finally, experimental results show the converter effectiveness and verify the theoretical analysis. Full article
(This article belongs to the Special Issue Efficient and Resilient DC Energy Distribution Systems)
Show Figures

Figure 1

19 pages, 7587 KB  
Article
Three-Vector-Based Smart Model Predictive Torque Control of Surface-Mounted Permanent Magnet Synchronous Motor Drives for Robotic System Based on Genetic Algorithm
by Shenghui Li, Li Ma, Jingrui Hou, Yiqing Ma and Rongbo Lai
Actuators 2025, 14(3), 149; https://doi.org/10.3390/act14030149 - 17 Mar 2025
Viewed by 904
Abstract
Owing to their high performance and high-efficiency controllability, surface-mounted permanent magnet synchronous motors (SPMSMs) have been widely considered for various robotic systems. The conventional three-vector-based model predictive torque control (MPTC) is frequently applied to SPMSMs, while the adjustment of weight factors is difficult. [...] Read more.
Owing to their high performance and high-efficiency controllability, surface-mounted permanent magnet synchronous motors (SPMSMs) have been widely considered for various robotic systems. The conventional three-vector-based model predictive torque control (MPTC) is frequently applied to SPMSMs, while the adjustment of weight factors is difficult. Compared with the five-segment sequence output method, the three-segment sequence output method can effectively reduce the switching frequency. However, the three-segment sequence output method leads to large torque and stator flux ripple. For these issues, a three-vector-based smart MPTC method based on the optimal vector sequence optimized by a genetic algorithm is proposed. Firstly, the reference voltage vector output from the discrete-time sliding mode (DTSM) current controller is utilized to simplify the process of selecting the vectors, and it can enhance the robustness of the SPMSM system. Secondly, an improved cost function is employed to select the optimal vector sequence, aiming to minimize torque and flux ripple. Furthermore, the multi-objective genetic algorithm is leveraged to seek the Pareto solution for weight factors. As a final step, the efficacy of the designed MPTC approach is confirmed through simulations and experiments. Full article
(This article belongs to the Special Issue Advanced Learning and Intelligent Control Algorithms for Robots)
Show Figures

Figure 1

16 pages, 6807 KB  
Article
A Novel Concept of High-Voltage Balancing on Series-Connected Transistors for Use in High-Speed Instrumentation
by Alexandr Despotuli, Viacheslav Kazmiruk, Anastasia Despotuli and Alexandra Andreeva
Energies 2025, 18(5), 1084; https://doi.org/10.3390/en18051084 - 24 Feb 2025
Cited by 1 | Viewed by 1159
Abstract
The novel concept of reliable voltage balancing on N fast high-voltage (HV) transistors, connected in series, is verified by computer modeling/experimental testing. The essence of the concept is to transfer the balancing function from conventional snubbers, resistive dividers, varistors, etc., or sophisticated gate-side [...] Read more.
The novel concept of reliable voltage balancing on N fast high-voltage (HV) transistors, connected in series, is verified by computer modeling/experimental testing. The essence of the concept is to transfer the balancing function from conventional snubbers, resistive dividers, varistors, etc., or sophisticated gate-side control techniques, to “individual” resistive loads (of transistors) connected to “individual” HV sources of power. The concept has been implemented in the recently patented architecture of HV rectangular pulse generators. The operation of any series-connected stack requires (1) synchronization of control actions on gates of all N transistors; (2) static HV balancing on all transistors in OFF states; and (3) dynamic HV balancing during ON↔OFF transients. The goals of the new design are to achieve an exceptionally high level of HV balancing in modes (2) and (3), as well as to simplify the process of configuring/customizing the circuit. Testing confirms that new generators exhibit minimal ripple during ON→OFF transients. Reliable operation with high-quality rectangular pulses is ensured even at a voltage slew rate of more than 100 kV/µs, while each transistor blocks a voltage close to the maximum value specified in its datasheet. The presented novelties are likely suitable for high-speed instrumentation. Full article
(This article belongs to the Special Issue Reliability of Power Electronics Devices and Converter Systems)
Show Figures

Figure 1

Back to TopTop