Sign in to use this feature.

Years

Between: -

Subjects

remove_circle_outline
remove_circle_outline
remove_circle_outline

Journals

Article Types

Countries / Regions

Search Results (1)

Search Parameters:
Keywords = pressure-grouted helical piles

Order results
Result details
Results per page
Select all
Export citation of selected articles as:
19 pages, 17146 KB  
Article
Analysis of the Installation Effect on the Axial Performance of Pressure-Grouted Helical Piles in Clay by Small-Scale Model Tests
by Xiaoxuan Zhuang, Zhongling Zong, Yunhan Huang and Peipei Wang
Buildings 2022, 12(7), 992; https://doi.org/10.3390/buildings12070992 - 12 Jul 2022
Cited by 15 | Viewed by 3048
Abstract
A pressure-grouted helical pile (PGHP) is a stiffened helical pile installed by using the simultaneous drilling and grouting technique. The formation of the soil-cement column surrounded by the helical pile is influenced by the multiple installation parameters, including helix number, helix size, and [...] Read more.
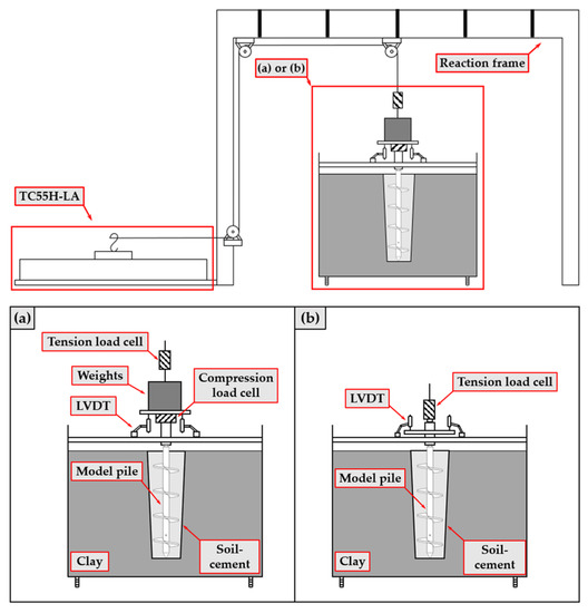
A pressure-grouted helical pile (PGHP) is a stiffened helical pile installed by using the simultaneous drilling and grouting technique. The formation of the soil-cement column surrounded by the helical pile is influenced by the multiple installation parameters, including helix number, helix size, and drilling speed. A series of small-scale model tests was carried out in clay to investigate the influence of installation parameters on axial behavior of PGHP and the load transfer mechanism. The model piles were pulled out after the loading tests, and the dimensions of the soil-cement columns were measured. The ultimate compressive bearing capacities of the PGHPs were 260% to 293% higher than the un-grouted helical piles. The ultimate bearing capacities of the PGHPs were proportional to the increase of the helix number and helix size and decreased with the drilling speed. The average bond diameter of the soil-cement column was 1.26 to 1.35 times the helix size. The adhesion between the soil-cement column and the surrounding clay was in the range of 0.8 to 1.2. The overall results examine the feasibility of the simultaneous drilling and grouting technique in clay and the improvement of the axial bearing performance compared to un-grouted helical piles. Full article
(This article belongs to the Section Building Structures)
Show Figures

Figure 1

Back to TopTop