Sign in to use this feature.

Years

Between: -

Subjects

remove_circle_outline
remove_circle_outline
remove_circle_outline
remove_circle_outline
remove_circle_outline
remove_circle_outline
remove_circle_outline

Journals

Article Types

Countries / Regions

Search Results (20)

Search Parameters:
Keywords = distributed storage System (DSS)

Order results
Result details
Results per page
Select all
Export citation of selected articles as:
14 pages, 2740 KB  
Article
An Optimal Operation Strategy for Surge Protective Devices in Li-Ion Based Energy Storage Systems
by Yun-Ho Kim, Hyun-Sang You, Min-Haeng Lee, Seong-Eun Rho, Se-Jin Kim and Dae-Seok Rho
Electronics 2025, 14(18), 3629; https://doi.org/10.3390/electronics14183629 - 13 Sep 2025
Viewed by 482
Abstract
This paper deals with an optimal operation method for surge protective devices (SPDs) to calculate the maximum continuous operating voltage (UC) and the voltage protection level (UP) by considering the sum of the voltage protection level and the dielectric [...] Read more.
This paper deals with an optimal operation method for surge protective devices (SPDs) to calculate the maximum continuous operating voltage (UC) and the voltage protection level (UP) by considering the sum of the voltage protection level and the dielectric continuous voltage limit of surge protective devices in order to effectively protect energy storage system (ESS) from switching and lightning surges. This paper also implements a test device for SPDs in ESSs based on the concept of a lightning electromagnetic surge protection measurement system (LPMS) by combining an SPD coordinated with spatial shielding with an ESS configuration. Here, the test device for the SPD in the ESS is composed of a power distribution unit (PDU), uninterruptible power supply (UPS), and a lightning electromagnetic pulse (LEMP) protection device, which combines two units of SPDs and disconnection switches (DSs) connected in parallel with two units of main circuit breakers (MCBs) and noise cut transformers (NCTs) connected in series. From the test results based on the proposed optimal operation method and test device, it is clear that the residual voltage with a third-class combination waveform can be kept within 1.5 kV of the surge voltage limit in all test scenarios, and it is confirmed that the proposed test device for SPDs can protect ESSs from switching and lightning surges. Therefore, it is confirmed that the SPD tested using the proposed method can effectively reduce switching and lightning surges, while the existing SPDs installed in ESS sites cannot protect ESSs from such surges. Full article
Show Figures

Graphical abstract

15 pages, 2755 KB  
Article
Comparative Analysis of the Substitution Effect of Smart Inverter-Based Energy Storage Systems on the Improvement of Distribution System Hosting Capacity Using Vertical Photovoltaic Systems
by Seungmin Lee, Garam Kim, Seungwoo Son and Junghun Lee
Energies 2025, 18(16), 4307; https://doi.org/10.3390/en18164307 - 13 Aug 2025
Cited by 1 | Viewed by 617
Abstract
Renewable energy sources, particularly solar photovoltaics (PVs), are rapidly expanding to achieve carbon neutrality. Integrated photovoltaic (IPV) solutions in underutilized spaces offer a viable option for countries with land constraints and public opposition. Vertical PV (VPV) systems, featuring bifacial solar modules installed vertically, [...] Read more.
Renewable energy sources, particularly solar photovoltaics (PVs), are rapidly expanding to achieve carbon neutrality. Integrated photovoltaic (IPV) solutions in underutilized spaces offer a viable option for countries with land constraints and public opposition. Vertical PV (VPV) systems, featuring bifacial solar modules installed vertically, facing east and west, present a promising alternative. In contrast to conventional tilted PV (CPV) systems, which peak around midday, VPV systems generate more power in the morning and afternoon. This mitigates issues such as the duck curve and curtailment caused by midday overgeneration. Moreover, combining VPV and CPV systems can increase the solar hosting capacity of a distribution line (DL) for PV-system interconnections, driving research interest. This study assessed the hosting-capacity improvements from VPV systems by analyzing voltage fluctuations and thermal constraints using OpenDSS software (Version 9.1.1.1). The potential substitution effect of a smart inverter-based energy-storage system (ESS) was also explored. The analysis, based on real-grid conditions in South Korea, incorporated actual DL data, generation and demand profiles, and operational data from both VPV and CPV systems. Worst-case scenarios were simulated to evaluate their impact on grid stability. The results demonstrate that VPV systems can increase hosting capacity by up to 23% and ensure stable grid operation by reducing power-generation uncertainties. Full article
(This article belongs to the Section F2: Distributed Energy System)
Show Figures

Figure 1

24 pages, 14028 KB  
Article
Heuristic-Based Scheduling of BESS for Multi-Community Large-Scale Active Distribution Network
by Ejikeme A. Amako, Ali Arzani and Satish M. Mahajan
Electricity 2025, 6(3), 36; https://doi.org/10.3390/electricity6030036 - 1 Jul 2025
Cited by 3 | Viewed by 879
Abstract
The integration of battery energy storage systems (BESSs) within active distribution networks (ADNs) entails optimized day-ahead charge/discharge scheduling to achieve effective peak shaving.The primary objective is to reduce peak demand and mitigate power deviations caused by intermittent photovoltaic (PV) output. Quasi-static time-series (QSTS) [...] Read more.
The integration of battery energy storage systems (BESSs) within active distribution networks (ADNs) entails optimized day-ahead charge/discharge scheduling to achieve effective peak shaving.The primary objective is to reduce peak demand and mitigate power deviations caused by intermittent photovoltaic (PV) output. Quasi-static time-series (QSTS) co-simulations for determining optimal heuristic solutions at each time interval are computationally intensive, particularly for large-scale systems. To address this, a two-stage intelligent BESS scheduling approach implemented in a MATLAB–OpenDSS environment with parallel processing is proposed in this paper. In the first stage, a rule-based decision tree generates initial charge/discharge setpoints for community BESS units. These setpoints are refined in the second stage using an optimization algorithm aimed at minimizing community net load power deviations and reducing peak demand. By assigning each ADN community to a dedicated CPU core, the proposed approach utilizes parallel processing to significantly reduce the execution time. Performance evaluations on an IEEE 8500-node test feeder demonstrate that the approach enhances peak shaving while reducing QSTS co-simulation execution time, utility peak demand, distribution network losses, and point of interconnection (POI) nodal voltage deviations. In addition, the use of smart inverter functions improves BESS operations by mitigating voltage violations and active power curtailment, thereby increasing the amount of energy shaved during peak demand periods. Full article
Show Figures

Figure 1

19 pages, 1196 KB  
Article
Clustered Distributed Data Storage Repairing Multiple Failures
by Shiqiu Liu, Fangwei Ye and Qihui Wu
Entropy 2025, 27(3), 313; https://doi.org/10.3390/e27030313 - 17 Mar 2025
Viewed by 663
Abstract
A clustered distributed storage system (DSS), also called a rack-aware storage system, is a distributed storage system in which the nodes are grouped into several clusters. The communication between two clusters may be restricted by their connectivity; that is to say, the communication [...] Read more.
A clustered distributed storage system (DSS), also called a rack-aware storage system, is a distributed storage system in which the nodes are grouped into several clusters. The communication between two clusters may be restricted by their connectivity; that is to say, the communication cost between nodes differs depending on their location. As such, when repairing a failed node, downloading data from nodes that are in the same cluster is much cheaper and more efficient than downloading data from nodes in another cluster. In this article, we consider a scenario in which the failed nodes only download data from nodes in the same cluster, which is an extreme and important case that leverages the fact that the intra-cluster bandwidth is much cheaper than the cross-cluster repair bandwidth. Also, we study the problem of repairing multiple failures in this article, which allows for collaboration within the same cluster, i.e., failed nodes in the same cluster can exchange data with each other. We derive the trade-off between the storage and repair bandwidth for the clustered DSSs and provide explicit code constructions achieving two extreme points in the trade-off, namely the minimum storage clustered collaborative repair (MSCCR) point and the minimum bandwidth clustered collaborative repair (MBCCR) point, respectively. Full article
(This article belongs to the Special Issue Network Information Theory and Its Applications)
Show Figures

Figure 1

21 pages, 3116 KB  
Article
Optimal Allocation and Sizing of BESS in a Distribution Network with High PV Production Using NSGA-II and LP Optimization Methods
by Biljana Trivić and Aleksandar Savić
Energies 2025, 18(5), 1076; https://doi.org/10.3390/en18051076 - 23 Feb 2025
Cited by 6 | Viewed by 1430
Abstract
Battery energy storage systems (BESSs) can play a significant role in overcoming the challenges in Distribution Systems (DSs) with a high level of penetration from renewable energy sources (RESs). In this paper, the goal is to determine the optimal location, size, and charging/discharging [...] Read more.
Battery energy storage systems (BESSs) can play a significant role in overcoming the challenges in Distribution Systems (DSs) with a high level of penetration from renewable energy sources (RESs). In this paper, the goal is to determine the optimal location, size, and charging/discharging dispatches of BESSs in DSs with a high level of photovoltaic (PV) installations. The problem of the location and size of BESSs is solved with multi-criteria optimization using Non-dominated Sorting Genetic Algorithm-II (NSGA-II). The criteria of the multi-criteria optimization are minimal investment costs for BESS and improvement of the network performance index. The network performance index includes the reduction in annual losses of active energy in DSs and the minimization of voltage deviations. The dispatch of a BESS is determined using auxiliary optimization. Linear Programming (LP) is used for auxiliary optimization, with the aim of dispatching the BESS to smooth the load profile in DS. The proposed optimization method differs from previous studies because it takes in its calculations all days of the year. This was performed using the K-means clustering technique. The days of one year are classified by the level of consumption and PV production. The optimization was performed for five different levels of PV penetration (60%, 70%, 80%, 90%, and 100%) and for two scenarios: the first with one BESS and the second with two BESSs. The proposed methodology is applied to the IEEE 33 bus balanced radial distribution system. The results demonstrate that with an optimal choice of location and parameters of the BESS, significant improvement in network performance is achieved. This refers to a reduction in losses of active power, improvement of voltage profile, smoothing the load diagram, and reducing the peak load. For the scenario with one BESS and PV penetration of 100%, the reduction in daily energy losses reaches a value of up to 10% compared to the base case (case without a BESS). The reduction in peak load goes to 20%. Further, the highest voltage during the day is significantly lower in all buses compared to the base case. Similarly, the lowest voltage during the day is considerably higher. The methodology from this paper can be applied to any radial distribution network with a variable number of BESSs. The testing results confirm the effectiveness of the proposed method. Full article
(This article belongs to the Section A2: Solar Energy and Photovoltaic Systems)
Show Figures

Figure 1

15 pages, 2313 KB  
Article
An Impact Assessment of a Transportable BESS on the Protection of Conventional Distribution Systems
by Antonio E. C. Momesso, Pedro H. A. Barra, Pedro I. N. Barbalho, Eduardo N. Asada, José C. M. Vieira and Denis V. Coury
Energies 2024, 17(16), 4196; https://doi.org/10.3390/en17164196 - 22 Aug 2024
Viewed by 1300
Abstract
The integration of new battery technologies has become a focal point for distribution utilities, driven by decreasing costs and the need for fast responsiveness. Transportable battery energy storage systems (TBESSs) offer additional flexibility, allowing connection at multiple substations or grid feed points. However, [...] Read more.
The integration of new battery technologies has become a focal point for distribution utilities, driven by decreasing costs and the need for fast responsiveness. Transportable battery energy storage systems (TBESSs) offer additional flexibility, allowing connection at multiple substations or grid feed points. However, concerns remain regarding their impact on distribution systems (DSs), particularly on protection devices (PDs). This study addresses these concerns by investigating the influence of TBESSs on the protection systems of a real-world distribution network. Given the lack of studies in the current literature on this topic, this research aims to fill this gap by examining the potential effects of TBESS integration on PDs, such as reclosers and fuses, within a DS. Utilizing a model based on real data from a Brazilian utility, we conducted simulations to analyze the effects of TBESSs in both charging and discharging modes on the protection systems of three feeders. The methodology involved assessing variations in the operation times and coordination of PDs to determine if TBESS integration would necessitate adjustments to existing protection configurations. The results demonstrated that TBESS integration resulted in only minor variations in PD operating times, typically within hundredths of a second, indicating a negligible impact on protection performance. Consequently, no significant modifications to the protection system are required to accommodate TBESSs. These findings suggest that TBESSs can be seamlessly integrated into existing distribution networks, maintaining system reliability and operational integrity. This study provides valuable insights and a robust procedure for utilities to analyze the integration of TBESSs, supporting the effective deployment of modern energy storage solutions in DSs. Full article
(This article belongs to the Section D: Energy Storage and Application)
Show Figures

Figure 1

18 pages, 722 KB  
Article
Exploring the Viability of Local Electricity Markets for Managing Congestion in Spanish Distribution Networks
by Fernando García-Muñoz, Mariana Jiménez-Martínez, Josh Eichman, Cristina Corchero and Gabriela Benveniste
Energies 2024, 17(3), 659; https://doi.org/10.3390/en17030659 - 30 Jan 2024
Cited by 5 | Viewed by 2147
Abstract
This article presents the methodology and results developed as part of the Integration of Energy Resources through Local Electricity Markets (IREMEL) project, whose aim is to assess the capability of flexibility markets to manage eventual distribution network (DN) congestion produced by a high [...] Read more.
This article presents the methodology and results developed as part of the Integration of Energy Resources through Local Electricity Markets (IREMEL) project, whose aim is to assess the capability of flexibility markets to manage eventual distribution network (DN) congestion produced by a high penetration of distributed energy resources (DERs), including photovoltaic (PV) panels, battery energy storage systems (BESSs), and electric vehicles (EVs). The distribution system simulator OpenDSS has been used to simulate three Spanish DNs under multiple DER penetration scenarios considering an urban and rural low-voltage network and an industrial medium-voltage DN. Likewise, the congestion events detected in the annual simulations have been used to measure the potential of flexibility markets under different DER penetrations and energy pricing. The results suggest that oversized distribution networks could prevent a profitable flexibility market implementation since the simulations developed in this article shows that networks with high congestion levels are prime candidates to solve this issue through a market mechanism. Likewise, the results suggest that a proper price for the energy managed through a local flexibility market (LFM) could have a bigger effect on market viability than DER penetration. Full article
(This article belongs to the Special Issue New Approaches and Valuation in Electricity Markets)
Show Figures

Figure 1

14 pages, 1358 KB  
Article
Analysis of the Implementation of Virtual Power Plants and Their Impacts on Electrical Systems
by Matheus Sabino Viana, Dorel Soares Ramos, Giovanni Manassero Junior and Miguel Edgar Morales Udaeta
Energies 2023, 16(22), 7682; https://doi.org/10.3390/en16227682 - 20 Nov 2023
Cited by 5 | Viewed by 2656
Abstract
The increasing penetration of Distributed Energy Resources (DERs) in Distribution Systems (DSs) has motivated studies on Virtual Power Plants (VPPs). However, few studies have jointly assessed the sizing and economic attractiveness of VPPs from the entrepreneur’s perspective and the potential benefits and impacts [...] Read more.
The increasing penetration of Distributed Energy Resources (DERs) in Distribution Systems (DSs) has motivated studies on Virtual Power Plants (VPPs). However, few studies have jointly assessed the sizing and economic attractiveness of VPPs from the entrepreneur’s perspective and the potential benefits and impacts on power systems while maintaining the scope to DSs. This study proposes a methodology for sizing VPPs and simulating their economic optimal dispatch and economic attractiveness with a focus on the entrepreneur’s viewpoint. In addition, it also evaluates VPPs’ potential benefits and impacts on a DS or Transmission System (TS) while considering the interface between the Distribution System Operator (DSO) and the Transmission System Operator (TSO). The methodology employs optimization to minimize the Net Present Cost (NPC) of the project, in relation to sizing the DERs, and to obtain the economic optimal dispatch of the BESSs that comprise the VPP. Moreover, a power flow analysis and probabilistic reliability assessment are used to evaluate the benefits and impacts on the power system. The methodology was applied to a case study involving Photovoltaic (PV) systems and Battery Energy Storage Systems (BESSs) used by aggregated medium voltage consumers, which configure Technical Virtual Power Plants (TVPPs) participating in Demand Response (DR) via incentives, with a network model of the Brazilian National Interconnected System (SIN) adapted from the 2030 Ten-Year Energy Expansion Plan (PDE) of the Energy Research Office (EPE), along with data from the Geographic Database of the Distribution Utility (BDGD). The results indicate the economic attractiveness of DERs according to the premises adopted and indicate improvements in TS reliability indexes with the possibility of TVPPs’ dispatch after transmission contingencies. Full article
(This article belongs to the Special Issue Renewable Energy Sources and Distributed Generation)
Show Figures

Figure 1

40 pages, 2879 KB  
Article
Engineering-Scale Integrated Energy System Data Projection Demonstration via the Dynamic Energy Transport and Integration Laboratory
by Ramon Yoshiura, Sarah Creasman and Aaron Epiney
Energies 2023, 16(16), 5878; https://doi.org/10.3390/en16165878 - 8 Aug 2023
Cited by 1 | Viewed by 2283
Abstract
The objective of this study is to demonstrate and validate the Dynamic Energy Transport and Integration Laboratory (DETAIL) preliminary scaling analysis using Modelica language system-code Dymola. The DETAIL preliminary scaling analysis includes a multisystem integral scaling package between thermal-storage and hydrogen-electrolysis systems. To [...] Read more.
The objective of this study is to demonstrate and validate the Dynamic Energy Transport and Integration Laboratory (DETAIL) preliminary scaling analysis using Modelica language system-code Dymola. The DETAIL preliminary scaling analysis includes a multisystem integral scaling package between thermal-storage and hydrogen-electrolysis systems. To construct the system of scaled equations, dynamical system scaling (DSS) was applied to all governing laws and closure relations associated with the selected integral system. The existing Dymola thermal-energy distribution system (TEDS) facility and high-temperature steam electrolysis (HTSE) facility models in the Idaho National Laboratory HYBRID repository were used to simulate a test case and a corresponding scaled case for integrated system HYBRID demonstration and validation. The DSS projected data based on the test-case simulations and determined scaling ratios were generated and compared with scaled case simulations. The preliminary scaling analysis performance was evaluated, and scaling distortions were investigated based on data magnitude, sequence, and similarity. The results indicated a necessity to change the normalization method for thermal storage generating optimal operating conditions of 261 kW power and mass flow rate of 6.42 kg/s and the possibility of reselecting governing laws for hydrogen electrolysis to improve scaling predictive properties. To enhance system-scaling similarity for TEDS and HTSE, the requirement for scaling validation via physical-facility demonstration was identified. Full article
(This article belongs to the Special Issue Advances in Thermal Energy Storage and Applications)
Show Figures

Figure 1

20 pages, 8203 KB  
Article
Co-Simulation of Electric Power Distribution Systems and Buildings including Ultra-Fast HVAC Models and Optimal DER Control
by Evan S. Jones, Rosemary E. Alden, Huangjie Gong and Dan M. Ionel
Sustainability 2023, 15(12), 9433; https://doi.org/10.3390/su15129433 - 12 Jun 2023
Cited by 5 | Viewed by 2516
Abstract
Smart homes and virtual power plant (VPP) controls are growing fields of research with potential for improved electric power grid operation. A novel testbed for the co-simulation of electric power distribution systems and distributed energy resources (DERs) is employed to evaluate VPP scenarios [...] Read more.
Smart homes and virtual power plant (VPP) controls are growing fields of research with potential for improved electric power grid operation. A novel testbed for the co-simulation of electric power distribution systems and distributed energy resources (DERs) is employed to evaluate VPP scenarios and propose an optimization procedure. DERs of specific interest include behind-the-meter (BTM) solar photovoltaic (PV) systems as well as heating, ventilation, and air-conditioning (HVAC) systems. The simulation of HVAC systems is enabled by a machine learning procedure that produces ultra-fast models for electric power and indoor temperature of associated buildings that are up to 133 times faster than typical white-box implementations. Hundreds of these models, each with different properties, are randomly populated into a modified IEEE 123-bus test system to represent a typical U.S. community. Advanced VPP controls are developed based on the Consumer Technology Association (CTA) 2045 standard to leverage HVAC systems as generalized energy storage (GES) such that BTM solar PV is better utilized locally and occurrences of distribution system power peaks are reduced, while also maintaining occupant thermal comfort. An optimization is performed to determine the best control settings for targeted peak power and total daily energy increase minimization with example peak load reductions of 25+%. Full article
Show Figures

Figure 1

22 pages, 1228 KB  
Review
Maximizing the Integration of a Battery Energy Storage System–Photovoltaic Distributed Generation for Power System Harmonic Reduction: An Overview
by Adedayo Owosuhi, Yskandar Hamam and Josiah Munda
Energies 2023, 16(6), 2549; https://doi.org/10.3390/en16062549 - 8 Mar 2023
Cited by 24 | Viewed by 5201
Abstract
The highly variable power generated from a battery energy storage system (BESS)–photovoltaic distributed generation (PVDG) causes harmonic distortions in distribution systems (DSs) due to the intermittent nature of solar energy and high voltage rises or falls in the BESS. Harmonic distortions are major [...] Read more.
The highly variable power generated from a battery energy storage system (BESS)–photovoltaic distributed generation (PVDG) causes harmonic distortions in distribution systems (DSs) due to the intermittent nature of solar energy and high voltage rises or falls in the BESS. Harmonic distortions are major concerns in the DS, especially when the sizes and locations of these resources are sub-optimal. As a result, many studies are being performed on the optimal allocation of BESS/PVDG systems in distribution network systems. In this regard, this paper seeks to review the existing planning models, optimization methods and renewable energy resources that uncertainty models have employed in solving BESS/PVDGs allocation problems in terms of obtaining optimal solutions/allocations and curtailing the harmonic contents of the DSs. However, studies on optimal allocation planning of BESS/PVDGs have achieved minimum cost but were not able to meet the standard harmonic level of the DSs. The results identified GA, PSO and AIS as some of the most used methodologies while LP, MILP and different configurations of NLP were used in the model formulations of BESS/PVDGs problems. The results also revealed DC-link voltage and switching and grid voltage harmonics as the notable causes and sources of harmonic distortions in BESS/PVDG systems. The current allocation models presented in the recent literature for the planning of BESS/PVDGs do not include the variables necessary for curtailing the harmonic contents in their planning formulations. This paper, therefore, recommends an improved and all-encompassing planning model with an efficient intelligent search algorithm capable of obtaining a global optimum solution and curtailing harmonic distortions from the BESS/PVDG-connected DSs. Full article
(This article belongs to the Topic Advances in Renewable Energy and Energy Storage)
Show Figures

Figure 1

15 pages, 4427 KB  
Article
Decision Support System for Emergencies in Microgrids
by Maria Fotopoulou, Dimitrios Rakopoulos and Stefanos Petridis
Sensors 2022, 22(23), 9457; https://doi.org/10.3390/s22239457 - 3 Dec 2022
Cited by 14 | Viewed by 2386
Abstract
The usual operation of a microgrid (MG) may often be challenged by emergencies related to extreme weather conditions and technical issues. As a result, the operator often needs to adapt the MG’s management by either: (i) excluding disconnected components, (ii) switching to islanded [...] Read more.
The usual operation of a microgrid (MG) may often be challenged by emergencies related to extreme weather conditions and technical issues. As a result, the operator often needs to adapt the MG’s management by either: (i) excluding disconnected components, (ii) switching to islanded mode or (iii) performing a black start, which is required in case of a blackout, followed by either direct reconnection to the main grid or islanded operation. The purpose of this paper is to present an optimal Decision Support System (DSS) that assists the MG’s operator in all the main possible sorts of emergencies, thus providing an inclusive solution. The objective of the optimizer, developed in Pyomo, is to maximize the autonomy of the MG, prioritizing its renewable production. Therefore, the DSS is in line with the purpose of the ongoing energy transition. Furthermore, it is capable of taking into account multiple sorts of Distributed Energy Resources (DER), including Renewable Energy Sources (RES), Battery Energy Storage Systems (BESS)—which can only be charged with renewable energy—and local, fuel-based generators. The proposed DSS is applied in a number of emergencies considering grid-forming and grid-following mode, in order to highlight its effectiveness and is verified with the use of PowerFactory, DIgSILENT. Full article
(This article belongs to the Special Issue Smart Sensor for Smartgrids and Microgrids)
Show Figures

Figure 1

18 pages, 5440 KB  
Article
Optimal Battery Energy Storage System Based on VAR Control Strategies Using Particle Swarm Optimization for Power Distribution System
by Prakasit Prabpal, Yuttana Kongjeen and Krischonme Bhumkittipich
Symmetry 2021, 13(9), 1692; https://doi.org/10.3390/sym13091692 - 14 Sep 2021
Cited by 22 | Viewed by 4772
Abstract
We designed a battery energy storage system (BESS) based on the symmetrical concept where the required control is by the symmetrical technique known as volt/var control. The integration of BESS into the conventional distribution has significantly impacted energy consumption over the past year. [...] Read more.
We designed a battery energy storage system (BESS) based on the symmetrical concept where the required control is by the symmetrical technique known as volt/var control. The integration of BESS into the conventional distribution has significantly impacted energy consumption over the past year. Load demand probability was used to investigate optimal sizing and location of BESS in an electrical power system. The open electric power distribution system simulator (OpenDSS) was interfaced with MATLAB m-file scripts and presented by using time series analysis with load demand. The optimal BESS solution was adapted by using a genetic algorithm (GA) optimization technique and particle swarm optimization (PSO). The simulation results showed that the BESS was directly connected to the power grid with GA and PSO, and it was observed that BESS sizing also varied for these two values of 1539 kW and 1000 kW, respectively. The merit of those values is the power figure of the system, which is necessary for installation. Therefore, optimal sizing and location of the BESS are helpful to reduce the impact from the load demand to the total system loss and levelling of the energy demand from the power system network. The integration of the BESS can be applied to improve grid stability and store surplus energy very well. The grid increased the stability of the power system and reduced the impact from the large scale of BESS penetration. Full article
Show Figures

Figure 1

28 pages, 1758 KB  
Article
Voltage Regulation For Residential Prosumers Using a Set of Scalable Power Storage
by Igor Cavalcante Torres, Daniel M. Farias, Andre L. L. Aquino and Chigueru Tiba
Energies 2021, 14(11), 3288; https://doi.org/10.3390/en14113288 - 4 Jun 2021
Cited by 5 | Viewed by 2648
Abstract
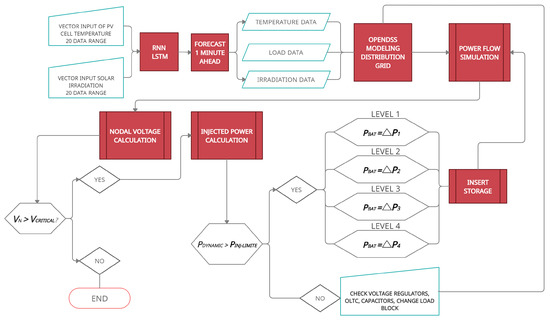
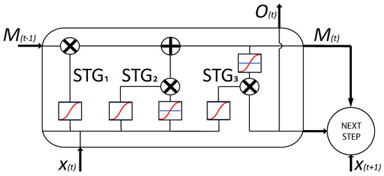
Among the electrical problems observed from the solar irradiation variability, the electrical energy quality and the energetic dispatch guarantee stand out. The great revolution in batteries technologies has fostered its usage with the installation of photovoltaic system (PVS). This work presents a proposition [...] Read more.
Among the electrical problems observed from the solar irradiation variability, the electrical energy quality and the energetic dispatch guarantee stand out. The great revolution in batteries technologies has fostered its usage with the installation of photovoltaic system (PVS). This work presents a proposition for voltage regulation for residential prosumers using a set of scalable power batteries in passive mode, operating as a consumer device. The mitigation strategy makes decisions acting directly on the demand, for a storage bank, and the power of the storage element is selected in consequence of the results obtained from the power flow calculation step combined with the prediction of the solar radiation calculated by a recurrent neural network Long Short-Term Memory (LSTM) type. The results from the solar radiation predictions are used as subsidies to estimate, the state of the power grid, solving the power flow and evidencing the values of the electrical voltages 1-min enabling the entry of the storage device. In this stage, the OpenDSS (Open distribution system simulator) software is used, to perform the complete modeling of the power grid where the study will be developed, as well as simulating the effect of the overvoltages mitigation system. The clear sky day stored 9111 Wh/day of electricity to mitigate overvoltages at the supply point; when compared to other days, the clear sky day needed to store less electricity. On days of high variability, the energy stored to regulate overvoltages was 84% more compared to a clear day. In order to maintain a constant state of charge (SoC), it is necessary that the capacity of the battery bank be increased to meet the condition of maximum accumulated energy. Regarding the total loading of the storage system, the days of low variability consumed approximately 12% of the available capacity of the battery, considering the SoC of 70% of the capacity of each power level. Full article
Show Figures

Figure 1

12 pages, 13961 KB  
Article
Hosting Capacity Improvement Method Using MV–MV Solid-State-Transformer
by Jin-Sol Song, Ji-Soo Kim, Barry Mather and Chul-Hwan Kim
Energies 2021, 14(3), 622; https://doi.org/10.3390/en14030622 - 26 Jan 2021
Cited by 3 | Viewed by 2301
Abstract
As a large number of distributed generations are connected to the distribution system, research on the hosting capacity is actively being conducted. In particular, various methods, such as smart inverter functionality, co-located energy storage systems (ESS), and the use of on-load tap changers [...] Read more.
As a large number of distributed generations are connected to the distribution system, research on the hosting capacity is actively being conducted. In particular, various methods, such as smart inverter functionality, co-located energy storage systems (ESS), and the use of on-load tap changers (OLTC), have been proposed to improve the hosting capacity. In this paper, a method to improve the hosting capacity by utilizing a solid-state transformer (SST) and its unique control capability is proposed. Lastly, the proposed method is verified in the distribution system of the Republic of Korea using the OpenDSS program. Full article
Show Figures

Figure 1

Back to TopTop