Sign in to use this feature.

Years

Between: -

Subjects

remove_circle_outline
remove_circle_outline
remove_circle_outline
remove_circle_outline
remove_circle_outline
remove_circle_outline
remove_circle_outline
remove_circle_outline
remove_circle_outline

Journals

Article Types

Countries / Regions

remove_circle_outline
remove_circle_outline

Search Results (342)

Search Parameters:
Keywords = aerobic wastewater treatment

Order results
Result details
Results per page
Select all
Export citation of selected articles as:
7 pages, 224 KB  
Proceeding Paper
Technology for Septage Treatment
by Kateřina Petrušková and Petr Hluštík
Eng. Proc. 2025, 116(1), 2; https://doi.org/10.3390/engproc2025116002 - 26 Nov 2025
Viewed by 61
Abstract
Septic wastewater, or septage, represents a specific type of wastewater with a high concentration of organic matter and significant variability in composition, which places increased demand on its treatment. With the increasing pressure for decentralized solutions for small areas with no established sewage [...] Read more.
Septic wastewater, or septage, represents a specific type of wastewater with a high concentration of organic matter and significant variability in composition, which places increased demand on its treatment. With the increasing pressure for decentralized solutions for small areas with no established sewage infrastructure, technologies that can ensure stable operation of the treatment plant are coming to the fore. This paper compares the technologies used for septic wastewater treatment, i.e., sequencing batch reactor (SBR), membrane bioreactor (MBR), and aerobic granular sludge reactor (AGS). For the AGS technology, a trial run of a selected wastewater collection plant is carried out. Full article
16 pages, 1953 KB  
Article
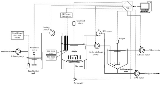
Real-Time Dynamic Control of Nitrification and Denitrification in an Intermittently Aerated Activated Sludge System for Enhanced Nitrogen Removal and Energy Efficiency: Toward Sustainable Operation
by Konstantinos Azis, Spyridon Ntougias and Paraschos Melidis
Sustainability 2025, 17(22), 10417; https://doi.org/10.3390/su172210417 - 20 Nov 2025
Viewed by 352
Abstract
Advanced control systems have been recently implemented in wastewater treatment plants (WWTPs) to optimize activated sludge processes, reduce operational costs, and decrease energy consumption, with the aim of moving toward sustainable operation. Real-time dynamic control of NH4+-N and NO3 [...] Read more.
Advanced control systems have been recently implemented in wastewater treatment plants (WWTPs) to optimize activated sludge processes, reduce operational costs, and decrease energy consumption, with the aim of moving toward sustainable operation. Real-time dynamic control of NH4+-N and NO3-N concentrations is important for the optimization of biological nitrogen removal (BNR) processes. This study presents an advanced control strategy based on continuous monitoring of NH4+-N and NO3-N concentrations at 22.8–25.1 °C to enhance nitrogen removal performance. Specifically, the control performance of an intermittently aerated and fed activated sludge (IAF-AS) system treated with domestic wastewater was evaluated using a controller under two different scenarios: (i) normal conditions at constant ammonium nitrogen loading rate (ALR) and (ii) varied conditions with a sudden increase in ALR. The effect of temperature changes on BNR efficiency was not analyzed. In both scenarios, the optimal duration ratio of the nitrification and denitrification phases was determined, which depended on the ALR. In the first scenario, at a constant ALR of 0.2 g L−1 d−1, the controller kept the duration of nitrification and denitrification at a low level, succeeding in complete nitrogen removal in less than 60 min. In the second scenario, when the ALR exceeded 0.3 g L−1 d−1, the controller dynamically extended these phases to achieve the effluent endpoints of 2 mg L−1 NH4+-N and 1 mg L−1 NO3-N. The results show that the use of real-time dynamic control is of great importance, as the nitrogen removal efficiency is maximized by minimizing the anoxic/aerobic duration ratio, thus significantly reducing the aeration energy requirement and operating cost. Full article
Show Figures

Figure 1

16 pages, 2565 KB  
Article
Occurrence of Linear Alkylbenzene Sulfonates Homologues in Sludge Stabilization Treatments
by Julia Martín, Carmen Mejías, Noelia García-Criado, Juan Luis Santos, Irene Aparicio, Esteban Alonso and John Heinze
Sustainability 2025, 17(22), 10034; https://doi.org/10.3390/su172210034 - 10 Nov 2025
Viewed by 315
Abstract
Linear alkylbenzene sulfonates (LAS) are one of the organic pollutants of most concern in sewage sludge due to their widespread occurrence in domestic sewage. In this work, the occurrence of LAS was assessed in 15 wastewater treatment plants (WWTPs), with different sludge stabilization [...] Read more.
Linear alkylbenzene sulfonates (LAS) are one of the organic pollutants of most concern in sewage sludge due to their widespread occurrence in domestic sewage. In this work, the occurrence of LAS was assessed in 15 wastewater treatment plants (WWTPs), with different sludge stabilization treatments, from September 2023 to March 2024. Samples were analyzed by ultrasound-assisted extraction and LC-MS/MS. In primary sludge, LAS homologues displayed the typical fingerprint of laundry detergents, suggesting these products are a primary source in influent wastewater. There was no clear correlation between the population served and the LAS concentrations in the studied WWTPs. The highest concentrations of LAS (sum of the homologues C10–C13) were found in anaerobic lagoons, followed by aerobically (6438 mg/kg) and anaerobically digested (5521 mg/kg) sludge. The lower levels were observed in composted sludge (215 mg/kg). 100% of the composted samples showed concentrations lower than 2600 mg/kg (concentration limit currently proposed by the EU for LAS), while these percentages were reduced to 25 and 13% in the case of aerobically and anaerobically digested sludges. These results showed that composting could be an effective method for ensuring compliance with a future EU Directive on sludge application to the soil. Full article
Show Figures

Graphical abstract

19 pages, 1890 KB  
Article
Sustainable Biofuel Production from Sludge by Oleaginous Fungi: Effect of Process Variables on Lipid Accumulation
by Habib Ullah, Muzammil Anjum, Bushra Noor, Samia Qadeer, Rab Nawaz, Azeem Khalid, Aansa Rukaya Saleem, Bilal Kabeer, Abubakr M. Idris, Muhammad Tayyab Sohail and Zepeng Rao
Catalysts 2025, 15(11), 1009; https://doi.org/10.3390/catal15111009 - 27 Oct 2025
Viewed by 546
Abstract
The current paper investigated the potential of oleaginous fungus Rhizopus oryzae B97 for lipid accumulation under varying process variables. The fungal strain was isolated from bread mold and analyzed for its potential to grow on sludge with simultaneous production of microbial lipids. The [...] Read more.
The current paper investigated the potential of oleaginous fungus Rhizopus oryzae B97 for lipid accumulation under varying process variables. The fungal strain was isolated from bread mold and analyzed for its potential to grow on sludge with simultaneous production of microbial lipids. The sludge sample was sourced from the wastewater treatment plant located in Sector I-9, Islamabad. The effects of various process variables, such as pH, temperature, carbon and nitrogen sources, and shaking, on lipid accumulation, cell dry weight (CDW), chemical oxygen demand (COD), and volatile solids (VS) removal were investigated. It was found that glucose and yeast promoted the maximum lipid accumulation. At the same time, the fungal biomass reached its maximum value of up to 64% at 30 °C and at pH 4 (CDW: 28 g/L). These process conditions also improved the sludge treatment efficiency, achieving 68% COD and 55% VS removal in 168 h. FTIR analysis of the accumulated lipids indicated strong characteristic peaks of functional groups associated with fatty acids. The GC-MS analysis confirmed the production of essential FAMEs required in biodiesel production from the corresponding fatty acids, such as oleic acid, palmitic acid, stearic acid, and erucic acid. Operation in a continuous-shaking aerobic batch reactor (CSABR) system under optimum conditions further improved the process efficiency. Overall, the results indicated the competent potential of oleaginous fungus Rhizopus oryzae B97 for lipid-based biofuel production through fatty acid transesterification. Full article
(This article belongs to the Special Issue Catalysis Accelerating Energy and Environmental Sustainability)
Show Figures

Figure 1

17 pages, 1576 KB  
Article
Assessment of the Possible Inhibitory Effect of PFAS-Containing Aqueous Wastes on Aerobic Biomasses
by Maria Cristina Collivignarelli, Roberta Pedrazzani, Stefano Bellazzi, Giorgia Grecchi, Marco Baldi, Alessandro Abbà and Giorgio Bertanza
Appl. Sci. 2025, 15(19), 10448; https://doi.org/10.3390/app151910448 - 26 Sep 2025
Viewed by 419
Abstract
Per- and polyfluoroalkyl substances (PFASs), known as “forever chemicals,” are synthetic organofluorine compounds widely used since the 1940s due to their chemical and thermal stability. However, growing concerns about their environmental and human health risks have emerged. Although the toxicity of PFASs to [...] Read more.
Per- and polyfluoroalkyl substances (PFASs), known as “forever chemicals,” are synthetic organofluorine compounds widely used since the 1940s due to their chemical and thermal stability. However, growing concerns about their environmental and human health risks have emerged. Although the toxicity of PFASs to humans has been extensively researched, their effects on microbial consortia in wastewater treatment plants (WWTPs) have not been as thoroughly investigated. This study evaluates whether aqueous wastes (AWs) containing PFASs inhibit aerobic biomasses from various WWTPs. Approximately 400 respirometric tests showed no acute toxicity. However, biomass tolerance varied based on acclimatization. Biomass from a municipal WWTP was more tolerant to AWs with short-chain PFASs, whereas biomass from a WWTP authorized to receive AWs was less inhibited by AWs rich in long-chain PFASs. These findings highlight the potential role of municipal WWTPs in treating PFAS-contaminated AWs and emphasize the need for tailored treatment strategies to minimize environmental risks. Full article
(This article belongs to the Special Issue PFAS Removal: Challenges and Solutions)
Show Figures

Figure 1

18 pages, 5085 KB  
Article
Developments in Microbial Communities and Interaction Networks in Sludge Treatment Ecosystems During the Transition from Anaerobic to Aerobic Conditions
by Xiaoli Pan, Lijun Luo, Hui Wang, Xinyu Chen, Yongjiang Zhang, Yan Dai and Feng Luo
Microorganisms 2025, 13(9), 2178; https://doi.org/10.3390/microorganisms13092178 - 18 Sep 2025
Cited by 1 | Viewed by 619
Abstract
The transition between anaerobic and aerobic conditions represents a fundamental ecological process occurring ubiquitously in both natural ecosystems and engineered wastewater treatment systems. This study investigated the microbial community succession and co-occurrence network dynamics during the transition from anaerobic sludge to aerobic cultivation. [...] Read more.
The transition between anaerobic and aerobic conditions represents a fundamental ecological process occurring ubiquitously in both natural ecosystems and engineered wastewater treatment systems. This study investigated the microbial community succession and co-occurrence network dynamics during the transition from anaerobic sludge to aerobic cultivation. High-throughput 16S and 18S rDNA sequencing revealed two distinct succession phases: an initial “aerobic adaptation period” (Day 1) and a subsequent “aerobic stable period” (Day 15). Eukaryotic communities shifted from Cryptomycota to the unassigned eukaryotes dominance, while prokaryotic communities maintained Firmicutes and Proteobacteria as core phyla, with persistent low-abundance archaea indicating functional adaptation. Network analysis highlighted predominant co-occurrence patterns between eukaryotic and prokaryotic communities, suggesting synergistic interactions. These findings provide insights into microbial ecological dynamics during anaerobic-to-aerobic transitions, offering potential applications for optimizing wastewater treatment processes. Full article
(This article belongs to the Special Issue Advances in Genomics and Ecology of Environmental Microorganisms)
Show Figures

Figure 1

22 pages, 9268 KB  
Article
Carbon Reduction Strategies for Typical Wastewater Treatment Processes (A2/O): Response Surface Optimization, Mechanism, and Application Analysis
by Siqi Tong, Guangbing Liu, Xi Meng, Chunkai Huang, Siwen Chen, Zhiquan Xiang, Weijing Liu, Jinyou Shen and Yi Wang
Water 2025, 17(17), 2505; https://doi.org/10.3390/w17172505 - 22 Aug 2025
Viewed by 1079
Abstract
With increasing wastewater treatment demands and decarbonization goals, synergistic reduction in pollutants and green house gas (GHG) emissions is crucial. High process emissions like N2O pose significant challenges, yet optimized carbon reduction strategies for conventional plants are lacking. This study developed [...] Read more.
With increasing wastewater treatment demands and decarbonization goals, synergistic reduction in pollutants and green house gas (GHG) emissions is crucial. High process emissions like N2O pose significant challenges, yet optimized carbon reduction strategies for conventional plants are lacking. This study developed three mathematical models to quantify the impact of dissolved oxygen (DO), influent salinity, and C/N ratio on direct emissions (CH4, N2O) and indirect emissions. Response Surface Methodology (RSM) optimized these factors to minimize GHG emissions under three accounting scenarios: (1) plants with CH4 reuse systems: salinity = 0.5 g L−1, DO = 3.67 mg L−1, C/N = 12.75; (2) plants focusing solely on direct emissions: salinity = 0.5 g L−1, DO = 3.35 mg L−1, C/N = 3; and (3) plants assessing total emissions: salinity = 0.5 g L−1, DO = 2.5 mg L−1, C/N = 7.18. Key findings indicated that increasing salinity exacerbated greenhouse gas emissions. Elevated DO levels in the aerobic stage reduced N2O emissions but increased indirect emissions in the A2/O process. Higher C/N ratios promoted anaerobic CH4 production, but sufficient carbon reduced N2O by enabling complete heterotrophic denitrification. A 60−day continuous GHG emissions monitoring campaign was conducted at a WWTP to validate the actual emission reductions achievable under the identified optimal control conditions. An analysis and comparison of operational and economic costs were also performed. The findings provide practical insights into sustainable GHG emission management and offer potential solutions to advance the synergistic reduction in GHG emissions and pollutants. Full article
Show Figures

Figure 1

32 pages, 2298 KB  
Review
Unveiling the Secrets of Particle Size in Aerobic Granules: Impacts on Emerging Contaminants Removal, Stability, and Sustainability: A Review
by Shuangxia Wu, Dong Xu, Jun Li, Tao Guo, Zhaoxian Li, Ailan Yan, Shuyun Wu and Chaoguang Gu
Water 2025, 17(17), 2503; https://doi.org/10.3390/w17172503 - 22 Aug 2025
Viewed by 1494
Abstract
Aerobic granular sludge (AGS) has attracted considerable attention in the field of wastewater treatment due to its numerous advantages. This paper presents a comprehensive review of the key factors influencing AGS particle size, highlighting the varying degrees of impact exerted by different factors. [...] Read more.
Aerobic granular sludge (AGS) has attracted considerable attention in the field of wastewater treatment due to its numerous advantages. This paper presents a comprehensive review of the key factors influencing AGS particle size, highlighting the varying degrees of impact exerted by different factors. Particle size is a critical determinant in several aspects, including the removal efficiency of emerging contaminants, the energy consumption associated with the long-term stable operation of the system, and greenhouse gas (GHG) emissions. Smaller particles enhance the removal efficiency of emerging contaminants due to their larger specific surface area and increased number of reaction sites. In contrast, larger particles often lack internal structural mechanisms, which can facilitate the growth of filamentous bacteria, thereby undermining granule stability. Moreover, smaller AGS particles are linked to decreased simultaneous nitrification and denitrification (SND) efficiency, leading to increased GHG emissions. Consequently, the optimal size range for AGS is generally between 1.0 and 2.0 mm. Full article
(This article belongs to the Special Issue Wastewater Treatment and Reuse Advances Review)
Show Figures

Figure 1

22 pages, 1058 KB  
Review
Recent Advances in Organic Pollutant Removal Technologies for High-Salinity Wastewater
by Jun Dai, Yun Gao, Kinjal J. Shah and Yongjun Sun
Water 2025, 17(16), 2494; https://doi.org/10.3390/w17162494 - 21 Aug 2025
Cited by 1 | Viewed by 1958
Abstract
Industrial processes like farming, food processing, petroleum refinery, and leather manufacturing produce a lot of high-salinity wastewater. This wastewater presents serious environmental risks, such as soil degradation, eutrophication, and water salinization, if it is released without adequate treatment. The sources and features of [...] Read more.
Industrial processes like farming, food processing, petroleum refinery, and leather manufacturing produce a lot of high-salinity wastewater. This wastewater presents serious environmental risks, such as soil degradation, eutrophication, and water salinization, if it is released without adequate treatment. The sources and features of high-salinity wastewater are outlined in this review, along with the main methods for removing organic pollutants, such as physicochemical, biological, and combined treatment approaches. Membrane separation, coagulation–flocculation, and advanced oxidation processes are the primary physicochemical techniques. Anaerobic and aerobic technologies are the two categories into which biological treatments fall. Physicochemical–biological combinations and the fusion of several physicochemical techniques are examples of integrated technologies. In order to achieve sustainable and effective treatment and resource recovery of high-salinity wastewater, this review compares the effectiveness and drawbacks of each method and recommends that future research concentrate on the development of salt-tolerant catalysts, anti-fouling membrane materials, halophilic microbial consortia, and optimized hybrid treatment systems. Full article
Show Figures

Figure 1

17 pages, 1757 KB  
Article
Isolation and Characterization of the Trimethylamine (TMA)-Degrading Microbacterium lacticum Strain PM-1
by Pai Feng, Lei Zhang, Yihao Wu, Yuxuan Hu, Wenda Chen, Yuan Liu and Jiayuan Yang
Microorganisms 2025, 13(8), 1944; https://doi.org/10.3390/microorganisms13081944 - 20 Aug 2025
Viewed by 665
Abstract
Trimethylamine (TMA) is a common malodorous pollutant known for its detrimental effects on both the natural environment and human health. In this study, strain PM-1 was successfully isolated from activated sludge in a sewage treatment plant and identified as the first Microbacterium lacticum [...] Read more.
Trimethylamine (TMA) is a common malodorous pollutant known for its detrimental effects on both the natural environment and human health. In this study, strain PM-1 was successfully isolated from activated sludge in a sewage treatment plant and identified as the first Microbacterium lacticum capable of degrading TMA. Strain PM-1 is characterized as a mesophilic and mild halotolerant bacterium, thriving within a temperature range of 20–40 °C and a salinity range of 10–80 g/L NaCl. The optimal initial TMA concentrations for strain PM-1 were determined to be 0.1 wt% under aerobic conditions and 0.05 wt% under anaerobic conditions. The strain demonstrated efficient TMA degradation rates of 98.02 mg/L/h aerobically and 4.44 mg/L/h anaerobically. Additionally, beef extract and peptone significantly enhanced TMA degradation and bacterial growth by 293% and 688%, respectively, under aerobic conditions. Microbacterium lacticum strain PM-1 is the first isolated Microbacterium lacticum with the ability to convert TMA. Further research will focus on its TMA degradation pathway through the identification of key enzymes and application in TMA-containing wastewater and exhaust gas. Full article
(This article belongs to the Topic The Role of Microorganisms in Waste Treatment)
Show Figures

Figure 1

14 pages, 2098 KB  
Article
Addition of Heterotrophic Nitrification and Aerobic Denitrification Bacterial Agents to Enhance Bio-Nests Treating Low Carbon-to-Nitrogen Ratio Municipal Wastewater
by Qingxin Diao, Chaolin Quan, Wanmeng Li, Xiangtong Zhou, Zhigang Liu, Xinshan Rong, Zhishui Liang, Xiao Wang and Zhiren Wu
Water 2025, 17(16), 2392; https://doi.org/10.3390/w17162392 - 13 Aug 2025
Viewed by 1128
Abstract
Municipal wastewater with a low carbon-to-nitrogen (C/N) ratio presents challenges for conventional nitrogen removal processes, often requiring costly external carbon sources. This study investigated the enhancement of nitrogen removal in a simultaneous nitrification and denitrification (SND) system by incorporating heterotrophic nitrification and aerobic [...] Read more.
Municipal wastewater with a low carbon-to-nitrogen (C/N) ratio presents challenges for conventional nitrogen removal processes, often requiring costly external carbon sources. This study investigated the enhancement of nitrogen removal in a simultaneous nitrification and denitrification (SND) system by incorporating heterotrophic nitrification and aerobic denitrification (HN-AD) bacterial agents (Klebsiella variicola L3, Acinetobacter beijerinckii W4, and Acinetobacter sp. Z1) with modified basalt fiber carriers. Three reactors were compared: mixed HN-AD strains (M), mixed strains with activated sludge (A+M), and activated sludge alone (A). Results demonstrated that the A+M reactor achieved superior performance, with median removal efficiencies of 82.2% for NH4+-N, 52.9% for total nitrogen (TN), and 51.6% for COD, outperforming the M reactor (75.2%, 43.6%, and 51.6%) and the A reactor (63.2%, 29.3%, and 44.8%). The A+M reactor also exhibited a 40% reduction in COD consumption per unit TN removed (2.55 ± 1.75) compared to the control reactor A (4.25 ± 3.99). Microbial analysis revealed Acinetobacter sp. Z1 (6.1%) and K. variicola L3 (1.1%) as dominant species, with the A+M reactor showing higher microbial diversity (56.4% Proteobacteria, 10.2% Bacteroidota) and biological viability (VSS/SS ratio of 0.70 ± 0.01). Extracellular polymeric substance (EPS) content in A+M reached 242.26 ± 15.52 mg/g-VSS, with a protein-to-polysaccharide ratio of 2.77 ± 0.00, indicating robust biofilm activity. These findings highlight the potential of HN-AD bacterial agents to enhance nitrogen removal in low C/N wastewater treatment, offering a cost-effective and sustainable alternative to traditional methods by reducing reliance on external carbon sources and improving system efficiency. Full article
(This article belongs to the Special Issue Science and Technology for Water Purification, 2nd Edition)
Show Figures

Figure 1

20 pages, 3076 KB  
Article
Options and Scenarios for the Prishtina Wastewater Treatment Plant-Design Efficiency
by Sokol Xhafa, Tamás Koncsos and Miklós Patziger
Water 2025, 17(15), 2220; https://doi.org/10.3390/w17152220 - 25 Jul 2025
Viewed by 1028
Abstract
This research assesses the design efficiency of the future centralized wastewater treatment plant (WWTP) in Prishtina, which also takes into consideration rapidly expanding suburban areas, such as Fushë Kosova, Obiliq, and Graçanica. Using a combination of both ATV-DVWK-A 131E deterministic calculations and dynamic [...] Read more.
This research assesses the design efficiency of the future centralized wastewater treatment plant (WWTP) in Prishtina, which also takes into consideration rapidly expanding suburban areas, such as Fushë Kosova, Obiliq, and Graçanica. Using a combination of both ATV-DVWK-A 131E deterministic calculations and dynamic simulation with IWASP, this study focuses on the planned configurations for the future Prishtina wastewater treatment plant (WWTP) to evaluate design efficiency alongside operational feasibility. The primary goal was to determine if meeting projected loads for the year 2040 would be possible with compliance requirements for a single-stage CAS system. Simulation data suggest that reliable nitrogen removal would not be possible with a sole CAS stage (aerobic), particularly considering seasonal and peak load dynamics. Alternatively, an optimized three-reactor CAS model, including one anoxic pre-denitrification zone coupled with two alternating aerobic zones, achieved an average total nitrogen (TN) removal efficiency of about 85%, maintaining effluent TN below 10 mg/L. Additional advantages saw COD being removed at rates between 90 and 92%, along with MLSS levels stabilizing around 3500 mg/L. The flexibly scalable design also provides adaptive operation features, including expanded tertiary nutrient removal in phase II. In scenario two’s site comparative analysis, Lismir’s centralized WWTP emerges as the most economically and technically rational option due to the enhanced reactor layout optimization. These findings confirm that enhanced configurations, validated through both static and dynamic analyses, are essential for long-term treatment efficiency and regulatory compliance. Full article
(This article belongs to the Special Issue Urban Sewer Systems: Monitoring, Modeling and Management)
Show Figures

Figure 1

37 pages, 3624 KB  
Article
Modelling a Lab-Scale Continuous Flow Aerobic Granular Sludge Reactor: Optimisation Pathways for Scale-Up
by Melissa Siney, Reza Salehi, Mohamed G. Hassan, Rania Hamza and Ihab M. T. A. Shigidi
Water 2025, 17(14), 2131; https://doi.org/10.3390/w17142131 - 17 Jul 2025
Viewed by 2059
Abstract
Wastewater treatment plants (WWTPs) face increasing pressure to handle higher volumes of water due to climate change causing storm surges, which current infrastructure cannot handle. Aerobic granular sludge (AGS) is a promising alternative to activated sludge systems due to their improved settleability property, [...] Read more.
Wastewater treatment plants (WWTPs) face increasing pressure to handle higher volumes of water due to climate change causing storm surges, which current infrastructure cannot handle. Aerobic granular sludge (AGS) is a promising alternative to activated sludge systems due to their improved settleability property, lowering the land footprint and improving efficiency. This research investigates the optimisation of a lab-scale sequencing batch reactor (SBR) into a continuous flow reactor through mathematical modelling, sensitivity analysis, and a computational fluid dynamic model. This is all applied for the future goal of scaling up the model designed to a full-scale continuous flow reactor. The mathematical model developed analyses microbial kinetics, COD degradation, and mixing flows using Reynolds and Froude numbers. To perform a sensitivity analysis, a Python code was developed to investigate the stability when influent concentrations and flow rates vary. Finally, CFD simulations on ANSYS Fluent evaluated the mixing within the reactor. An 82% COD removal efficiency was derived from the model and validated against the SBR data and other configurations. The sensitivity analysis highlighted the reactor’s inefficiency in handling high-concentration influents and fast flow rates. CFD simulations revealed good mixing within the reactor; however, they did show issues where biomass washout would be highly likely if applied in continuous flow operation. All of these results were taken under deep consideration to provide a new reactor configuration to be studied that may resolve all these downfalls. Full article
(This article belongs to the Special Issue Novel Methods in Wastewater and Stormwater Treatment)
Show Figures

Figure 1

20 pages, 2869 KB  
Article
Influence of Polyester and Denim Microfibers on the Treatment and Formation of Aerobic Granules in Sequencing Batch Reactors
by Victoria Okhade Onyedibe, Hassan Waseem, Hussain Aqeel, Steven N. Liss, Kimberley A. Gilbride, Roxana Sühring and Rania Hamza
Processes 2025, 13(7), 2272; https://doi.org/10.3390/pr13072272 - 16 Jul 2025
Cited by 1 | Viewed by 1036
Abstract
This study examines the effects of polyester and denim microfibers (MFs) on aerobic granular sludge (AGS) over a 42-day period. Treatment performance, granulation, and microbial community changes were assessed at 0, 10, 70, 210, and 1500 MFs/L. Reactors with 70 MFs/L achieved rapid [...] Read more.
This study examines the effects of polyester and denim microfibers (MFs) on aerobic granular sludge (AGS) over a 42-day period. Treatment performance, granulation, and microbial community changes were assessed at 0, 10, 70, 210, and 1500 MFs/L. Reactors with 70 MFs/L achieved rapid granulation and showed improved settling by day 9, while 0 and 10 MFs/L reactors showed delayed granule formation, which was likely due to limited nucleation and weaker shear conditions. Severe clogging and frequent maintenance occurred at 1500 MFs/L. Despite > 98% MF removal in all reactors, treatment performance declined at higher MF loads. Nitrogen removal dropped from 93% to 68%. Phosphate removal slightly increased in reactors with no or low microfiber loads (96–99%), declined in reactors with 70 or 210 MFs/L (92–91%, 89–88%), and dropped significantly in the reactor with1500 MFs/L (86–70%, p < 0.05). COD removal declined with increasing MF load. Paracoccus (denitrifiers) dominated low-MF reactors; Acinetobacter (associated with complex organic degradation) and Nitrospira (nitrite-oxidizing genus) were enriched at 1500 MFs/L. Performance decline likely stemmed from nutrient transport blockage and toxic leachates, highlighting the potential threat of MFs to wastewater treatment and the need for upstream MF control. Full article
(This article belongs to the Special Issue State-of-the-Art Wastewater Treatment Techniques)
Show Figures

Figure 1

16 pages, 4376 KB  
Article
Enhanced Biogas Production from Glucose and Glycerol by Artificial Consortia of Anaerobic Sludge with Immobilized Yeast
by Nikolay Stepanov, Olga Senko, Aysel Aslanli, Olga Maslova and Elena Efremenko
Fermentation 2025, 11(6), 352; https://doi.org/10.3390/fermentation11060352 - 17 Jun 2025
Cited by 2 | Viewed by 1228
Abstract
Today, there is considerable interest in creating artificial microbial consortia to solve various biotechnological problems. The use of such consortia allows for the improvement of process indicators, namely, increasing the rate of accumulation of target products and enhancing the conversion efficiency of the [...] Read more.
Today, there is considerable interest in creating artificial microbial consortia to solve various biotechnological problems. The use of such consortia allows for the improvement of process indicators, namely, increasing the rate of accumulation of target products and enhancing the conversion efficiency of the original substrates. In this work, the prospects for creating artificial consortia based on anaerobic sludge (AS) with cells of different yeasts were confirmed to increase the efficiency of methanogenesis in glucose- and glycerol-containing media and obtain biogas with an increased methane content. Yeasts of the genera Saccharomyces, Candida, Kluyveromyces, and Pachysolen were used to create the artificial consortia. Their concentration in the biomass of consortium cells was 1.5%. Yeast cells were used in an immobilized form, which was obtained by incorporating cells into a cryogel of polyvinyl alcohol. The possibility of increasing the efficiency of methanogenesis by 1.5 times in relation to the control (AS without the addition of yeast cells) was demonstrated. Using a consortium composed of methanogenic sludge and yeast cells of the genus Pachysolen, known for their ability to convert glycerol into ethanol under aerobic conditions, the possibility of highly efficient anaerobic conversion of glycerol into biogas was shown for the first time. Analysis of the metabolic activity of the consortia not only for the main components of the gas phase (CH4, CO2, and H2) and metabolites in the cell culture medium, but also for the concentration of intracellular adenosine triphosphate (ATP), controlled by the method of bioluminescent ATP-metry, showed a high level of functionality and thus, prospects for using such consortia in methanogenesis processes. The advantages and the prospect of using the developed consortia instead of individual AS for the treatment of methanogenic wastewater were confirmed during static tests conducted with several samples of real and model waste. Full article
Show Figures

Graphical abstract

Back to TopTop