Next Article in Journal
Water Tower Base Method for the Optimization of Expansion and Shear during Construction
Previous Article in Journal
Analysis of Data Sharing Systems in the Context of Industry 4.0 via Blockchain in 5G Mobile Networks
 
 
Font Type:
Arial Georgia Verdana
Font Size:
Aa Aa Aa
Line Spacing:
Column Width:
Background:
Proceeding Paper

Bidirectional Resonant Power Converter for Hybrid Energy Systems †

EEE Department, University of Food Technologies, 4002 Plovdiv, Bulgaria
*
Author to whom correspondence should be addressed.
Presented at the International Conference on Electronics, Engineering Physics, and Earth Science (EEPES’24) Kavala, Greece, 19–21 June 2024.
Eng. Proc. 2024, 70(1), 3; https://doi.org/10.3390/engproc2024070003
Published: 23 July 2024

Abstract

A bidirectional series DC-DC power converter with two resonant tank components is presented. A survey of a two-bridge inverter laboratory model of the device operating above resonant frequency is realized. A control technique with frequency variation at a defined range is used and by which a control characteristics linearization is achieved and the efficiency of the device is improved. The behavior of the relevant converter operating at different frequency ratios is demonstrated, and the dependencies of the current through the resonant components and the output voltage are obtained. The possibility of the converter to transfer the energy in both forward and reverse directions at different input and output loads is demonstrated, which proves the applicability of the device in the area of hybrid energy systems.

1. Introduction

The benefits of renewable energy systems have long been known: reducing gas emissions, improving energy security, creating jobs, etc. Advancements in technology and governments’ protective policies are driving the growth of green energy worldwide, aiming to reduce fossil fuel consumption for a more sustainable and clean future [1].
Due to the high efficiency of hybrid energy systems (HES), their global market size reached nearly USD 644 million in 2022, and according to the forecasts for the next decade, it will hit USD 1225 million. As the share of green power in the energy mix becomes bigger, the requirements for the components implemented in the relevant systems, including power converters, increase too. Some of the most frequently used topologies (buck, boost, buck-boost, cuk, SEPIC, etc.) have one main drawback: the impossibility of switching the power transistors in soft commutation conditions which limits the operating frequency. This disadvantage can be overcome by adding additional components, but this increases the device’s cost [2,3].
Usually, the different HES topologies implement wind or solar power sources. A fundamental problem in the case is the impossibility of generated electricity to be predicted. For that reason, the efficiency improvement of the system requires an energy storage device (battery) [4,5,6].
The different types of voltage sources, for its part, combined with a battery storage system, require a bidirectional power transfer [7]. Dual active bridge resonant converters are a neat solution in this case. Due to their inherent advantage of switching power transistors at zero voltage (ZVS) or zero current (ZCS), or at soft commutation, they can handle the variable energy generated by HES while maintaining high efficiency. This contributes to the limitation of the switching losses and enables much higher operation frequencies, which in turn is a prerequisite for the device’s performance and size optimization. Thus, not only is the performance of the converter enhanced but so is that of the system as a whole [8].
In general, the operation principle of all types of resonant converters is the same. Specifically, rectangular pulses with a defined frequency, generated by the semiconductor power switches are applied to the resonant tank circuit. Consequently, some of the circulating energy through the LC components is transferred to the converter output terminals.
The most commonly used resonant topologies involve three resonant elements (LLC, LCC). Two components of the resonant tank circuit are not used often because of the relevant restrictions at full or no loading.
An LC bidirectional series resonant DC-DC power converter has been examined in [9]. A control technique has been presented by which an efficiency improvement and control characteristics linearization have been achieved. Moreover, the results of the laboratory tests have shown that the converter operates for the entire load range and its behavior is close to that of an ideal current source.
The aim of this paper is to realize experimental investigation of the relevant converter, showing its behavior at different operating frequencies and obtaining the dependencies of the current through the resonant inductance and the output voltage for the whole range of the control parameter.

2. Operating Principles of the Converter

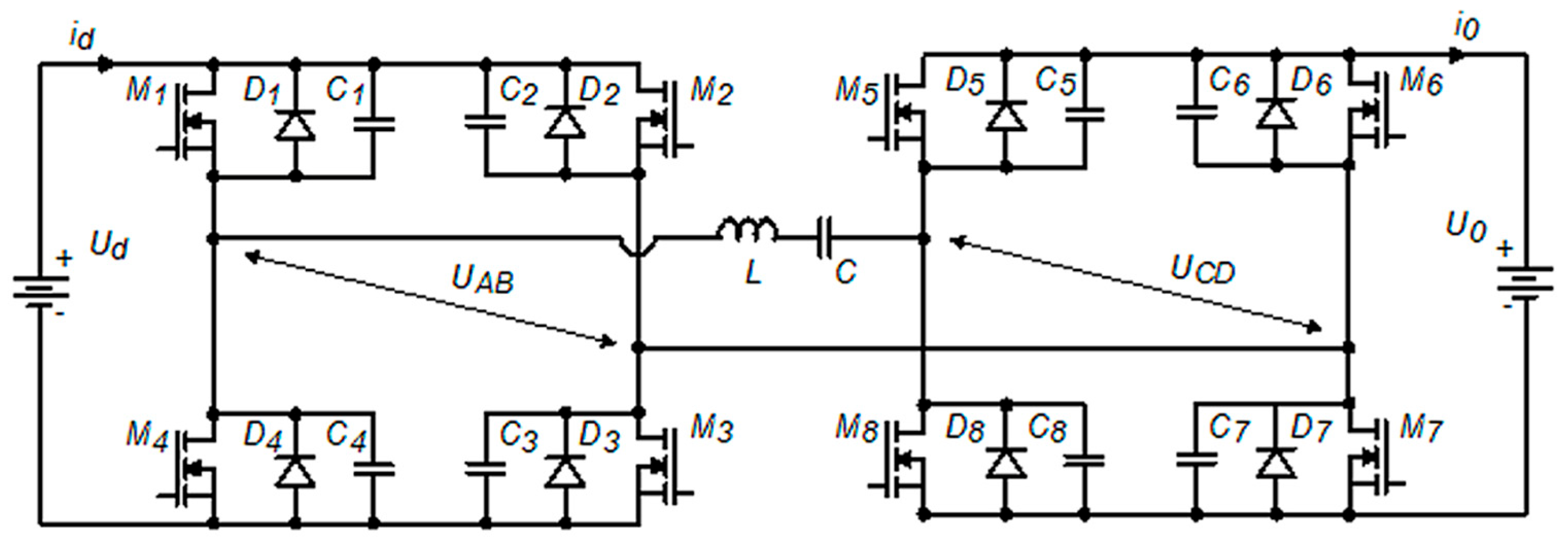
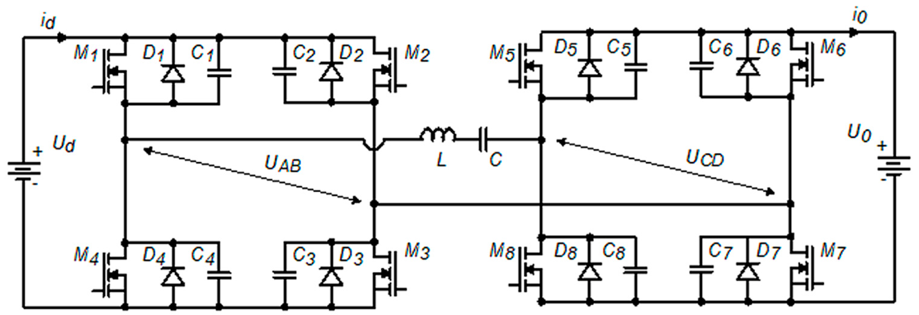
The converter (Figure 1) is composed of a resonant tank circuit and two bridge inverter stages—M1M4 and M5M8—at which terminals DC voltages Ud and U0 are applied. The voltages of the two inverters—uAB and uCD—have nearly rectangular forms.
The operating frequency ωM is above the resonant one ω0. Thus, the voltage uAB leads the current through the inductor iRMS at angle φ (the conduction period of the D1D4 diodes). The power switches M5M8 turn on when iRMS passes the zero value and conduct for a time of angle α. Thereby, the converter transistors switch at soft commutation conditions.
The two inverters’ voltages—uAB and uCD—are phase-shifted at an angle δ, which equals the sum of angle α and angle φ (Figure 2). When angle δ < 180°, the energy flows from inverter M1M4 to the M5M8 one, and FORWARD MODE is observed. At angle δ > 180° (REVERCE MODE), the energy is transferred in the opposite direction.
The converter control is realized with the operating frequency variation within a certain range, which is determined according to the iteration procedure, described in [9]. Therefore, a linearization of the control characteristics is obtained, and converter efficiency is improved.
The control parameter σ (0 ≤ σ ≤ 1) is calculated by the following expressions:
δ = π(1 + 2σ)/2;
νFM = νMIN + 2σ(νMAX − νMIN);
νRM = νMIN + (1 − 2σ)(νMAX − νMIN),
where νFM is the relation (frequency ratio) between the operating frequency and the resonant one at FORWARD MODE and νRM—at REVERCE MODE.

3. Experimental Results

A 200 W converter with 100 V terminal voltages is examined. The parameters of the resonant tank are as follows: C = 25.4 nF; L = 532 μH; f0 = 43.4 kHz.
The control signals for the power switches of the converter are generated by a microcontroller Z8 Encore F083A. A simple gate driver circuit is implemented [10] by which operation at soft commutation conditions is achieved. The control pulses have the necessary amplitude and frequency, ensuring that the two inverter voltages are phase-shifted and have a rectangular form. C programming language is used for developing an algorithm by which the frequency variation within certain limits is obtained.
The oscillograms of the M5M8 inverter voltage uCD and the current through the resonant tank inductor iRMS are shown in Figure 3a–c. The output voltage U’0 varies in the range of 0.25–4, which shows the device’s potential to operate as a buck or boost converter.
The characteristics in Figure 3d, based on the data in Table 1 present the dependencies of the current through the resonant tank inductor IRMS from the normalized value of the output voltage U’0. It is evident that with a decrease in the frequency ratio υ, IRMS increases. It should be taken into account that operation at a frequency near the resonant one (too low a frequency ratio) could lead to a significant inductor current value, thus damaging the converter. Therefore, operation at too low a frequency ratio is not recommended.
It could be seen that, at U’0 = 1 (the output and the input voltages UO and UD are approximately the same), IRMS current has a maximum value for the three variation ranges of the operating frequency fS, which means that in this case, higher semiconductor switch stress is observed.

4. Conclusions

Experimental investigations have demonstrated that the commutation of the power switches at a frequency too close to the resonant one (too low a frequency ratio) results in very high values of the inductor current, which could cause severe damage to the converter. Thus, this operation interval is not recommended.
It was also established that whatever frequency variation range is implemented, the highest values of the resonant tank current are achieved at approximately equal values of the input and the output voltages, which determines the operating range with the highest stress on the resonant tank components.
The studied converter has a smaller number of resonant tank components compared to LLC or LCC devices. This reduces the device size and weight, which contributes not only to improving the efficiency of the converter but of the whole hybrid energy system. Furthermore, the device behaves like a current source, making it suitable not only for managing energy flows in a hybrid energy system but also for any applications that require battery charging.
The conclusions reached could provide a basis for future examination in the field of bidirectional energy transfer and battery charging systems.

Author Contributions

Conceptualization, A.L., Y.M., V.M. and D.S.; methodology, A.L. and Y.M.; software, A.L. and Y.M.; validation, A.L., Y.M., V.M. and D.S.; investigation, A.L. and Y.M.; resources, A.L.; data curation, A.L. and Y.M.; writing—original draft preparation, A.L.; writing—review and editing, A.L. and Y.M.; visualization, A.L. and Y.M.; supervision, A.L. and Y.M.; project administration, A.L., Y.M., V.M. and D.S.; funding acquisition, A.L. and D.S. All authors have read and agreed to the published version of the manuscript.

Funding

Research funded by the “Science” fund at UFT—Plovdiv, Bulgaria.

Institutional Review Board Statement

Not applicable.

Informed Consent Statement

Not applicable.

Data Availability Statement

Data underlying the results presented in this paper are not publicly available at this time but may be obtained from the authors upon reasonable request.

Conflicts of Interest

The authors declare no conflicts of interest.

References

  1. Tang, Q.; Wu, J.; Xiao, J.; Zhou, Y. Assessment of global solar resource development. Glob. Energy Interconnect. 2021, 4, 453–464. [Google Scholar] [CrossRef]
  2. Hybrid Power System Market Size and Manufacturers. Available online: https://www.precedenceresearch.com/hybrid-power-system-market (accessed on 12 January 2024).
  3. Reffat, R.; Ezzat, R. Impacts of design configurations and movements of PV attached to building facades on increasing generated renewable energy. Sol. Energy 2023, 252, 50–71. [Google Scholar] [CrossRef]
  4. Krishnendu, J.; Ahamed, T.P.I.; Shafeeque, M. Design and Simulation of Stand-alone DC Microgrid with Energy Storage System. In Proceedings of the IEEE International Conference on Intelligent Techniques in Control, Optimization and Signal Processing (INCOS), Tamilnadu, India, 11–13 April 2019; pp. 1–5. [Google Scholar] [CrossRef]
  5. Saha, A.; Misra, S.; Progya, P.M. Design and Simulation Based Stand-alone Solar Micro Grid System for Island Areas. In Proceedings of the 2019 5th International Conference on Advances in Electrical Engineering (ICAEE), Dhaka, Bangladesh, 26–28 September 2019; pp. 229–234. [Google Scholar] [CrossRef]
  6. Supanyapong, S.; Pattarapongsathi, W.; Bilsalam, A.; Guilbert, D.; Thounthong, P. Averaged large-signal model of a DC-DC isolated forward resonant reset converter for a solar cell battery charger using internet of things: Implementation. Int. J. Power Electron. Drive Syst. 2022, 13, 1734–1750. [Google Scholar] [CrossRef]
  7. Nagesha, C.; Reddi, N.K.; Lakshminarasamma, N. Multi input Bidirectional Resonant Converter for Hybrid Energy Systems. In Proceedings of the 2020 IEEE International Conference on Power Electronics, Drives and Energy Systems (PEDES), Jaipur, India, 16–19 December 2020; pp. 1–6. [Google Scholar] [CrossRef]
  8. Pastor, M.; Dudrik, J.; Marcinek, A. Optimization of Soft-Switching DC-DC Converter. In Proceedings of the 2023 International Conference on Electrical Drives and Power Electronics (EDPE), The High Tatras, Slovakia, 25–27 September 2023; pp. 1–5. [Google Scholar] [CrossRef]
  9. Lichev, A. Modeling and Optimization of Bidirectional Dual Active Bridge DC-DC Converter Topologies. Ph.D. dissertation, University of Food Technologies, Plovdiv, Bulgaria, 2018. [Google Scholar]
  10. Ahn, S.-H.; Gong, J.-W.; Jang, S.-R.; Ryoo, H.-J.; Kim, D.-H. Design and Implementation of Enhanced Resonant Converter for EV Fast Charger. J. Electr. Eng. Technol. 2014, 9, 143–153. [Google Scholar] [CrossRef]
Figure 1. Circuit of the studied resonant power converter.
Figure 1. Circuit of the studied resonant power converter.
Engproc 70 00003 g001
Figure 2. Converter main voltages and currents.
Figure 2. Converter main voltages and currents.
Engproc 70 00003 g002
Figure 3. Dependencies of converter voltages and currents: (a) uCD and iRMS; U’0 = 0.25; ν (1.1–1.16); (b) uCD and iRMS; U’0 = 1; ν (1.1–1.16); (c) uCD and iRMS; U’0 = 4; ν (1.1–1.16); (d) U’0 and iRMS at different frequency ratio variation.
Figure 3. Dependencies of converter voltages and currents: (a) uCD and iRMS; U’0 = 0.25; ν (1.1–1.16); (b) uCD and iRMS; U’0 = 1; ν (1.1–1.16); (c) uCD and iRMS; U’0 = 4; ν (1.1–1.16); (d) U’0 and iRMS at different frequency ratio variation.
Engproc 70 00003 g003
Table 1. Dependencies between the inductor current and the output voltage.
Table 1. Dependencies between the inductor current and the output voltage.
ν = 1.1–1.16ν = 1.15–1.27ν = 1.25–1.42
U0iRMSU0iRMSU0iRMS
VAVAVA
0.275 1.28 0.2740.9160.2720.596
0.548 1.416 0.5441.0080.5400.662
0.8821.6160.8181.1580.8070.75
1.108 1.881.0781.3261.0650.85
1.4451.7321.4131.1821.3800.758
2.124 1.5142.0731.066 2.027 0.678
4.1631.4264.1010.9924.0760.622
Disclaimer/Publisher’s Note: The statements, opinions and data contained in all publications are solely those of the individual author(s) and contributor(s) and not of MDPI and/or the editor(s). MDPI and/or the editor(s) disclaim responsibility for any injury to people or property resulting from any ideas, methods, instructions or products referred to in the content.

Share and Cite

MDPI and ACS Style

Lichev, A.; Madankov, Y.; Mihov, V.; Spirov, D. Bidirectional Resonant Power Converter for Hybrid Energy Systems. Eng. Proc. 2024, 70, 3. https://doi.org/10.3390/engproc2024070003

AMA Style

Lichev A, Madankov Y, Mihov V, Spirov D. Bidirectional Resonant Power Converter for Hybrid Energy Systems. Engineering Proceedings. 2024; 70(1):3. https://doi.org/10.3390/engproc2024070003

Chicago/Turabian Style

Lichev, Angel, Yasen Madankov, Vasil Mihov, and Dimitar Spirov. 2024. "Bidirectional Resonant Power Converter for Hybrid Energy Systems" Engineering Proceedings 70, no. 1: 3. https://doi.org/10.3390/engproc2024070003

APA Style

Lichev, A., Madankov, Y., Mihov, V., & Spirov, D. (2024). Bidirectional Resonant Power Converter for Hybrid Energy Systems. Engineering Proceedings, 70(1), 3. https://doi.org/10.3390/engproc2024070003

Article Metrics

Back to TopTop