Abstract
This paper presents an analysis of factors causing the change in the real gage factor of high-temperature strain gages installed with ceramic cements. A calibration tool to mimic the load on the strain gage during the testing of gas turbines and to determine the real gage factor is described. Calibration data obtained for two samples of nickel–chromium strain gages and two samples of iron–chromium–aluminum strain gages are given and analyzed.
1. Introduction
Strain measurement remains the only reliable way to determine the stress–strain state of the parts of gas turbines working at temperatures close to 1000 °C and above. The evaluation of stress–strain states can be achieved either theoretically or experimentally. However, despite the wide implementation of theoretical evaluation methods thanks to advancements in computer engineering, they have several major constraints. Certain parts of gas turbines act as strain concentrators; there is residual stress present in parts and details after manufacturing or operating cycles; parts of jet turbines experience multicomponent loads that can also be of an unstable nature. These reasons make the creation of an exhaustive mathematical model for a theoretical experiment a non-trivial task, and, thus, justify usage of direct strain measurement.
2. Theoretical Background
One of the commonly used ways to perform direct strain measurement is using strain gages. Strain gages are usually divided according to their design into low- or medium-temperature (usually dedicated for operation temperatures up to 300–350 °C) [1] and high-temperature free-filament gages for operating temperatures usually up to 1000 °C [2]. The operation principle of the strain gages lies in changes in their electrical resistance according to the applied deformation. Via connection to a measuring Wheatstone bridge, this change in resistivity is transformed to a measurable signal, usually millivolts. Therefore, the main task of strain measurement is to establish the relation between applied deformation in microstrains and output signal in millivolts [3]. To establish this relation, there are three commonly used approaches, listed as follows:
- The calculation method, using the reference gage factor given by the manufacturer.
- Static test with calculation—using a static calibration rig, a calibrated loading of strain gages to certain load levels is performed, and the reference gage factor is used to calculate the relation.
- Dynamic test—using a dynamically oscillating beam, a calibrated cycled loading of strain gages is performed [4].
Apparently, using the gage factor value, given by the manufacturer of the strain gages, it is possible to calculate the relation. However, the real gage factor will always differ from the stated one due to the following reasons:
- Losses of gage factor due to the strain transmission coefficient of the adhesive and the backing layers.
- Added resistance of the lead wires and transmission cables.
- Rounding error of the measuring unit, ADC conversion.
- Interpretation of the measured signal.
For the strain gages dedicated to static measurement, the main task is to evaluate the change in the heat output with the temperature [3] (not assuming other components of measurement error, such as hysteresis, creep, zero-point balance, etc., which are also important, but are not the focus of the given paper). For dynamic measurements, on the other hand, temperature effects are not as important as the strain gage response to the dynamic nature of the deformation [5]. In the case of a dynamic experiment, natural experiments play an important role, as it is difficult to consider all components of dynamic load and build a correct mathematical model to describe them [6].
At a high frequency of dynamic deformation, different areas of the sensitive grid of a strain gage with a large base length experience different deformation. In [7], there is an equation establishing relation between the base length of a strain gage and the maximum frequency, as follows:
where v—speed of sound in metal (for most steel and aluminum alloys v ≈ 5000 m/s); l—strain gage base length; Δε—relative deformation.
This relation assumes that a temporal change in deformation has the form of a sine wave, has its natural frequency f, and is distributed in the material as a deformation wave with wavelength L and speed of sound [8], as follows:
One of the most used strain gage base lengths is 3 mm, as it is convenient in installation; the base length usually exceeds its width, which reduces the off-axis sensitivity; and it usually sufficiently covers the area of maximum stress concentration [9]. Let us assume that the maximum deformation of the test object is 0.2%, which is the elastic limit for most metals. Using (1), we obtain the maximum frequency of deformation, which will be correctly reproduced by the sensitive grid of the strain gage to approximately 58 kHz. Naturally, most deformations occurring during dynamic loads have frequencies a few times lower, usually up to 15 kHz [10]. Practically, however, deformation may be reproduced by the sensitive grid incorrectly, even at lower frequencies than the theoretical maximum. In the case of high-temperature strain gages, installed on the test object with a ceramic adhesive or flame-sprayed alumina, a layer of adhesive usually has 2–3 times larger dimensions than the strain gage, and it has different elastic properties than the sensitive grid of the strain gage, in a way limiting its sensitivity to deformation [11].
The use of graduation characteristics of the measuring equipment allows us to measure actual deformations, and also, by (3), tensions in the place of strain gage installation.
where σ is mechanical tension in the place of strain gage installation; E—the elastic modulus of the test object material; ε—the relative deformation of the strain gage.
By the graduation of the strain-measuring system, here, we mean the process of finding the graduation characteristics—the dependance of the measured relative deformation amplitude on the amplitude of the output electric signal at different frequencies of dynamic processes.
The frequency dependance of the output signal is a specific parameter of the graduation. It is characterized by the dynamic range of measurement—the dynamic process’s frequency range, at which dynamic graduation is represented as a linear dependance.
The benefit of direct calibration using a tuning fork is that strain measurement equipment is calibrated along with the strain gages, so any possible errors are caused only by the error of metrological parameters of the strain gages.
The theoretical determination of the relevant deformation in the place of strain gage installation is carried out using the tuning fork elastic line displacement (deflection) amplitude. For this task, a task about free oscillations of a constant cross-section cantilever needs to be carried out [12]. This task has been solved by many researchers, e.g., [13]. We can use the resulting solution of a free beam oscillation differential equation, as follows:
where x, y—cartesian coordinate system; B—integration constant, defining the oscillation scale.
The value of k is determined by the following equation:
where f—the natural frequency of the first bending mode; m—the tuning fork prong’s length unit mass; J—the tuning fork prong’s cross-section inertia momentum; l1—the tuning fork prong length.
Functions of kl1 S and T and functions of kx U and V are Krylov’s functions [14], representing combinations of trigonometry functions.
From the solution of (4), it is possible to find the relation between oscillation amplitudes in a and b sections and determine the relative deformation ε in the strain gage installation point (section a) depending on the tuning fork prong’s oscillation A (section b).
where h—the tuning fork prong thickness; kl1 = 1.875—the frequential coefficient, corresponding to the first bending mode of the tuning fork oscillations [15].
Dimensionless magnitudes θα, θβ change their values depending on the strain gage installation point a and the mark location b, and it is convenient to find their values by the graph in Figure 1.
Figure 1.
Dependance curves of θα, θβ parameters.
Graduation characteristics are represented as a linear dependance:
where β—the proportionality coefficient searched during direct graduation.
3. Experiment Setup
For the graduation itself, there are two possible ways—direct and indirect.
Direct graduation is basically reduced to two procedures: performing a special strain measurement experiment and the theoretical calculation of the measured deformations.
This paper describes the use of a tuning fork graduation device for the graduation of a multi-channel strain measurement system.
The tuning fork used in this experiment is, by nature, similar to a tuning fork used in music to reproduce a clear tone. The basic property of a tuning fork is its ability to reproduce a very clear tone (frequency), which is dependent only on the length and mass of the fork’s prongs. Most of the vibrational energy of the tuning fork is transferred to the fundamental frequency.
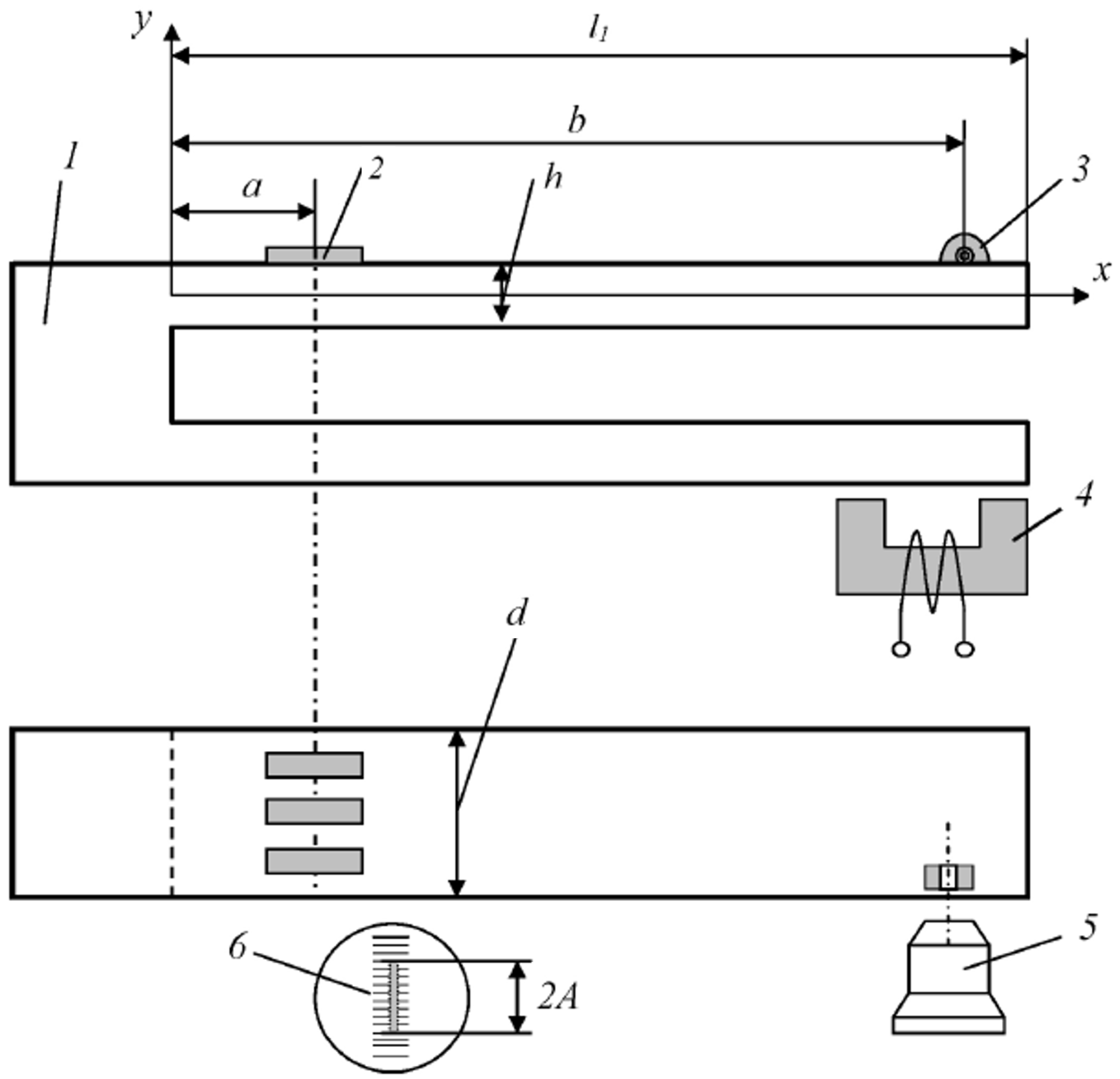
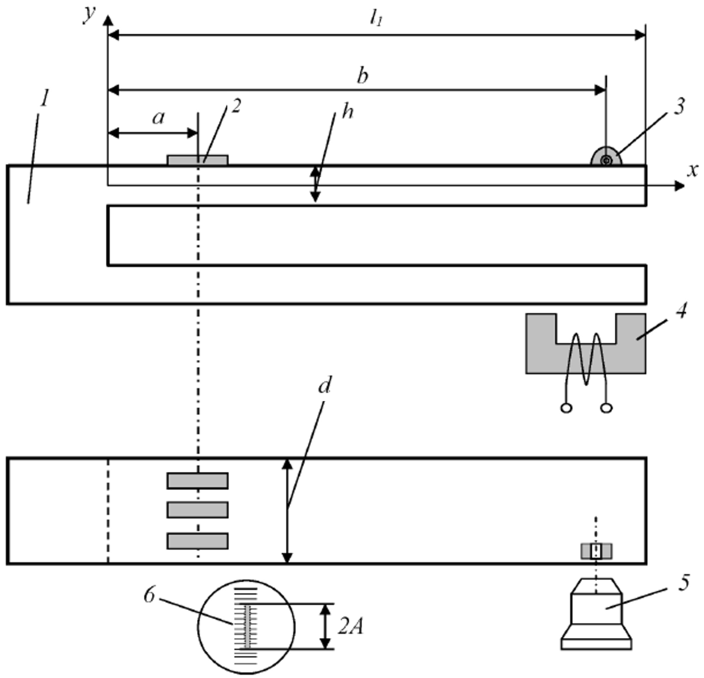
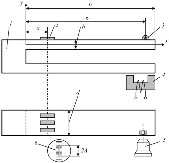
The structure of the tuning fork graduation device is given in Figure 2. It consists of elastic oscillating element 1 (tuning fork) and electromagnetic vibrator 4, which causes the excitation of the bending movement of two prongs of the tuning fork with a fixed frequency.
Figure 2.
Structural scheme of a tuning fork graduation device.
Tested strain gages 2 are installed at distance a from the tuning fork mount. These strain gages are connected to the electric circuit of the strain measurement equipment. Their relative deformation is calculated from the tuning fork oscillation amplitude.
Oscillation amplitude is measured visually using the microscope by mark 3, located on one of the tuning fork prongs, located at distance b from the tuning fork mount. The mark is a small-diameter hole in a thin plate, fixed on the tuning fork prong, which is illuminated by the LED lighting, directed towards the plate; sketch 6 in Figure 2 shows what the trace of mark 3 looks like in an optical microscope during oscillations of the fork—it “turns” into a line, the length of which corresponds to the swing (double amplitude) of oscillations.
Direct graduation is a strain measurement experiment, where the graduating device acts as a test object. The graduation process is then narrowed down to the simultaneous measurement of the input signal, deformation ε of the tuning fork prong in the set sections, and the output signal—voltage output Uout.
The tuning fork is made of DIN 1.6565 steel.
The natural frequency of the tuning fork’s oscillations is found by the following equation:
where N ≈ 3.516015 is the square of the frequential coefficient kl1, corresponding to the first bending mode of the tuning fork’s oscillations; L—length of the prongs, m; E—Young’s modulus of the tuning fork material, N/m2; I—second moment of cross-section area, m4; ρ—density of tuning fork material, kg/m3; S—cross-sectional area of the prongs, m2. The I/A ratio can be rewritten as h2/12 in the case of a rectangular cross-section with height h.
The thickness of our tuning fork’s prongs is 6.3 mm, and the length is 200 mm. The reference value of steel density is 7800 kg/m3, and the reference Young’s modulus is given in the range of 190 to 210 GPa; thus, we use the average of 200 GPa. Therefore, by (13), the natural frequency of our tuning fork is calculated to be 128.83 Hz.
The distance from the tuning fork mount to the strain gage installation point a = 20 mm, and that to the visual marker (3 in Figure 2) b = 160 mm. Using these values in (3) and (10), it is possible to calculate the tension and relative deformation in the place of strain gage installation. Below, in Table 1, these values are given for the tuning fork used in this experiment (for swing 2A = 2 mm). The tuning fork is always assembled from two separate prongs with identical geometrical and mechanical parameters, welded together.
Table 1.
Tuning fork parameters.
Figure 3 shows the overview photo of the tuning fork graduation device used in the described experiment. The tuning fork is visible on the device’s front, and the optical microscope is installed on the left side, directed towards the mark on the tuning fork.
Figure 3.
TFGD-4001-OM tuning fork graduation device.
Single-component uniaxial Ni-Cr wire strain gages are installed on the working surface of one of the prongs of the tuning fork with a high-temperature ceramic cement. Two strain gages installed on the tuning fork are connected to the custom strain-measuring unit by a quarter-bridge scheme, which is normally used for dynamic measurements. In order to divide input voltage equally, it is enough to have resistances in the bridge arms pairwise identical. This means that we measure the real resistance of the strain gage including lead wires (in the case of high-temperature lead wires or thermocouple wire used as a lead wire, their resistance can be significant) and set the equivalent resistance on the resistance decade. The accuracy of resistance setting is usually up to the first digit after the decimal. Together, the strain gage and resistance decade create a half-bridge pair. Another pair of resistors is installed on the board of the strain measurement unit; they may have a different resistance, e.g., 120 Ohm, as this will not influence the result of measurement.
Results of the strain gage output signal measurement are shown in Figure 4a–c below.

Figure 4.
Output signal from the strain gages: (a) signal spectrum, (b) voltage output during setting of the amplitude, (c) voltage output at 2 mm swing.
The signal spectrum shown in Figure 4a up to 400 Hz frequency is free from the nearest second- and third-order harmonics, which indicates a clear sine wave. Small peaks at 50 Hz and 150 Hz are caused by network interference which occurred due to non-shielded wires. The main peak in the spectrum is located at 127.8 Hz, which is the actual natural frequency of the tuning fork. The difference from the previously calculated value of 128.83 Hz is most likely caused by the unknown actual value of the Young’s modulus and density of the tuning fork’s material. The output signal in Figure 4b shows that after the start of oscillation excitation, the normal operation mode with stable amplitude is reached within approximately 30 s. Figure 4c demonstrates the uniform sine wave shape of the signal from the strain gages.
The results of another practical experiment are shown in Figure 5. Here, two Ni-Cr and two Fe-Cr-Al wire strain gages were installed on the same tuning fork with a high-temperature ceramic cement adhesive (two experiments were conducted, each testing two strain gages out of four). Signals V1 and V2 in the graph correspond to Ni-Cr gages, and V3 and V4 correspond to Fe-Cr-Al gages.
Figure 5.
Strain gage signal dependance on the tuning fork oscillation amplitude.
The goal of the experiment was to verify the linearity of the strain gage signal at a sequentially increasing oscillation amplitude up to 2.5 mm, which corresponds to approximately 170 MPa in the strain gage installation point. The experiment lasted for 15 min; amplitude characteristics remained linear for all four gages at all loads. Another important outcome of this experiment is establishing the relation between the load on strain gages and their output signal in millivolts.
The correctness of strain gage calibration on the tuning fork-based device was verified by comparing the tuning fork-based device with a deformation reproduction tool on the principle of loading a beam with a constant cross-section by pure bending, which a priori provides higher accuracy of deformation reproduction. In this case, high-precision strain gages from one batch were used for bonding both on the prongs of tuning fork and on the beam. The verification showed the sufficiently high accuracy of deformation reproduction on the tuning fork-based device.
4. Conclusions
Use of the tuning fork graduation device enables the user to establish a relation between load on the strain gage in microstrains and output voltage signal in millivolts. This graduation procedure eliminates the impact of the following factors on the experiment results: (1) unknown real gage factor of the gage, assuming possible errors caused by the influence of ceramic adhesive layer; (2) added resistance of the lead or elongation wires; (3) the real gage factor of the entire strain measurement channel. Also, the graduation of strain gages with a tuning fork allows the user to verify the performance of the strain gages’ batch before their installation on the real test object.
Author Contributions
Conceptualization, O.P. and O.K.; methodology, O.K. and I.V.; software, O.K. and I.V.; validation, O.K. and I.V.; formal analysis O.K. and I.V.; investigation, O.K.; resources, O.P.; writing—original draft preparation, O.P.; writing—review and editing, O.P. and O.K; supervision, O.P. and O.K.; project administration, O.P. All authors have read and agreed to the published version of the manuscript.
Funding
This research received no external funding.
Conflicts of Interest
Oleksii Podobied, Ihor Vernyhora, and Oleksii Kulikov were employed by the company High Precision Measurements. The authors declare that the research was conducted in the absence of any commercial or financial relationships that could be construed as a potential conflict of interest.
References
- Schmid, P.; Zarfl, C.; Balogh, G.; Schmid, U. Gauge Factor of Titanium/Platinum Thin Films up to 350 °C. Procedia Eng. 2014, 87, 172–175. [Google Scholar] [CrossRef][Green Version]
- Arpin-Pont, J.; Gagnon, M.; A Tahan, S.; Coutu, A.; Thibault, D. Strain gauge measurement uncertainties on hydraulic turbine runner blade. IOP Conf. Ser. Earth Environ. Sci. 2012, 15, 062042. [Google Scholar] [CrossRef]
- Wang, W.-R.; Zhang, J.-M.; Ren, X.; Nie, S. Research and Calibration Experiment of Characteristic Parameters of High Temperature Resistance Strain Gauges. Sens. Transducers 2013, 159, 324–329. [Google Scholar]
- Mitchell, D.; Kulkarni, F.; Lostettor, A. Development and testing of harsh environment wireless sensor sys-tems for industrial gas turbines. In Proceedings of the ASME Turbo Expo 2009: Power for Land Sea and Air, Orlando, FL, USA, 8–12 June 2009. [Google Scholar]
- Meridith, R.; Wrbanek, J.; Fralick, G.; Greer, L.; Hunter, G.; Chen, L. Design and operation of a fast, thin-film thermocouple probe on a turbine. In Proceedings of the 50th AIAA/ASME/SAE/ASEE Joint Propulsion Conference, Cleveland, OH, USA, 28–30 July 2014. [Google Scholar]
- Middleton, C.; Weihrauch, M.; Christian, W.; Greene, R.; Patterson, E. Detection and tracking of cracks based on thermoelastic stress analysis. R. Soc. Open Sci. 2020, 7, 200823. [Google Scholar] [CrossRef] [PubMed]
- Gusev, Y. Vysokotemperaturna Tenzomitriia [Hight-Temperature Strain Measurement]; M.Ye. Zhukovskiy National Aerospace University “Kharkiv Technical Institute”: Kharkiv, Ukraine, 2021. [Google Scholar]
- Han, S.M.; Benaroya, H.; Wei, T. Dynamics of Transversely Vibrating Beams Using Four Engineering Theories. J. Sound Vib. 1999, 225, 935–988. [Google Scholar] [CrossRef]
- Micro-Measurements Inc. Strain Gage Selection: Criteria, Procedures, Recommendations. 12 July 2017. Available online: https://intertechnology.com/Vishay/pdfs/TechNotes_TechTips/TN-505.pdf (accessed on 18 June 2023).
- Panin, E.A. Osnovy Tenzometrii Dvigateley Letatelnych Apparatov [Fundamentals of Strain Measurement of Aircraft Engines]; S.P. Koroliov Samara State Aerospace University: Samara, Russia, 2004. [Google Scholar]
- Klokova, N.; Lukashnik, V.; Vorobieva, L.; Volchek, A. Tenzodatchiki dlia Eksperimentalnych Issledovaniy [Strain Gages for Experimantal Researches]; Mashinostroyenie: Moscow, Russia, 1972. [Google Scholar]
- Whitney, S. Vibrations of Cantilever Beams: Deflection, Frequency, and Research Uses; University of Nebraska: Lincoln, NE, USA, 1999. [Google Scholar]
- Babakov, I.M. Teoriya Kolebaniy [Theory of Vibrations]; Gostekhizdat: Moscow, Russia, 1958. [Google Scholar]
- Beckwith, T.G.; Buck, N.L.; Marangoni, R.D. Mechanical Measurements, 3rd ed.; Addison-Wesley Publishing Co.: Reading, MA, USA, 1982; p. 360. [Google Scholar]
- Timoshenko, J.M.; Gere, S.P. Mechanics of Materials, 4th ed.; PWS Publishing Company: Boston, MA, USA, 1997. [Google Scholar]
Disclaimer/Publisher’s Note: The statements, opinions and data contained in all publications are solely those of the individual author(s) and contributor(s) and not of MDPI and/or the editor(s). MDPI and/or the editor(s) disclaim responsibility for any injury to people or property resulting from any ideas, methods, instructions or products referred to in the content. |
© 2024 by the authors. Published by MDPI on behalf of the EUROTURBO. Licensee MDPI, Basel, Switzerland. This article is an open access article distributed under the terms and conditions of the Creative Commons Attribution (CC BY-NC-ND) license (https://creativecommons.org/licenses/by-nc-nd/4.0/).





