Optimized Nonlinear PID Control for Maximum Power Point Tracking in PV Systems Using Particle Swarm Optimization
Abstract
1. Introduction
2. Modeling of the Photovoltaic Cell
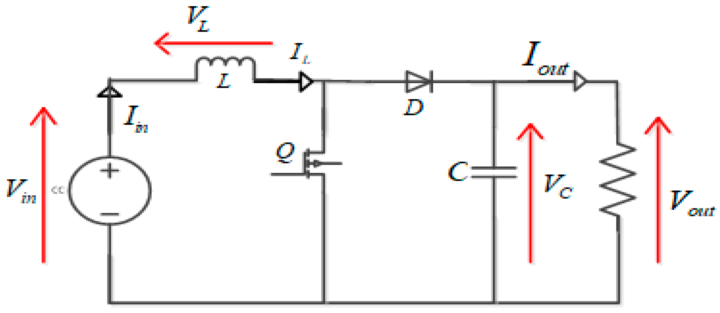
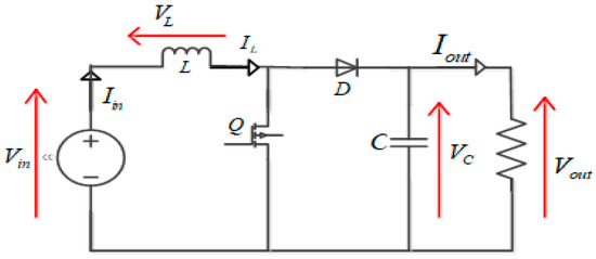
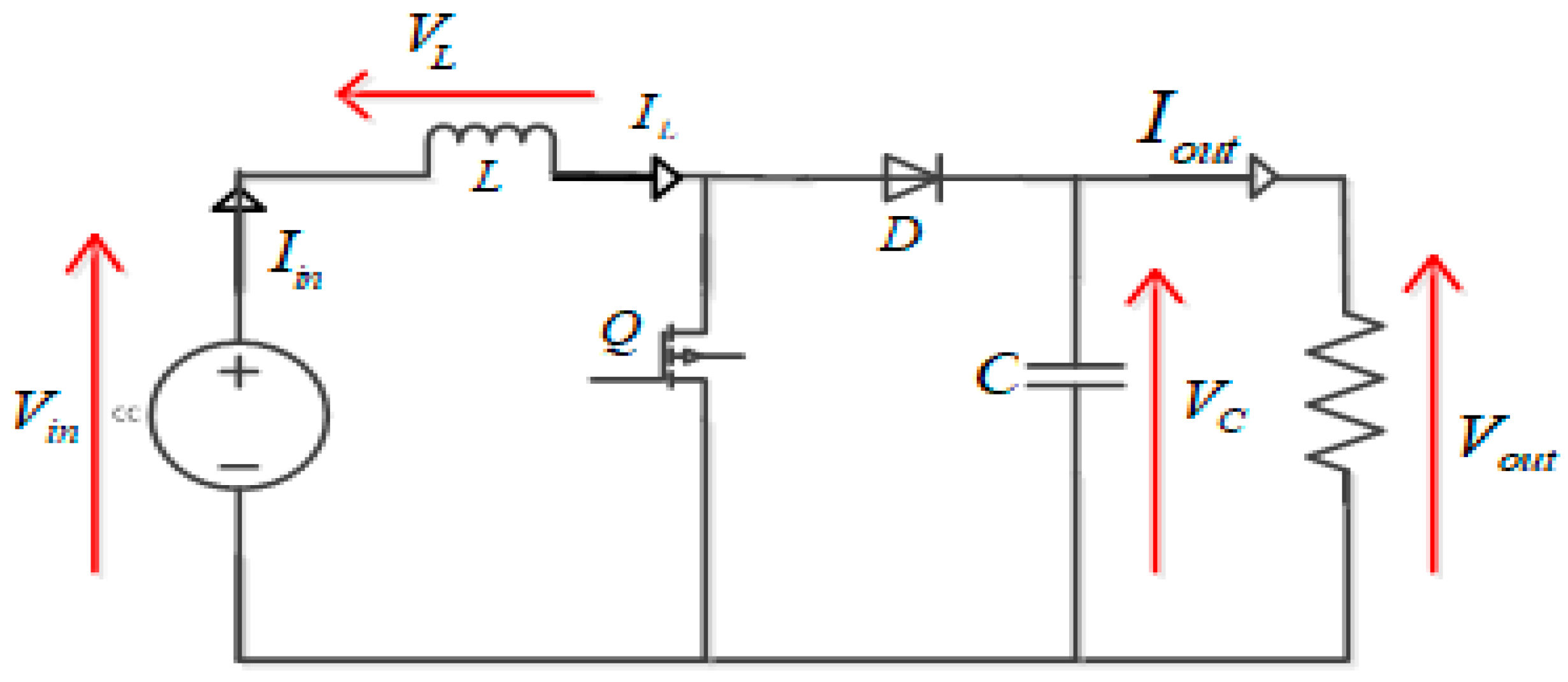
3. Modeling and Description of the PV System
4. Problem Formulation
4.1. Perturb and Observe Method
4.2. Nonlinear PID Control Scheme
4.3. Particle Swarm Optimization
4.4. Proposed Method: P&O Based on Discrete Nonlinear PSO PID Controller (P&O PSO N-DPID)
5. Results
5.1. Convergence of PSO with DPID and N-DPID
5.2. Effect of Varying Environmental Conditions on PPM
5.2.1. Case of Irradiation
5.2.2. Case of the Temperature
5.3. Performance Comparisons with Other Standard Algorithms
6. Conclusions
Author Contributions
Funding
Data Availability Statement
Acknowledgments
Conflicts of Interest
References
- Abas, N.; Kalair, A.; Khan, N. Review of fossil fuels and future energy technologies. Futures 2015, 69, 31–49. [Google Scholar] [CrossRef]
- Balat, M.M.Y.C. Status of fossil energy resources: A global perspective. Energy Sources B Econ. Plan. Policy 2007, 2, 31–47. [Google Scholar] [CrossRef]
- Mac Kinnon, M.A.; Brouwer, J.; Samuelsen, S. The role of natural gas and its infrastructure in mitigating greenhouse gas emissions, improving regional air quality, and renewable resource integration. Prog. Energy Combust. Sci. 2018, 64, 62–92. [Google Scholar] [CrossRef]
- Nordin, I.; Elofsson, K.; Jansson, T. Cost-effective reductions in greenhouse gas emissions: Reducing fuel consumption or replacing fossil fuels with biofuels. Energy Policy 2024, 190, 114138. [Google Scholar] [CrossRef]
- Wang, J.; Azam, W. Natural resource scarcity, fossil fuel energy consumption, and total greenhouse gas emissions in top emitting countries. Geosci. Front. 2024, 15, 101757. [Google Scholar] [CrossRef]
- Bei, G.; Woon, K.N.; Bill, D. Fuel Cells: Modeling, Control, and Applications; CRC Press: Boca Raton, FL, USA, 2017. [Google Scholar] [CrossRef]
- Shahzad, U. The need for renewable energy sources. Energy 2012, 2, 16–18. [Google Scholar]
- Wang, G.; Zhang, Z.; Lin, J. Multi-energy complementary power systems based on solar energy: A review. Renew. Sustain. Energy Rev. 2024, 199, 114464. [Google Scholar] [CrossRef]
- Maka, A.O.M.; Ghalut, T.; Elsaye, E. The pathway towards decarbonisation and net-zero emissions by 2050: The role of solar energy technology. Green Technol. Sustain. 2024, 2, 100107. [Google Scholar] [CrossRef]
- Gholami, H. Technical potential of solar energy in buildings across Norway: Capacity and demand. Sol. Energy 2024, 278, 112758. [Google Scholar] [CrossRef]
- Basantes, B.; Ulloa-Herrera, F.; Pozo, M.; Camacho, O. Power management of an off-grid photovoltaic system using a linear algebra based control. Results Eng. 2024, 23, 102375. [Google Scholar] [CrossRef]
- Najafi Roudbari, F.; Ehsani, H.; Amiri, S.R.; Samadani, A.; Shabani, S.; Khodadad, A. Advances in photovoltaic thermal systems: A comprehensive review of CPVT and PVT technologies. Sol. Energy Mater. Sol. Cells 2024, 276, 113070. [Google Scholar] [CrossRef]
- Ali, M.N. Improved design of artificial neural network for MPPT of grid-connected PV systems. In Proceedings of the 2018 Twentieth International Middle East Power Systems Conference (MEPCON), Cairo, Egypt, 18–20 December 2018; IEEE: Piscataway, NJ, USA, 2018; pp. 97–102. [Google Scholar] [CrossRef]
- Sharma, R.S.; Katti, P.K. Perturb & observation MPPT algorithm for solar photovoltaic system. In Proceedings of the 2017 International Conference on Circuit, Power and Computing Technologies (ICCPCT), Kollam, India, 20–21 April 2017; IEEE: Piscataway, NJ, USA, 2017; pp. 1–6. [Google Scholar] [CrossRef]
- Kamal, N.A.; Ibrahim, A.M. Conventional, Intelligent, and Fractional-Order Control Method for Maximum Power Point Tracking of a Photovoltaic System: A Review. In Fractional Order Systems Optimization, Control, Circuit Realizations and Applications, Advances in Nonlinear Dynamics and Chaos (ANDC); Academic Press: Cambridge, MA, USA, 2018; pp. 603–671. [Google Scholar]
- Elobaid, L.M.; Abdelsalam, A.K.; Zakzouk, E.E. Artificial neural network based maximum power point tracking technique for PV systems. In Proceedings of the IECON 2012-38th Annual Conference on IEEE Industrial Electronics Society, Montreal, QC, Canada, 25–28 October 2012; IEEE: Piscataway, NJ, USA, 2012; pp. 937–942. [Google Scholar] [CrossRef]
- Jordehi, A.R. Maximum power point tracking in photovoltaic (PV) systems: A review of different approaches. Renew. Sustain. Energy Rev. 2016, 65, 1127–1138. [Google Scholar] [CrossRef]
- Yin, M.; Qin, L.; Wu, G.; Shi, C. An improved variable step size photovoltaic MPPT algorithm based on perturb and observe method. In Proceedings of the Third International Conference on Electronics and Communication, Network and Computer Technology (ECNCT 2021), Coimbra, Portugal, 6–9 September 2016; SPIE: Washington, DC, USA, 2022; Volume 12167, pp. 729–734. [Google Scholar] [CrossRef]
- Joshi, P.; Arora, S. Maximum power point tracking methodologies for solar PV systems—A review. Renew. Sustain. Energy Rev. 2017, 70, 1154–1177. [Google Scholar] [CrossRef]
- Dhaouadi, G.; Djamel, O.; Youcef, S.; Salah, C. Implementation of incremental conductance based MPPT algorithm for photo-voltaic system. In Proceedings of the 2019 4th International Conference on Power Electronics and their Applications (ICPEA), Elazig, Turkey, 25–27 September 2019; pp. 1–5. [Google Scholar] [CrossRef]
- Jiang, M.; Ghahremani, M.; Dadfar, S.; Chi, H.; Abdallah, Y.N.; Furukawa, N. A novel combinatorial hybrid SFL-PS algorithm based neural network with perturb and observe for the MPPT controller of a hybrid PV-storage system. Control Eng. Pract. 2021, 114, 104880. [Google Scholar] [CrossRef]
- Blange, R.; Mahanta, C.; Gogoi, A.K. MPPT of solar photovoltaic cell using perturb & observe and fuzzy logic controller algorithm for buck-boost dc-dc converter. In Proceedings of the 2015 International Conference on Energy, Power and Environment: Towards Sustainable Growth (ICEPE), Shillong, India, 12–13 June 2015; IEEE: Piscataway, NJ, USA, 2015; pp. 1–5. [Google Scholar] [CrossRef]
- Zainuri, M.A.A.M.; Radzi, M.A.M.; Che Soh, A.; Rahim, N.A. Development of adaptive perturb and observe-fuzzy control maximum power point tracking for photovoltaic boost dc–dc converter. IET Renew. Power Gener. 2014, 8, 183–194. [Google Scholar] [CrossRef]
- Kler, D.; Rana, K.; Kumar, V. A nonlinear PID controller based novel maximum power point tracker for PV systems. J. Frankl. Inst. 2018, 355, 7827–7864. [Google Scholar] [CrossRef]
- Manna, S.; Singh, D.K.; Akella, A.K.; Kotb, H.; AboRas, K.M.; Zawbaa, H.M.; Kamel, S. Design and implementation of a new adaptive MPPT controller for solar PV systems. Energy Rep. 2023, 9, 1818–1829. [Google Scholar] [CrossRef]
- Águila-León, J.; Vargas-Salgado, C.; Díaz-Bello, D.; Montagud-Montalvá, C. Optimizing photovoltaic systems: A meta-optimization approach with GWO-enhanced PSO algorithm for improving MPPT controllers. Renew. Energy 2024, 230, 120892. [Google Scholar] [CrossRef]
- Ben Regaya, C.; Hamdi, H.; Farhani, F.; Marai, A.; Zaafouri, A.; Chaari, A. Real-time implementation of a novel MPPT control based on the improved PSO algorithm using an adaptive factor selection strategy for photovoltaic systems. ISA Trans. 2024, 146, 496–510. [Google Scholar] [CrossRef]
- Pathak, D.; Sagar, G.; Gaur, P. An application of intelligent non-linear discrete PID controller for MPPT of PV system. Procedia Comput. Sci. 2020, 167, 1574–1583. [Google Scholar] [CrossRef]
- Su, Y.; Sun, D.; Duan, B. Design of an enhanced nonlinear PID controller. Mechatronics 2005, 15, 1005–1024. [Google Scholar] [CrossRef]
- Mengue, F.D.; Kammogne, A.S.T.; Siewe, M.S.; Yamapi, R.; Fotsin, H.B. A new hybrid method based on differential evolution to determine the temperature-dependent parameters of single-diode photovoltaic cells. J. Comput. Electron. 2021, 20, 2511–2521. [Google Scholar] [CrossRef]
- Pelap, F.; Dongo, P.; Kapim, A. Optimization of the characteristics of the PV cells using nonlinear electronic components. Sustain. Energy Technol. Assess. 2016, 16, 84–92. [Google Scholar] [CrossRef]
- Nguimfack, N.J.d.D.; Kenne, G.; Kuate-Fochie, R.; Tchouani Njomo, A.F.; Mbaka Nfah, E. Adaptive neuro-synergetic control technique for sepic converter in pv systems. Int. J. Dyn. Control. 2022, 10, 203–216. [Google Scholar] [CrossRef]
- Anto, E.K.; Asumadu, J.A.; Okyere, P.Y. PID control for improving P&O-MPPT performance of a grid-connected solar PV system with ziegler-nichols tuning method. In Proceedings of the 2016 IEEE 11th Conference on Industrial Electronics and Applications (ICIEA), Hefei, China, 5–7 June 2016; IEEE: Piscataway, NJ, USA, 2016; pp. 1847–1852. [Google Scholar] [CrossRef]
- Harrison, A.; Ndongmo, J.D.D.N.; Nfah, E.M.; Ekute, O.B. Improved Perturb & Observe MPPT method using PI controller for PV system based on real environmental and climatic conditions. Open Access Repos. 2022, 9, 28–38. [Google Scholar] [CrossRef]
- Delavari, H.; Ghaderi, R.; Ranjbar, A.; Momani, S. Fuzzy fractional order sliding mode controller for nonlinear systems. Commun. Nonlinear Sci. Numer. Simul. 2010, 15, 963–978. [Google Scholar] [CrossRef]
- Rafikov, M.; Balthazar, J.M. On control and synchronization in chaotic and hyperchaotic systems via linear feedback control. Commun. Nonlinear Sci. Numer. Simul. 2008, 13, 1246–1255. [Google Scholar] [CrossRef]
- Moreno-Valenzuela, J.; Pérez-Alcocer, R.; Guerrero-Medina, M.; Dzul, A. Nonlinear PID-type controller for quadrotor trajectory tracking. IEEE/ASME Trans. Mechatron. 2018, 23, 2436–2447. [Google Scholar] [CrossRef]
- Azar, A.T.; Serrano, F.E. Stabilization and Control of Mechanical Systems with Backlash. In Advanced Intelligent Control Engineering and Automation, Advances in Computational Intelligence and Robotics (ACIR) Book Series; IGI-Global: Hershey, PA, USA, 2015. [Google Scholar]
- Kennedy, J.; Eberhart, R. Particle swarm optimization. In Proceedings of the ICNN’95-International Conference on Neural Networks, Perth, Australia, 27 November–1 December 1995; IEEE: Piscataway, NJ, USA, 1995; Volume 4, pp. 1942–1948. [Google Scholar] [CrossRef]
- Wu, T.-Y.; Jiang, Y.-Z.; Su, Y.-Z.; Yeh, W.-C. Using simplified swarm optimization on multiloop fuzzy pid controller tuning design for flow and temperature control system. Appl. Sci. 2020, 10, 8472. [Google Scholar] [CrossRef]
- De Brito, M.A.G.; Galotto, L.; Sampaio, L.P.; e Melo, G.d.A.; Canesin, C.A. Evaluation of the main MPPT techniques for photovoltaic applications. IEEE Trans. Ind. Electron. 2012, 60, 1156–1167. [Google Scholar] [CrossRef]
- Bouselham, L.; Hajji, M.; Hajji, B.; Bouali, H. A new MPPT-based for photovoltaic system under partial shading conditions. Energy Procedia 2017, 111, 924–933. [Google Scholar] [CrossRef]














| Photovoltaic Generator (ERA SOLAR ESPMC-205) | Boost Converter | ||
|---|---|---|---|
| 14.34 A | 100 µF | ||
| 57.2 V | 2 mH | ||
| 820.2 W | 500 µF | ||
| 25 Ω | |||
| Algorithm | ||||
|---|---|---|---|---|
| P&O PSO DPID | 5.2742 | 2.7383 | 0.4963 | - |
| P&O PSO N-DPID | 7. 9703 | 3.899 | 0.4977 | 0.1656 |
| Performance | P&O | P&O DPID | Proposed Method |
|---|---|---|---|
| Response time (s) | 0.04 | 0.025 | 0.016 |
| ripples | 0.024 | 0.0076 | 0.007 |
| Performance (%) | 96.45 | 98.75 | 99.03 |
| Cost function | - | 0.1 | 0.0494 |
| Authors | MPPP Methods | Response Time (s) | Efficiency (%) | Ripples | Overshoot (s) |
|---|---|---|---|---|---|
| De Brito et al., 2012 [41] | P&O-PI | 0.0220 | 98.55 | high | - |
| Zainuri et al., 2014 [23] | P&O-Fuzzy | 0.02 | 95 | 0.02 | - |
| Anto et al., 2016 [33] | P&O-PID | 0.38 | 100 | 0.0181 | 0.51 |
| Bouselham et al., 2017 [42] | P&O-global scanning | 0.05 | 99.1 | - | - |
| Proposed method | P&O PSO N-DPID | 0.016 | 99.03 | 0.0071 | 0 |
Disclaimer/Publisher’s Note: The statements, opinions and data contained in all publications are solely those of the individual author(s) and contributor(s) and not of MDPI and/or the editor(s). MDPI and/or the editor(s) disclaim responsibility for any injury to people or property resulting from any ideas, methods, instructions or products referred to in the content. |
© 2024 by the authors. Licensee MDPI, Basel, Switzerland. This article is an open access article distributed under the terms and conditions of the Creative Commons Attribution (CC BY) license (https://creativecommons.org/licenses/by/4.0/).
Share and Cite
Zambou, M.C.Z.; Kammogne, A.S.T.; Siewe, M.S.; Azar, A.T.; Ahmed, S.; Hameed, I.A. Optimized Nonlinear PID Control for Maximum Power Point Tracking in PV Systems Using Particle Swarm Optimization. Math. Comput. Appl. 2024, 29, 88. https://doi.org/10.3390/mca29050088
Zambou MCZ, Kammogne AST, Siewe MS, Azar AT, Ahmed S, Hameed IA. Optimized Nonlinear PID Control for Maximum Power Point Tracking in PV Systems Using Particle Swarm Optimization. Mathematical and Computational Applications. 2024; 29(5):88. https://doi.org/10.3390/mca29050088
Chicago/Turabian StyleZambou, Maeva Cybelle Zoleko, Alain Soup Tewa Kammogne, Martin Siewe Siewe, Ahmad Taher Azar, Saim Ahmed, and Ibrahim A. Hameed. 2024. "Optimized Nonlinear PID Control for Maximum Power Point Tracking in PV Systems Using Particle Swarm Optimization" Mathematical and Computational Applications 29, no. 5: 88. https://doi.org/10.3390/mca29050088
APA StyleZambou, M. C. Z., Kammogne, A. S. T., Siewe, M. S., Azar, A. T., Ahmed, S., & Hameed, I. A. (2024). Optimized Nonlinear PID Control for Maximum Power Point Tracking in PV Systems Using Particle Swarm Optimization. Mathematical and Computational Applications, 29(5), 88. https://doi.org/10.3390/mca29050088

