Extended State Observer-Based Predictive Speed Control for Permanent Magnet Linear Synchronous Motor
Abstract
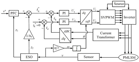
:1. Introduction
2. Mathematical Model of the Pmlsm
2.1. Mathematical Description of a Pmlsm
2.2. A Simplified Model of the Pmlsm
3. ESO-Based PFC Design
3.1. PFC Design
- (1) Basic functionswhere is the future control variables, N is the number of base functions, is the coefficients related to the performance optimization index, is the base functions determined by the reference signals, and P is the optimization horizon.In this paper, we select the base function as the form of step response, i.e., , and set . As a result, the following equation can be derived.
- (2) Prediction modelThe prediction model of the plant output can be given in its discrete time form, the following formulation is easily obtained by applying the Euler discretization method to Equation (3).where is the predicted velocity at time and is the sample time; and are coefficients of the prediction model (differential equation form).For the th sampling time, we haveAccording to the well-known mean-level control strategy [28], the control variables are regarded as a constant during the prediction, that is,By replacing with and combining Equations (6)–(8) we getObeying the same principle, the prediction output generated at the th sampling time is as follows,Correspondingly, we can described the prediction output as the matrix form based on the Equations (5), (6), (9), and (10), which is as follows,where
- (3) Error correctionBecause the presence of the model mismatch, unknown disturbance, parameter variation, and noise, the prediction error between prediction model output and actual output is existed. When PFC is applied to control systems with a small sampling period, it is generally believed that the error in this processing period remains constant [19]. Since the sampling period of the PMLSM control system in this paper is s, it is assumed that all prediction errors are equal only within this interruption period. The error can be expressed as follows,where is the measured velocity of the practical control system.
- (4) Reference trajectoryA first-order reference trajectory is provided in the following form.where is the velocity reference trajectory, is the set point value, is the time constant, and is the desired response time.
- (5) Evaluation mechanismConsidering the tracking error between the velocity reference trajectory and the predicted output , and minimizing the sum of squared error e with a penalization on the control input , yield the following quadratic performance index.where are the parameters imposed on each of the tracking errors and e; r is a weighting parameter of the control input.Define the following matrices.Substituting Equations (12) and (16) into (15) leads to the following cost function.where denotes the Euclidean norm.According to the optimization theory [29], we can obtained the following controller by calculating .
3.2. ESO Design
4. Simulation and Experimental Results
4.1. Simulation Study
4.2. Experiment Comparisons
4.2.1. No-Load Experiments
4.2.2. Load Torque Experiments
5. Conclusions
Author Contributions
Funding
Acknowledgments
Conflicts of Interest
References
- Yang, C.Y.; Ma, T.T.; Che, Z.Y.; Zhou, L.N. An adaptive-gain sliding mode observer for sensorless control of permanent magnet linear dynchronous motors. IEEE Access 2018, 6, 3469–3478. [Google Scholar] [CrossRef]
- Wang, M.Y.; Yang, R.; Zhang, C.M.; Cao, J.W.; Li, L.Y. Inner loop design for PMLSM drives with thrust ripple compensation and high-performance current control. IEEE Trans. Ind. Electron. 2018, 65, 9905–9915. [Google Scholar] [CrossRef]
- Song, F.Z.; Liu, Y.; Xu, J.X.; Yang, X.F.; Zhu, Q. Data-driven iterative feedforward tuning for a wafer stage: A high-order approach based on instrumental variables. IEEE Trans. Ind. Electron. 2019, 66, 3106–3116. [Google Scholar] [CrossRef]
- Jang, K.B.; Kim, J.H.; An, H.J.; Kim, G.T. Optimal design of auxiliary teeth to minimize unbalanced phase due to end effect of PMLSM. IEEE Trans. Magn. 2011, 47, 1010–1013. [Google Scholar] [CrossRef]
- Son, Y.I.; Kim, I.H.; Choi, D.S.; Shim, H. Robust cascade control of electric motor drives using dual reduced-order PI observer. IEEE Trans. Ind. Electron. 2015, 62, 3672–3682. [Google Scholar] [CrossRef]
- Yang, C.Y.; Che, Z.Y.; Zhou, L.N. Integral sliding mode control for singularly perturbed systems with mismatched disturbances. Circuits Syst. Signal Process. 2019, 38, 1561–1582. [Google Scholar] [CrossRef]
- Li, S.H.; Zong, K.; Liu, H.X. A composite speed controller based on a second-order model of permanent magnet synchronous motor system. Trans. Inst. Meas. Control 2011, 33, 522–541. [Google Scholar]
- Huang, Y.; Xue, W.C. Active disturbance rejection control: Methodology and theoretical analysis. ISA Trans. 2014, 53, 963–976. [Google Scholar] [CrossRef]
- Sira-Ramirez, H.; Linares-Flores, J.; Garcia-Rodriguez, C.; Contreras-Ordaz, M.A. On the control of the permanent magnet synchronous motor: An active disturbance rejection control approach. IEEE Trans. Control Syst. Technol. 2014, 22, 2056–2063. [Google Scholar] [CrossRef]
- Yang, J.; Chen, W.H.; Li, S.H.; Guo, L.; Yan, Y.D. Disturbance/uncertainty estimation and attenuation techniques in PMSM drives—A survey. IEEE Trans. Ind. Electron. 2017, 64, 3273–3285. [Google Scholar] [CrossRef]
- Ganesh, H.S.; Edgar, T.F.; Baldea, M. Model predictive control of the exit part temperature for an austenitization furnace. Processes 2016, 4, 53. [Google Scholar] [CrossRef]
- Gong, Z.; Wu, X.J.; Dai, P.; Zhu, R.W. Modulated model predictive control for MMC–based active front–end rectifiers under unbalanced grid conditions. IEEE Trans. Ind. Electron. 2019, 66, 2398–2409. [Google Scholar] [CrossRef]
- Yan, Y.D.; Zhang, C.L.; Narayan, A.; Yang, J.; Li, S.H.; Yu, H.Y. Generalized dynamic predictive control for nonparametric uncertain systems with application to series elastic actuators. IIEEE Trans. Ind. Inform. 2018, 14, 4829–4840. [Google Scholar] [CrossRef]
- Yang, J.; Wu, H.; Hu, L.; Li, S.H. Robust predictive speed regulation of converter-driven DC motors via a discrete-time reduced-order GPIO. IEEE Trans. Ind. Electron. 2019, 66, 7893–7903. [Google Scholar] [CrossRef]
- Vaccari, M.; Pannocchia, G. A modifier-adaptation strategy towards offset-free economic MPC. Processes 2017, 5, 2. [Google Scholar] [CrossRef]
- Morel, F.; Lin-Shi, X.F.; Retif, J.M.; Allard, B.; Buttay, C. A comparative study of predictive current control schemes for a permanent-magnet synchronous machine drive. IEEE Trans. Ind. Electron. 2009, 56, 2715–2728. [Google Scholar] [CrossRef]
- Bolognani, S.; Bolognani, S.; Peretti, L.; Zigliotto, M. Design and implementation of model predictive control for electrical motor drives. IEEE Trans. Ind. Electron. 2009, 56, 1925–1936. [Google Scholar] [CrossRef]
- Zhang, C.F.; Wu, G.P.; Rong, F.; Feng, J.H.; Jia, L.; He, J.; Huang, S.D. Robust fault-tolerant predictive current control for permanent magnet synchronous motors considering demagnetization fault. IEEE Trans. Ind. Electron. 2018, 65, 5324–5334. [Google Scholar] [CrossRef]
- Liu, H.X.; Li, S.H. Speed control for PMSM servo system using predictive function control and extended state observer. IEEE Trans. Ind. Electron. 2012, 59, 1171–1183. [Google Scholar] [CrossRef]
- Xue, W.C.; Bai, W.Y.; Yang, S.; Song, K.; Huang, Y.; Xie, H. ADRC with adaptive extended state observer and its application to air-fuel ratio control in gasoline engines. IEEE Trans. Ind. Electron. 2015, 62, 5847–5857. [Google Scholar] [CrossRef]
- Wang, J.X.; Li, S.H.; Yang, J.; Wu, B.; Li, Q. Extended state observer-based sliding mode control for PWM-based DC-DC buck power converter systems with mismatched disturbances. IET Control Theory Appl. 2015, 9, 579–586. [Google Scholar] [CrossRef]
- Chen, S.Y.; Chiang, H.H.; Liu, T.S.; Chang, C.H. Precision motion control of permanent magnet linear synchronous motors using adaptive fuzzy fractional-order sliding-mode control. IEEE/ASME Trans. Mechatron. 2019, 24, 741–752. [Google Scholar] [CrossRef]
- Jin, H.Y.; Zhao, X.M. Complementary sliding mode control via elman neural network for permanent magnet linear servo system. IEEE Access 2019, 7, 82183–82193. [Google Scholar] [CrossRef]
- Hu, J.G.; Liu, J.B.; Xu, L.Y. Eddy current effects on rotor position estimation and magnetic pole identification of PMSM at zero and low speeds. IEEE Trans. Power Electron. 2008, 23, 2565–2575. [Google Scholar] [CrossRef]
- Yang, C.Y.; Liu, J.H.; Li, H.; Zhou, L.N. Energy modeling and parameter identification of dual-motor-driven belt conveyors without speed sensors. Energies 2018, 11, 3313. [Google Scholar] [CrossRef]
- Yang, R.; Wang, M.Y.; Li, L.Y.; Zenggu, Y.M.; Jiang, J.L. Integrated uncertainty/disturbance compensation with second-order sliding-mode observer for PMLSM-driven motion stage. IEEE Trans. Power Electron. 2019, 34, 2597–2607. [Google Scholar] [CrossRef]
- Lu, S.W.; Tang, X.Q.; Song, B.; Zheng, S.Q.; Zhou, F.X. Identification and compensation of force ripple in PMSLM using a JITL technique. Asian J. Control 2015, 17, 1559–1568. [Google Scholar] [CrossRef]
- Mendez, J.A.; Kouvaritakis, B.; Rossiter, J.A. State-space approach to interpolation in MPC. Int. J. Robust Nonlinear Control 2000, 10, 27–38. [Google Scholar] [CrossRef]
- Yang, C.Y.; Zhang, Q.L.; Sun, J.; Chai, T.Y. Lur’e Lyapunov function and absolute stability criterion for Lur’e singularly perturbed systems. IEEE Trans. Autom. Control 2011, 56, 2666–2671. [Google Scholar] [CrossRef]
- Liu, M.; Zhang, L.X.; Shi, P.; Zhao, Y.X. Fault estimation sliding mode observer with digital communication constraints. IEEE Trans. Autom. Control 2018, 63, 3434–3441. [Google Scholar] [CrossRef]
- Zhou, L.N.; Che, Z.Y.; Yang, C.Y. Disturbance observer-based integral sliding mode control for singularly perturbed systems with mismatched disturbances. IEEE Access 2018, 6, 9854–9861. [Google Scholar] [CrossRef]







| Parameter | Value | Unit |
|---|---|---|
| Rated voltage (U) | 24 | V |
| Pole pitch () | 32 | mm |
| Winding resistance (R) | 1.25 | |
| Inductance (L) | 5.25 | mH |
| Viscous friction coefficient () | 2.12 | N·m/s |
| Flux linkage () | 0.0385 | Wb |
| Mass (M) | 14 | kg |
© 2019 by the authors. Licensee MDPI, Basel, Switzerland. This article is an open access article distributed under the terms and conditions of the Creative Commons Attribution (CC BY) license (http://creativecommons.org/licenses/by/4.0/).
Share and Cite
Wang, Y.; Yu, H.; Che, Z.; Wang, Y.; Zeng, C. Extended State Observer-Based Predictive Speed Control for Permanent Magnet Linear Synchronous Motor. Processes 2019, 7, 618. https://doi.org/10.3390/pr7090618
Wang Y, Yu H, Che Z, Wang Y, Zeng C. Extended State Observer-Based Predictive Speed Control for Permanent Magnet Linear Synchronous Motor. Processes. 2019; 7(9):618. https://doi.org/10.3390/pr7090618
Chicago/Turabian StyleWang, Yao, Haitao Yu, Zhiyuan Che, Yuchen Wang, and Cheng Zeng. 2019. "Extended State Observer-Based Predictive Speed Control for Permanent Magnet Linear Synchronous Motor" Processes 7, no. 9: 618. https://doi.org/10.3390/pr7090618
APA StyleWang, Y., Yu, H., Che, Z., Wang, Y., & Zeng, C. (2019). Extended State Observer-Based Predictive Speed Control for Permanent Magnet Linear Synchronous Motor. Processes, 7(9), 618. https://doi.org/10.3390/pr7090618

