Filtered Right Coprime Factorization and Its Application to Control a Pneumatic Cylinder
Abstract
1. Introduction
2. Mathematical Preparation
2.1. Operator Theory
2.1.1. Operator Definition
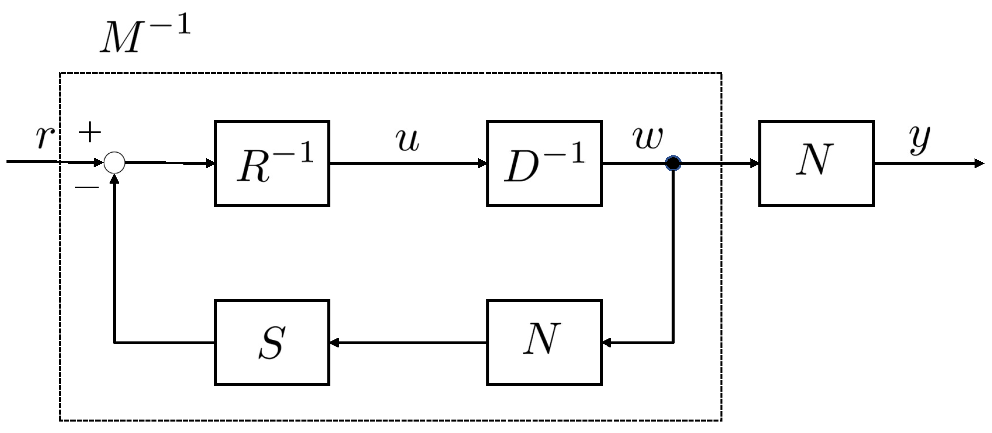
2.1.2. Feedback Control Based on Operator Theory
2.1.3. Robust Stability
2.2. Sliding Mode Control
2.2.1. Basic Concepts of Sliding Mode Control
2.2.2. Control Input in Sliding Mode Control
2.2.3. Chattering Prevention Measures
3. Model Design
3.1. Friction Model of Pneumatic Cylinder
3.1.1. LuGre Model
3.1.2. Friction Model Equation
3.1.3. Friction and Stribeck Functions
3.1.4. Dynamic Behavior of Lubricant Film
3.2. Pneumatic Stage Model
4. Problem Setting and Proposed Method
4.1. Problem Setting
4.2. Proposed Method
5. Control System Design
5.1. Control System Design Based on Proposed Method
5.2. Proof of Stability of Control System
5.3. Sliding Mode Controller Design
6. Simulation and Experiment
6.1. Simulation Parameters
6.2. Simulation Results
6.3. Experimental Results
7. Conclusions
Author Contributions
Funding
Data Availability Statement
Conflicts of Interest
References
- De Figueiredo, R.J.P.; Chen, G. Nonlinear Feedback Control Systems: An Operator Theory Approach; Academic Press Professional: Cambridge, MA, USA, 1993. [Google Scholar]
- Deng, M.; Inoue, A.; Goto, S. Operator based Thermal Control of an Aluminum Plate with a Peltier Device. Int. J. Innov. Comput. Inf. Control 2008, 4, 3219–3229. [Google Scholar]
- Gao, X.; Yang, Q.; Zhang, J. Multi-objective optimisation for operator-based robust nonlinear control design for wireless power transfer systems. Int. J. Adv. Mechatron. Syst 2022, 9, 203–210. [Google Scholar] [CrossRef]
- Deng, M.; Inoue, A.; Zhu, Q. An integrated study procedure on real-time estimation of time-varying multi-joint human arm viscoelasticity. Trans. Inst. Meas. Control 2011, 33, 919–941. [Google Scholar] [CrossRef]
- De Wit, C. Canudas and Olsson, Hans and Åstrom, Karl Johan and Lischinsky, Pablo. A new model for control of systems with friction. IEEE Trans. Autom. Control. 1995, 40, 419–425. [Google Scholar] [CrossRef]
- Yanada, H.; Sekikawa, Y. Modeling of dynamic behaviors of friction. Mechatronics 2008, 18, 330–339. [Google Scholar] [CrossRef]
- Yanada, H.; Tran, X.B.; Wakasawa, Y. Dynamic friction behaviors of pneumatic cylinders and their mathematical model. In Proceedings of the 54th Automatic Control Union Conference, Toyohashi, Japan, 19–20 November 2011; p. 447. [Google Scholar]
- Tran, X.B.; Hafizah, N.; Yanada, H. Modeling of dynamic friction behaviors of hydraulic cylinders. Mechatronics 2012, 22, 65–75. [Google Scholar] [CrossRef]
- Tran, X.B.; Yanada, H. Dynamic friction behaviors of pneumatic cylinders. Intell. Control. Autom. 2013, 2, 180–190. [Google Scholar] [CrossRef]
- Tran, X.B.; Dao, H.T.; Tran, K.D. The title of the cited article. Proc. Inst. Mech. Eng. Part C J. Mech. Eng. Sci. 2016, 14, 2399–2412. [Google Scholar] [CrossRef]
- Ishii, H.; Wakui, S. Application of a control system that takes into account the pressure response of the pneumatic cylinder that drives the pneumatic stage. Trans. Jpn. Soc. Mech. Eng. 2019, 85, 18-00335. [Google Scholar]
- Ishii, H.; Wakui, S. Performance improvement of PDD2 compensator embedded in position control for pneumatic stage. In Proceedings of the 2019 International Conference on Advanced Mechatronic Systems, Kusatsu, Japan, 26–28 August 2019; pp. 158–162. [Google Scholar]
- Ishii, H.; Wakui, S. Proposal of Speeding up Scheme for Pneumatic Stage. In Proceedings of the 2019 IEEE International Conference on Mechatronics, Ilmenau, Germany, 18–20 March 2019; Volume 1, pp. 79–84. [Google Scholar]
- Aoki, S.; Deng, M. Nonlinear position control of pneumatically driven stage considering friction characteristics of pneumatic cylinder. In Proceedings of the 2023 International Conference on Advanced Mechatronic Systems, Melbourne, Australia, 4–7 September 2023. [Google Scholar]
- Nonami, K.; Den, K. Sliding Mode Control: Design Theory for Nonlinear Robust Control; Corona Corporation: Niigata, Japan, 1994. [Google Scholar]
- Wang, H.; Man, Z.; Kong, H.; Zhao, Y.; Yu, M.; Cao, Z.; Zheng, J.; Do, M.T. Design and implementation of adaptive terminal sliding-mode control on a steer-by-wire equipped road vehicle. IEEE Trans. Ind. Electron. 2016, 63, 5774–5785. [Google Scholar] [CrossRef]
- Nwokolo, E.; Ogbuka, I.C.; Ajibo, A.; Ogbuka, C.; Ogbuefi, U.; Ejiogu, E. Performance Comparison of Sliding Mode and Instantaneous Reactive Power Theory Control Techniques for Three-Phase Active Power Filter. Int. J. Electr. Electron. Eng. Telecommun. 2021, 10, 83–90. [Google Scholar] [CrossRef]













| Symbol | Description | Unit |
|---|---|---|
| z | Average deflection of sliding surface | m |
| Bristle stiffness | N/m | |
| Microviscous friction coefficient | N s/m | |
| Coefficient of viscous friction | N s/m | |
| v | Relative velocity of piston and cylinder | m/s |
| Stribeck speed | m/s | |
| Maximum speed of lubrication film thickness change | m/s | |
| h | Non-dimensional non-stationary lubricant film thickness | m |
| Non-dimensional steady-state lubricant film thickness | m | |
| T | Time constants for fluid friction dynamics | s |
| Frictional force | N | |
| Coulomb’s friction force | N | |
| Maximum static friction | N | |
| Time constant of lubricant film dynamics | s | |
| Proportionality constant of lubricant film thickness | ||
| m | Mass of stage | kg |
| Piston cross-sectional area | ||
| k | Spring constant | N/m |
| Servo valve time constant | s | |
| Servo valve gain | - |
| Symbol | Value | Unit | Symbol | Value | Unit |
|---|---|---|---|---|---|
| m | 15 | ||||
| 198 | |||||
| 174 | k | ||||
| T | 0 | − | |||
| n | [-] | K | 34 | − | |
| f | 218 | ||||
| 99 | − | ||||
| − | |||||
| 5 | − | ||||
| 20 | 100 | − | |||
Disclaimer/Publisher’s Note: The statements, opinions and data contained in all publications are solely those of the individual author(s) and contributor(s) and not of MDPI and/or the editor(s). MDPI and/or the editor(s) disclaim responsibility for any injury to people or property resulting from any ideas, methods, instructions or products referred to in the content. |
© 2024 by the authors. Licensee MDPI, Basel, Switzerland. This article is an open access article distributed under the terms and conditions of the Creative Commons Attribution (CC BY) license (https://creativecommons.org/licenses/by/4.0/).
Share and Cite
Tanabata, Y.; Deng, M. Filtered Right Coprime Factorization and Its Application to Control a Pneumatic Cylinder. Processes 2024, 12, 1475. https://doi.org/10.3390/pr12071475
Tanabata Y, Deng M. Filtered Right Coprime Factorization and Its Application to Control a Pneumatic Cylinder. Processes. 2024; 12(7):1475. https://doi.org/10.3390/pr12071475
Chicago/Turabian StyleTanabata, Yusaku, and Mingcong Deng. 2024. "Filtered Right Coprime Factorization and Its Application to Control a Pneumatic Cylinder" Processes 12, no. 7: 1475. https://doi.org/10.3390/pr12071475
APA StyleTanabata, Y., & Deng, M. (2024). Filtered Right Coprime Factorization and Its Application to Control a Pneumatic Cylinder. Processes, 12(7), 1475. https://doi.org/10.3390/pr12071475

