Next Article in Journal
Impact of Storage Conditions on Stability of Bioactive Compounds and Bioactivity of Beetroot Extract and Encapsulates
Previous Article in Journal
Correction: Shokeer et al. Mutational Analysis of the Binding of Alternative Substrates and Inhibitors to the Active Site of Human Glutathione Transferase P1–1. Processes 2020, 8, 1232
 
 
Font Type:
Arial Georgia Verdana
Font Size:
Aa Aa Aa
Line Spacing:
Column Width:
Background:
Article

Implementation of a Virtual Instrument in the System for Measuring Forces and Temperatures in the Milling Process

1
Faculty of Technical Sciences, University of Novi Sad, Trg Dositeja Obradovica 6, 21000 Novi Sad, Serbia
2
Faculty of Mechanical Engineering, University of Maribor, Smetanova ulica 17, 2000 Maribor, Slovenia
*
Author to whom correspondence should be addressed.
Processes 2024, 12(7), 1344; https://doi.org/10.3390/pr12071344
Submission received: 27 May 2024 / Revised: 19 June 2024 / Accepted: 25 June 2024 / Published: 28 June 2024
(This article belongs to the Section Process Control and Monitoring)

Abstract

:
This study presents the development of a measurement acquisition system for force measurement and temperature cutting using virtual instrumentation. The developed measurement chain enables very efficient, accurate, reliable and fast data collection during the measurement process. The presented acquisition system was developed for the face milling process, but its application is also intended for turning or grinding processes. Emphasis is placed on the creation and description of a software solution in order to manage hardware measuring sensors. Two versions of the virtual instrument are presented. The first one is based on the measurement of three components of cutting forces, obtained by means of a piezoelectric dynamometer. And the second one is upgraded with another channel that represents the temperature change record obtained by the thermocouple. At the end, the experimental results for face milling are shown. A graphical diagram obtained based on some of the data generated by the innovative measuring chain applied to the milling process is presented.

1. Introduction

The fourth industrial revolution is a significant driving force that frames the digital, social and economic needs of companies [1]. This concept significantly affects business results by increasing economy, quality and effectiveness [2]. Industry 4.0 implies complete digitization of all production processes and the application of digital technologies when creating an idea for a product, organization and realization of production, process control and provision of industrial services [3,4].
There are numerous definitions of the Internet of Things, but in industrial application, this term refers to various types of “smart” components, devices or objects that are embedded in cyber–physical systems. These “smart objects” require minimal human intervention to generate, exchange and process data. Most often, they are related to remote data collection and analysis, and they also have management capabilities. When this technology is applied in an industrial environment, we are talking about the Industrial Internet of Things, which refers to interconnected sensors, instruments and other industrial devices and objects, networked together with industrial applications, including production and energy management. It will help you transform and connect your data, workforce, systems, industrial resources and establish the Internet of Things. With previously extracted data, you can realize a smart industry, enable real-time decision making and improve productivity, flexibility and agility [5,6].
Such systems include networked smart objects, cyber–physical assets, connected generic information technologies and cloud computing platforms [7,8].
Data are a very important resource in a manufacturing environment, comparable to tangible assets and human capital. Big data have increasing potential to create value for businesses and consumers [9]. The rapid development of computer and information technologies and the application of the concept of the Internet of Things further encourage the rapid growth of the number of generated data [10,11].
The appearance of digital computers led to the appearance of new possibilities in the field of monitoring and management of technological processes and systems. With the development of computers, acquisition and measurement technologies were developed, which are based on microcomputer technology.
Acquisition means acquiring, collecting or accumulating something. The term data acquisition could be defined as the activity of collecting data on the occurrence of an event or process that is monitored and analyzed in order to become familiar with it [12,13].
In the past, various mechanical and optical methods were used in measurements, so that, today, electricity has become the dominant and almost exclusive signal carrier. The economy and great possibilities provided by the PC led to a revolution in the field of measurement, automation and instrumentation. In order to increase productivity and facilitate the work of engineers and scientists, the connection of instruments and PCs began, so that data could be transferred from the instrument to a PC for further processing and presentation. This was the beginning of a new concept known as virtual instrumentation [14,15,16]. The application of electronic and computer technology has led to measurement and acquisition systems of high sensitivity, low consumption, high speed of operation, high reliability, high flexibility and with the possibility of data transmission.
The concept of virtual instrumentation was set up by the National Instruments company, which is the leading company in the world in terms of measurement and acquisition systems. By virtual instrumentation, we mean a combination of hardware and software elements, most often used with a PC (hence, the other name—PC-based instrumentation), which realizes the function of a classic instrument. By applying this methodology, it is possible to design a multipurpose instrument, which will be able, in addition to standard signal monitoring operations, to perform more complex processing operations [17].
Systems for measurement, acquisition and data processing based on PC computers are used today for the automation of measurement systems in both laboratory and industrial conditions [18,19,20]. By using a PC system for measurement, high-intelligence devices with improved control characteristics and a higher level of flexibility are obtained. Due to the abundance of quality software systems, offered by many companies around the world, they are easily adapted to user requirements and used practically without hardware and software education.
The elements of the acquisition systems of the first generation were analog-type devices. These devices are operated manually, via the front panel. Measurement results with this type of device must be recorded manually [21,22]. The user is not given flexibility in managing the instrument, nor the possibility of changing the measuring functions. In essence, there are almost as many data acquisition systems as there are data types. However, a certain class of data acquisition and management system is defined as follows: “An electronic instrument, or a group of interconnected electronic hardware components, intended for measuring and quantizing analog signals and accepting digital ones, for the purpose of digital analysis or processing and undertaking feedback-management actions” [23].
Several strategies for monitoring the state of processes can be found in literature sources. However, there is still no general approach that will define and systematically monitor the processes that deal with material removal with cutting tools. Face milling, as the most complex cutting process, requires a stable and precise approach for measuring the output characteristics of the processing. The design of these monitoring systems is defined by different methodologies, where the emphasis is on choosing the best sensor configuration, that is, processing the collected signals. Some of these techniques are time-consuming and require full factorial plans to evaluate their capability [24,25].
The LabVIEW 8.0 and LabVIEW 9.0 software package was used, with the help of which the desired virtual instrumentation was designed by creating a graphical user interface on the computer screen.
The concept of virtual instrumentation, which arose due to the increasing use of PCs, provides many benefits, both to ordinary users and to engineers and scientists who need to increase the productivity, accuracy and performance of measurement acquisition devices.
Nowadays, when the means of information technology (computer and related equipment) in terms of their price, procedures and methods of their use are available to almost everyone, it is almost impossible to imagine that some scientific and professional activity is carried out without their support. It can be safely said that mechanical engineering cannot be considered modern if, in any of its parts, new information technologies and systems are not included.
One of the most important areas in mechanical engineering, where the emergence of information technology has caused significant changes, is the area of material processing technology research. These changes primarily relate to the integration, optimization, measurement and management of processing systems.
Monitoring of the machining process involves computer monitoring of the output characteristics of the process (tool wear, temperature, forces, quality of the machined surface, chip shape, etc.) [26,27,28], then, control of the state of the processing system (machine tool, cutting tool, accessories, measuring instruments, workpiece, etc.) and information flows of the processing process (accuracy and quality of processing, productivity, economy of processing, reliability of the process, etc.) [29,30,31]. Further, the management of the processing process implies permanent monitoring of the output techno-economic characteristics of the process (quality, productivity, economy, reliability, etc.). That is, by changing some input control parameters, it would be possible to ensure the most productive processing process. This primarily refers to the choice of processing mode, the shape of the construction and geometry of the tool, the application of some hybrid factors (innovative machine tools), the choice of the most favorable supply and type of means for cooling and lubrication, etc. With such a choice, better output characteristics of the process would be obtained, primarily referring to maximum productivity, minimum costs, high level of reliability, specified accuracy and processing quality, etc.
Knowledge of cutting forces (that is, resistance) as well as their moments of inertia is of great importance in the theory of metal processing. Forces are the basis for defining the mechanics of the cutting process. That is, based on the monitoring of cutting forces, the current state and behavior of the observed machining process itself can be defined. In addition to cutting forces, the temperature that occurs during processing is an indispensable factor in the characteristics of the cutting process. Knowledge of the growth rate of the cutting temperature certainly affects the quality of the processing, then the stability of the tool, and, in some cases, the thermal changes in the processing material.
Accordingly, the goal of this research is the development of an adequate measurement and acquisition system that will collect and record data. Specifically, the system envisaged for the realization of this task should acquire data for three orthogonal cutting forces as well as for the temperature in the contact zone at the place where the appropriate thermocouple is placed. This measurement and acquisition system should also satisfy in terms of the accuracy of the measured quantities of machinability. The developed measurement acquisition chain is intended for the milling process, but by replacing the sensor, it can be adapted to the grinding or turning process as well. The data collected in this way are very applicable for further processing, modeling and optimization [32,33,34]. Also, the main contribution of this system is its low price compared to measuring chains that are available on the market today [35,36,37,38]. The system can measure two independent physical quantities at the same time, which is not the case in other literature sources. No expensive instrumentation is needed to measure the cutting temperature, but a simple thermocouple and signal transmission system developed by the author is used. In addition, this type of monitoring is promising for installation on machines that do not have monitoring and diagnostic systems installed. The limitation is only in the dimensions of the workspace.

2. Experimental Setup

The experimental work was carried out through two stages of creation of the measurement system. Namely, in the first part of the research, a measurement acquisition system was developed for measuring only three orthogonal cutting forces, which used one three-component sensor. In the second part, the system was also updated with a new measurement acquisition card, that is, by creating a new virtual instrument. The innovation was also reflected in the possibility of measuring another output characteristic of the process, which is the acquisition of temperature changes during the cutting process. A sensor in the form of a thermocouple was used for this component.

2.1. Development of a Measurement Acquisition System for Measuring Cutting Forces during Milling Using Virtual Instrumentation

Figure 1 schematically shows the measurement acquisition system for measuring forces during milling using virtual instrumentation.
This measuring chain consists of several components, which are shown in Table 1.
As a sensor, “KISTLER”-9257A was used, which is a piezoelectric dynamometer intended for measuring forces in three orthogonal directions (x, y and z) during milling processing, with the following characteristics:
  • Maximum measuring range of force Fx = ±5000 N
  • Maximum force measurement area Fy = ±5000 N
  • Maximum measuring range of force Fz = ±10,000 N
  • Possibility of overload 50%
  • Inertness ±1%
  • Hysteresis 2%
The electrical charge created by the dynamometer is converted into an analog voltage by means of a charge amplifier, which can then be registered and further processed. The “KISTLER”-5001 amplifier is used as a charge amplifier.
During signal processing, the amplifier uses a force scaling factor, such that the signals, which are forwarded to the A/D converter, are in the desired range. The potentiometer for regulating the length of signal reception determines whether the measuring signal will be long (LONG), short (SHORT) or medium length (MEDIUM). LONG is used for receiving signals that last relatively longer in time, and SHORT for receiving signals of immediate character. MEDIUM is used for signals that are between these two extremes in duration.
The universal connection panel ED429-UP is used to connect the multifunctional acquisition module ED428 to the real process, that is, the conditioning of measurement signals and the easy connection of signal lines to the module.
The connection panel ED429-UP allows for easy connection of input line signals, by means of which the acquisition module ED428 communicates with the external environment. Thus, 16 unbalanced or 8 differential analog input signals, 2 analog output control channels, 8 digital inputs and 8 digital outputs were optically isolated with counter and frequency generator signals that can be connected to the ED429-UP, as well as the external signal for the start of A/D conversion on the ED428 module [39]. On the panel, there is a space for shaping the signal, for each input analog channel, in which the appropriate elements for passive filtering, voltage divider, signal amplitude limiter, etc., can be placed, in accordance with the user’s requirements.
Figure 2 shows a schematic of the ED428 card. The position of the jumper is such that the card serves 16 asymmetrical channels and an input range of ±10 V. A low-noise instrumentation differential amplifier PGA is built in. The gain of each channel is set by software for the corresponding voltage ranges. Gain values are 1, 10 and 100 times. The input ranges are from 0–5 V, 0–10 V, ±5 V and ±10 V.
The virtual instrument (VI) used for the acquisition of data obtained during milling is called VI_for_milling.vi and was developed by the authors.
In addition to simply reading voltage values for forces from the dynamometer, the virtual instrument is designed to show the change in force values on a diagram, display all read values in certain time intervals in a table and display the highest force values during one measurement. The diagram shows the voltage values. This is because all three forces are shown on the same diagram. The table has columns for time and force values. The forces also have their voltage values in the table. The voltage values are there only to check if the appropriate gain is entered, which is also set on the amplifier.
The measurement starts by pressing the RUN button (from the toolbar) and ends by pressing the STOP button. After the measurement is completed, an Excel table file is generated, which is further used to process the measurement results. The columns in this file are identical to the columns in the table in the application itself. Before starting a new measurement, it is necessary to delete the data from the diagram and from the table that remained from the previous measurement.

2.1.1. Front Panel Layout and User Manual VI

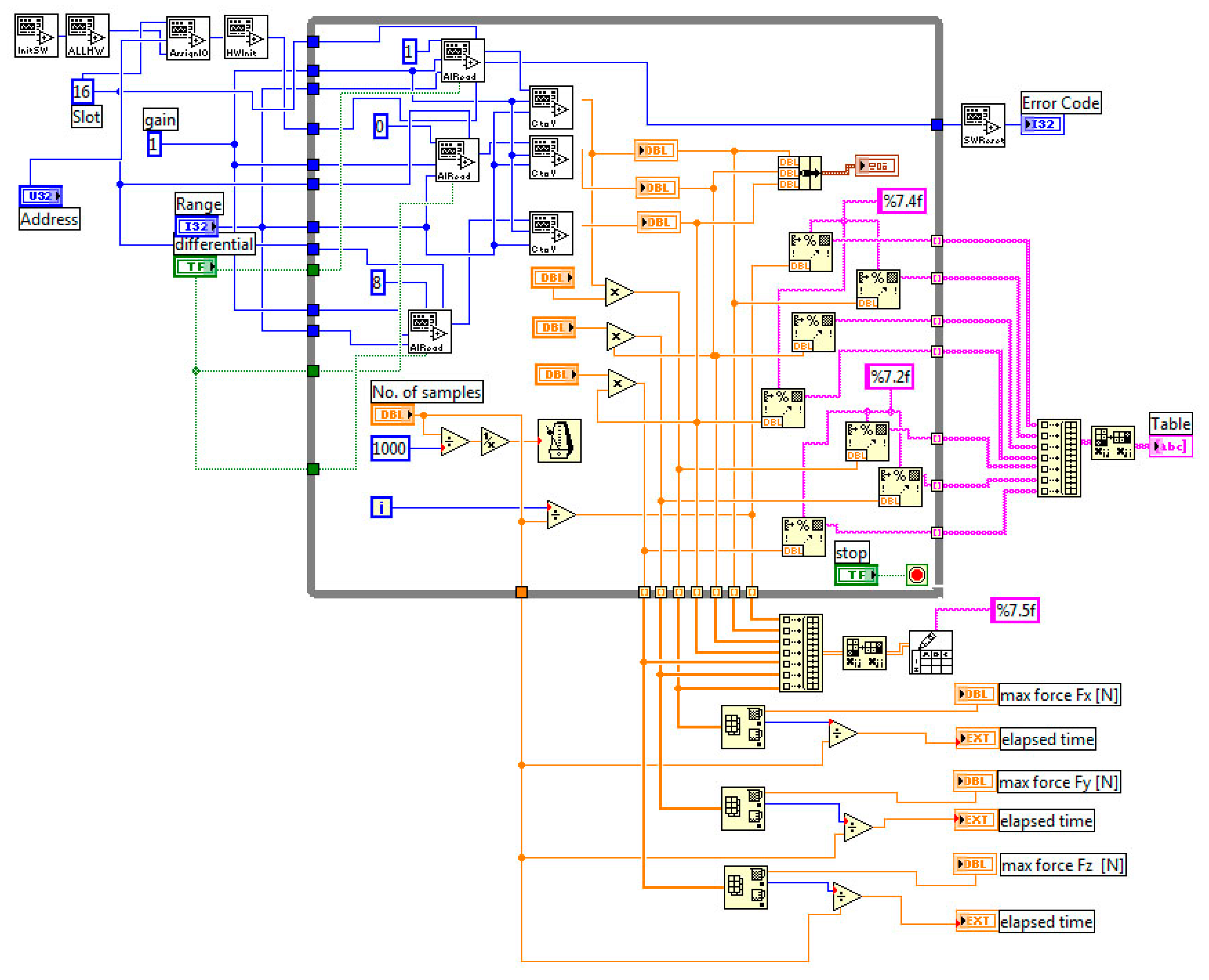
The central part of the measurement chain defined in this way is a virtual instrument, i.e., a user-friendly interface, which was created by the authors. The appearance of the front panel of the virtual instrument is shown in Figure 3. The appearance is adapted to the user so that almost no knowledge of the concept of graphic programming in the LabVIEW programming language is required.
In the left part of the window, at the top, there is a STOP button whose function is to generate the moment of the end of the measurement. In addition, the user can choose the type of signal; that is, it is possible to choose a single or differential signal.
The “Address” control contains information about the base address. This address is related to the position of certain switches on the acquisition module itself. By default, this address is set to 320, but the possibility to change this address is still left here.
The “Number of samples” control is used to enter the desired number of samples per second. At startup, this value is set to 400 but can be changed as needed. In doing so, hardware resources must be taken into account. It is recommended that this value does not exceed 10,000 samples, which is more than enough for this type of measurement, taking into account the graphic diagrams, where you can see exactly the entry of the cutting tool into the grip and its continuous change. This number of samples is defined in the function of the sensor, which is limited to 5000 samples per channel.
The last control that needs to be set so that the VI can be put into operation is “Range”. The offered values are those that can be set on the acquisition module itself. At the factory, this value on the acquisition module is set to ±10 V, and for that reason, this value is initially the same on the VI itself. If a range is set that is not in agreement with the one set on the acquisition module, it will not be possible to perform the measurement. An important note is that in the process of combined milling, the components of the cutting force have a double orientation; that is, they can be both positive and negative, so this range must be adjusted in two directions. This is not the case, for example, with the turning process. Apart from the controls mentioned above, there are three more controls on the front panel itself.
These controls relate to the amount of amplification of the signal received from the sensor. In order for the VI to function, it is not necessary to set these three controls, but they are here so that the voltage values for the forces, shown in the table, obtain their corresponding physical units. Initially, these values are set to zero; that is, the fields are empty. In this way, the possibility of an error due to a wrong amplification of the residual from a previous measurement is avoided. If the user forgets to enter the gain value in the fifth, sixth and seventh column of the table, only zeros will appear, and that will be a clear signal that something is wrong.
When the VI starts, its window changes to RUN form. During the measurement itself, the diagram shows the change in the voltage value of the forces. By pressing the STOP button, the measurement is stopped, and a table is generated on the front panel (with columns for time, forces as voltage quantities and forces with their physical units). A Windows-specific dialog box also opens. In this window, you need to specify the path and enter the name of the file to be generated. In addition to the file name, it is necessary to enter the extension for the corresponding file type, so the file in Excel(version 2007) has the extension .xls. The table generated in Excel, whose columns are identical to the columns in the table on the front panel, can be further manipulated.
Pairs of fields above the table on the front panel “max force [N]” and “elapsed time” are used to read the highest force values as well as the time that has passed from the beginning of the measurement to the appearance of the highest values.
The current measured values are also on the front panel, directly below the created diagrams. These values serve as a control element to check whether the measured quantities are within the permitted limits. If it happens that one of these three values goes out of the measurement range, it is necessary to stop the measurement and enter a smaller gain value on the amplifier. Also, if we notice that the voltage values for the forces are small (of the order of 1 V), it is advisable to enter a higher value of amplification for that measured value, for which small voltage values were obtained.
The “Error Code” function field is used to check whether an error occurred during the measurement. Such a signal can be manifested due to a bad connection of the function and control buttons on the block diagram, Figure 4. If, after the end of the measurement, there is a value of zero in this function field, it means that the measurement was performed successfully. However, if a value other than zero is displayed, an error occurred during the measurement. We can find out which errors have occurred by clicking on Window»Show Error List or by pressing the Ctrl + L key combination.
When one measurement is finished, before proceeding to the next measurement, it is necessary to clear the diagram and empty the table. This is done on the Data Operations»Clear Chart option. To empty the table, right-click in the table field and select the Data Operations»Empty Table option.

2.1.2. Functional Connection of Block Diagram VI for Measuring Forces during Face Milling

A block diagram, constructed in the LabVIEW graphical environment, passes commands to the virtual instrument. The block diagram represents a graphical method of solving the set task of creating a program. The block diagram is essentially the source code for the VI.

2.2. Development of a Measurement Acquisition System for Measuring Cutting Forces and Temperatures during Milling Using Virtual Instrumentation

This section describes the software tool Labview 8.0 and the flexible hardware for measuring and acquiring the signal USB-NI 6009 (USA), which, together with the PC, form the basic components of the virtual instrumentation. A virtual instrument was developed that is used for data acquisition during face milling and is called INSTRUMENT FOR MEASURING CUTTING FORCES AND TEMPERATURE. The virtual instrument works with four channels, three for measuring cutting forces and one for measuring cutting temperature. The “KISTLER” 9257A dynamometer is used as a sensor for measuring cutting forces, while a Ni-CrNi (nickel-chrome nickel) thermocouple is used to measure the cutting temperature. The signal from the sensor cannot be directly transferred to the acquisition card, so amplifiers and converters or signal conditioners are used (for force amplifier, “KISTLER”-5001; for temperature, digital multi-thermometer “TR 2112” (Japan)). After proper installation of hardware components for acquisition and digital conversion of signals, and computer programs (software), it is possible to collect, process and display signals on the computer.
Figure 5 schematically shows the measurement acquisition system for measuring cutting forces and temperatures during milling using virtual instrumentation. The presented measurement chain, unlike the one previously presented in Figure 1, has been innovated in terms of the acquisition card, with another sensor installed as well as the new Labview software package. The components of the new measurement chain are shown in Table 2.
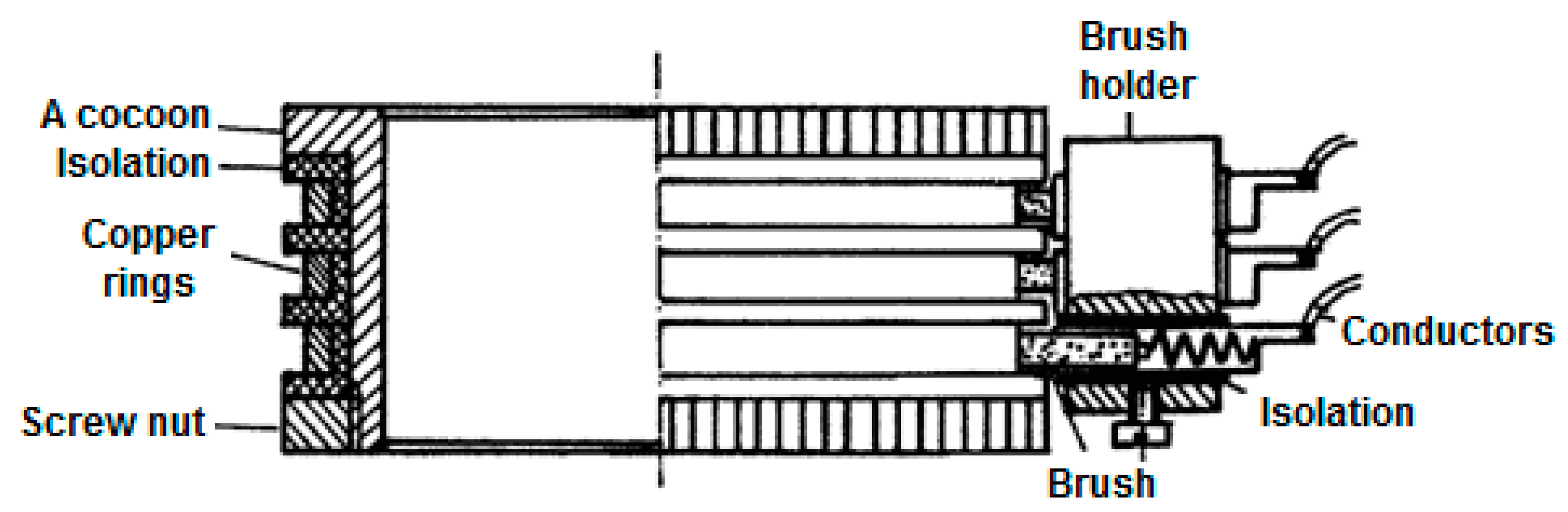
In milling, in contrast to machining on a lathe, there are problems of signal transmission from the tool to the measuring instrument. Due to the fact that the tool performs a cycloid motion during milling, it is not possible to directly lead the thermocouple wires to the measuring instrument. The thermocouple wires are connected to copper rings, which, together with graphite brushes, provide sliding contact. The copper rings are placed on the spindle of the milling machine and are isolated from each other and from the machine by pertinax and plexiglass and rotate together with the spindle. Graphite brushes are placed in the support of the special construction in Figure 6; they are stationary in relation to the tool and are isolated from the support. Contact with the copper rings is ensured by springs. Two brushes are placed on each ring, in order to ensure the best possible contact and reduce voltage loss due to the eccentricity of the rotating rings. The thermal voltage that occurs during temperature measurement is 10 to 50 mV, so even small losses mean large measurement errors [40,41].
The signal from the graphic brushes to the measuring instrument is transmitted using copper conductors. Given that the thermocouple wires were not directly led to the instrument, which has a “cold” connection regulation, they were interrupted by the contacts of the sliding connection, which is only possible in milling. One can object to such a connection scheme, but since there is no information in the literature about a similar connection and measurement as well as a possible error, testing of the signal conduction via the sliding joint and copper conductors was performed. First, the ambient temperature was measured, when the signal was conducted from the thermocouple through the sliding contact and the copper conductor to the measuring instrument and when the thermocouple was directly connected to the measuring instrument. In a range of ambient temperature measurement from 15 °C to 35 °C, there was no difference in the measured values in both ways.
The thermocouple was prepared from Ni and CrNi wires with a diameter of 0.1 mm, which were previously welded in the form of a ball. In the high-temperature zone, the wires were insulated using a ceramic tube with a diameter of 0.9 mm, Figure 7 and Figure 8. The length of the tube was about 10 mm, and the further insulation was made of PVC.
The temperature was measured under the face surface, according to previous research by P. Kovač, where measurements were made on the back and face surface of the tool, as well as on the support surface of the tile [40]. In his works, Kovač proves that there is a proportional correlation between these three measurements, and, accordingly, in this research, the choice was made to measure the temperature 0.5 mm below the face surface. This was also carried out so that the thermocouple would not be damaged during each subsequent measurement. With this design, the thermocouple would be largely protected from possible damage.
The exact ratio of the measured temperature under the surface of the workpiece and on the chest surface itself can be determined by additional measurements, such as the use of thermal cameras, that is, by making appropriate simulations based on the finite element method. Specifically, when measuring the temperatures at these two different points, it was determined that the difference is in the interval from 10 to 20 °C. This phenomenon was investigated in detail in the research of B. Savkovic [42].
Digital multi-thermometer TR 2112 can measure temperature, direct current and alternating current, voltage and resistance. The temperature measurement range is from −100 °C to 1600 °C.
When measuring the temperature on the device, five different types of thermocouples can be selected: CC, IC, CRC, CA and PR. The temperature measurement range and the material of the thermocouple type are given in Table 3. The TR2112 device has an analog output that is directly connected to the acquisition card NI 6009, through which the temperature values are digitized on a PC. In this case, the multi-thermometer serves as hardware to adjust the signal.
The Universal Serial Bus (USB) acquisition module was initially designed to connect peripheral devices such as keyboards and mice to a PC. However, USB has proven useful for many applications, including measurement and automation. Modern USB systems increase data transfer speeds up to 480 Mb/s, which makes them competitive with other types of portable devices.
The USB measurement device (NI USB-6009 (USA)) provides basic digital data acquisition functionality for easy applications in data acquisition, portable measurements and laboratory experiments. The NI USB-6009 is a cost-effective multi-function module designed for data acquisition, test, measurement and process control and is powerful enough for more sophisticated measurement applications. The system is accompanied by diagnostic software (LabView 9) and software drivers (DAQ 9.5) that facilitate the development of applications in a Windows environment.
The NI USB-6009 is specially designed for mobile measurement and acquisition tasks. The speed of installation minimizes the time required to configure the device, and special connectors provide an easy and simple way to connect measurement signals to the device. Since the device is powered via the USB, no additional external power supply is required. The built-in NI-DAQmx drivers and DAQ Assistant measurement software allow for a very easy and fast way to realize the measurement acquisition task. It has 8 analog inputs, a sampling rate of 48 kS/s, 2 analog outputs, 12 digital inputs–outputs, digital triggering signal and 2 counter-timers. This device also supports the latest NI signal streaming technology, which enables very fast data transfer to the hard disk of a PC.
The DAQ driver is a layer of software to easily communicate with the hardware. It creates a middle layer between application software and hardware. The productivity of virtual instrumentation (DAQ) software has greatly improved since it includes the general knowledge of hardware integration and control. This software is mainly designed for creating test, measurement and control systems. The LabView environment becomes very powerful when it has an integrated DAQ module. DAQ driver version 9.5 was used to create the presented virtual instrument.

2.2.1. Virtual Instrument

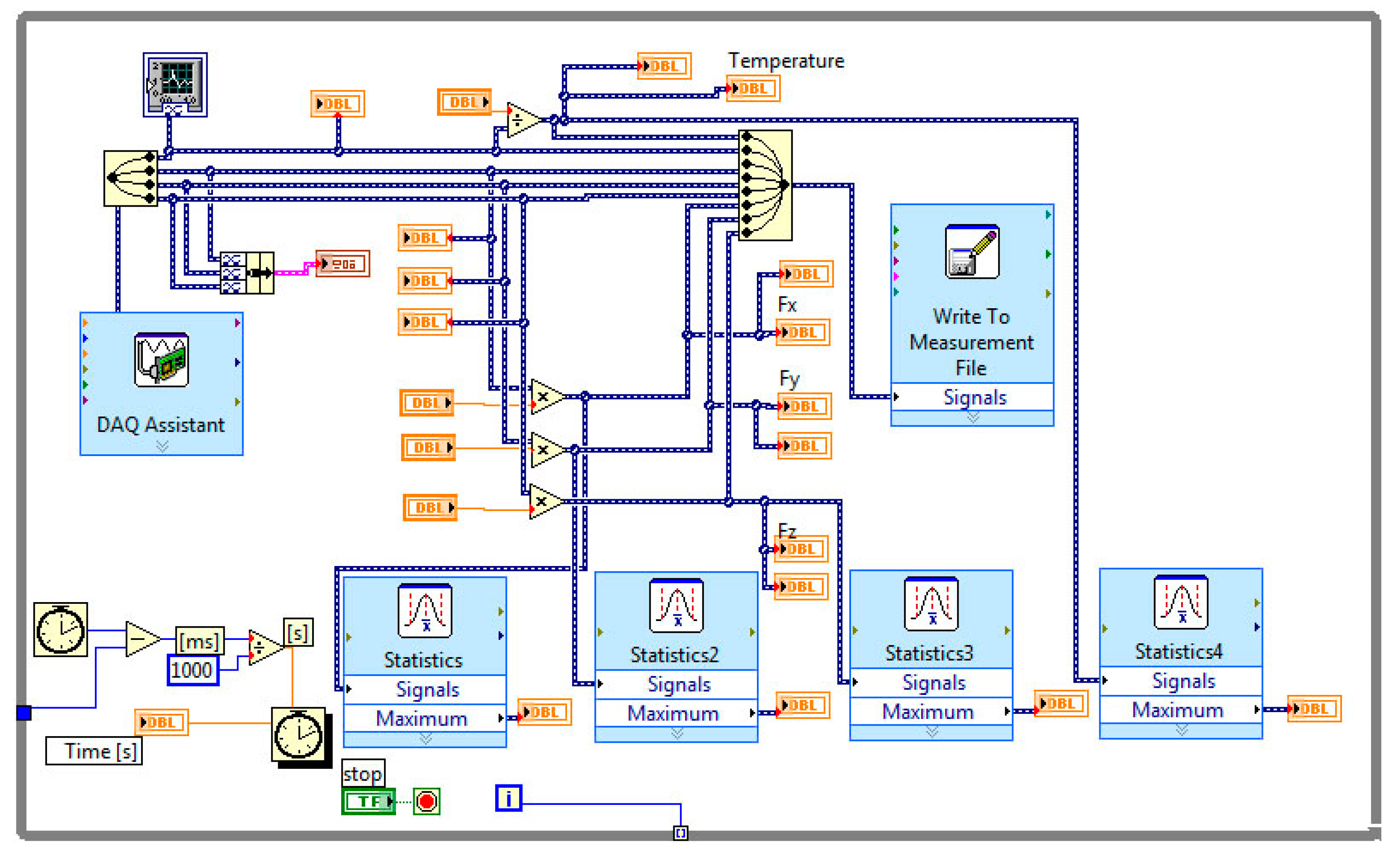
Apart from the simple reading of voltage values for forces from the dynamometer and temperature from the thermocouple, the virtual instrument is designed to display both the change in the force value and the change in the temperature value on the diagram, displaying the maximum and current values in certain time interval.
The virtual instrument illustrated here has a simple function:
  • Signal generation.
  • Display the generated signal on the panel graph.
  • Recording the signal on the hard disk.
The front panel represents the user interface of this virtual instrument. In general, the front panel is created first, followed by the block diagram. By selecting control and indicator objects from the tool palette and placing them on the front panel, its construction is carried out, Figure 9.

2.2.2. Block Diagram

After building the front panel, the code is added to the block diagram window to manage the placed objects. The code is a graphical presentation of the functions with which this management is performed. The block diagram is a window that opens simultaneously with the opening of the front panel and contains the source code of the program in graphic form. The graphic form emphasizes the flow of data, and, therefore, the problem is placed on the level of a clear physical understanding. Problem solving itself takes on a more natural form, and information and its flow are given priority by this performance. Figure 10 shows the layout of the block diagram used in the experimental measurement.
Front panel objects are represented by corresponding terminals on the block diagram. By double-clicking the mouse on the block diagram terminal, the corresponding object on the front panel is marked separately. Terminals are input and output points where information is exchanged between the front panel and the block diagram. The data entered into the control objects on the front panel are entered into the block diagram through the corresponding control terminals. During program execution, the output data stream goes through the indicator terminals where they leave the block diagram and return to the front panel. There, the data are displayed on the front panel indicator objects.
Graphical connection represents the most effective technique for the implementation of the PC-based measurement acquisition system program. Modern programming tools based on the concept of graphic programming provide the possibility for the high-quality development of programs for data acquisition, management, analysis and presentation. The basis of the virtual instrument program is represented by a block diagram. Given that the program is created using graphic symbols, the programmer is freed from the difficulties associated with finding out in detail how these symbols work, which is not the case with classic software packages. Writing user interface control code generally means creating a block diagram with already defined structures found in the LabVIEW libraries, where the structures are adapted to the needs by setting changeable parameters (configuration).
The realization of a graphic program, which is called a block diagram in the LabVIEW software package, takes place in three steps: selection of functions, connection of functions and configuration of function parameters. Functions are selected via palettes and menus. In the case of complex functions, the designer is left with the possibility of implementation using several functional blocks. Connecting the output and input of the selected functions is necessary in order for the measurement acquisition system to function, process and display data, i.e., to ensure a certain flow of information. After the selection of functions and their connection, the parameters of individual function blocks are assigned in accordance with the requirements set in the specific application.
On the desktop of the Block Diagram editor, after all actions, there are blocks that can be connected or disconnected, but they all contain information (attributes) of the controls to which they are associated. By changing the corresponding attributes, the behavior of the control is affected. Connecting the blocks is achieved by “wiring” them, positioning the cursor at the corresponding outputs (ports) on both blocks and establishing a connection.
The program code of the virtual instrument is written or projected in the block diagram window. The terminals located in the block diagram represent the controls located on the front panel. Connecting controls (wiring) and adding structures and functions form the LabVIEW programming code.
When performing mathematical calculations and making laboratory measurements, a complicated virtual instrument architecture is not needed. Accordingly, the displayed virtual instrument measures, calculates, displays the results and saves them to the hard disk. Simple VI architectures usually do not require a specific start or stop action by the user. The user only needs to click the mouse on the Run button.

3. Example of Measurement Using VI

Before the beginning of the experimental tests, laboratory testing of the measurement acquisition system was performed. The correctness of the system was checked by weighing, a force of known value, which is produced by a weight of known mass (m = 6.535 kg) placed on a sensor (three-component dynamometer), which is attached to the work table of the machine tool (vertical milling machine). The actual value of the force Fi produced by the weight can be calculated from the following simple equation:
F i = m · g
The value of the known force produced by the weight is: Fi = 64.108 N. The obtained value, by loading the sensor with a weight, of the force Fz measured by the measurement acquisition system for measuring forces during milling using virtual instrumentation was Fie = 63.87 N. The measurement error is gmer = 0.37%, which can be considered satisfactory. According to the same principle, the system for measuring the temperature by cutting was tested, with the tested values obtained by means of thermocouples, and their calibration with the values of the measured temperature in the thermal furnace.
Experimental tests were performed on aluminum alloy 7075 (Al-Zn-Mg-Cu), the width and length of all workpieces were 100 mm, and the thickness was 15 mm. The chemical composition of alloy 7075 is given in Table 4. Aluminum alloy 7075 belongs to aluminum alloys for crushing (plastic deformation), Figure 11.
During the tests, the head for face milling “JUGOALAT” G.037 ϕ100 mm (Serbia) was used, with mechanically attached cutting plates (Figure 12), with the following characteristics: number of teeth z =1, attack angle κ = 75°, chest angle γ = 0°. As a cutting tool, rotating plates made of hard metal, quality K20 (with the following characteristics: l = IC = 12.7 mm; s = 3.18 mm; bs = 1.4 mm; bε = 1.4 mm) were used.
Table 5 shows the results of measurements obtained through the originally created measurement chain. In this case, three interrogation channels were used, which collected data from the measuring sensor for cutting forces. The first column shows the time frame of data sampling. The number of samples in one second was 200, which is a very small number of samples to create a change diagram. A graph of the change of cutting forces is shown in Figure 13. The insufficient number of samplings in the combined type of milling does not give a clear insight into the variations that occur in this type of milling. According to theoretical research, components Fx and Fy should increase in direction; that is, they should be present in negative and positive magnitudes.
This shortcoming has been improved by the development of a new innovative acquisition system. Table 6 shows one experimental record of measured values, where four channels were used, which detected changes every 5000 samples per second. The first four channels marked with 1, 2, 3 and 4 show the changes in electrical quantities in the form of records in Volts. The first channel is the signal obtained directly from the temperature sensor, while channels 2, 3 and 4 are the detected changes obtained from the three-component piezo electric dynamometer. The last four columns in Table 6 are the values after calibration and represent the actual values in degrees Celsius or Newtons. (1′, 2′, 3′, 4′). Such calibration is performed in the acquisition module itself.
Column 1 shows the temperature change value in Volts obtained by the installed thermocouple, while column 1′ shows the actual temperature value in [°C]. Columns 2, 3 and 4 represent the records of the change in cutting resistance in three orthogonal directions, x, y and z, shown in electrical quantities. The generated display of values is in Volts obtained from the piezoelectric sensor. The last three columns represent the actual force change values, Fx, Fy and Fz, in N.
Figure 14 shows the graphic appearance for several revolutions of the tool (four revolutions), where it is noticeable that the tool exits and re-enters the grip. This type of change in cutting forces is only possible if one cutting insert is used. Otherwise, if several cutting inserts were used at the same time, it would not be possible to determine the intensity of the increase or decrease in the cutting forces.
Records obtained in this way are suitable for further processing and presentation in the form of graphic diagrams. One example of the processed data extracted from one segment (several rows from the previous table) of the presented data is shown in Figure 15. The figure shows a record for one revolution of the cutting tool and the changes occurring in three orthogonal directions. Here, the moment of entry of the cutting edge into the grip must be taken into account, and the data from the previous table should be extracted accordingly. It is also desirable to define the zero time on the diagram when the teeth enter the engagement.
After the source record is obtained in this way, with the help of a sophisticated measurement acquisition system, it is possible to further translate orthogonal forces into components of the resulting cutting force: Fc—main cutting force (2), Fp—force component propagating (3), Fr—radial cutting force (4) and Fa—axial force (5), Figure 16. This translation, i.e., decomposition of the measured cutting forces, is carried out by means of the developed Equations (2)–(6), which are described in detail in an article [43].
The equations are presented below:
F c = F x sin φ + F y cos φ
F p = F c cos φ + F r sin φ = F y
F r = F x cos φ + F y sin φ
F a = F z
φ = ω · t
where: ω—cutting angular speed.
The importance of translating the orthogonal components into the resulting cutting forces is great. This is primarily reflected in the selection of appropriate processing mode parameters so that the stability of the processing process is not compromised. If the resulting components are known, i.e., their change during the machining process, unwanted effects, such as self-excited vibrations, then tool wear, insufficient quality of the machined surface, etc., can be avoided. This developed measurement and acquisition system allows for a detailed insight into the changes to which the tool is loaded in the form of cutting forces, i.e., temperature.
Also, this analysis of cutting forces during face milling is very important due to the fact that the cross-sectional thickness of the cutting layer and the corresponding cutting forces change cyclically during cutting. Accurate knowledge of the characteristics and values of cutting forces during face milling is necessary for studying the dynamics of the cutting process in interaction with the dynamics of the machine tool structure.

4. Discussion of the Results

If we look at the presented mesh chains and the displayed measurement acquisition systems, we can summarize the advantages of the innovative data collection system. The first acquisition system did not provide a sufficient number of samples; that is, it was not possible to adequately monitor the sequence of changes in cutting forces. These changes are very important in terms of the load on the tool itself and its stability, that is, an adequate selection of tools intended for variable loads that are certainly present in this combined face milling.
On the other hand, the innovative measuring chain with a new acquisition card and a newly created virtual instrument enables very accurate detection of the change in cutting force. In addition, the new system was created in such a way that it uses another channel that enables the monitoring of current temperatures in the cutting zone, which also affects stability, that is, the choice of an adequate tool for processing.
Also, in the second measurement interaction, it is possible to convert orthogonal cutting forces into resulting cutting forces. These data are very important in comparing the machinability of the material with the literature data.
The analysis of cutting forces also depends on the width of the workpiece, that is, the cross-section of the cutting layer. Accordingly, when it is possible to collect a larger number of samples, this width of the processed piece does not represent any limitation, which is not the case in the first measuring chain.
It can also be added that the new acquisition card contributed to better mobility of the measuring chain itself, because it is not tied to only one PC in which it is installed.

5. Conclusions

Based on the developed system, conducted theoretical and experimental tests, performed analyses and everything previously presented, the following conclusions can be drawn:
  • The developed virtual instrument represents an inexpensive variant of detection for the components of cutting forces and temperature in view of today’s present measuring chains or sensors.
  • The core of the virtual instrument is a developed block diagram that can be used as a basis for the development of new measuring systems.
  • The LabVIEW software package used can be used on different platforms, because according to the manufacturer, the virtual instrument does not depend on the operating system. Also, it should be noted that the hardware requirements of the program itself are extremely small, and, on the other hand, the number of data collected in the developed measurement acquisition system ranges from several tens of thousands to hundreds of thousands of samples per second. This amount of collected data allows the user to analyze the cutting forces in face milling, which is very complex due to the influence of a large number of different phenomena, as well as the fact that the cross-sectional thickness of the cutting layer and the corresponding cutting forces change cyclically during cutting.
  • It should also be pointed out that the developed system enables the monitoring of changes in the observed quantities, which enables quick detection of the error, i.e., its elimination.
  • In the continuation of the research, innovation is expected in the form of installing modern sensors with wireless signal transmission.

Author Contributions

Conceptualization, B.S. and D.R.; methodology, P.K.; software, D.R. and S.K.; validation, M.S., P.K. and S.K.; formal analysis, M.S. and B.Š.; investigation, B.S. and S.K.; resources, B.S., M.S. and P.K.; writing—original draft preparation, B.S. and D.R.; writing—review and editing, M.S., B.S., B.Š. and D.R.; visualization, P.K. and S.K.; supervision, M.S., B.Š. and D.R. All authors have read and agreed to the published version of the manuscript.

Funding

This research has been supported by the Ministry of Science, Technological Development and Innovation (Contract No. 451-03-65/2024-03/200156) and the Faculty of Technical Sciences, University of Novi Sad through the project “Scientific and Artistic Research Work of Researchers in Teaching and Associate Positions at the Faculty of Technical Sciences, University of Novi Sad” (No. 01-3394/1).

Data Availability Statement

Data are contained within the article.

Conflicts of Interest

The authors declare no conflicts of interest.

References

  1. Ferreira, J.J.; Lopes, J.M.; Gomes, S.; Rammal, H.G. Industry 4.0 implementation: Environmental and social sustainability in manufacturing multinational enterprises. J. Clean. Prod. 2023, 404, 136841. [Google Scholar] [CrossRef]
  2. Ghobakhloo, M. Industry 4.0, digitization, and opportunities for sustainability. J. Clean. Prod. 2020, 252, 119869. [Google Scholar] [CrossRef]
  3. Hajoary, P.K. Industry 4.0 Maturity and Readiness—A case of a Steel Manufacturing Organization. Procedia Comput. Sci. 2023, 217, 614–619. [Google Scholar] [CrossRef]
  4. Bilbao-Ubillos, J.; Camino-Beldarrain, V.; Intxaurburu-Clemente, G.; Velasco-Balmaseda, E. Industry 4.0 and potential for reshoring: A typology of technology profiles of manufacturing firms. Comput. Ind. 2023, 148, 103904. [Google Scholar] [CrossRef]
  5. Oluyisola, O.E.; Bhalla, S.; Sgarbossa, F.; Strandhagen, J.O. Designing and developing smart production planning and control systems in the industry 4.0 era: A methodology and case study. J. Intell. Manuf. 2022, 33, 311–332. [Google Scholar] [CrossRef]
  6. Fragapane, G.; Ivanov, D.; Peron, M.; Sgarbossa, F.; Strandhagen, J.O. Increasing flexibility and productivity in Industry 4.0 production networks with autonomous mobile robots and smart intralogistics. Ann. Oper. Res. 2022, 308, 125–143. [Google Scholar] [CrossRef]
  7. Boyes, H.; Hallaq, B.; Cunningham, J.; Watson, T. The industrial internet of things (IIoT): An analysis framework. Comput. Ind. 2018, 101, 1–12. [Google Scholar] [CrossRef]
  8. Kang, H.S.; Lee, J.Y.; Choi, S.; Kim, H.; Park, J.H.; Son, J.Y.; Kim, B.H.; Noh, S.D. Smart manufacturing: Past research, present findings, and future directions. Int. J. Precis. Eng. Manuf.-Green Technol. 2016, 3, 111–128. [Google Scholar] [CrossRef]
  9. Chroneos-Krasavac, B.; Soldic-Aleksic, J.; Petkovic, G. The big data phenomenon: The business and public impact. Industrija 2016, 44, 117–144. [Google Scholar] [CrossRef]
  10. Yang, L.; Zou, H.; Shang, C.; Ye, X.; Rani, P. Adoption of information and digital technologies for sustainable smart manufacturing systems for industry 4.0 in small, medium, and micro enterprises (SMMEs). Technol. Forecast. Soc. Chang. 2023, 188, 122308. [Google Scholar] [CrossRef]
  11. Hao, J.; Gao, X.; Liu, Y.; Han, Z. Acquisition Method of User Requirements for Complex Products Based on Data Mining. Sustainability 2023, 15, 7566. [Google Scholar] [CrossRef]
  12. Popović, A.; Marković, M.; Panić, B.; Nikolić, M. Sakupljanje i obrada podataka (Data acquisition and processing). Integritet I Vek Konstr. 2006, 6, 53–64. [Google Scholar]
  13. Dong, J.; Hu, J.; Luo, Z. Quality Monitoring of Resistance Spot Welding Based on a Digital Twin. Metals 2023, 13, 697. [Google Scholar] [CrossRef]
  14. Naeem, M.; Imran, T.; Hussain, M.; Bhatti, A.S. Design simulation and data analysis of an optical spectrometer. Optics 2022, 3, 304–312. [Google Scholar] [CrossRef]
  15. Wang, J.; Xie, J.; Zhao, R.; Zhang, L.; Duan, L. Multisensory fusion based virtual tool wear sensing for ubiquitous manufacturing. Robot. Comput.-Integr. Manuf. 2017, 45, 47–58. [Google Scholar] [CrossRef]
  16. Ramachandiran, G.; Kandhasamy, J.; Saminathan, A. Virtual instrumentation in electrical engineering applications. J. Inst. Eng. (India) Ser. B 2020, 101, 193–199. [Google Scholar] [CrossRef]
  17. Bolic, M.; Drndarevic, V.; Samardzic, B. Distributed measurement and control system based on microcontrollers with automatic program generation. Sens. Actuators A Phys. 2001, 90, 215–221. [Google Scholar] [CrossRef]
  18. Chen, J.C. A fuzzy-nets tool-breakage detection system for end-milling operations. Int. J. Adv. Manuf. Technol. 1996, 12, 153–164. [Google Scholar] [CrossRef]
  19. Yaldız, S.; Ünsaçar, F. A dynamometer design for measurement the cutting forces on turning. Measurement 2006, 39, 80–89. [Google Scholar] [CrossRef]
  20. Milfelner, M.; Cus, F.; Balic, J. An overview of data acquisition system for cutting force measuring and optimization in milling. J. Mater. Process. Technol. 2005, 164, 1281–1288. [Google Scholar] [CrossRef]
  21. Altintas, Y.; Yellowley, I. In-process detection of tool failure in milling using cutting force models. J. Eng. Ind. 1989, 111, 149–157. [Google Scholar] [CrossRef]
  22. Tomizuka, M. On-line monitoring of tool and cutting conditions in milling. J. Eng. Ind. 1989, 111, 207. [Google Scholar]
  23. D’Antona, G.; Ferrero, A. Digital Signal Processing for Measurement Systems: Theory and Applications; Springer Science & Business Media: Berlin/Heidelberg, Germany, 2005. [Google Scholar]
  24. Ber, A.; Rotberg, J.; Zombach, S. A method for cutting force evaluation of end mills. CIRP Ann. 1988, 37, 37–40. [Google Scholar] [CrossRef]
  25. Moriwaki, T.; Shibasaka, T.; Tangjitsitcharoen, S. Development of in-process tool wear monitoring system for CNC turning. JSME Int. J. Ser. C Mech. Syst. Mach. Elem. Manuf. 2004, 47, 933–938. [Google Scholar] [CrossRef]
  26. Lee, K.; Hayasaka, T.; Shamoto, E. Novel real-time monitoring method of depths of cut and runout for milling process utilizing FFT analysis of cutting torque. Precis. Eng. 2023, 81, 36–49. [Google Scholar] [CrossRef]
  27. Caggiano, A. Tool wear prediction in Ti-6Al-4V machining through multiple sensor monitoring and PCA features pattern recognition. Sensors 2018, 18, 823. [Google Scholar] [CrossRef] [PubMed]
  28. Mohamed, A.; Hassan, M.; M’Saoubi, R.; Attia, H. Tool condition monitoring for high-performance machining systems—A review. Sensors 2022, 22, 2206. [Google Scholar] [CrossRef] [PubMed]
  29. Cheng, M.; Jiao, L.; Yan, P.; Li, S.; Dai, Z.; Qiu, T.; Wang, X. Prediction and evaluation of surface roughness with hybrid kernel extreme learning machine and monitored tool wear. J. Manuf. Process. 2022, 84, 1541–1556. [Google Scholar] [CrossRef]
  30. da Silva, L.; França, P.; Andrade, C.; Da Silva, R.; Guesser, W.; Machado, A. Monitoring tool wear and surface roughness in the face milling process of high-strength compacted graphite cast irons. J. Braz. Soc. Mech. Sci. Eng. 2021, 43, 180. [Google Scholar] [CrossRef]
  31. Gomes, T.E.; Cadete, M.S.; Ferreira, J.A.; Febra, R.; Silva, J.; Noversa, T.; Pontes, A.J.; Neto, V. Development of an Open-Source Injection Mold Monitoring System. Sensors 2023, 23, 3569. [Google Scholar] [CrossRef]
  32. Savkovic, B.; Kovac, P.; Dudic, B.; Gregus, M. Decoding of Factorial Experimental Design Models Implemented in Production Process. CMC-Comput. Mater. Contin. 2022, 71, 1661–1675. [Google Scholar]
  33. Dörr, M.; Ott, L.; Matthiesen, S.; Gwosch, T. Prediction of Tool Forces in Manual Grinding Using Consumer-Grade Sensors and Machine Learning. Sensors 2021, 21, 7147. [Google Scholar] [CrossRef]
  34. Savkovic, B.; Kovac, P.; Dudic, B.; Rodic, D.; Taric, M.; Gregus, M. Application of an adaptive “neuro-fuzzy” inference system in modeling cutting temperature during hard turning. Appl. Sci. 2019, 9, 3739. [Google Scholar] [CrossRef]
  35. Kumar, P.; Yadav, S. Measurement and analysis of cutting forces using dynamometer in turning of EN-8 steel. Mater. Today Proc. 2023, 1–7. [Google Scholar] [CrossRef]
  36. Boujnah, H.; Irino, N.; Imabeppu, Y.; Kawai, K.; Mori, M. Spindle-integrated, sensor-based measurement system for cutting forces. CIRP Ann. 2022, 71, 337–340. [Google Scholar] [CrossRef]
  37. Han, J.; Liu, Z.; Cao, K.; Xu, L.; Shi, T.; Liao, G. Cutting temperature measurement in turning using fiber-optic multi-spectral radiation thermometry and its application in tool wear status recognition. Measurement 2022, 198, 111413. [Google Scholar] [CrossRef]
  38. Han, J.; Cao, K.; Xiao, L.; Tan, X.; Li, T.; Xu, L.; Tang, Z.; Liao, G.; Shi, T. In situ measurement of cutting edge temperature in turning using a near-infrared fiber-optic two-color pyrometer. Measurement 2020, 156, 107595. [Google Scholar] [CrossRef]
  39. . Kovač, P.; Savkovic, B.; Rodić, D.; Mankova, I. Artificial inteligence approache to modeling of cutting force and tool wear relationships during dry machining. J. Product. Eng. 2018, 21, 13–18. [Google Scholar] [CrossRef]
  40. Kovač, P. Istraţivanje Podloga za Upravljanje Procesom Čeonog Glodanja. Ph.D. Thesis, Faculty of Technical Sciences, University of Novi Sad, Novi Sad, Serbia, 1987. [Google Scholar]
  41. Grzesik, W.; Nieslony, P. Physics based modelling of interface temperatures in machining with multilayer coated tools at moderate cutting speeds. Int. J. Mach. Tools Manuf. 2004, 44, 889–901. [Google Scholar] [CrossRef]
  42. Savković, B. Modeliranje Funkcija Obradivosti pri Procesu Obrade Glodanjem. Ph.D. Thesis, Faculty of Technical Sciences, University of Novi Sad, Novi Sad, Serbia, 2015. [Google Scholar]
  43. Savković, B.; Kovač, P.; Stoić, A.; Dudić, B. Optimization of machining parameters using the Taguchi and ANOVA analysis in the face milling of aluminum alloys Al7075. Teh. Vjesn. 2020, 27, 1221–1228. [Google Scholar]
Figure 1. Scheme of measurement of cutting forces in face milling.
Figure 1. Scheme of measurement of cutting forces in face milling.
Processes 12 01344 g001
Figure 2. ED428 acquisition card schematic and layout of elements.
Figure 2. ED428 acquisition card schematic and layout of elements.
Processes 12 01344 g002
Figure 3. Layout of the front panel of the virtual instrument VI_for_milling.
Figure 3. Layout of the front panel of the virtual instrument VI_for_milling.
Processes 12 01344 g003
Figure 4. Layout of the block diagram of the virtual instrument for measuring forces during milling.
Figure 4. Layout of the block diagram of the virtual instrument for measuring forces during milling.
Processes 12 01344 g004
Figure 5. Scheme of measurement of cutting forces and temperatures in face milling.
Figure 5. Scheme of measurement of cutting forces and temperatures in face milling.
Processes 12 01344 g005
Figure 6. Device for transferring thermal voltage to the measuring instrument.
Figure 6. Device for transferring thermal voltage to the measuring instrument.
Processes 12 01344 g006
Figure 7. A prepared cutting insert with a thermocouple placed in the body of the milling head (1—polygonal plate; 2—welded thermocouple tip; 3—ceramic tube; 4—screw that fastens the tile; 5—tool body; 6—thermocouple insulated with PVC; 7—glue).
Figure 7. A prepared cutting insert with a thermocouple placed in the body of the milling head (1—polygonal plate; 2—welded thermocouple tip; 3—ceramic tube; 4—screw that fastens the tile; 5—tool body; 6—thermocouple insulated with PVC; 7—glue).
Processes 12 01344 g007
Figure 8. Groove for housing the thermocouple.
Figure 8. Groove for housing the thermocouple.
Processes 12 01344 g008
Figure 9. User interface (front panel window).
Figure 9. User interface (front panel window).
Processes 12 01344 g009
Figure 10. Block diagram of the virtual instrument.
Figure 10. Block diagram of the virtual instrument.
Processes 12 01344 g010
Figure 11. General scheme of state diagram of alloys.
Figure 11. General scheme of state diagram of alloys.
Processes 12 01344 g011
Figure 12. Milling head with exchangeable cutting plates G.037 ϕ100 mm.
Figure 12. Milling head with exchangeable cutting plates G.037 ϕ100 mm.
Processes 12 01344 g012
Figure 13. Orthogonal record of cutting force components for one revolution of the tool (200 samples per second).
Figure 13. Orthogonal record of cutting force components for one revolution of the tool (200 samples per second).
Processes 12 01344 g013
Figure 14. Orthogonal record of cutting force components for several revolutions of the tool.
Figure 14. Orthogonal record of cutting force components for several revolutions of the tool.
Processes 12 01344 g014
Figure 15. Orthogonal record of cutting force components for one revolution of the tool (5000 samples per second).
Figure 15. Orthogonal record of cutting force components for one revolution of the tool (5000 samples per second).
Processes 12 01344 g015
Figure 16. Components of the resulting cutting forces.
Figure 16. Components of the resulting cutting forces.
Processes 12 01344 g016
Table 1. Components of the measuring chain in order to acquire data for cutting forces.
Table 1. Components of the measuring chain in order to acquire data for cutting forces.
NameLabel
Milling machine“Prvomajska” FSS-GVK-3 (Croatia)
Dynamometer“KISTLER” 9257A (Germany)
Amplifier“KISTLER” CA 5001 (Germany)
Connection panelED429-UP (Serbia)
A/D converterED428 (Serbia)
ComputerPC, DELL (China)
Table 2. Components of the innovative measuring chain in order to obtain data for cutting forces and temperatures in the contact zone.
Table 2. Components of the innovative measuring chain in order to obtain data for cutting forces and temperatures in the contact zone.
NameLabel
Milling machine“Prvomajska” FSS-GVK-3 (Croatia)
Dynamometer“KISTLER” 9257A (Germany)
AmplifierKISTLER” CA 5001 (Germany)
ThermocoupleTip “Ni-CrNi” (Serbia)
Digital multi-thermometer“TR 2112”(Japan)
Acquisition moduleNI-6009 (USA)
ComputerPC, DELL (China)
Table 3. Temperature range and thermocouple material.
Table 3. Temperature range and thermocouple material.
SymbolTemperature Range
[°C]
Material
+Direction−Direction
CC−100–200coppercopper–nickel
IC0–800ironcopper–nickel
CRC0–800nickel–chromiumcopper–nickel
CA0–1200nickel–chromiumnickel
PR0–1600platinum–rhodiumplatinum
Table 4. Chemical composition of the 7075 alloy.
Table 4. Chemical composition of the 7075 alloy.
Alloy DesignationBasic ElementZnMgCuCrFeSiMnTi
7075Al5.82.521.650.20.180.10.0250.025
Table 5. Tabular record obtained on the basis of the developed measurement acquisition system.
Table 5. Tabular record obtained on the basis of the developed measurement acquisition system.
Channels1231′2′3′
Samples200200200200200200
Date23 September 202323 September 202323 September 202323 September 202323 September 202323 September 2023
Time2:13.72:13.72:13.72:13.72:13.72:13.7
Y_Unit_LabelVoltsVoltsVoltsNewtonNewtonNewton
X_DimensionFxFyFzFxFyFz
Delta_X0.0050.0050.0050.0050.0050.005
End_of_Header
Time
[s]
Force Fx [V]Force Fy [V]Force Fz [V]Force Fx [N]Force Fy [N]Force Fz [N]
0−0.147870.008575−0.081423.906251.953136.5918
0.005−0.224270.041679−0.150191.464843.173835.12695
0.01−0.259920.12062−0.066146.34766−6.103520.73242
0.015−0.247190.1537240.200018−222.1686.591857.37305
0.02−0.272660.1804620.4458−457.52124.267699.60938
0.025−0.29430.2237520.566781−361.816163.3301127.1973
0.03−0.276480.2504910.461082−499.512115.9668108.8867
0.035−0.182250.2504910.188556−450.684131.8359119.1406
0.04−0.159330.223752−0.06741−10.2539−15.13676.5918
0.045−0.221720.281048−0.109440.97656−9.27734−4.88281
Table 6. Tabular record obtained on the basis of an innovative measurement acquisition system.
Table 6. Tabular record obtained on the basis of an innovative measurement acquisition system.
Channels12341′2′3′4′
Samples50005000500050005000500050005000
Date16 March 202316 March 202316 March 202316 March 202316 March 202316 March 202316 March 202316 March 2023
Time43:18.743:18.743:18.743:18.743:18.743:18.743:18.743:18.7
Y_Unit_LabelVoltsVoltsVoltsVoltsCelsiusNewtonNewtonNewton
X_DimensionQFxFyFzQFxFyFz
Delta_X0.00020.00020.00020.00020.00020.00020.00020.0002
End_of_Header
Time
[s]
Temp.
[V]
Force Fx [V]Force Fy [V]Force Fz [V]Temp. [°C]Force Fx [N]Force Fy [N]Force Fz [N]
00.330823−0.02054−0.1022−0.3870633.08235−2.05434−10.2197−38.7058
0.00020.3308230.015109−0.17477−0.2049533.082351.510883−17.4771−20.495
0.00040.3282770.091506−0.215520.07776332.82779.150635−21.55157.776331
0.00060.3270040.127159−0.163310.34010132.7003712.71585−16.331234.01011
0.00080.3308230.122065−0.107290.42924533.0823512.20654−10.72942.9245
0.0010.3346430.127159−0.100920.26623933.4643212.71585−10.092426.6239
---------
---------
3.2850490.672051−5.187561.657421.41492267.20512−518.756165.742141.4922
3.2852490.669505−4.962191.6052171.69508866.95048−496.219160.5217169.5088
3.2854490.649133−4.753371.7147161.958764.9133−475.337171.4716195.87
3.2856490.658046−4.545821.7159891.90139365.80456−454.582171.5989190.1393
---------
---------
6.2372720.952164−2.16349−1.991681.03924495.21636−216.349−199.168103.9244
6.2374720.973809−2.30356−1.964951.07490197.38087−230.356−196.495107.4901
6.2376720.973809−2.30992−2.005690.75016397.38087−230.992−200.56975.0163
6.2378720.977628−2.33794−1.525680.9208197.76284−233.793−152.56892.08099
6.2380720.91142−2.08328−1.498940.43561291.142−208.328−149.89443.56124
6.2382720.95853−1.52303−1.316870.17709595.85298−152.303−131.68717.70951
Disclaimer/Publisher’s Note: The statements, opinions and data contained in all publications are solely those of the individual author(s) and contributor(s) and not of MDPI and/or the editor(s). MDPI and/or the editor(s) disclaim responsibility for any injury to people or property resulting from any ideas, methods, instructions or products referred to in the content.

Share and Cite

MDPI and ACS Style

Savković, B.; Rodić, D.; Sekulić, M.; Kovač, P.; Štrbac, B.; Klančnik, S. Implementation of a Virtual Instrument in the System for Measuring Forces and Temperatures in the Milling Process. Processes 2024, 12, 1344. https://doi.org/10.3390/pr12071344

AMA Style

Savković B, Rodić D, Sekulić M, Kovač P, Štrbac B, Klančnik S. Implementation of a Virtual Instrument in the System for Measuring Forces and Temperatures in the Milling Process. Processes. 2024; 12(7):1344. https://doi.org/10.3390/pr12071344

Chicago/Turabian Style

Savković, Borislav, Dragan Rodić, Milenko Sekulić, Pavel Kovač, Branko Štrbac, and Simon Klančnik. 2024. "Implementation of a Virtual Instrument in the System for Measuring Forces and Temperatures in the Milling Process" Processes 12, no. 7: 1344. https://doi.org/10.3390/pr12071344

APA Style

Savković, B., Rodić, D., Sekulić, M., Kovač, P., Štrbac, B., & Klančnik, S. (2024). Implementation of a Virtual Instrument in the System for Measuring Forces and Temperatures in the Milling Process. Processes, 12(7), 1344. https://doi.org/10.3390/pr12071344

Note that from the first issue of 2016, this journal uses article numbers instead of page numbers. See further details here.

Article Metrics

Back to TopTop