Abstract
This paper presents the development and analysis of a planar microwave sensor designed for detecting adulteration in milk by evaluating the purity of milk in a water-based solution. The sensor comprises a pair of complementary split-ring resonators (CSRRs) fabricated on an FR4 substrate, measuring 30 mm × 50 mm × 1.6 mm, with a dielectric constant of 4.4 and a loss tangent of 0.022. The device’s performance was assessed using a vector network analyzer (VNA) by varying the ratio of full-cream milk to water in a 50 mL solution, starting from 60% and increasing in 10% increments up to 100%. Measurements focused on return loss (RL) at resonant frequency 1.5425 GHz, which exhibited minimal frequency shifts but significant variations in RL magnitude with changing milk concentration (M). To establish a mathematical relationship between RL and M, we segmented the data into two ranges—60% to 80% and 80% to 100% milk concentrations—and applied second-order polynomial regression for each segment. The quadratic equations derived from this regression allowed us to express M in terms of RL. Verification of this method was conducted using arbitrary samples of milk concentrations: 61%, 62%, 72%, 88%, 93%, and 95%. Discrepancies between different quadratic solutions for the same RL values were resolved by normalizing the return losses against pure water and comparing the resulting normalized values with those from known concentrations. This comparison allowed for the accurate selection of the appropriate quadratic equation based on the closest match. Our normalization approach revealed distinct patterns correlating RL magnitudes, enabling us to select the appropriate quadratic equation segment based on minimal discrepancies. The analysis confirmed that by excluding negative and complex solutions and solutions which are beyond the stipulated range of the curve segment, the accuracy of the sensor in determining milk concentration exceeded 83.5%. This study demonstrates the potential of the proposed microwave sensor in ensuring milk quality by effectively quantifying milk purity.
1. Introduction
Milk is a staple in many diets worldwide, renowned for its rich nutritional profile, including proteins, fats, vitamins, and minerals [1,2,3,4]. However, the integrity of milk products can be compromised when adulterated with water, diluting their nutritional value and potentially posing health risks. This practice does not only compromise the quality of the milk but also poses health risks to consumers.
Numerous studies have documented the prevalence of milk adulteration, particularly in developing countries. For instance, Singh [5] highlighted that the addition of water is one of the most common forms of milk adulteration, which can dilute the nutritional value and may introduce harmful pathogens if the water is not clean. Furthermore, a study conducted by Worku et al. [6] in Iran indicated that a significant proportion of raw cow milk samples were found to be adulterated with water, emphasizing the need for effective detection methods. According to Barham et al. [7], water adulteration in milk leads to altered physical properties, nutritional degradation, consumer health risks, economic impacts for both consumers and producers, and complicates regulatory efforts to ensure milk quality and safety. Ionescu et al. [8] discuss various methods of milk adulteration, including the addition of water and they highlight that milk adulteration can pose significant health risks to consumers. The study by Barham et al. [9] highlights the problem of widespread milk adulteration in Hyderabad, Pakistan, focusing on the detection of extraneous water and various adulterants in market milk. According to the researchers, milk sold in this region often contains significant levels of water and other harmful adulterants, which compromise the quality and safety of the milk consumed by the public. This issue poses serious health risks to consumers, ensuing in an imperative need for effective monitoring and regulation of milk quality in the market. The study conducted by Nawaz et al. [10] corroborates the finding of Barham et al. [9]. It also highlights that milk adulteration in Pakistan significantly alters the physicochemical properties of fresh milk, leading to decreased nutritional quality and safety.
Clearly, the adulteration of milk has become a pressing issue, causing significant concern for consumers, dairy farmers, and regulatory bodies, necessitating the development of reliable methods for detecting milk purity. The detection of such adulteration is crucial for ensuring food safety and maintaining consumer trust.
Recent advancements in sensor technology have provided promising solutions for detecting milk adulteration. For example, Ashoorirad, Baghbani, and Ghalamboran [11] developed a bioimpedance sensor to measure the electrical properties of milk, demonstrating that the impedance spectrum changes significantly with varying water content. Although effective, this method relies on direct electrical measurements that may be influenced by temperature variations and other dissolved constituents, potentially affecting measurement reliability. Titanium dioxide-based optical sensors developed by Gritsenko et al. [12] have also shown effectiveness in detecting various adulterants, including water. However, their performance may be affected by the complex composition of milk, which can interfere with optical signals. Lanjewar, Parab, and Kamat [13] proposed a machine learning-based approach for predicting water adulteration in milk. While promising, such data-driven methods depend on well-defined training datasets, which may not fully capture real-world variability, thereby limiting generalizability.
Recent optical and spectroscopic approaches have demonstrated significant progress in milk adulteration detection. Speckle-pattern imaging techniques have been employed to identify milk dilution levels through statistical analysis of light scattering behavior [14,15]. In particular, the study in [15] reported detection of water and glucose adulteration using refractive-index-sensitive speckle analysis. Near-infrared (NIR) photometric systems based on InGaAs sensors have also been developed for water adulteration detection [16], while more recent research integrates spectroscopy with artificial intelligence models to enhance predictive performance [17]. Although these techniques offer high sensitivity, they generally require optical alignment, spectral preprocessing, or trained computational models.
Planar microwave sensors have gained significant attention in recent years due to their versatility, reliability, and potential for diverse applications. These sensors are based on planar transmission lines, such as microstrip and coplanar waveguide (CPW) technologies, which allow for the development of compact resonators with good sensing capabilities [18,19]. Planar microwave sensors have been widely employed in healthcare monitoring, wearable systems, gas sensing, temperature and humidity sensing, and liquid characterization [19]. Many reported designs target aqueous organic and inorganic solutions, sugars, and mineral detection using resonant microwave structures [18,20]. Recent advancements have further improved liquid sensitivity through microfluidic integration and metamaterial-inspired resonators [21,22]. However, despite their demonstrated capability in general liquid analysis, their direct application to milk adulteration detection has received comparatively limited attention, particularly in terms of return-loss-magnitude-based concentration retrieval. Here, we propose the design and development of a novel planar microwave sensor specifically tailored for detecting the purity of milk in water-based solutions. By utilizing complementary split-ring resonators (CSRRs) and analyzing the variations in return loss (RL) across different milk concentrations, this sensor provides a sensitive and non-invasive means to quantify milk adulteration. The development and validation of this sensor represent a significant step forward in ensuring milk quality and consumer safety.
Compared to reported milk adulteration detection techniques, the proposed approach offers several distinguishing characteristics. Optical spectroscopy methods, including near-infrared photometry and speckle-pattern imaging systems [14,15], often require spectral preprocessing, temperature control, or regression-based classification models. AI-assisted spectroscopic approaches can achieve high predictive accuracy but depend on extensive calibration datasets and robust model generalization [17]. Bioimpedance-based techniques directly measure complex impedance and may be sensitive to electrode configuration and environmental conditions. In contrast, the present work introduces a planar CSRR-based microwave structure that operates without optical alignment, chemical reagents, or training datasets. Furthermore, while most microwave sensors reported in the literature utilize resonant frequency shift as the primary sensing metric, the present study demonstrates that return-loss magnitude variation at a nearly invariant resonant frequency can serve as a robust and quantifiable parameter.
These methodological distinctions enable deterministic concentration retrieval and support practical deployment for rapid screening in industrial or regulatory environments, providing an effective compromise between accuracy and operational simplicity.
2. Design of the Sensor
To realize the proposed sensor for the detection of milk purity in water-based solutions, we have employed complementary split-ring resonators (CSRRs) in our sensor design. The CSRR setup consists of two concentric ring-shaped gaps etched into a conductive surface, forming an LC resonant circuit. This resonance results from the interaction between the intrinsic inductance (L) of the conductive path surrounding the gaps and the capacitance (C) introduced by the gaps themselves. When exposed to resonating currents, the CSRR interacts with the electric field, leading to a material response characterized by an effective negative permittivity within a specific frequency range around the resonant frequency.
Based on the findings from Adhiyoga et al. [23], the sensitivity of the resonant band is directly correlated with the number of split-ring resonators (SRRs) present in the system. To enhance the sensitivity of our device while preserving a compact and manageable form factor, we have etched a pair of complementary split-ring resonators (CSRRs) with identical sizes onto the strip of a stripline. The design utilizes an FR4 substrate with a dielectric constant (εr) of 4.4, a loss tangent (tan δ) of 0.022, and dielectric (h) and copper (t) thicknesses of 1.6 mm and 0.035 mm, respectively. FR4 was selected due to its low cost, ease of fabrication, and availability, which are important for practical and rapid deployment. Although FR4 exhibits higher losses compared with specialized low-loss microwave substrates, the return-loss magnitude-based sensing approach is relatively insensitive to moderate substrate loss, enabling reliable milk concentration detection.
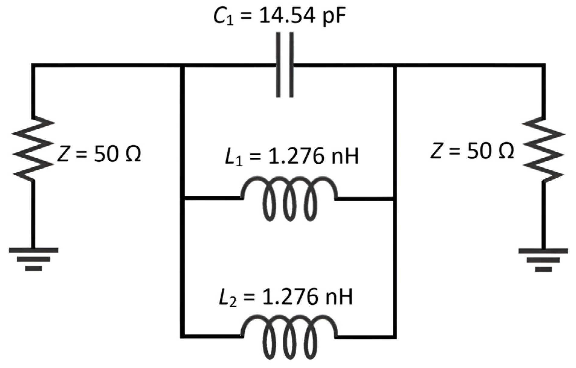
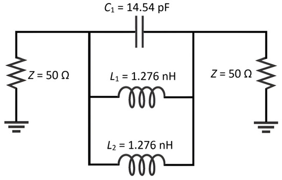
Figure 1 shows the optimized structure of the proposed sensor, while Figure 2 features its equivalent circuit model. The parameters of the CSRR are outlined in Figure 3 and Table 1. The sensor design achieves a compact physical size of W0 = 30 mm × L0 = 50 mm.
Figure 1.
View of the sensor with a pair of CSRR etched onto a stripline.
Figure 2.
The equivalent circuit of the CSRR-based sensor.
Figure 3.
The parameters of the CSRR.
Table 1.
The dimensions of the proposed planar sensor (in mm).
The performance of the proposed sensor design was evaluated using a Zeenko nanoVNA (model SAA-2, serial number 22060725; manufactured by Zhejiang Zhike Technology Co., Ltd., Hangzhou, Zhejiang, China). Simulations conducted with Ansoft HFSS v12.1 (Figure 4) revealed that during resonance, the peak electric field is concentrated at the center of the sensor where the CSRRs are positioned, and it diminishes rapidly to an insignificant magnitude beyond the circumference of the CSRRs. This indicates that the sensor achieves its highest sensitivity at the center. To measure milk concentration, a beaker containing a 50 mL water-based solution was therefore placed at the center of the sensor’s surface, as demonstrated in Figure 5. The return loss of a 0% milk solution was first recorded as the reference for subsequent comparisons. The milk concentrations selected for this study range from 60% to 100%, corresponding to water adulteration levels of 0% to 40%. This range is consistent with realistic adulteration scenarios, as higher water content (>40%) would visibly dilute the milk, making it unlikely to pass consumer scrutiny. This choice is supported by previous studies, e.g., Lanjewar, Parab, and Kamat [13], which investigated water adulteration in milk from 1% to 40%. In this case, full-cream milk was diluted with water and poured into the beaker. The ratio of full-cream milk to water in the 50 mL solution was varied from 60% to 100% milk, with 10% increments. It is interesting to observe from the return loss curves in Figure 6 that, other than the curve at milk concentration M = 80%, the resonant frequency fr = 1.2125 GHz remained remarkably stable, while the magnitude of the return losses varied with different milk concentrations. Since resonant frequency is directly influenced by the effective dielectric constant, this observation suggests that the variation in milk concentration has minimal impact on the electrical properties, particularly the dielectric constant, of the solution. However, it alters the input impedance of the sensor, leading to changes in the magnitude of the return loss.
Figure 4.
The electric field intensity of the CSRR.
Figure 5.
The experimental setup for measuring solutions with different milk concentrations.
Figure 6.
The return loss curves of solutions with different milk concentrations.
To correlate the measurement results with the milk concentration, the return loss magnitudes at the resonant frequency were plotted against milk concentration. As observed in Figure 7, the curves exhibit significant fluctuations, making direct mathematical correlation challenging. To address this, the data was segmented into two ranges: 60% to 80% and 80% to 100% milk concentrations. Second-order polynomial regression was applied to each segment, allowing milk concentration (M) to be expressed in terms of return loss (RL). A quadratic equation was then solved to determine the milk concentration. As shown in Figure 8 and Figure 9, the closed-form equations for the curves ranging from M = 60 to 80% and 80% to 100% are given, respectively, as
and
To identify the appropriate segment for a given sample, the return losses at 60%, 70%, 80%, 90%, and 100% milk concentrations were normalized against the return loss at 0% milk concentration (pure water solution). As shown in Figure 10, the normalized return losses for each milk concentration (M) are distinct, ranging from 0.79 to 0.97 for M = 60% to 80%, and from 0.79 to 1.01 for M = 80% to 100%. The normalized return losses of the samples were compared to these reference values. If the discrepancy between the normalized return loss of the samples and the reference values is less than 0.1, the corresponding M value (60%, 70%, 80%, 90%, or 100%) is inferred, guiding the choice of the appropriate segment.
Figure 7.
Plot of the return loss (RL) at milk concentration M = 60% to 100%.
Figure 8.
Plot of the return loss (RL) at milk concentration M = 60% to 80%. The solid line is obtained from measurement, while the dashed line is derived from second-order polynomial regression.
Figure 9.
Plot of the return loss (RL) at milk concentration M = 80% to 100%. The solid line is obtained from measurement, while the dashed line is derived from second-order polynomial regression.
Figure 10.
The normalized return loss (RL) at milk concentration M = 60% to 100%.
3. Results and Discussion
This method was verified using samples with milk concentrations of 61%, 62%, 72%, 88%, 93%, and 95%. Figure 11 illustrates the return loss curves of these samples. Once the appropriate segment is determined, the return loss (RL) values at the resonant frequency for these samples are substituted into (1) or (2) to calculate their milk concentration, M. Upon evaluating (1) and (2), each solution provides two roots. However, only one root is valid, as the invalid root will either fall outside the applicable curve segment range, result in complex numbers, or be negative and therefore excluded. Table 2 compares the computed results with the actual milk concentrations. The maximum observed prediction error among the validation samples was 16.1%, corresponding to a worst-case accuracy of 83.9%. This indicates that the proposed method maintains concentration discrimination performance above 83.5% even under the least favorable tested condition. Some validation samples exhibit errors exceeding 10%, which can be attributed to several practical factors. First, temperature variations can slightly modify the dielectric properties of milk, affecting the return loss measurement. Second, milk composition variability—including differences in fat, protein, and mineral content among different batches—can influence the sensor response. Third, measurement repeatability may introduce minor discrepancies, such as small differences in sample placement on the sensor or beaker geometry. Despite these sources of variation, the proposed sensor maintains a worst-case accuracy of 83.9% across the validation samples, with several samples exhibiting significantly lower errors. The results, therefore, demonstrate its suitability for rapid, low-cost, and on-site screening applications.
Figure 11.
Plot of the return loss (RL) at milk concentration M = 61%, 62%, 72%, 88%, 93%, and 95%.
Table 2.
Comparison between the computed and actual milk concentrations.
When compared with reported techniques for milk adulteration detection, the proposed microwave sensing approach offers a different trade-off between complexity and analytical capability. Machine-learning-based NIR systems can achieve high predictive accuracy but require extensive calibration datasets and model training, which may limit portability and generalizability. Optical and impedance-based sensors can provide high sensitivity; however, they may require precise probe configuration, electrode contact, or controlled environmental conditions.
The proposed approach demonstrates that even with a low-cost FR4 substrate and without optimization for high-Q performance, concentration discrimination exceeding 83.5% can be achieved through magnitude-based microwave sensing. Although this accuracy is moderate compared with advanced spectroscopic systems, it is sufficient for rapid, on-site screening applications, where deterministic, low-cost, and training-free detection is prioritized over absolute precision. Optical and machine-learning-based techniques may offer higher predictive accuracy but require expensive instrumentation, strict environmental control, and extensive training datasets, which can limit their portability and practical deployment.
4. Conclusions
In conclusion, we have developed a planar microwave sensor to effectively detect milk adulteration by accurately assessing milk purity in water-based solutions. Built using a pair of complementary split-ring resonators (CSRRs), the sensor exhibited stable resonant frequencies with return loss magnitudes that varied predictably with different milk concentrations. By employing a segmented approach and second-order polynomial regression, milk concentrations between 60% and 100% were reliably determined by substituting the return loss values into quadratic equations.
Overall, the sensor demonstrated a high level of accuracy, exceeding 83.5% in determining milk concentration, confirming its potential as a practical tool for detecting milk adulteration in real-world applications.
Author Contributions
Conceptualization, P.L.T.; Methodology, K.H.T.; Validation, H.K.L.; Formal analysis, N.E. and S.H.L.; Investigation, M.H.T.; Data curation, Y.J.T.; Writing—original draft, K.H.Y.; Writing—review & editing, K.H.T. and N.F.A.R.; Supervision, F.W.L.; Project administration, K.H.Y. and K.W.T. All authors have read and agreed to the published version of the manuscript.
Funding
This research received no external funding.
Data Availability Statement
The data presented in this study are available on request from the corresponding author.
Conflicts of Interest
The authors declare no conflict of interest.
Abbreviations
| εr | Relative Permittivity/Dielectric Constant |
| C | Capacitance |
| CPW | Coplanar Waveguide |
| CSRR | Complementary Split-Ring Resonator |
| FR4 | Flame Retardant 4 |
| fr | Resonant Frequency |
| h | Dielectric Thickness |
| L | Inductance |
| M | Milk Concentration |
| NIR | Near Infra-red |
| RL | Reflection Loss |
| SRR | Split-Ring Resonator |
| t | Copper Thickness |
| tan δ | Loss Tangent |
| VNA | Vector Network Analyzer |
References
- Lambrini, K.; Aikaterini, F.; Konstantinos, K.; Christos, I.; Ioanna, P.V.; Areti, T. Milk nutritional composition and its role in human health. J. Pharm. Pharmacol. 2021, 9, 8–13. [Google Scholar]
- Pereira, P.C. Milk nutritional composition and its role in human health. Nutrition 2014, 30, 619–627. [Google Scholar] [CrossRef] [PubMed]
- Antunes, I.C.; Bexiga, R.; Pinto, C.; Roseiro, L.C.; Quaresma, M.A.G. Cow’s Milk in Human Nutrition and the Emergence of Plant-Based Milk Alternatives. Foods 2022, 12, 99. [Google Scholar] [CrossRef] [PubMed]
- Ahmad, N.G.; Jagdale, Y.D.; Gaikwad, S.A.; Devkatte, A.N.; Dar, A.H.; Ansari, M.J. Nutritional Profile, Processing and Potential Products: A Comparative Review of Goat Milk. Dairy 2022, 3, 622–647. [Google Scholar] [CrossRef]
- Singh, M. Nanosensor platforms for detection of milk adulterants. Sens. Actuators Rep. 2023, 5, 100159. [Google Scholar]
- Worku, D.; Sharma, M.D.; Kumar, P.; Koteswararao, B. Detection of adulteration in milk using capacitor sensor with focus on electrical properties of milk. In Proceedings of the 7th Electronic Conference on Sensors and Applications, Basel, Switzerland, 15–30 November 2020. [Google Scholar]
- Barham, G.S.; Shah, A.H.; Khaskheli, A.A.; Khaskheli, G.B.; Magsi, A.S. Water adulteration influences the physical characteristics of milk. Pure Appl. Biol. 2020, 9, 2066–2081. [Google Scholar] [CrossRef]
- Ionescu, A.D.; Cîrîc, A.I.; Begea, M. A review of milk frauds and adulterations from a technological perspective. Appl. Sci. 2023, 13, 9821. [Google Scholar] [CrossRef]
- Barham, G.S.; Khaskheli, M.; Soomro, A.H.; Nizamani, Z.A. Detection and extent of extraneous water and adulteration in milk consumed at Hyderabad, Pakistan. J. Food Nutr. Sci. 2014, 2, 47–52. [Google Scholar] [CrossRef][Green Version]
- Nawaz, T.; Rehman, Z.U.; Ullah, R.; Ahmed, N.; Sayed, S.M. Physicochemical and adulteration study of fresh milk collected from different locations in Pakistan. Saudi J. Biol. Sci. 2022, 29, 103449. [Google Scholar] [CrossRef] [PubMed]
- Ashoorirad, M.; Baghbani, R.; Ghalamboran, M.R. Bioimpedance sensor to detect water content in milk based on the van der Pauw method. IET Nanobiotechnol. 2021, 15, 611–618. [Google Scholar] [CrossRef] [PubMed]
- Gritsenko, M.M.; Nazarova, E.A.; Krivoshapkin, P.V.; Krivoshapkina, E.F. Titanium dioxide-based optical sensors for detecting milk adulteration. J. Food Compos. Anal. 2023, 120, 105335. [Google Scholar] [CrossRef]
- Lanjewar, M.G.; Parab, J.S.; Kamat, R.K. Machine learning-based technique to predict water adulteration in milk using portable near-infrared spectroscopy. J. Food Compos. Anal. 2024, 131, 106270. [Google Scholar] [CrossRef]
- Bello, V.; Fiocchi, M.; Bassi, I.; Figus, E.; Merlo, S. Speckle Pattern Imaging for Recognition of Milk Dilutions. In Proceedings of the 2024 IEEE International Instrumentation and Measurement Technology Conference (I2MTC), Glasgow, UK, 20–23 May 2024; pp. 1–5. [Google Scholar] [CrossRef]
- Bassi, I.; Fiocchi, M.; Figus, E.; Merlo, S.; Bello, V. Detection of Water and Glucose Adulteration in Cow Milk by Innovative Speckle Pattern Imaging. IEEE Trans. Instrum. Meas. 2025, 74, 1–9. [Google Scholar] [CrossRef]
- Moreira, M.; França, J.A.; Toginho Filho, D.O.; Beloti, V.; Yamada, A.K.; França, M.B.M. A Low-Cost NIR Digital Photometer Based on InGaAs Sensors for the Detection of Milk Adulterations with Water. IEEE Sens. J. 2016, 16, 3653–3663. [Google Scholar] [CrossRef]
- Patil, V.; Bhosle, S. Milk Adulteration Detection Through Statistical Analysis, Spectroscopy, & AI Integration Footsteps. In Proceedings of the 2025 International Conference on Emerging Smart Computing and Informatics (ESCI), Pune, India, 5–7 March 2025; pp. 1–7. [Google Scholar] [CrossRef]
- Harnsoongnoen, S.; Wanthong, A.; Charoen-In, U.; Siritaratiwat, A. Planar microwave sensor for detection and discrimination of aqueous organic and inorganic solutions. Sens. Actuators B Chem. 2018, 271, 300–305. [Google Scholar] [CrossRef]
- Menon, S.K.; Donelli, M. Development of a microwave sensor for solid and liquid substances based on closed-loop resonator. Sensors 2021, 21, 8506. [Google Scholar]
- Yeap, K.H.; Lam, J.L.; Loh, S.H.; Dakulagi, V.; Mazlan, A.U. Microwave sensor for sodium chloride density measurement in aqueous solutions. J. Eng. Technol. Appl. Phys. 2024, 6, 52–56. [Google Scholar] [CrossRef]
- Yeap, K.H.; Tan, K.B.; Lee, F.W.; Lee, H.K.; Effendy, N.; Chin, W.C.; Toh, P.L. Enhanced Sensitivity Microfluidic Microwave Sensor for Liquid Characterization. Processes 2025, 13, 2183. [Google Scholar] [CrossRef]
- Yeap, K.H.; Nisar, H.; Tan, K.W.; Chong, Z.K.; Tshai, K.H.; Rahman, N.F.A.; Dakulagi, V. Sugar Level Detection Using a Metamaterial-Based Sensor. Processes 2025, 13, 2821. [Google Scholar] [CrossRef]
- Adhiyoga, Y.; Apriono, C.; Rahardjo, E. Bandwidth and gain improvement using artificial magneto-dielectric material with split-ring resonator array configuration. In Proceedings of the IEEE Conference on Antenna Measurements & Applications, Kuta, Bali, Indonesia, 23–25 October 2019; pp. 261–264. [Google Scholar]
Disclaimer/Publisher’s Note: The statements, opinions and data contained in all publications are solely those of the individual author(s) and contributor(s) and not of MDPI and/or the editor(s). MDPI and/or the editor(s) disclaim responsibility for any injury to people or property resulting from any ideas, methods, instructions or products referred to in the content. |
© 2026 by the authors. Licensee MDPI, Basel, Switzerland. This article is an open access article distributed under the terms and conditions of the Creative Commons Attribution (CC BY) license.










