Ultra-Uniform Copper Deposition in High Aspect Ratio Plated through Holes via Pulse-Reverse Plating
Abstract
:1. Introduction
2. Experimental
2.1. Plating through Hole (PTH)
2.2. Characterization Methods
3. Results and Discussion
3.1. Bath Solution Design
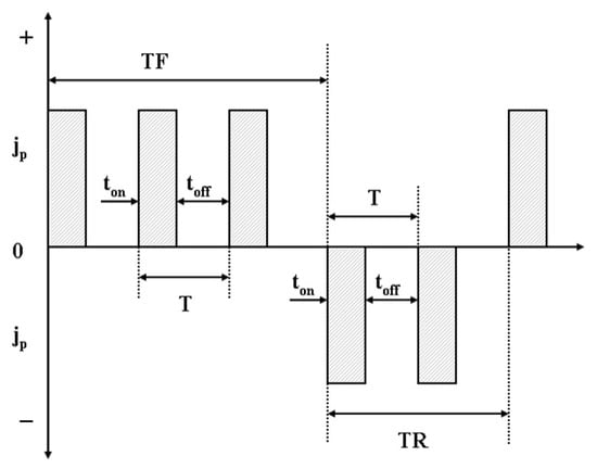
3.2. Effect of Reverse Pulse Parameters on Uniformity of Cu Electrodeposition
3.3. Copper Texture
3.4. Copper Surface Morphologies of PTH
4. Conclusions
Author Contributions
Funding
Institutional Review Board Statement
Informed Consent Statement
Data Availability Statement
Conflicts of Interest
References
- Shen, F.Y.; Dow, W.P.; Liu, A.H.; Lin, J.Y.; Chang, P.H.; Huang, S.M. Periodic pulse reverse Cu plating for through-hole filling. ECS Electrochem. Lett. 2013, 2, 23–25. [Google Scholar] [CrossRef]
- Salahouelhadj, A.; Martiny, M.; Mercier, S.; Bodin, L.; Manteigas, D.; Stephan, B. Reliability of thermally stressed rigid–flex printed circuit boards for high density interconnect applications. Microelectron. Reliab. 2014, 54, 204–213. [Google Scholar] [CrossRef]
- Li, J.; Zhou, G.; Wang, J.; Hong, Y.; He, W.; Wang, S.; Wang, C.; Chen, Y.; Yang, W.; Ma, C.; et al. Nickel-nanoparticles-assisted direct copper-electroplating on polythiophene conductive polymers for PCB dielectric holes. J. Taiwan Inst. Chem. E 2019, 100, 262–268. [Google Scholar] [CrossRef]
- Dow, W.-P.; Chen, H.-H.; Yen, M.-Y.; Chen, W.-H.; Hsu, K.-H.; Chuang, P.-Y.; Ishizuka, H.; Sakagawa, N.; Kimizuka, R. Through-Hole Filling by Copper Electroplating. J. Electrochem. Soc. 2008, 155, 750. [Google Scholar] [CrossRef]
- Sun, L.; Yuan, G.; Gao, L.; Yang, J.; Chhowalla, M.; Gharahcheshmeh, M.H.; Gleason, K.K.; Choi, Y.S.; Hong, B.H.; Liu, Z. Chemical vapour deposition. Nat. Rev. Methods Primers. 2021, 1, 5. [Google Scholar] [CrossRef]
- Chen, T.-C.; Tsai, Y.-L.; Hsu, C.-F.; Dow, W.-P.; Hashimoto, Y. Effects of brighteners in a copper plating bath on throwing power and thermal reliability of plated through holes. Electrochim. Acta 2016, 212, 572–582. [Google Scholar] [CrossRef]
- Lai, Z.; Wang, C.; Huang, Y.; Chen, Y.; Wang, S.; Hong, Y.; Zhou, G.; He, W.; Su, X.; Sun, Y.; et al. Temperature-dependent inhibition of PEG in acid copper plating: Theoretical analysis and experiment evidence. Mater. Today Commun. 2020, 24, 100973. [Google Scholar] [CrossRef]
- Wang, C.; Zhang, J.; Yang, P.; An, M. Electrochemical behaviors of Janus Green B in through-hole copper electroplating: An insight by experiment and density functional theory calculation using Safranine T as a comparison. Electrochim. Acta 2013, 92, 356–364. [Google Scholar] [CrossRef]
- Hong, Y.; You, X.; Zeng, Y.; Chen, Y.; Huang, Y.; He, W.; Wang, S.; Wang, C.; Zhou, G.; Su, X.; et al. Air-plasma surface modification of epoxy resin substrate to improve electroless copper plating of printed circuit board. Vacuum 2019, 170, 108967. [Google Scholar] [CrossRef]
- Hung, H.T.; Ma, Z.D.; Shih, P.S.; Huang, J.H.; Kao, L.Y.; Yang, C.Y.; Renganathan, V.; Kao, C.L.; Hung, Y.C.; Kao, C.R. Highly uniform microfluidic electroless interconnections for chip stacking applications. Electrochim. Acta 2021, 376, 138032. [Google Scholar] [CrossRef]
- Jones, T.D.A.; Bernassau, A.; Flynn, D.; Price, D.; Beadel, M.; Desmulliez, M.P.Y. Copper electroplating of PCB interconnects using megasonic acoustic streaming. Ultrason. Sonochem. 2018, 42, 434–444. [Google Scholar] [CrossRef] [PubMed]
- Zhao, M.; Du, L.; Xu, Z.; Zhang, X.; Cao, Q.; Ji, X.; Wei, Z.; Liu, J. Improving the thickness uniformity of micro electroforming layer by megasonic agitation and the application. Mater. Chem. Phys. 2020, 239, 122331. [Google Scholar] [CrossRef]
- Chandrasekar, M.S.; Pushpavanam, M. Pulse and pulse reverse plating—Conceptual, advantages and applications. Electrochim. Acta 2008, 53, 3313–3322. [Google Scholar] [CrossRef]
- Larson, C.; Farr, J.P.G. Current research and potential applications for pulsed current electrodeposition—A review. Trans. IMF 2012, 90, 20–29. [Google Scholar] [CrossRef]
- Leisner, P.; Fredenberg, M.; Belov, I. Pulse and pulse reverse plating of copper from acid sulphate solutions. Trans. IMF 2010, 88, 243–247. [Google Scholar] [CrossRef]
- Tian, Q.; Cai, J.; Zheng, J.; Zhou, C.; Li, J.; Zhu, W. Copper pulse-reverse current electrodeposition to fill blind vias for 3-D TSV integration. IEEE Trans. Compon. Packag. Manuf. 2016, 6, 1899–1904. [Google Scholar] [CrossRef]
- Tsai, W.-C.; Wan, C.-C.; Wang, Y.-Y. Frequency effect of pulse plating on the uniformity of copper deposition in plated through holes. J. Electrochem. Soc. 2003, 150, 267. [Google Scholar] [CrossRef]
- Zhu, Q.S.; Toda, A.; Zhang, Y.; Itoh, T.; Maeda, R. Void-free copper filling of through silicon via by periodic pulse reverse electrodeposition. J. Electrochem. Soc. 2014, 161, 263–268. [Google Scholar] [CrossRef]
- Chang, L.M. Diffusion layer model for pulse reverse plating. J. Alloys Compd. 2008, 466, 19–22. [Google Scholar] [CrossRef]
- Green, T.A.; Roy, S. Application of a duplex diffusion layer model to pulse reverse plating. Trans. IMF 2017, 95, 46–51. [Google Scholar] [CrossRef] [Green Version]
- Zhu, Q.S.; Zhang, X.; Liu, C.Z.; Liu, H.Y. Effect of reverse pulse on additives adsorption and copper filling for through silicon via. J. Electrochem. Soc. 2018, 166, 3006–3012. [Google Scholar] [CrossRef]
- Mohan, S.; Raj, V. The effect of additives on the pulsed electrodeposition of copper. Trans. IMF 2005, 83, 194–198. [Google Scholar] [CrossRef]
- Lin, N.; Miao, J.; Dixit, P. Void formation over limiting current density and impurity analysis of TSV fabricated by constant-current pulse-reverse modulation. Microelectron. Reliab. 2013, 53, 1943–1953. [Google Scholar] [CrossRef]
- Emekli, U.; West, A.C. Simulation of electrochemical nucleation in the presence of additives under galvanostatic and pulsed plating conditions. Electrochim. Acta 2010, 56, 977–984. [Google Scholar] [CrossRef]
- Hayase, M.; Nagao, M. Effect of reverse pulse on copper fill. J. Electrochem. Soc. 2009, 156, 198–203. [Google Scholar] [CrossRef]
- Tantavichet, N.; Pritzker, M.D. Low- and high-frequency pulse current and pulse reverse plating of copper. J. Electrochem. Soc. 2003, 150, 665. [Google Scholar] [CrossRef]
- Huang, B.-C.; Yang, C.-H.; Lee, C.-Y.; Hu, Y.-L.; Hsu, C.-C.; Ho, C.-E. Effect of pulse-reverse plating on copper: Thermal mechanical properties and microstructure relationship. Microelectron. Reliab. 2019, 96, 71–77. [Google Scholar] [CrossRef]
- Lee, J.-M.; West, A.C. Impact of pulse parameters on current distribution in high aspect ratio vias and through-holes. J. Electrochem. Soc. 2005, 152, 645. [Google Scholar] [CrossRef]
- Kobayashi, T.; Kawasaki, J.; Mihara, K.; Honma, H. Via-filling using electroplating for build-up PCBs. Electrochim. Acta 2001, 47, 85–89. [Google Scholar] [CrossRef]
- Zhao, S.; Pang, K.; Huang, Y.; Xiao, N. Special electrochemical behaviour of sodium thiazolinyl-dithiopropane sulphonate during microvia filling. Trans. IMF 2019, 97, 217–224. [Google Scholar] [CrossRef]
- Wang, F.; Le, Y. Experiment and simulation of single inhibitor SH110 for void-free TSV copper filling. Sci. Rep. 2021, 11, 12108. [Google Scholar] [CrossRef] [PubMed]
- Zhan, X.; Lian, J.; Li, H.; Wang, X.; Zhou, J.; Trieu, K.; Zhang, X. Preparation of highly (111) textured nanotwinned copper by medium-frequency pulsed electrodeposition in an additive-free electrolyte. Electrochim. Acta 2021, 365, 137391. [Google Scholar] [CrossRef]
- Brown, D.A.; Morgan, S.; Peldzinski, V.; Brüning, R. Crystal growth patterns in DC and pulsed plated galvanic copper films on (111), (100) and (110) copper surfaces. J. Cryst. Growth 2017, 478, 220–228. [Google Scholar] [CrossRef]










| Conditions | a1 | a2 | a3 | a4 | b1 | b2 | b3 | b4 | c1 | c2 | c3 | c4 |
|---|---|---|---|---|---|---|---|---|---|---|---|---|
| reverse pulse frequency (HZ) | 100 | 500 | 1000 | 1500 | 100 | 100 | 100 | 100 | 100 | 100 | 100 | 100 |
| reverse pulse duty cycle | 0.4 | 0.4 | 0.4 | 0.4 | 0.2 | 0.4 | 0.6 | 0.8 | 0.4 | 0.4 | 0.4 | 0.4 |
| reverse pulse current density (A/dm2) | 0.2 | 0.2 | 0.2 | 0.2 | 0.2 | 0.2 | 0.2 | 0.2 | 0.1 | 0.2 | 0.4 | 1 |
| Experiment | a1 | a2 | a3 | a4 | b1 | b2 | b3 | b4 | c1 | c2 | c3 | c4 |
|---|---|---|---|---|---|---|---|---|---|---|---|---|
| Copper inside the hole/μm | 136.39 | 142.71 | 126.26 | 82.22 | 114.69 | 136.39 | 36.46 | 33.26 | 135.38 | 136.39 | 42.18 | 24.71 |
| Copper of surface/μm | 77.14 | 60.21 | 73.31 | 64.31 | 88.39 | 77.14 | 54.58 | 52.42 | 88.30 | 77.14 | 40.06 | 43.07 |
| TP/100% | 176.80 | 237.03 | 172.23 | 127.84 | 129.75 | 176.80 | 66.80 | 63.45 | 153.31 | 176.80 | 105.28 | 57.37 |
| TC/100% | (111) | (200) | (220) | (311) |
|---|---|---|---|---|
| a1 | 68.21 | 13.34 | 6.93 | 11.52 |
| a2 | 59.23 | 16.10 | 12.03 | 12.64 |
| a3 | 64.92 | 16.08 | 8.80 | 10.20 |
| a4 | 51.23 | 17.09 | 15.6 | 16.08 |
| b1 | 66.66 | 15.42 | 6.72 | 11.20 |
| b2 | 68.21 | 13.34 | 6.93 | 11.52 |
| b3 | 56.20 | 15.47 | 14.13 | 14.20 |
| b4 | 54.01 | 18.00 | 13.69 | 14.30 |
| c1 | 59.90 | 16.25 | 9.92 | 13.93 |
| c2 | 68.21 | 13.34 | 6.93 | 11.52 |
| c3 | 66.66 | 10.28 | 7.26 | 15.80 |
| c4 | 51.91 | 17.92 | 14.06 | 16.11 |
Publisher’s Note: MDPI stays neutral with regard to jurisdictional claims in published maps and institutional affiliations. |
© 2022 by the authors. Licensee MDPI, Basel, Switzerland. This article is an open access article distributed under the terms and conditions of the Creative Commons Attribution (CC BY) license (https://creativecommons.org/licenses/by/4.0/).
Share and Cite
Ge, W.; Li, W.; Li, R.; Dong, Y.; Zeng, Z.; Cao, H.; Yu, L.; Wen, Z.; He, J. Ultra-Uniform Copper Deposition in High Aspect Ratio Plated through Holes via Pulse-Reverse Plating. Coatings 2022, 12, 995. https://doi.org/10.3390/coatings12070995
Ge W, Li W, Li R, Dong Y, Zeng Z, Cao H, Yu L, Wen Z, He J. Ultra-Uniform Copper Deposition in High Aspect Ratio Plated through Holes via Pulse-Reverse Plating. Coatings. 2022; 12(7):995. https://doi.org/10.3390/coatings12070995
Chicago/Turabian StyleGe, Wen, Wensheng Li, Rihong Li, Yifan Dong, Ziming Zeng, Hui Cao, Longlin Yu, Zhijie Wen, and Jin He. 2022. "Ultra-Uniform Copper Deposition in High Aspect Ratio Plated through Holes via Pulse-Reverse Plating" Coatings 12, no. 7: 995. https://doi.org/10.3390/coatings12070995
APA StyleGe, W., Li, W., Li, R., Dong, Y., Zeng, Z., Cao, H., Yu, L., Wen, Z., & He, J. (2022). Ultra-Uniform Copper Deposition in High Aspect Ratio Plated through Holes via Pulse-Reverse Plating. Coatings, 12(7), 995. https://doi.org/10.3390/coatings12070995

