Effect of Co-Sputtered Copper and Titanium Oxide Coatings on Bacterial Resistance and Cytocompatibility of Osteoblast Cells
Abstract
1. Introduction
2. Materials and Methods
2.1. Sample Preparation
2.2. Characterization
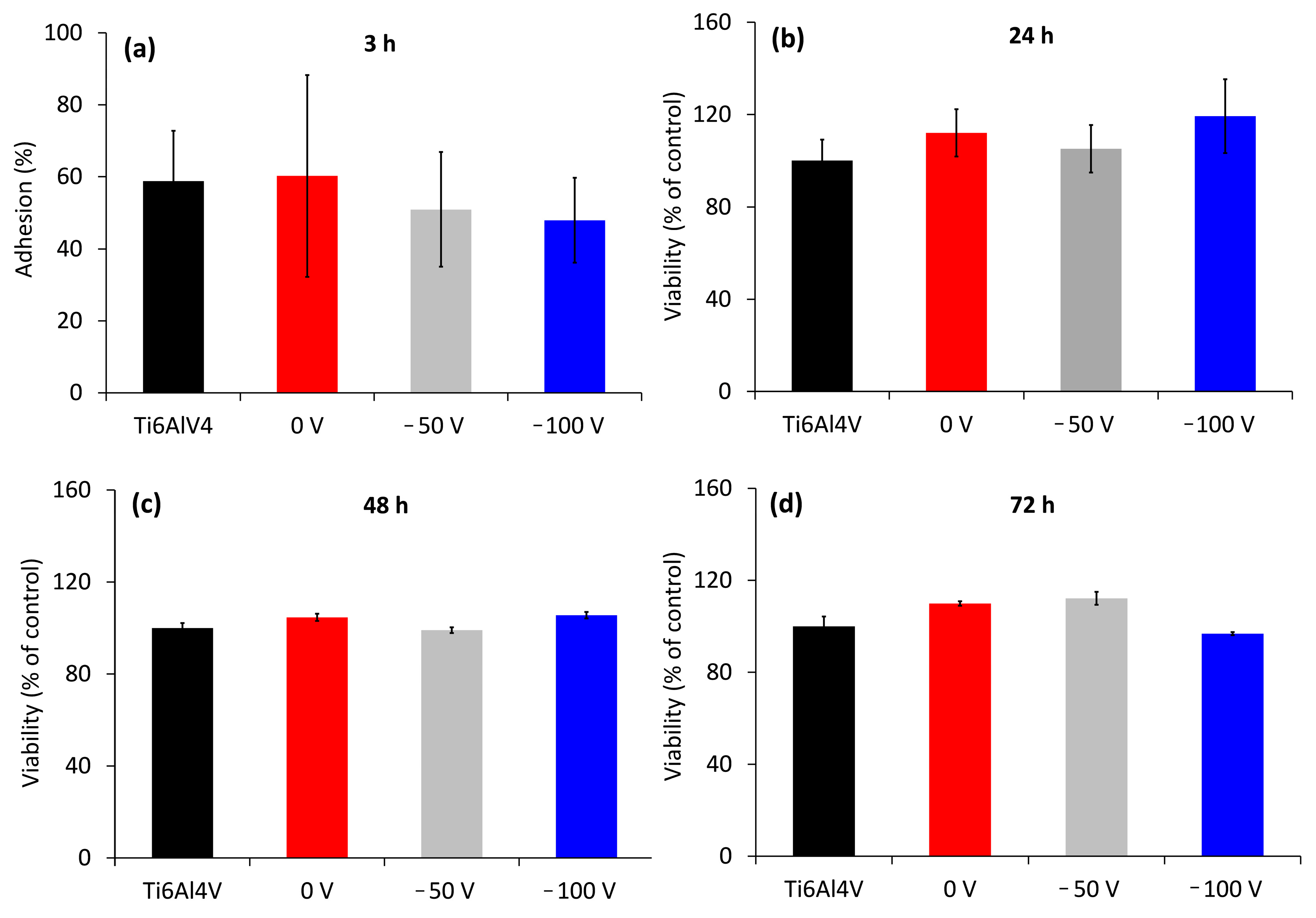
2.3. Cytocompatibility Evaluation
2.4. Antibacterial Evaluation
2.5. Biofilm Formation
2.6. Statistical Analysis
3. Results and Discussions
4. Conclusions
Author Contributions
Funding
Data Availability Statement
Acknowledgments
Conflicts of Interest
References
- Marin, E.; Lanzutti, A. Biomedical Applications of Titanium Alloys: A Comprehensive Review. Materials 2024, 17, 114. [Google Scholar] [CrossRef] [PubMed]
- He, X.; Zhang, G.; Zhang, H.; Hang, R.; Huang, X.; Yao, X.; Zhang, X. Cu and Si co-doped microporous TiO2 coating for osseointegration by the coordinated stimulus action. Appl. Surf. Sci. 2020, 503, 144072. [Google Scholar] [CrossRef]
- Roehling, S.; Astasov-Frauenhoffer, M.; Hauser-Gerspach, I.; Braissant, O.; Woelfler, H.; Waltimo, T.; Kniha, H.; Gahlert, M. In Vitro Biofilm Formation on Titanium and Zirconia Implant Surfaces. J. Periodontol. 2017, 88, 298–307. [Google Scholar] [CrossRef] [PubMed]
- Kumaravel, V.; Nair, K.M.; Mathew, S.; Bartlett, J.; Kennedy, J.E.; Manning, H.G.; Whelan, B.J.; Leyland, N.S.; Pillai, S.C. Antimicrobial TiO2 nanocomposite coatings for surfaces, dental and orthopaedic implants. Chem. Eng. J. 2021, 416, 129071. [Google Scholar] [CrossRef] [PubMed]
- Souza, J.G.S.; Bertolini, M.M.; Costa, R.C.; Nagay, B.E.; Bagtzoglou, A.D.; Barão, V.A.R. Targeting implant-associated infections: Titanium surface loaded with antimicrobiaI. iScience 2021, 24, 102008. [Google Scholar] [CrossRef] [PubMed]
- Li, M.; Ma, Z.; Zhu, Y.; Xia, H.; Yao, M.; Chu, X.; Wang, X.; Yang, K.; Yang, M.; Zhang, Y. Toward a molecular understanding of the antibacterial mechanism of copper-bearing titanium alloys against Staphylococcus aureus. Adv. Healthc. Mater. 2016, 5, 557–566. [Google Scholar] [CrossRef] [PubMed]
- David, C.; Lucio, M.; Renata, A.C. The significance of infection related to orthopedic devices and issues of antibiotic resistance. Biomaterials 2006, 27, 2331–2339. [Google Scholar] [CrossRef]
- Montanaro, L.; Speziale, P.; Campoccia, D.; Ravaioli, S.; Cangini, I.; Pietrocola, G.; Giannini, S.; Arciola, C.R. Scenery of Staphylococcus implant infections in orthopedics. Future Microbiol. 2011, 6, 1329–1349. [Google Scholar] [CrossRef] [PubMed]
- Stranak, V.; Cada, M.; Quaas, M.; Block, S.; Bogdanowicz, R.; Kment, Š.; Wulff, H.; Hubička, Z.; Helm, C.A.; Tichý, M. Physical properties of homogeneous TiO2 films prepared by high power impulse magnetron sputtering as a function of crystallographic phase and nanostructure. J. Phys. D 2009, 42, 105204. [Google Scholar] [CrossRef]
- Prosolov, K.A.; Belyavskaya, O.A.; Bolat-Ool, A.A.; Khlusov, I.A.; Nikolaeva, O.A.; Prosolov, A.B.; Mitrichenko, D.V.; Komkov, A.R.; Sharkeev, Y.P. Antibacterial Potential of Zn- and Cu-Substituted Hydroxyapatite-Based Coatings Deposited by RF-Magnetron Sputtering. J. Phys. Conf. Ser. 2019, 1393, 012118. [Google Scholar] [CrossRef]
- Ureña, J.; Tsipas, S.; Jiménez-Morales, A.; Gordo, E.; Detsch, R.; Boccaccini, A.R. Cellular Behaviour of Bone Marrow Stromal Cells on Modified Ti-Nb Surfaces. Mater. Des. 2018, 140, 452–459. [Google Scholar] [CrossRef]
- Stranak, V.; Wulff, H.; Rebl, H.; Zietz, C.; Arndt, K.; Bogdanowicz, R.; Nebe, B.; Bader, R.; Podbielski, A.; Hubicka, Z.; et al. Deposition of thin titanium–copper films with antimicrobial effect by advanced magnetron sputtering methods. Mater. Sci. Eng. C 2011, 31, 1512–1519. [Google Scholar] [CrossRef]
- Balamurugan, A.; Kannan, S.; Rajeswari, S. Evaluation of TiO2 coatings obtained using the sol–gel technique on surgical grade type 316L stainless steel in simulated body fluid. Mater. Lett. 2005, 59, 3138–3143. [Google Scholar] [CrossRef]
- Li, N.; Xu, Z.; Zheng, S.; Dai, H.; Wang, L.; Tian, Y.; Dong, Z.; Jiang, L. Superamphiphilic TiO2 Composite Surface for Protein Antifouling. Adv. Mater. 2021, 33, e2003559. [Google Scholar] [CrossRef]
- Sima, C.; Waldhauser, W.; Lackner, J.; Kahn, M.; Nicolae, I.; Viespe, C.; Grigoriu, C.; Manea, A. Properties of TiO2 thin films deposited by RF magnetron sputtering. J. Optoelectron. Adv. Mater. 2007, 5, 1446–1449. [Google Scholar]
- Nikolova, M.P.; Ormanova, M.; Nikolova, V.; Apostolova, M.D. Electrochemical, Tribological and Biocompatible Performance of Electron Beam Modified and Coated Ti6Al4V Alloy. Int. J. Mol. Sci. 2021, 22, 6369. [Google Scholar] [CrossRef] [PubMed]
- van Hengel, I.A.J.; Tierolf, M.W.A.M.; Valerio, V.P.M.; Minneboo, M.; Fluit, A.C.; Fratila-Apachitei, L.E.; Apachitei, I.; Zadpoor, A.A. Self-defending additively manufactured bone implants bearing silver and copper nanoparticles. J. Mater. Chem. B 2020, 8, 1589–1602. [Google Scholar] [CrossRef] [PubMed]
- Wu, Y.; Zhou, H.; Zeng, Y.; Xie, H.; Ma, D.; Wang, Z.; Liang, H. Recent Advances in Copper-Doped Titanium Implants. Materials 2022, 15, 2342. [Google Scholar] [CrossRef] [PubMed]
- Ren, L.; Yang, K. Antibacterial design for metal implants. In Metallic Foam Bone; Wen, C., Ed.; Elsevier Inc.: Amsterdam, The Netherlands, 2017; pp. 203–216. [Google Scholar] [CrossRef]
- O’Neill, E.; Awale, G.; Daneshmandi, L.; Umerah, O.; Lo, K.W.H. The roles of ions on bone regeneration. Drug Discov. Today 2018, 23, 879–890. [Google Scholar] [CrossRef]
- Russo, T.; Gloria, A.; De Santis, R.; D’Amora, U.; Balato, G.; Vollaro, A.; Oliviero, O.; Improta, G.; Triassi, M.; Ambrosio, L. Preliminary focus on the mechanical and antibacterial activity of a PMMA-based bone cement loaded with gold nanoparticles. Bioact. Mater. 2017, 2, 156–161. [Google Scholar] [CrossRef]
- Russo, T.; De Santis, R.; Gloria, A.; Barbaro, K.; Altigeri, A.; Fadeeva, I.V.; Rau, J.V. Modification of PMMA Cements for Cranioplasty with Bioactive Glass and Copper Doped Tricalcium Phosphate Particles. Polymers 2020, 12, 37. [Google Scholar] [CrossRef] [PubMed]
- Wang, H.; Zhao, S.; Zhou, J.; Shen, Y.; Huang, W.; Zhang, C.; Rahaman, M.N.; Wang, D. Evaluation of borate bioactive glass scaffolds as a controlled delivery system for copper ions in stimulating osteogenesis and angiogenesis in bone healing. J. Mater. Chem. B 2014, 2, 8547–8557. [Google Scholar] [CrossRef] [PubMed]
- Liang, T.; Wang, Y.; Zeng, L.; Liu, Y.; Qiao, L.; Zhang, S.; Zhao, R.; Li, G.; Zhang, R.; Xiang, J.; et al. Copper-doped 3D porous coating developed on ti-6Al-4V alloys and its in vitro long-term antibacterial ability. Appl. Surf. Sci. 2020, 509, 144717. [Google Scholar] [CrossRef]
- Tripathy, N.; Ahmad, R.; Hyuck Bang, S.; Khang, G.; Min, J.H.; Hahn, Y.B. Outstanding Antibiofilm Features of Quanta-CuO Film on Glass Surface. ACS Appl. Mater. Interfaces 2016, 8, 15128–15137. [Google Scholar] [CrossRef] [PubMed]
- Bari, A.; Bloise, N.; Fiorilli, S.; Novajra, G.; Vallet-Regí, M.; Bruni, G.; Torres-Pardo, A.; González-Calbet, J.M.; Visai, L.; Vitale-Brovarone, C. Copper-containing mesoporous bioactive glass nanoparticles as multifunctional agent for bone regeneration. Acta Biomater. 2017, 55, 493–504. [Google Scholar] [CrossRef] [PubMed]
- Milenkovic, J.; Hrenovic, J.; Matijasevic, D.; Niksic, M.; Rajic, N. Bactericidal activity of Cu-, Zn-, and Ag-containing zeolites toward Escherichia coli isolates. Environ. Sci. Pollut. R. 2017, 24, 20273–20281. [Google Scholar] [CrossRef] [PubMed]
- Hans, M.; Erbe, A.; Mathews, S.; Chen, Y.; Solioz, M.; Mücklich, F. Role of copper oxides in contact killing of bacteria. Langmuir 2013, 29, 16160–16166. [Google Scholar] [CrossRef] [PubMed]
- Kong, N.; Lin, K.; Li, H.; Chang, J. Synergy effects of copper and silicon ions on stimulation of vascularization by copper-doped calcium silicate. J. Mater. Chem. B 2014, 2, 1100–1110. [Google Scholar] [CrossRef] [PubMed]
- Huang, Q.; Li, X.; Elkhooly, T.A.; Liu, X.; Zhang, R.; Wu, H.; Feng, Q.; Liu, Y.J.C. The Cu-containing TiO2 coatings with modulatory effects on macrophage polarization and bactericidal capacity prepared by micro-arc oxidation on titanium substrates. Colloids Surf. B 2018, 170, 242–250. [Google Scholar] [CrossRef]
- Zhang, L.; Guo, J.; Huang, X.; Zhang, Y.; Han, Y. The dual function of Cu-doped TiO2 coatings on titanium for application in percutaneous implants. J. Mater. Chem. B 2016, 4, 3788–3800. [Google Scholar] [CrossRef]
- Zhang, X.; Li, J.; Wang, X.; Wang, Y.; Hang, R.; Huang, X.; Tang, B.; Chu, P.K. Effects of copper nanoparticles in porous TiO2 coatings on bacterial resistance and cytocompatibility of osteoblasts and endothelial cells. Outstanding Antibiofilm Features of Quanta-CuO Film on Glass Surface. Mater. Sci. Eng. C 2018, 82, 110–120. [Google Scholar] [CrossRef] [PubMed]
- Zhu, W.; Zhang, Z.; Gu, B.; Sun, J.; Zhu, L. Biological activity and antibacterial property of Nano-structured TiO2 coating incorporated with cu prepared by micro-arc oxidation. J. Mater. Sci. Technol. 2013, 29, 237–244. [Google Scholar] [CrossRef]
- Zhang, L.; Guo, J.; Yan, T.; Han, Y. Fibroblast responses and antibacterial activity of Cu and Zn co-doped TiO2 for percutaneous implants. Appl. Surf. Sci. 2018, 434, 633–642. [Google Scholar] [CrossRef]
- Tang, J.; Wei, F.; Zhao, L.; Yang, L.; Li, J.; Sun, Z.; Yang, C.; Zhang, W.; Liu, B. Superior antibacterial properties of copper-doped titanium oxide films prepared by micro-arc oxidation. Ceram. Int. B 2024, 50, 1370–1378. [Google Scholar] [CrossRef]
- He, X.; Zhang, G.; Wang, X.; Hang, R.; Huang, X.; Qin, L.; Tang, B.; Zhang, X. Biocompatibility, corrosion resistance and antibacterial activity of TiO2/CuO coating on titanium. Ceram. Int. 2017, 43, 16185–16195. [Google Scholar] [CrossRef]
- Lu, S.; Li, R.; Chai, M.; Wang, J.; Duan, W.; Yao, X.; Zhang, X.; Tang, B. Nanostructured Cu-doped TiO2 with photothermal effect for prevention of implant-associated infection. Coll. Surf. B 2022, 217, 112695. [Google Scholar] [CrossRef] [PubMed]
- Nikolova, M.P.; Tzvetkov, I. Co-sputtered CuO/TiO2 coatings with varying copper content deposited on Ti6Al4V alloy. J. Phys. Conf. Ser. 2024, 2710, 012021. [Google Scholar] [CrossRef]
- Shirley, D.A. High-Resolution X-Ray Photoemission Spectrum of the Valence Bands of Gold. Phys. Rev. B 1972, 5, 4709–4714. [Google Scholar] [CrossRef]
- Scofield, J.H. Hartree-Slater subshell photo-ionisation cross-sections at 1254 and 1487 eV. J. Electr. Spectr. Relat. Phenom. 1976, 8, 129–137. [Google Scholar] [CrossRef]
- Kokubo, T.; Kushitani, H.; Sakka, S.; Kitsugi, T.; Yamamuro, T. Solutions able to reproduce in vivo surface-structure changes in bioactive glass-ceramic A-W. J. Biomed. Mater. Res. 1990, 24, 721–734. [Google Scholar] [CrossRef]
- Mosmann, T. Rapid colorimetric assay for cellular growth and survival: Application to proliferation and cytotoxicity assays. J. Immunol. Methods. 1983, 65, 55–63. [Google Scholar] [CrossRef] [PubMed]
- Kuo, Y.L.; Huang, J.J.; Lin, S.T.; Lee, C.; Lee, W.H. Diffusion barrier properties of sputtered TaNx between Cu and Si using TaN as the target. Mater. Chem. Phys. 2003, 80, 690–695. [Google Scholar] [CrossRef]
- Mohamed, A.M.; Aljaber, A.S.; AlQaradawi, S.Y.; Allam, N.K. TiO2 nanotubes with ultrathin walls for enhanced water splitting. Chem. Commun. 2015, 51, 12617–12620. [Google Scholar] [CrossRef] [PubMed]
- Ismail, M.; Chand, U.; Mahata, C.; Nebhen, J.; Kim, S. Demonstration of synaptic and resistive switching characteristics in W/TiO2/HfO2/TaN memristor crossbar array for bioinspired neuromorphic computing. J. Mater. Sci. Technol. 2022, 96, 94–102. [Google Scholar] [CrossRef]
- Zhang, W.; Kong, J.Z.; Cao, Z.Y.; Li, A.D.; Wang, L.G.; Zhu, L.; Li, X.; Cao, Y.Q.; Wu, D. Bipolar Resistive Switching Characteristics of HfO2/TiO2/HfO2 Trilayer-Structure RRAM Devices on Pt and TiN-Coated Substrates Fabricated by Atomic Layer Deposition. Nanoscale Res. Lett. 2017, 12, 393. [Google Scholar] [CrossRef]
- Poulston, S.; Parlett, P.M.; Stone, P.; Bowker, M. Surface Oxidation and Reduction of CuO and Cu2O Studied Using XPS and XAES. Surf. Interf. Anal. 1996, 24, 811–820. [Google Scholar] [CrossRef]
- Pauly, N.; Tougaard, S.; Yubero, F. Determination of the Cu 2p primary excitation spectra for Cu, Cu2O and CuO. Surf. Sci. 2014, 620, 17–22. [Google Scholar] [CrossRef]
- Wagner, C.D.; Naumkin, A.V.; Kraut-Vass, A.; Allison, J.W.; Powell, C.J.; Rumble, J.R.J. NIST Standard Reference Database 20 Version 3.4. 2004. Available online: http://srdata.nist.gov/xps/ (accessed on 6 June 2024).
- Tobin, J.P.; Hirschwald, W.; Cunningham, J. XPS and XAES studies of transient enhancement of Cu1 at CuO surfaces during vacuum outgassing. Appl. Surf. Sci. 1983, 16, 441–452. [Google Scholar] [CrossRef]
- Fang, Y.; Li, L.; Yang, J.; Hoang, S.; Wang, L.; Xu, J.; Yang, W.; Pan, C.; Zhu, Y.; Deng, H.; et al. Engineering the Nucleophilic Active Oxygen Species in CuTiOx for Efficient Low-Temperature Propene Combustion. Environ. Sci. Technol. 2020, 54, 15476–15488. [Google Scholar] [CrossRef]
- Son, M.-K.; Steier, L.; Schreier, M.; Mayer, M.T.; Luo, J.; Gratzel, M. A copper nickel mixed oxide hole selective layer for Au-free transparent cuprous oxide photocathodes. Energy Environ. Sci. 2017, 10, 912–918. [Google Scholar] [CrossRef]
- Pham, T.D.; Lee, B.K.; Lee, C.H. The advanced removal of benzene from aerosols by photocatalytic oxidation and adsorption of Cu-TiO2/PU under visible light irradiation. Appl. Catal. B 2016, 182, 172–183. [Google Scholar] [CrossRef]
- He, C.; Yu, Y.; Yue, L.; Qiao, N.; Li, J.; Shen, Q.; Yu, W.; Chen, J.; Hao, Z. Low-temperature removal of toluene and propanal over highly active mesoporous CuCeOx catalysts synthesized via a simple self-precipitation protocol. Appl. Catal. B 2014, 147, 156–166. [Google Scholar] [CrossRef]
- Veisfeld, N.; Geller, J.D. Ion Sputtering Yield Measurements for Submicrometer Thin Film. J. Vac. Sci. Technol. A 1998, 6, 2077–2081. [Google Scholar] [CrossRef]
- Seshan, K. Handbook of Thin Film Deposition, 3rd ed.; Elsevier Inc.: Amsterdam, The Netherlands, 2012; p. 392. ISBN 9781437778748. [Google Scholar] [CrossRef]
- Maidul Haque, S.; Sagdeo, P.R.; Balaji, S.; Sridhar, K.; Kumar, S.; Bhattacharyya, D.; Sahoo, N.K. Effect of substrate bias and oxygen partial pressure on properties of RF magnetron sputtered HfO2 thin films. J. Vac. Sci. Technol. B 2013, 3, 03D104. [Google Scholar] [CrossRef]
- Zhang, H.; Banfield, J.F. Understanding Polymorphic Phase Transformation Behavior during Growth of Nanocrystalline Aggregates: Insights from TiO2. J. Phys. Chem. B 2000, 104, 3481–3487. [Google Scholar] [CrossRef]
- Cormier, P.A.; Balhamri, A.; Thomann, A.L.; Dussart, R.; Semmar, N.; Lecas, T.; Snyders, R.; Konstantinidis, S. Titanium oxide thin film growth by magnetron sputtering: Total energy flux and its relationship with the phase constitution. Surf. Coat. Technol. 2014, 254, 291–297. [Google Scholar] [CrossRef]
- Rafieian, D.; Ogieglo, W.; Savenije, T.; Lammertink, R.G.H. Controlled formation of anatase and rutile TiO2 thin films by reactive magnetron sputtering. AIP Adv. 2015, 5, 097168. [Google Scholar] [CrossRef]
- Niwa, K.; Taguchi, T.; Tokunaga, T.; Hasegawa, M. Growth and optical properties of rectangular hollow tube TiO2 crystals with rutile-type structure. Cryst. Growth Des. 2011, 11, 4427–4432. [Google Scholar] [CrossRef]
- Oi, L.E.; Choo, M.-Y.; Lee, H.V.; Ong, H.C.; Hamid, S.B.A.; Juan, J.C. Recent advances of titanium dioxide (TiO2) for green organic synthesis. RSC Adv. 2016, 6, 108741–108754. [Google Scholar] [CrossRef]
- Mungkalasiri, J.; Bedel, L.; Emieux, F.; Doré, J.; Renaud, F.N.R.; Maury, F. DLI-CVD of TiO2–Cu antibacterial thin films: Growth and characterization. Surf. Coat. Technol. 2009, 204, 887–892. [Google Scholar] [CrossRef]
- Ji, A.L.; Wang, W.; Song, G.H.; Wang, Q.M.; Sun, C.; Wen, L.S. Microstructures and mechanical properties of chromium oxide films by arc ion plating. Mater. Lett. 2004, 58, 1993–1998. [Google Scholar] [CrossRef]
- Iordanova, I.; Kellf, P.J.; Burova, M.T.; Andreeva, A.; Valkov, S.; Li, H. Comparative study on the influence of Cu and Ag on the crystallographic structure and surface topography of TiN/Ag and TiN/Cu nanocomposite coating using reactive magnetron sputtering. Galvanotechnik 2012, 103, 2164–2171. [Google Scholar]
- Mathew, S.; Ganguly, P.; Rhatigan, S.; Kumaravel, V.; Byrne, C.; Hinder, S.J.; Bartlett, J.; Nolan, M.; Pillaim, S.C. Cu-Doped TiO2: Visible Light Assisted Photocatalytic Antimicrobial Activity. Appl. Sci. 2018, 8, 2067. [Google Scholar] [CrossRef]
- Byrne, C.; Moran, L.; Hermosilla, D.; Merayo, N.; Blanco, Á.; Rhatigan, S.; Hinder, S.; Ganguly, P.; Nolan, M.; Pillai, S.C. Effect of Cu doping on the anatase-to-rutile phase transition in TiO2 photocatalysts: Theory and experiments. Appl. Catal. B 2019, 246, 266–276. [Google Scholar] [CrossRef]
- Vashista, M.; Paul, S. Correlation between full width at half maximum (FWHM) of XRD peak with residual stress on ground surfaces. Philos. Mag. 2012, 92, 4194–4204. [Google Scholar] [CrossRef]
- O’Donnell, S.; Kremer, R.K.; Maggard, P.A. Metastability and Photoelectrochemical Properties of Cu2SnO3 and Cu2–xLixTiO3: Two Cu(I)-Based Oxides with Delafossite Structures. Chem. Mater. 2023, 35, 1404–1416. [Google Scholar] [CrossRef]
- Akhavan, B.; Jarvis, K.; Majewski, P. Evolution of hydrophobicity in plasma polymerized 1,7-octadiene films. Plasma Process. Polym. 2013, 10, 1018–1029. [Google Scholar] [CrossRef]
- De Bruyn, H.; Christiaens, V.; Doornewaard, R.; Jacobsson, M.; Cosyn, J.; Jacquet, W.; Vervaeke, S. Implant surface roughness and patient factors on long-term peri-implant bone loss. Periodontology 2017, 2000, 218–227. [Google Scholar] [CrossRef] [PubMed]
- Zhang, Y.; Chen, S.E.; Shao, J.; Van Den Beucken, J.J.J.P. Combinatorial surface roughness effects on osteoclastogenesis and osteogenesis. ACS Appl. Mater. Interfaces 2018, 10, 36652–36663. [Google Scholar] [CrossRef]
- Kaczmarek, D.; Domaradzki, J.; Wojcieszak, D.; Prociow, E.; Mazur, M.; Placido, F.; Lapp, S. Hardness of Nanocrystalline TiO2 Thin Films. J. Nano Res. 2012, 18–19, 195–200. [Google Scholar] [CrossRef]
- Jian, S.-R.; Chen, G.-J.; Hsu, W.-M. Mechanical Properties of Cu2O Thin Films by Nanoindentation. Materials 2013, 10, 4505–4513. [Google Scholar] [CrossRef] [PubMed]
- Soundarrajan, P.; Sankarasubramanian, K.; Sethuraman, K.; Ramamurthi, K. Controlled (110) and (101) crystallographic plane growth of single crystalline rutile TiO2 nanorods by facile low cost chemical methods. Chem. Eng. Commun. 2014, 16, 8756–8768. [Google Scholar] [CrossRef]
- Garlisi, C.; Palmisano, G. Radiation-Free Superhydrophilic and Antifogging Properties of E-Beam Evaporated TiO2 Films on Glass. Appl. Surf. Sci. 2017, 420, 83–93. [Google Scholar] [CrossRef]
- Anwar, H.A.; Aldam, C.H.; Visuvanathan, S. The effect of metal ions in solution on bacterial growth compared with wear particles from hip replacements. J. Bone Jt. Surg. Br. 2007, 89, 1655–1659. [Google Scholar] [CrossRef] [PubMed][Green Version]
- Kelly, P.J.; Li, H.; Benson, P.S.; Whitehead, K.A.; Verran, J.; Arnell, R.D.; Iordanova, I. Comparison of the tribological and antimicrobial properties of CrN/Ag, ZrN/Ag, TiN/Ag, and TiN/Cu nanocomposite coatings. Surf. Coat. Mater. 2010, 205, 1606–1610. [Google Scholar] [CrossRef]
- Zhang, X.F.; Liu, Z.G.; Shen, W.; Gurunathan, S. Silver nanoparticles: Synthesis, characterization, properties, applications, and therapeutic approaches. Int. J. Mol. Sci. 2016, 17, 1534. [Google Scholar] [CrossRef]
- Lakha, R.; Hachicho, C.; Mehlenbacher, M.R.; Wilcox, D.E.; Austin, R.N.; Vizcarra, C.L. Metallothionein-3 attenuates the effect of Cu2+ ions on actin filaments. J. Inorg. Biochem. 2023, 242, 112157. [Google Scholar] [CrossRef]
- Tapia, L.; González-Agüero, M.; Cisternas, M.F.; Suazo, M.; Cambiazo, V.; Uauy, R.; González, M. Metallothionein is crucial for safe intracellular copper storage and cell survival at normal and supra-physiological exposure levels. Biochem. J. 2004, 378, 617–624. [Google Scholar] [CrossRef]
- Burghardt, I.; Lüthen, F.; Prinz, C.; Kreikemeyer, B.; Zietz, C.; Neumann, H.-G.; Rychly, J. A dual function of copper in designing regenerative implants. Biomaterials 2015, 44, 36–44. [Google Scholar] [CrossRef]
- Wang, Z.; Li, N.; Zhao, J.; White, J.C.; Qu, P.; Xing, B. CuO nanoparticle interaction with human epithelial cells: Cellular uptake, location, export, and genotoxicity. Chem. Res. Toxicol. 2012, 25, 512–521. [Google Scholar] [CrossRef]
- Espana-Sanchez, B.L.; Avila-Orta, C.A.; Padilla-Vaca, L.F.; Barriga-Castro, E.D.; Soriano-Corral, F.; Gonzalez-Morones, P.; Ramírez-Wong, D.G.; Luna-Bárcenas, G. Early stages of antibacterial damage of metallic nanoparticles by TEM and STEM-HAADF. Curr. Nanosci. 2017, 14, 54–61. [Google Scholar] [CrossRef] [PubMed]
- Tiwari, M.; Thakar, M.B.; Jagani, H.V.; Narayanan, K.; Venkata Rao, J. Biosynthesis and wound healing activity of copper nanoparticles. IET Nanobiotechnol. 2014, 8, 230–237. [Google Scholar] [CrossRef] [PubMed]
- Warnes, S.L.; Caves, V.; Keevil, C.W. Mechanism of copper surface toxicity in Escherichia coli O157:H7 and Salmonella involves immediate membrane depolarization followed by slower rate of DNA destruction which differs from that observed for Gram-positive bacteria. Environ. Microbiol. 2011, 14, 1730–1743. [Google Scholar] [CrossRef] [PubMed]
- Hong, R.; Kang, T.Y.; Michels, C.A.; Gadura, N. Membrane lipid peroxidation in copper alloy-mediated contact killing of Escherichia coli. Appl. Environ. Microbiol. 2012, 78, 1776–1784. [Google Scholar] [CrossRef] [PubMed]













| Sample | O | Cu | Ti | ||
|---|---|---|---|---|---|
| Cu1+ | Cu2+ | CuTiOx | Ti4+ | ||
| Coated 0 V bias | 65.9 | - | 15.3 | - | 18.8 |
| Coated −50 V bias | 64.7 | 20.7 | 14.6 | ||
| 4.6 | 16.1 | 3.3 | 11.3 | ||
| Coated −100 V bias | 71.7 | 3.0 | 25.3 | ||
| 1.2 | 1.8 | 7.1 | 18.2 | ||
| Sample | Rutile (110) Maximum | Wrutile, % | Wanatase, % | ||
|---|---|---|---|---|---|
| FWHM, ° | d, nm | Grain Size, nm | |||
| 0 V | 0.313 ± 0.012 | 0.3226 | 27.31 | 58 | 42 |
| −50 V | 0.358 ± 0.011 | 0.3225 | 23.88 | 94 | 6 |
| −100 V | 0.428 ± 0.023 | 0.3224 | 19.98 | 79 | 21 |
| Sample | Sa (nm) | Ssk | Sz (μm) | Hardness (GPa) | E (GPa) | Lc (N) |
|---|---|---|---|---|---|---|
| Ti6Al4V | 352.2 ± 72.0 | 0.4 ± 0.3 | 2.3 ± 0.5 | 4.9 ± 0.9 | 146.9 ± 14.8 | - |
| Coated 0 V bias | 271.9 ± 65.4 | 0.3 ± 0.8 | 1.7 ± 0.3 | 4.3 ± 0.7 | 140.1 ± 12.7 | 5.9 ± 0.2 |
| Coated −50 V bias | 362.6 ± 84.2 | 0.3 ± 0.3 | 2.3 ± 0.4 | 12.7 ± 2.5 | 191.2 ± 17.2 | 14.8 ± 0.9 |
| Coated −100 V bias | 548.2 ± 79.2 | −0.6 ± 0.6 | 5.0 ± 1.4 | 15.2 ± 3.3 | 211.0 ± 26.7 | 29.1 ± 1.0 |
| Sample | Ecorr, (mV) | jcorr (10−9 A/cm2) |
|---|---|---|
| Ti6Al4V | −160 | 501 |
| Coated 0 V | 11.5 | 152 |
| Coated −50 V | −7.72 | 137 |
| Coated −100 V | 7.6 | 309 |
Disclaimer/Publisher’s Note: The statements, opinions and data contained in all publications are solely those of the individual author(s) and contributor(s) and not of MDPI and/or the editor(s). MDPI and/or the editor(s) disclaim responsibility for any injury to people or property resulting from any ideas, methods, instructions or products referred to in the content. |
© 2024 by the authors. Licensee MDPI, Basel, Switzerland. This article is an open access article distributed under the terms and conditions of the Creative Commons Attribution (CC BY) license (https://creativecommons.org/licenses/by/4.0/).
Share and Cite
Nikolova, M.P.; Tzvetkov, I.; Dimitrova, T.V.; Ivanova, V.L.; Handzhiyski, Y.; Andreeva, A.; Valkov, S.; Ormanova, M.; Apostolova, M.D. Effect of Co-Sputtered Copper and Titanium Oxide Coatings on Bacterial Resistance and Cytocompatibility of Osteoblast Cells. Nanomaterials 2024, 14, 1148. https://doi.org/10.3390/nano14131148
Nikolova MP, Tzvetkov I, Dimitrova TV, Ivanova VL, Handzhiyski Y, Andreeva A, Valkov S, Ormanova M, Apostolova MD. Effect of Co-Sputtered Copper and Titanium Oxide Coatings on Bacterial Resistance and Cytocompatibility of Osteoblast Cells. Nanomaterials. 2024; 14(13):1148. https://doi.org/10.3390/nano14131148
Chicago/Turabian StyleNikolova, Maria P., Iliyan Tzvetkov, Tanya V. Dimitrova, Veronika L. Ivanova, Yordan Handzhiyski, Andreana Andreeva, Stefan Valkov, Maria Ormanova, and Margarita D. Apostolova. 2024. "Effect of Co-Sputtered Copper and Titanium Oxide Coatings on Bacterial Resistance and Cytocompatibility of Osteoblast Cells" Nanomaterials 14, no. 13: 1148. https://doi.org/10.3390/nano14131148
APA StyleNikolova, M. P., Tzvetkov, I., Dimitrova, T. V., Ivanova, V. L., Handzhiyski, Y., Andreeva, A., Valkov, S., Ormanova, M., & Apostolova, M. D. (2024). Effect of Co-Sputtered Copper and Titanium Oxide Coatings on Bacterial Resistance and Cytocompatibility of Osteoblast Cells. Nanomaterials, 14(13), 1148. https://doi.org/10.3390/nano14131148

