Next Article in Journal
A Pilot Symbols Aided Adaptive Kalman Filter for Joint Carrier Phase and Polarization Tracking in Coherent Optical System
Next Article in Special Issue
A Novel Approach to Reach Impedance Matching in Wireless Power Transfer Systems
Previous Article in Journal
Modelling of Ion Transport in Electromembrane Systems: Impacts of Membrane Bulk and Surface Heterogeneity
Previous Article in Special Issue
Capacitive Power Transfer System with Reduced Voltage Stress and Sensitivity
 
 
Font Type:
Arial Georgia Verdana
Font Size:
Aa Aa Aa
Line Spacing:
Column Width:
Background:
Article

Analysis and Optimized Design of Metamaterials for Mid-Range Wireless Power Transfer Using a Class-E RF Power Amplifier

1
State Key Laboratory of Advanced Electromagnetic Engineering and Technology, School of Electrical and Electronic Engineering, Huazhong University of Science and Technology, 430000 Wuhan, China
2
School of Physics, Huazhong University of Science and Technology, 430000 Wuhan, China
*
Author to whom correspondence should be addressed.
Appl. Sci. 2019, 9(1), 26; https://doi.org/10.3390/app9010026
Submission received: 1 November 2018 / Revised: 6 December 2018 / Accepted: 18 December 2018 / Published: 21 December 2018

Abstract

Featured Application

The proposed Wireless Power Transfer (WPT) system with metamaterials using Class-E amplifier can be applied for mid-range high-power energy transfer.

Abstract

In this paper, a mid-range wireless power transfer (WPT) system based on metamaterials (MMs) has been presented. It has been shown that the MMs are positioned in the WPT system to focalize the electromagnetic field for distance enhancement and efficiency improvement theoretically and experimentally. The MMs were fabricated by using a single layer printed-circuit board (PCB) with the negative magnetic permeability, μr. An applicable impedancetuning technology was implemented by changing the operating distance between the drive (load) resonator and the internal resonator, which can achieve the optimal load of the system. In addition, the Class-E RF (radio frequency) power amplifier is firstly proposed as the high frequency excitation source of the WPT system based on the MMs due to its simple design and high efficiency. The proposed technology can achieve efficiency improvements of 4.26% and 9.13% at distances of 100 cm and 200 cm around the 2.80 MHz WPT system with the MMs, respectively. Specially, it is worth mentioning that the system efficiency is enhanced by 18.58% at 160 cm. The measured results indicate the WPT system based on the MMs can assure a stable output power of 5W at a transfer distance of 200 cm.

1. Introduction

Wireless power transfer (WPT) via magnetic resonance coupling has extensive application prospects in people’s daily lives, such as electrical vehicle charging, home application, portable electronic devices, and robotic applications [1,2,3,4]. The transfer characteristics of special WPT systems and promotion of the practicability have become the major hotspots in the WPT research field. In recent studies, the mid-range WPT system mainly concentrates on four methods: (i) Traditional two-coil system, (ii) four-coil system with/without metamaterials (MMs), (iii) WPT system with relay resonators, and (iv) WPT system via a magneto-inductive wave. These four methods have their unique strengths and weaknesses. Additionally, they were analyzed and contrasted specifically in [5]. The principle of wireless power transfer based on magnetically coupled resonance is to take advantage of the resonance coupling of high quality factor coils to realize energy exchange in the near field. The energy exchange ratio and transfer loss are determined by the coupling strength and the quality factor of coils. In the mid-range WPT system, the system energy efficiency and transmission distance are important indicators.
In mid-range operation, the transfer distance is usually 50–200 cm [6]. The magnetic coupling coefficient between the two coils decreases sharply when the transfer distance increases. In recent years, a number of research methods have been adopted to analyze the mid-range WPT system. Duong et al. [7] presented an effective method using the “matching condition” technology, which is based on adaptively varying the coupling coefficient between the drive (load) coil and transmission (receiver) coil for the impedance matching to achieve maximum efficiency. Zhang et al. [8] introduced three significant factors in the four-coil structure of resonant WPT and simplified the circuit calculate formula to attain maximum transfer efficiency and output power. Pinuela et al. [9] manifested that the system de-to-load efficiency based on the two-coil inductive mode can be improved greatly by using a Class-E power amplifier, and the system also employed high Q factor coils operating at about 6 MHz. Reference [10,11,12] employed the physics of the magneto-inductive wave method to explain the behavior of the WPT system with several planar printed resonators in which each capacitive loaded resonator was coupled magnetically to a series of other resonators. The studies in [13,14,15] reported relay resonators applied between the drive loop and load loop to improve the transmission efficiency and increase the transfer distance operating at a high-frequency situation. The works in [16,17,18,19,20,21,22] showed that the negative permeability MMs enhanced the system efficiency and transmission distance due to its abilities of controlling the magnetic field and evanescent wave amplification. However, most research with the MMs has used the scattering parameter (mainly the S21 parameter) to describe the transfer efficiency by the network analyzer experimentally, rather than practical system energy efficiency, let alone using the Class-E power amplifier as a high frequency source to drive the whole WPT system with the MMs.
In this paper, we adopt the four-coil WPT system based on magnetically coupled resonance with the MMs in the near field. We firstly extended original research of the four-coil WPT system to elucidate a number of crucial system concepts, including the maximum power efficiency and the optimal load. Then, a single-layer square thin unit cell of loaded spiral resonators was designed. Accordingly, these units were assembled in a 5 × 5 slab periodically to achieve a negative magnetic permeability. Furthermore, the tuning scheme was proposed to contribute to the transfer property. In addition, the Class-E power amplifier was employed as the inverter circuit topology to adapt to the highly operating frequency of 2.80 MHz. By applying this technology, the system energy efficiency could be improved by 4.26% and 9.13% at distances of 100 cm and 200 cm, respectively. The proposed system is significant as a power supply for electric applications in relatively far distances, such as a mobile phone and tablet PC. In particular, this technology can make the power grid much smarter by supplying high voltage power pole tower on-line monitoring terminal devices.

2. Proposed WPT System with the MMs

It is well known that the four-coil WPT system based on magnetic resonance coupling consists of the drive coil, the transmitting coil (Tx), the receiving coil (Rx), and the load coil. Normally, the distance between the drive coil (load coil) and the Tx (Rx) coil is relatively close, so the magnetic coupling is relatively strong. Nevertheless, the Tx coil is far from the Rx coil and the coupling coefficient is low conversely. Figure 1 presents a diagram of the four-coil WPT system with the MMs. The adjustable DC power source supplies the Class-E amplifier, and the signal generator can emit a high frequency Pulse Width Modulation (PWM) square wave. The Class-E amplifier is designed to amplify the power of a high frequency signal to meet the requirement of transmitting power. The MMs is placed between the Tx and Rx coil, the position of which is varied constantly and the optimal position of the MMs needs to be analyzed. The load resistance is the link to the load loop.

2.1. Theoretical Analysis of the Four-Coil WPT System

Figure 2 shows the equivalent circuit diagrams of the four-coil WPT system. All the parameters are considered in the complete model. As a contrast, the equivalent model can be simplified to ignore the less influential quantities. The internal resistance of the power source and the load equivalent resistance are RS and RL, respectively. The signal source is denoted by Vs. The distance of the Tx coil and Rx coil is defined as the transfer distance in the four-coil WPT system. The electrical parameters of each coil are denoted by RiLiCi (i, j = 1, 2, 3, 4). Mij is the mutual inductance of two adjacent coils, and the cross coupling parameters are negligible (M13 = M24 = M14 = 0). Compared with the Rs and RL, the coil equivalent resistance of the drive loop and the load loop are so tiny so are neglected. In addition, the four coils have same operating resonance frequency. The simplified circular model is illustrated in Figure 2b.
When the proposed four coils work at same resonant frequency of 2.80 MHz, according to the Kirchhoff voltage law (KVL) and the mutual coupling theories, the voltage and current in each coil can be illustrated as follows:
{ V s = R s I 1 + j ω M 12 I 2 0 = R 2 I 2 + j ω M 12 I 1 + j ω M 23 I 3 0 = R 3 I 3 + j ω M 23 I 2 + j ω M 34 I 4 0 = R L I 4 + j ω M 34 I 3
Similarly, the input impedance, Zin, is a very significant parameter for the design of Class-E, and it can be expressed as:
Z i n = V s R s I 1 I 1
Solving (1) and (2), the Zin can be derived [7], which is:
Z i n = R s k 12 2 Q 1 Q 2 ( 1 + k 34 2 Q 3 Q 4 ) 1 + k 23 2 Q 2 Q 3 + k 34 2 Q 3 Q 4
where Qi is the quality factor of the ith coil. Q1 is equal to Q4 and Q2 is the same as the Q3 due to the symmetry of the proposed system. k12, k23, and k34 are the coupling coefficients of the drive loop and the Tx coil, the Tx coil and the Rx coil, and the load loop and the Rx coil, respectively. When the distance between the coils changes, the coupling coefficient varies correspondingly, and eventually the Zin changes, as shown in the Figure 3. It can be seen that as k12 and k34 increase, the efficiency also is improved.
For a traditional two-coil WPT system, the secondary coil can be reflected as the pure resistance when two coils are in resonance. By adjusting the load resistance value, the system can achieve the maximum efficiency output, namely, there is an optimal load in the system. The optimal load can be expressed as [23]:
R L = 1 + k 2 Q 1 Q 2 R 2
in which k is the coupling coefficient, Qi is the quality factor of the ith coil, and R2 is the resistance of the secondary coil. Similarly, the four-coil WPT system can be equivalent to the traditional two-coil resonator. The drive loop can be reflected to the Tx coil and the load loop can be reflected in the Rx coil, as shown in Figure 4. Rseqt, Vseqt, and RLeqt is the equivalent resistance, voltage supply, and the load resistance, respectively.
According to the two-coil system optimal load analysis, the optimal reflected resistance, RLeqt, from the load loop to the Rx coil in the four-coil WPT system can be derived as:
R L e q t = ( ω M 34 ) 2 R 4 + R L = 1 + k 23 2 Q 2 Q 3 R 3
From the above formula, to adjust the coupling coefficient between the load loop and the Rx coil, namely, to change the distance between the load loop and the Rx coil, an optimal load and improvement of the transfer efficiency of the system can be achieved.
In the four-coil WPT system, the system transfer efficiency can be denoted by the power distribution among the equivalent reflected resistances in each coil. The total efficiency is equal to the product of the equivalent resistance ratios. Thus, when four coils are tuning to the resonance frequency, the efficiency is calculated as:
η = ( w M 34 ) 2 R L ( w M 34 ) 2 R L + R 3 ( w M 23 ) 2 ( w M 34 ) 2 R L + R 3 ( w M 23 ) 2 ( w M 34 ) 2 R L + R 3 + R 2 ( w M 12 ) 2 ( w M 23 ) 2 ( w M 34 ) 2 R L + R 3 + R 2 ( w M 12 ) 2 ( w M 23 ) 2 ( w M 34 ) 2 R L + R 3 + R 2 + R s
The efficiency can be expressed in another form [24]:
η = I 4 2 R L V S I 1 = ( k 12 2 Q 1 Q 2 ) ( k 23 2 Q 2 Q 3 ) ( k 34 2 Q 3 Q 4 ) [ ( 1 + k 12 2 Q 1 Q 2 ) ( 1 + k 34 2 Q 3 Q 4 ) + k 23 2 Q 2 Q 3 ] [ ( 1 + k 23 2 Q 2 Q 3 + k 34 2 Q 3 Q 4 ) ]
Figure 5 shows the system efficiency, η, as a function of k12 and k34. It can be seen that k34 has a greater effect on the efficiency than k12. Generally, when the transfer distance between the Tx coil and Rx coil is fixed, the maximum efficiency can be achieved by adjusting the distance between the Rx coil and the load loop.
In a practical experiment, the distance between the Tx coil and the Rx coil is fixed at some value (k23 is fixed value), and k12 and k34 are varied by adjusting the distance between relevant coils to change the Zin and system efficiency in the meantime. From the optimal load analysis of the four-coil WPT system, the k34 is an important factor to the optimal load. In addition, the k34 has a greater influence than the k12 on the Zin and system efficiency. In general, we fixed the distance between the Tx coil and the Rx coil and varied the distance between the load loop and the Rx coil to achieve the optimal load, and then changed the distance between the drive loop and the Tx coil to attain the needed Zin of the Class-E amplifier.

2.2. Analysis and Design of the MMs

It is generally known that the MMs with negative permeability have the supernatural ability that changes the direction of the magnetic propagation and contributes to distance enhancement and efficiency improvement. Reference [20,21,22] used the numerical models and analytical theory to explain the principle of MM’s focusing property. According to Maxwell equations:
{ k E = 0 k H = 0 k × E = μ ω H k × H = ε ω E
where w is the plane electromagnetic wave frequency, k is wave vector, μ is the dielectric permeability, ε is the dielectric constant, E is the electric field intensity, and H is the magnetic field intensity. According to the formula, n 2 = μ r ε r , when k, E, and H form the left hand system, and the refractive index, n, is negative. When the electromagnetic wave enters the surface of the medium, according to Fresnel’s law:
tan θ 1 tan θ 2 = μ r 1 μ r 2
θ1 and θ2 are the angle of incidence and refraction. As shown in Figure 6, the refraction occurs when electromagnetic waves pass through two dielectric interfaces with opposite chirality. Figure 6c manifests that the reflected wave and the incident wave are in the same direction when the relative permeability is negative. If the magnetic field can be restrained effectively and controlled artificially to solve the problem of rapid divergence and attenuation of the magnetic field, the transmission distance and efficiency of the magnetic resonance wireless transfer system can be improved effectively [18].
To achieve the desired MMs slab, the HFSS (High Frequency Simulator Structure) software was adopted to simulate the MM structure. The S-parameter can be obtained and finally converted into the relationship between the relative permeability and frequency [25,26,27]. To make the MM unit cell elastic and compact, the proposed MM unit cell was designed to be square with a length of 120 mm and a series capacitance of 2.27 nF was welded on both ends of the copper strip to tune the resonant frequency of the MM unit cell. The structure diagram of the MM unit cell is shown in Figure 7a. The substrate was made of FR-4 whose relative dielectric constant was εr = 4.4 and the loss tangent was tanδ = 0.025 and its thickness was 2mm. The extracted relative permeability curve depending on the frequency of the MM unit cell is illustrated in Figure 7b. The structure parameters of the MM unit cell are listed in Table 1.
To optimize the MM unit cell design, a variety of parameter structures were compared for resonance frequency control, as shown in Figure 8. When the width, the interval and the turn of the copper strip, and the thickness of the substrate varied, the resonance frequency of the MM unit cell changed correspondingly. It can be seen that the width and interval had no obvious influence on the resonance frequency, whereas the change of the turn made the resonance frequency deviate largely. The main reason was that the increase of the turn number made the inductance increase more distinct. In addition, the thickness of the substrate had less impact for the resonance frequency. In this paper, the MM unit cell adopting the above structure parameters was a comprehensive consideration of size, flexibility, and firmness in fabrication. To accommodate the coil size, the MMs slab consisted of a 5 × 5 unit cell, and the diameter of the Tx (Rx) coil was 500 mm.

3. Fabrication of Class-E Amplifier and Experiment Verification

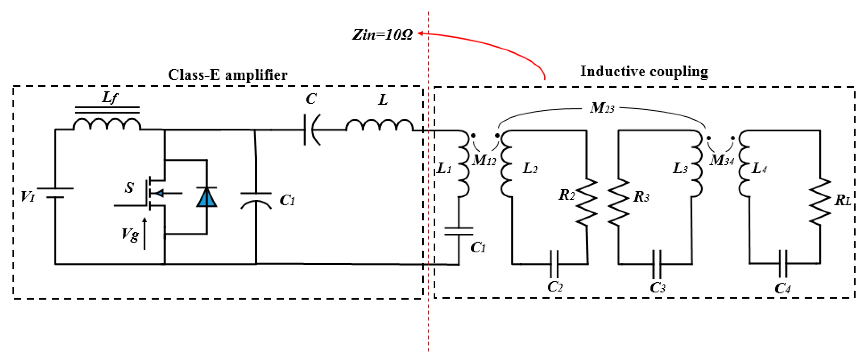
To verify the previous power transfer efficiency analysis and the effect of MMs, a high-frequency Class-E power drive was designed. The Class-E amplifier has a simple topology and operating frequency up to the MHz level. It is suitable to be used as a high frequency excitation source for the WPT system with the MM. The Class-E amplifier consists of the DC voltage source VI, RF choke Lf, shunt capacitance, C1, Metal-Oxide-Semiconductor Field Effect Transistor (MOSFET), S, resonant capacitance, C, and inductor, L. It can reach the soft switching state with the appropriate parameter of the electrical component [28,29,30]. Furthermore, the RF Class-E topology needs to be chosen to meet the four-coil system property. Figure 9 shows the circuit sketch of the WPT system with the Class-E amplifier. We set the equivalent output resistance of the Class-E to 10 Ω, namely, the Zin needed to be adjusted to 10 Ω by varying the distance between coils. The operating frequency of system was 2.80 MHz. The quality factor was set as 8. The rest of the parameters were calculated by expression (10). Table 2 lists the parameters of the Class-E amplifier.
{ L f = 2 ( π 2 4 + 1 ) R f 7 R f C 1 = 8 π ( π 2 + 4 ) w R C = 1 w R [ Q π ( π 2 4 ) 16 ] L = Q R w
A few megahertz switching frequency and hundreds of watts can be achieved by the using of silicon carbide devices (C2M008012D), and its conduction resistance and parasitic capacitance are very tiny. The driver chip (IXDD614) was employed in this circuit template, as shown in Figure 10a. Figure 10b shows that voltage waveform of the test load resistance, the waveform was a sinusoidal wave approximately and its working frequency was 2.80 MHz. The duty ratio of the signal was less than 50%, ensuring that the amplifier operated in a soft-switched state.
To verify the proposed the method, a four-coil WPT system with the MMs was built, as shown in Figure 11. The radius of the Tx coil was set to 25 cm, a turn of 10, and a pitch of 4 cm, with the radius of the copper tube as 4 mm, the same as the Rx coil. Additionally, both the drive loop and the load loop were the single turn circular coil with a diameter of 40 cm. The additional capacitor was welded to the four coils to achieve a resonant frequency of 2.80 MHz. The parameters of the four-coil WPT system is shown in Table 3. For simplification, the skin effect and proximity effect were ignored. The unit cells were assembled periodically as a 5 × 5 MMs slab. The MMs slab was located between the Tx coil and the Rx coil. All the modules, including the drive loop, the Tx coil, the MMs slab, the Rx coil, and the load loop, were placed coaxially. The DC power source supplied energy for the Class-E amplifier, the signal generator emitted the high frequency PWM electrical level, and the oscilloscope measures the waveform of the output resistance. The MMs was located between the Rx coil and the Tx coil and the position of the MMs changed along with the distance between the Rx coil and the Tx coil accordingly.
Firstly, we changed the distance between the load loop and the Rx coil to achieve the optimal load, and then changed the distance between the drive loop and the Tx coil to attain the needed Zin of the Class-E amplifier. The LCR meter was to make sure that the output resistance, Zin, was equal to about 10 Ω by varying the distance between the two coils.
Figure 12 shows the optimal load by changing the distance between the load loop and the Rx coil in the four-coil WPT system without MMs. dtl denotes the distance between the load loop and the Rx coil. dtr represents the distance between the Tx coil and the Rx coil. When the dtr was fixed at a certain value, the dtr was varied to achieve the maximum efficiency. It can be seen that as the system transfer distance, dtr, increased, the optimal distance of dtl increased. Changes of the coil distances resulted in variations of the coupling coefficient. This experimental phenomenon is in good agreement with the previous analysis.
Table 4 lists the measured power results of the WPT system with the MMs. The magnitudes of the input current is I1, and the input and output voltages are V1 and V2, respectively. V1 and I1 were obtained from the DC power source. V2 was measured by an oscilloscope. The load resistance, RL, was 10 Ω, and the output power PL was calculated as the radio of the square of the output voltage, V2, to the load resistance, RL. The system power efficiency was derived by the expression, η = PL/V1I1. This table lists a set of measured data and manifests that the system output power can reach 5w approximately of 20.11% efficiency when the transfer distance was 200 cm.
Figure 13 shows the measured results for the optimal loading position of the MMs in the WPT system. dtr represents the distance between the Tx coil and the Rx coil and dtm denotes the distance between the Tx coil and the MMs. The distance of the Tx coil and the Rx coil was fixed to a certain value, varying from 1 m to 2 m, as labeled in the upper right area of the figure. The MM slab was moved 10cm apart between the Tx coil and the Rx coil at the certain dtr, as shown in the x-coordinate of the figure. It can be seen that the transfer efficiency decreased when the dtr increased. Furthermore, the transfer efficiency reached the maximum when the MMs slab was placed in the middle of the two coils approximately and the MM’s optimum loading position increased with the enhancement of the transmission distance generally.
Figure 14 compares the measured transfer efficiency of the WPT system with/without the MMs. Obviously, the MMs contributed to the efficiency improvement for the mid-range WPT system. The strength of coupling between the Tx coil and the Rx coil was large when the two coils were closer together, so the MMs have little effect on the efficiency. However, the MMs was very useful for efficiency enhancement as the transfer distance became larger. The transfer efficiency improved by 3.26% when the Rx coil and Tx coil were 100 cm apart. On the contrary, the MMs enabled the WPT system to remain highly efficient when the two coils were far apart from each other. The transfer efficiency was enhanced by 9.13% when the transfer distance was 200 cm apart. In particular, the transfer efficiency was maximized up to 18.58% at 160 cm.

4. Discussion

This paper discusses the WPT system with the MMs using a Class-E RF power amplifier. It elaborates that the system transfer efficiency remains high in relatively long distances. Research of the WPT system and the MMs have been analyzed separately in recent years. Most studies have explained that the MMs are applied in the WPT system based on the physical mechanisms and simulated analysis, such as the microwave theory and transmission line theory. To explore an effective method to combine the WPT system with the MM is the focus of future research, such as the equivalent circuit model. This method can help to analyze the inner relation between the WPT system and the MMs.

5. Conclusions

The mid-range WPT system based on the metamaterials using the Class-E amplifier was analyzed. The principle revealed that the MMs helped with efficiency improvement and distance enhancement in the four-coil WPT system. Furthermore, the Class-E power amplifier applied in the WPT system with the MMs was firstly proposed. The experiment setup exhibited the transfer efficiency in the WPT system with/without the MMs and displayed the MMs’ focusing property. In conclusion, the proposed method can be practical for the mid-range WPT system, especially for household electric application and on-line monitoring of terminal devices on the power pole tower.

Author Contributions

C.R. and M.L. conceived and designed the study; C.R. and X.T. gave the theoretical and data analysis; X.H. and C.L. gave the design of metamaterials; Z.H. and Y.Z. revised the whole manuscript; M.L. gave the financial support during the research; C.R. wrote the paper.

Funding

This research was supported by the National Key R&D Program of China (Grant No. 2018YFB0106300), Scientific Projects of State Grid Corporation of China under Grant No. 0231132705, Huazhong University of Science and Technology.

Acknowledgments

This work was supported by the National Key R&D Program of China (Grant No. 2018YFB0106300), Scientific Projects of State Grid Corporation of China under Grant No. 0231132705, Huazhong University of Science and Technology.

Conflicts of Interest

The authors declare no conflict of interest.

References

  1. Zhu, Q.; Wang, L.; Guo, Y.; Liao, C.; Li, F. Applying LCC Compensation Network to DynamicWireless EV Charging System. IEEE Trans. Ind. Electron. 2016, 63, 6557–6567. [Google Scholar] [CrossRef]
  2. Kim, S.M.; Moon, J.K.; Cho, I.K. 120W Wireless Power Transfer System for the Wireless Seat in Automobile. In Proceedings of the 2017 Progress in Electromagnetics Research Symposium, Singapore, 19–22 November 2017; pp. 2635–2637. [Google Scholar]
  3. Roshan, Y.M.; Park, E.J. Design approach for a wireless power transfer system for wristband wearable devices. IET Power Electron. 2017, 10, 931–937. [Google Scholar] [CrossRef]
  4. Basar, M.R.; Ahmad, M.Y.; Cho, J.; Ibrahim, F. Stable and High-Efficiency Wireless Power Transfer System for Robotic Capsule Using a Modified Helmholtz Coil. IEEE Trans. Ind. Electron. 2017, 64, 1113–1122. [Google Scholar] [CrossRef]
  5. Hui, S.Y.R.; Zhong, W.; Lee, C.K. A critical review of recent progress in mid-range wireless power transfer. IEEE Trans. Power Electron. 2014, 26, 4500–4511. [Google Scholar] [CrossRef]
  6. Ren, J.; Hu, P.; Yang, D.; Liu, D. Tuning of mid-range wireless power transfer system based on delay-iteration method. IET Power Electron. 2015, 9, 1563–1570. [Google Scholar] [CrossRef]
  7. Duong, T.P.; Lee, J.W. Experimental Results of High-Efficiency Resonant Coupling Wireless Power Transfer Using a Variable Coupling Method. IEEE Microw. Wirel. Comp. Lett. 2011, 21, 442–444. [Google Scholar] [CrossRef]
  8. Zhang, Y.; Zhao, Z.; Lu, T. Quantitative Analysis of System Efficiency and Output Power of Four-Coil Resonant Wireless Power Transfer. IEEE J. Emerg. Sel. Top. Power Electron. 2015, 3, 184–190. [Google Scholar] [CrossRef]
  9. Pinuela, M.; Yates, D.; Lucyszyn, S.; Mitcheson, P.D. Maximising DC to load efficiency for inductive power transfer. IEEE Trans. Power Electron. 2013, 28, 2437–2447. [Google Scholar] [CrossRef]
  10. Shamonina, E.; Kalinin, V.A.; Ringhofer, K.H.; Solymar, L. Magnetoinductive waves in one, two, and three dimensions. J. Appl. Phys. 2002, 92, 6252–6261. [Google Scholar] [CrossRef]
  11. Stevens, C.J.; Chan, C.W.T.; Stamatic, K.; Edwards, D.J. Magnetic Metamaterials as 1-D Data TransferChannels: An Application for Magneto-Inductive Waves. IEEE Trans. Microw. Theory Tech. 2010, 58, 1248–1256. [Google Scholar] [CrossRef]
  12. Stevens, C.J. Magnetoinductive Waves and Wireless Power Transfer. IEEE Trans. Power. Electron. 2015, 30, 6182–6190. [Google Scholar] [CrossRef]
  13. Zhang, F.; Hackworth, S.A.; Fu, W.; Li, C.; Mao, Z.; Sun, M. Relay effect of wireless power transfer using strongly coupled magnetic resonances. IEEE Trans. Magn. 2011, 47, 1478–1481. [Google Scholar] [CrossRef]
  14. Kiani, M.; Jow, U.M.; Ghovanloo, M. Design and optimization of a 3-coil inductive link for efficient wireless power transmission. IEEE Trans. Biomed. Circuits Syst. 2011, 5, 579–591. [Google Scholar] [CrossRef] [PubMed]
  15. Zhang, X.; Ho, S.L.; Fu, W.N. Quantitative design and analysis of relay resonators in wireless power transfer system. IEEE Trans. Magn. 2012, 48, 4026–4029. [Google Scholar] [CrossRef]
  16. Li, W.; Wang, P.; Yao, C.; Zhang, Y.; Tang, H. Experimental investigation of lD, 2D, and 3D metamaterials for efficiency enhancement in a 6.78 MHz wireless power transfer system. In Proceedings of the 2016 IEEE Wireless Power Transfer Conference (WPTC), Aveiro, Portugal, 5–6 May 2016; pp. 1–4. [Google Scholar]
  17. Wang, B.; Yerazunis, W.; Teo, K.H. Wireless Power Transfer: Metamaterials and Array of Coupled Resonators. Proc. IEEE 2013, 101, 1359–1368. [Google Scholar] [CrossRef]
  18. Cho, Y.; Kim, J.J.; Kim, D.H.; Lee, S.; Kim, H. Thin PCB-Type Metamaterials for Improved Efficiency and Reduced EMF Leakage in Wireless Power Transfer Systems. IEEE Trans. Microw. Theory Tech. 2016, 64, 353–364. [Google Scholar] [CrossRef]
  19. Ranaweera, A.L.A.K.; Duong, T.P.; Lee, J.W. Experimental investigation of compact metamaterial for high efficiency mid-range wireless power transfer application. J. Appl. Phys. 2014, 116, 83–86. [Google Scholar] [CrossRef]
  20. Boyvat, M.; Hafner, C.V. Molding the Flow of Magnetic Field with Metamaterials: Magnetic Field Shielding. Prog. Electromagn. Res. 2012, 126, 303–316. [Google Scholar] [CrossRef]
  21. Ranaweera, A.L.A.K.; Arriola, C.; Lee, J.W. Anisotropic metamaterial for efficiency enhancement of mid-range wireless power transfer under coil misalignment. J. Phys. D Appl. Phys. 2015, 48, 455104. [Google Scholar] [CrossRef]
  22. Huang, D.; Urzhumov, Y.; Smith, D.R.; Teo, K.H.; Zhang, J. Magnetic superlens-enhanced inductive coupling for wireless power transfer. J. Appl. Phys. 2012, 111, 064902. [Google Scholar] [CrossRef]
  23. Liu, S.; Chen, L.; Zhou, Y.; Cui, T.J. A general theory to analyse and design wireless power transfer based on impedance matching. Int. J. Electron. 2014, 101, 1375–1404. [Google Scholar] [CrossRef]
  24. Ram Rakhyani, A.K.; Mirabbasi, S.; Chiao, M. Design and Optimization of Resonance-Based Efficient Wireless Power Delivery Systems for Biomedical Implants. IEEE Trans. Biomed. Circuits Syst. 2011, 5, 48–63. [Google Scholar] [CrossRef]
  25. Smith, D.; Schultz, S.; Markos, P.; Soukoulis, C. Determination of effective permittivity and permeability of metamaterials from reflection and transmission coefficients. Phys. Rev. B, Condens. Matter 2002, 65, 195104. [Google Scholar] [CrossRef]
  26. Smith, D.; Vier, D.; Koschny, T.; Soukoulis, C. Electromagnetic parameter retrieval from inhomogeneous metamaterials. Phys. Rev. E Stat. Phys. Plasmas Fluids Relat. Interdiscip. Top. 2005, 71, 036617. [Google Scholar] [CrossRef] [PubMed]
  27. Cheng, Y.Z.; Jin, J.; Li, W.L.; Chen, J.F.; Wang, B.; Gong, R.Z. Indefinite-permeability metamaterial lens with finite size for miniaturized wireless power transfer system. AEU Int. J. Electron. Commun. 2016, 70, 1282–1287. [Google Scholar] [CrossRef]
  28. Carrubba, V.; Maroldt, S.; Musser, M.; Ture, E.; Dammann, M.; van Raay, F.; Quay, R.; Brückner, P.; Ambacher, O. High-Efficiency, High-Temperature Continuous Class-E Sub-Waveform Solution AlGaN/GaN Power Amplifier. IEEE Microw. Wirel. Compon. Lett. 2015, 25, 526–528. [Google Scholar] [CrossRef]
  29. Oh, H.S.; Song, T.; Yoon, E.; Kim, C.K. A power-efficient injection-locked class-E power amplifier for wireless sensor network. IEEE Microw. Wirel. Compon. Lett. 2006, 16, 173–175. [Google Scholar]
  30. Takahashi, E.; Ishikawa, T.; Kashimura, K.; Adachi, N. High-Efficiency Four-Stage Class-E Doherty Amplifier for W-CDMA Base Stations. In Proceedings of the 2008 38th European Microwave Conference, Amsterdam, The Netherlands, 27–31 October 2008; pp. 234–237. [Google Scholar]
Figure 1. The architecture of the Wireless Power Transfer (WPT) system based on the metamaterials (MMs).
Figure 1. The architecture of the Wireless Power Transfer (WPT) system based on the metamaterials (MMs).
Applsci 09 00026 g001
Figure 2. The equivalent circuit model of the four-coil WPT system. (a) The complete model. (b) The simplified model.
Figure 2. The equivalent circuit model of the four-coil WPT system. (a) The complete model. (b) The simplified model.
Applsci 09 00026 g002
Figure 3. The relationship (a) between input impedance Zin and k12, and (b) between input impedance Zin and k34.
Figure 3. The relationship (a) between input impedance Zin and k12, and (b) between input impedance Zin and k34.
Applsci 09 00026 g003
Figure 4. Equivalent simplified circuit diagram of the four-coil WPT system.
Figure 4. Equivalent simplified circuit diagram of the four-coil WPT system.
Applsci 09 00026 g004
Figure 5. The efficiency as a function of the k12 and the k23.
Figure 5. The efficiency as a function of the k12 and the k23.
Applsci 09 00026 g005
Figure 6. Reflection principle of electromagnetic waves. (a) High positive μr2. (b) Zero μr2. (c) High negative μr2.
Figure 6. Reflection principle of electromagnetic waves. (a) High positive μr2. (b) Zero μr2. (c) High negative μr2.
Applsci 09 00026 g006
Figure 7. (a) The structure of the MM unit cell. (b) The relative permeability versus the frequency of the MM unit cell.
Figure 7. (a) The structure of the MM unit cell. (b) The relative permeability versus the frequency of the MM unit cell.
Applsci 09 00026 g007
Figure 8. The relative permeability as a function of the resonance frequency of the MM unit cell by varying: (a) The width of the copper strip; (b) the interval between the copper strips; (c) the turn number of the copper strip; and (d) the thickness of the substrate.
Figure 8. The relative permeability as a function of the resonance frequency of the MM unit cell by varying: (a) The width of the copper strip; (b) the interval between the copper strips; (c) the turn number of the copper strip; and (d) the thickness of the substrate.
Applsci 09 00026 g008
Figure 9. The equivalent circuit diagram with the Class-E amplifier.
Figure 9. The equivalent circuit diagram with the Class-E amplifier.
Applsci 09 00026 g009
Figure 10. (a) The physical circuit board of each component of the Class-E amplifier. (b) The voltage waveform of the test load resistance.
Figure 10. (a) The physical circuit board of each component of the Class-E amplifier. (b) The voltage waveform of the test load resistance.
Applsci 09 00026 g010
Figure 11. Experiment setup of the WPT system with the MM slab.
Figure 11. Experiment setup of the WPT system with the MM slab.
Applsci 09 00026 g011
Figure 12. The experiment of the optimal load analysis.
Figure 12. The experiment of the optimal load analysis.
Applsci 09 00026 g012
Figure 13. Effect of the MMs’ loading position on the system transmission efficiency.
Figure 13. Effect of the MMs’ loading position on the system transmission efficiency.
Applsci 09 00026 g013
Figure 14. Comparison of transfer efficiency before and after the MMs loading.
Figure 14. Comparison of transfer efficiency before and after the MMs loading.
Applsci 09 00026 g014
Table 1. The structure parameters of the MM unit cell.
Table 1. The structure parameters of the MM unit cell.
SymbolParameterValue
SLength of side (mm)120
gInterval (mm)3
wWidth (mm)4
NTurn3
TThickness of substrate2
Table 2. Parameters of the proposed Class-E amplifier.
Table 2. Parameters of the proposed Class-E amplifier.
MeaningSymbolValue
Resonant frequencyf2.80 MHz
Shunt capacitanceC01.04 nF
Resonant inductanceL4.54 uH
Resonant capacitanceC0.83 nF
Quality factorQ8
Choke inductanceL031.56 uH
Table 3. The electrical parameters of the four coils.
Table 3. The electrical parameters of the four coils.
Inductance (uH)Resistance (Ω)Parasitic Capacitor (pF)Q (Unload) @2.80 MHzAdditional Capacitor (pF)Resonant fre. (MHz)
Drive coil1.760.11101.835 × 1032.81
Tx coil49.61.6410.9532.1502.80
Rx coil49.11.6310.5531.8502.81
Load coil1.750.11091.835 × 1032.80
Table 4. Measured power results of the WPT system with the MMs.
Table 4. Measured power results of the WPT system with the MMs.
V1 (V)V2 (V)I1 (A)η (%)PL (W)
100 cm10.57.140.6277.905.10
120 cm11.47.160.6173.645.12
140 cm14.37.160.6257.035.13
160 cm15.17.140.7150.925.10
180 cm15.737.161.0530.875.13
200 cm19.257.151.3120.115.12

Share and Cite

MDPI and ACS Style

Rong, C.; Tao, X.; Lu, C.; Hu, Z.; Huang, X.; Zeng, Y.; Liu, M. Analysis and Optimized Design of Metamaterials for Mid-Range Wireless Power Transfer Using a Class-E RF Power Amplifier. Appl. Sci. 2019, 9, 26. https://doi.org/10.3390/app9010026

AMA Style

Rong C, Tao X, Lu C, Hu Z, Huang X, Zeng Y, Liu M. Analysis and Optimized Design of Metamaterials for Mid-Range Wireless Power Transfer Using a Class-E RF Power Amplifier. Applied Sciences. 2019; 9(1):26. https://doi.org/10.3390/app9010026

Chicago/Turabian Style

Rong, Cancan, Xiong Tao, Conghui Lu, Zhaoyang Hu, Xiutao Huang, Yingqin Zeng, and Minghai Liu. 2019. "Analysis and Optimized Design of Metamaterials for Mid-Range Wireless Power Transfer Using a Class-E RF Power Amplifier" Applied Sciences 9, no. 1: 26. https://doi.org/10.3390/app9010026

APA Style

Rong, C., Tao, X., Lu, C., Hu, Z., Huang, X., Zeng, Y., & Liu, M. (2019). Analysis and Optimized Design of Metamaterials for Mid-Range Wireless Power Transfer Using a Class-E RF Power Amplifier. Applied Sciences, 9(1), 26. https://doi.org/10.3390/app9010026

Note that from the first issue of 2016, this journal uses article numbers instead of page numbers. See further details here.

Article Metrics

Back to TopTop