Next Article in Journal
A Mobile LiDAR-Based Deep Learning Approach for Real-Time 3D Body Measurement
Previous Article in Journal
Research on Wind Turbine Main Shaft Bearing Fault Diagnosis Method Based on Unity 3D and Transfer Learning
 
 
Font Type:
Arial Georgia Verdana
Font Size:
Aa Aa Aa
Line Spacing:
Column Width:
Background:
Article

The Influence of the Number of Pistons on the Pressure Pulsations and Vibration of the Axial Piston Pump Housing

by
Milan Radosavljević
1,
Lazar Stošić
1,
Slavica R. Mihajlović
2,
Nataša G. Đorđević
2,
Radovan Petrović
1,* and
Jasmina Lozanović
3,*
1
Faculty of Information Technology and Engineering, University “Union-Nikola Tesla”, Jurija Gagarina 149a, 11070 Belgrade, Serbia
2
Institute for Technology of Nuclear and Other Mineral Raw Materials, Franchet d’Esperey Blvd. 86, 11000 Belgrade, Serbia
3
Department of Engineering, FH Campus Wien, University of Applied Sciences, Favoritenstraße 226, 1100 Vienna, Austria
*
Authors to whom correspondence should be addressed.
Appl. Sci. 2025, 15(4), 2004; https://doi.org/10.3390/app15042004
Submission received: 10 January 2025 / Revised: 2 February 2025 / Accepted: 5 February 2025 / Published: 14 February 2025

Abstract

The number of pistons in axial piston pumps plays a significant role in determining the performance characteristics of the pump. While increasing the number of pistons can improve capacity, stability, and flow, it also requires careful consideration of design complexity and operational efficiency. The optimal number of pistons will depend on the specific requirements of the application and the trade-offs that can be effectively managed. With multiple pistons operating together, the resulting pressure profile is smoother, reducing fluctuations that can affect system performance. This is crucial in applications where stable pressure is necessary, as it can improve the reliability and efficiency of the hydraulic system. Each piston contributes to the total displacement, resulting in an increase in flow rate. However, this must be balanced against the potential for increased internal friction and the complexity that can arise from multiple moving parts. The effect of the number of pistons on vibration and operating balance is another important factor. A well-balanced multi-piston pump can minimize pulsations and vibrations, resulting in smoother operation. This is essential for applications where excessive vibrations can lead to wear or system instability. To perform fast Fourier transforms (FFTs) on the measured signals, each signal was sampled at 4096 points per revolution (cycle). With five measured signals (four pressures and one vibration), this resulted in a total of (4 + 1) × 4096 = 20,480 data points per revolution and 204,800 data points for 10 consecutive revolutions.

1. Introduction

The number of pistons in an axial piston pump significantly affects the vibrations of the pump housing (Figure 1). More pistons can lead to a more balanced distribution of forces through the pump. This balance helps reduce vibration, as the alternating forces from each piston can cancel out to some degree [1,2,3]. The overall design and configuration of the pump, including the number of pistons used, also play a role.
For example, pumps designed with an even number of pistons may exhibit different vibration patterns than those with an odd number [4,5].
The mathematical model relates pressure pulsations to vibration frequencies through coupled differential equations [6]. An analysis of the system’s response to pressure changes reveals how increased pulsation leads to higher vibration frequencies, especially under resonant conditions [7]. Using numerical methods or simulations can provide further insight into pump dynamics under different operating conditions.
A higher number of pistons can result in reduced torque fluctuations in the drive mechanism, which contributes to smoother operation and less vibration [8,9]. Fewer pistons can create larger torque spikes, increasing the potential for vibration [10].
The arrangement and number of pistons can affect how the pump absorbs and dissipates energy. More pistons can improve the damping characteristics of the system, reducing the amplitude of vibrations transmitted to the case [11,12,13].
Researchers are actively investigating the effect of piston numbers on pressure pulsations and vibrations in axial piston pumps. The dominant frequency components of the pressure pulsations are identified. These frequencies are analyzed with varying piston numbers. The effects of pulsations on system stability and component fatigue are investigated. The cylinder block geometry is optimized (e.g., cylinder bore size and cylinder spacing) to reduce pressure pulsations and improve vibration characteristics. The fluid flow inside the pump is simulated to predict pressure pulsations and their effects on the pump housing. Experimental tests are conducted on pumps with different piston numbers to validate the simulation results and gain insight into real-world behavior.
Advanced measurement techniques (e.g., high-speed pressure sensors and laser vibrometers) are used to obtain detailed data for analysis. Key research objectives are focused on reducing noise and vibration, minimizing the noise and vibration levels generated by the pump to improve operator comfort, reducing noise pollution, and improving system stability. Design guidelines and optimization techniques have been developed to minimize pulsations and vibrations in axial piston pumps. By following these research paths, researchers aim to develop more efficient, quieter, and more reliable axial piston pumps for a wide range of applications

2. Mathematical Model

Mathematical modeling, fluid dynamic behavior, flow characteristics, and pressure variations inside the pump are described by differential equations by introducing systematic assumptions and definitions with certain limitations. Fluid properties, structural parameters, and forces are described by appropriate equations [14].
The mathematical modeling of axial piston pumps is a multi-faceted process that involves careful consideration of equations, components, operating conditions, and physical constraints. This approach not only improves understanding of pump dynamics, but also aids in the design and optimization of hydraulic systems for improved performance and reliability [15].

2.1. Description of Mathematical Models of Pump Processes

The models are combined into a set of differential equations that describe the time-varying behavior of the pump under different operating conditions (Table 1). Solving these equations requires numerical methods (e.g., Runge–Kutta) to simulate the dynamic response of the pump in different scenarios [16,17].
Fluid flow into the suction chamber of the pump at location 1, Figure 2:
d Q 1 d t = σ 1 · μ 1 · A 1 · 2 · ρ s p u p s
where
  • σ1 = 1 for pu ≥ ps, σ1 = −1 for pu < ps;
  • A 1 —geometrical flow section of the intake pipe;
  • μ 1 —flow coefficient of the intake pipe.
Mass flow of fluid when filling one pump cylinder:
d Q u d t = σ u · μ u · A u 2 · ρ s · p s p c
where
σu = 1 for ps ≥ pc, σu = −1 for ps < pc;
  • Au—geometric flow cross-section;
  • μ u —geometric flow cross-section coefficient.
The mass balance of the suction chamber is as follows:
d Q s d t = d Q 1 d t j = 1 z d Q u , j d t
where
  • j = 1, 2,…, zc, zc—cylinder numbers.
Pressure equation in the suction chamber of the pump:
d p s d φ = E V s · ρ s · d Q 1 d φ j = 1 z c d Q u , j d φ
  • E —modulus of elasticity;
  • φ —the driving shaft angle.
Pressure in the pump cylinder:
d p c d φ = E V c · A c · v k ω + 1 ρ c · d Q u d φ d Q i d φ
where
  • V c = V c min + V c x ; V c x = A c · x k ;
  • Vcx—the volume of the pump cylinder achieved by moving the piston;
  • d V c d t = A c · v k , x k —current displacement of the piston.
Cylinder volume by moving the piston:
d Q v d t = j = 1 z c d Q i , j d t d Q 2 d t
where j = 1, 2,…, zc—the numbers of piston.
Fluid flow from the pressure chamber of the pump:
d Q 2 d t = σ 2 · μ 2 · A 2 · 2 · ρ t · p v p n
where
  • σ2 = 1 for pv ≥ pn, σ2 = −1 for pv < pn;
  • A2—geometrical flow section of the delivery pipeline.
Pressure in the pressure chamber of the pump:
d p v d φ = E V v · ρ v · j = 1 z c d Q i , j d φ d Q 2 d φ
Fluid leakage through the concentric gap between the cylinder and the piston:
d Q z d t = π · D c · Δ r 3 12 · η · x k φ · p c p s · ρ c
where D c —cylinder diameter; Δ r —radial clearance between the piston and the cylinder; η—dynamic viscosity; x k φ —current displacement of the piston; pc—cylinder pressure; ps—suction pressure; ρ c —fluid density in the cylinder.
Figure 2. Description of the schematic representation of fluid flow in an axial piston pump: 1. Suction pipe connection; 2. pump suction space; 3. cylinder block; 4. pump delivery; 5. supply pipe connection; 6. piston; 7. lifting plate; 8. inclined plate; 9. drive pump shaft; 10. drive pump shaft support.
Figure 2. Description of the schematic representation of fluid flow in an axial piston pump: 1. Suction pipe connection; 2. pump suction space; 3. cylinder block; 4. pump delivery; 5. supply pipe connection; 6. piston; 7. lifting plate; 8. inclined plate; 9. drive pump shaft; 10. drive pump shaft support.
Applsci 15 02004 g002

2.2. Mathematical Model of Balance of Forces

Piston forces:
Fh = p⋅A
where
  • Fh—the hydraulic force;
  • p—is the pressure of the fluid;
  • A—is the cross-sectional area of the piston.
  • Mechanical forces:
  • Fm—spring forces (like a force from a spring);
  • Ff—friction forces between the piston and the cylinder wall.
The friction force (Ff) between the piston and the cylinder wall is a resistive force that opposes the relative motion between these two components (Figure 3).
Force balance: to analyze the motion of a piston, we must consider all the forces acting on it.
Fh − Fm − Ff = 0

3. Experiment

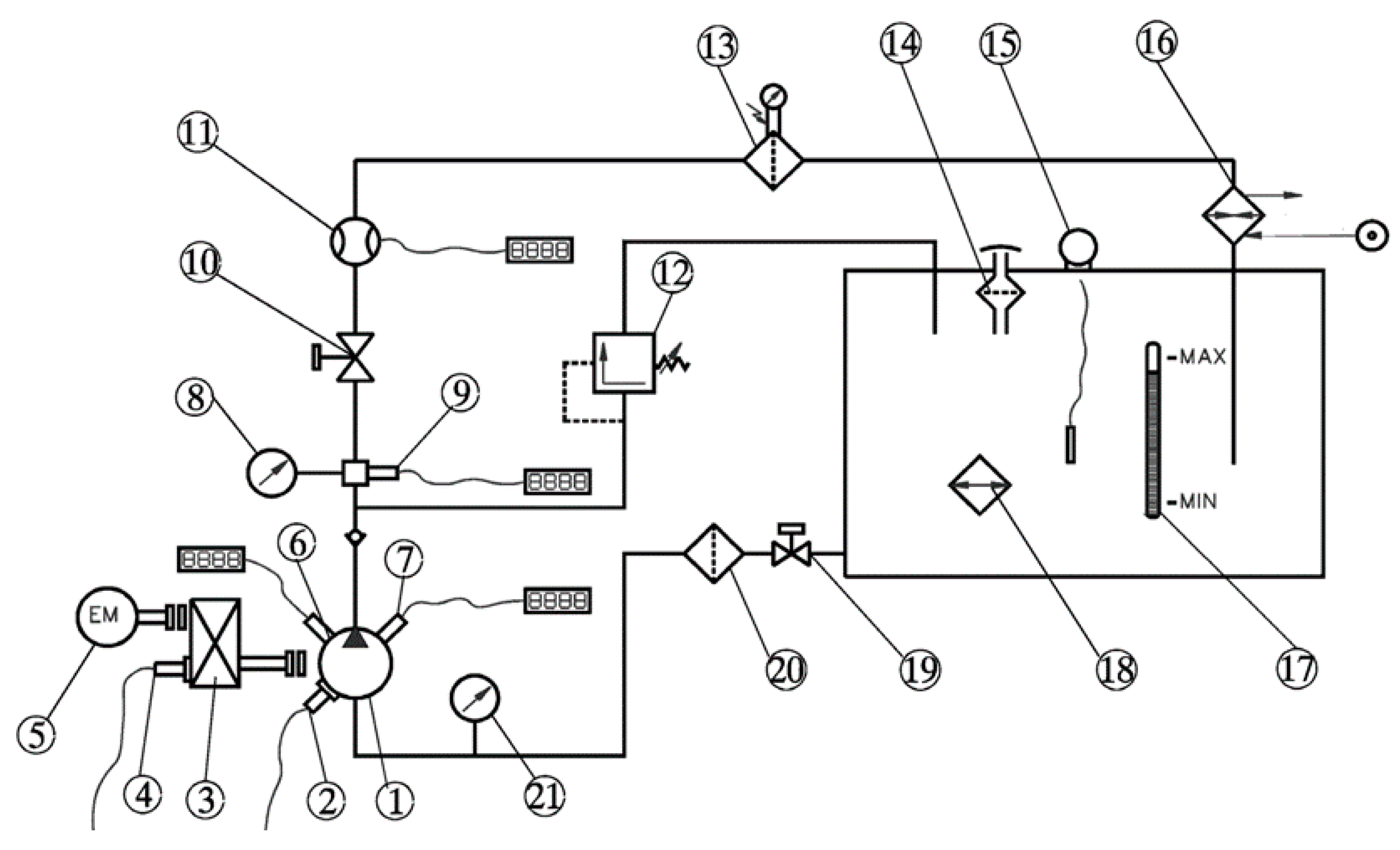
Figure 4 shows the hydraulic installation for testing the piston-axial pump (Table 2), which consists of the following: 1. tested pump; 2. vibration-measuring transducer; 3. reducer; 4. incremental rotary encoder; 5. electric motor; 6. cylinder pressure transducer; 7. pressure transducer in pressure chamber; 8. manometer; 9. absolute pressure transducer; 10. faucet; 11. measuring turbine for flow; 12. valve for pressure limitation; 13. return filter; 14. pourer with vent; 15. thermometer in the tank; 16. refrigerator; 17. working fluid level indicator; 18. heater; 19. suction tap; 20. suction filter; 21. manovacumeter.
Pressure transducers, based on measuring tapes type P3MA, range 500 bar, accuracy class 0.1, and bandwidth 100 kHz (Figure 5), were used to measure the pressure in the cylinder and pressure chamber of the pump. The flow measurement was performed with a measuring turbine type RE2 25/180 L/min, accuracy class 0.4.
An incremental encoder type ROD 426 E, with 1024 optical markers and a maximum number of revolutions of 12,000 min−1, was used to measure the rotation angle of the pump’s drive shaft. Using an accelerometer with a measurement range of 5 m/s2, the vibration amplitudes of the housing were measured.
The ultra-fast measurement and control system ADS 2000-CADEX (Figure 6 and Figure 7) enables the continuous measurement and calculation of the characteristic parameters of the pump’s working cycle in real time.
The processor takes data from the A/D converter in real time directly into the CPU-DRAM. At the same time, the processor controls the amplifier and multiplexer cards in real time. Software for measuring cyclic and non-cyclic rapidly changing processes with a graphic online display was developed for the system. The statistical processing of the measured data in the measurement process is performed with a graphic display. The maximum measurement speed is 3 MHz with 6…12 simultaneous A/D converters at 50,000,000 measured data in one ensemble. Up to 4 VME-CPU cards with Motorola 68020…68060, Intel Pentium, Digital Alpha, or Motorola Power PC processors can be integrated into the system.
The VME-bus ADC system uses ADC cards, each containing two 12-bit A/D converters, each with a sampling rate of 350 kHz, operating simultaneously. Data acquisition can be triggered by either an angle encoder pulse or a timer. The hardware registers the incremental angle encoder reference mark for synchronization. However, the system does not perform real-time error checking or angular encoder status monitoring. The system is scalable and can integrate up to six A/D cards, providing a total of 12 A/D converters.
The VME-bus PGA multiplexer and amplifier module has six high-speed instrumentation amplifiers for direct connection of full-bridge tape measure transmitters with a 5 V DC supply (options 12 or 15). The maximum switching speed is 150 kHz. In total, 4 VME-bus PGA modules are integrated into the implemented system.
The applied measurement system enables simultaneous measurement on 4 fast analog channels, with parallel measurement of time intervals from the angle mark to the incremental angle encoder mark “changed to”. The measurement system enables simultaneous data acquisition from four fast analog channels, synchronized with the precise measurements of the time interval between the encoder pulse and the reference mark (index pulse or Z-pulse) from the same encoder [18].

4. Comparison of Simulation and Experimental Results

Measurements of cylinder pressure, pump pressure chamber pressure, pressure pipeline pressure, and pump housing vibration amplitude were acquired as a function of the drive shaft angle. Data were sampled at intervals of approximately 0.09° of shaft rotation, resulting in 4096 samples per revolution. An optical incremental rotary encoder with 1024 pulses per revolution (PPR) was used. An interface with a multiplication factor of four (quadrupling) was employed to generate 4096 pulses per revolution [19,20].
To perform fast Fourier transforms (FFTs) on the measured signals, each signal was sampled at 4096 points per revolution (cycle). With five measured signals (four pressures and one vibration), this resulted in a total of (4 + 1) × 4096 = 20,480 data points per revolution and 204,800 data points for 10 consecutive revolutions. Measurements were conducted across seven operating modes, with the parameters detailed in Table 3.
To assess the uniformity of the drive shaft’s angular speed and monitor the performance of the incremental rotary encoder, four analog signals (pressures and vibration) were simultaneously digitized using four high-speed analog-to-digital converters (ADCs). Concurrently, the time interval between consecutive encoder pulses was measured. Data were acquired for ten consecutive shaft revolutions under each operating mode to evaluate the repeatability of the measurements.

Pressure Dynamics

Figure 8 shows the pressure profile over one drive shaft revolution (following 388 operating cycles) of the eight-piston axial piston pump. The pressure profile exhibits a characteristic rise, a period of near-constant pressure, and a subsequent decline. This is followed by the suction phase, marking the start of the next pumping cycle.
The diagram shows colored lines that represent the results of the experimental test (red), and the other colors represent the results of the simulation of the mathematical model for different combinations of the pump’s operating and structural parameters. The diagram shows the different peaks corresponding to the maximum pressure during discharge and the valleys where the pressure drops during suction. Observing the sharpness or gradual nature of these peaks can provide insight into pump performance characteristics and fluid handling efficiency.
Given the transducer’s 100 kHz bandwidth, it is capable of capturing fast dynamic pressure. This allows for a more detailed understanding of pressure transients that may occur during rapid changes in pump operation. An accuracy class of 0.1 indicates high reliability in the pressure reading. It was important to ensure that the transducer was properly calibrated to maintain this accuracy, especially given the high-pressure range.
This diagram provides valuable insight into the operating performance of a reciprocating pump, showing how pressure varies over the cycle, which can help diagnose performance problems and optimize design parameters. The pressure rise and fall lines in Figure 9 and Figure 10 indicate pulsations, which can cause vibrations in the pump housing.
Figure 11 indicates the occurrence of high-pressure pulsations as a result of the number of pump pistons (in this case, eight pistons).

5. Discussion and Vibration of the Pump Housing

Vibrations of the hydraulic pump housing, induced by piston operation, arise from several sources. The reciprocating motion of the pistons within the cylinders generates dynamic forces due to their acceleration and deceleration, directly exciting vibrations in the housing. Furthermore, non-uniform fluid flow, including pressure transients and flow direction changes, induces pressure fluctuations that contribute to these vibrations.
When the pump pressure drops below the vapor pressure of the liquid, vapor bubbles form and collapse, creating shock waves that can contribute to vibration. Materials and designs that provide damping can help reduce vibration. Proper mounting and isolation techniques can also mitigate the transmission of vibrations. When the vibration amplitudes of the hydraulic pump casing are measured with an accelerometer with a measuring range of 5 m/s2, the output quantities include the following:
  • Acceleration, as the primary output from the accelerometer experienced by the pump casing, is measured in meters per second squared (m/s2).
  • Speed, which is obtained by integrating acceleration data over time, is the speed of vibration, usually expressed in meters per second (m/s).
  • Displacement is a further integration of the velocity data, which represents the total movement of the housing over the period, expressed in meters (m).
  • Frequency components are a result of the Fourier transform analysis of the acceleration data expressed in hertz (Hz).
Sound pressure and vibration levels are often expressed in decibels to provide a logarithmic scale that can handle a wide range of pressures and vibrations.
The decibel level is calculated using the following formula:
L ,   in   decibels = 20 log 10 p p r e f
where
  • L—number of decibels;
  • p—measured amplitude level;
  • pref = 10 Kref—recommended reference level.
These output quantities can be used to assess the health and performance of a hydraulic pump by identifying problems such as imbalance, misalignment, or other mechanical faults. The diagram illustrates the relationship between a series of harmonics and the corresponding pressure levels. An analysis of the peaks in the frequency spectrum helps identify the dominant vibration frequencies that may be correlated with operational anomalies or imbalances in pumps. It is important to relate the amplitude of vibrations at certain harmonics to the measured pressure. Significant changes in amplitude at certain harmonics may indicate problems such as cavitation, misalignment, or mechanical wear.
Figure 12 presents the harmonic content of the pressure signals. Specifically, Figure 12a,b show the cylinder pressure in bars and decibels, respectively, as a function of harmonic order. Similarly, Figure 12c,d display the suction chamber pressure in bars and decibels, respectively, as a function of harmonic order.
Figure 12a presents the frequency spectrum of the hydraulic pump housing vibration measured using an accelerometer with a full-scale range of 5 m/s2. The spectrum illustrates the relationship between vibration amplitude and harmonic order. Peaks at specific harmonics suggest resonant frequencies or characteristic vibrational modes of the pump. The measurements, conducted across a range of operating conditions resulting in cylinder pressure variations from 0 to 200 bar, reveal a clear correlation between certain harmonics and pressure levels. The presence of anomalies or unexpected spikes in the spectrum may indicate mechanical issues such as imbalance, misalignment, or pump wear.
Figure 12b shows the frequency spectrum of the cylinder pressure, expressed in decibels (dB), as a function of harmonic order. The displayed range is 0 to 144 dB. Elevated pressure levels at specific harmonics, particularly those associated with cavitation or other operational inefficiencies, are evident as distinct peaks in the spectrum.
Figure 12c presents the frequency spectrum of the suction chamber pressure, with magnitude expressed in bars, as a function of harmonic order. The displayed pressure range is 0 to 3.6 bar. Peaks at specific harmonics suggest potential resonant frequencies or characteristic pressure oscillations within the pump. These measurements, acquired across a range of operating conditions, allow for the analysis of the harmonic content to identify potential resonance issues.
Figure 12d presents the frequency spectrum of the suction chamber pressure, expressed in decibels (dB), as a function of harmonic order. The displayed range is 0 to 120 dB. These dB levels represent the magnitude of the pressure fluctuations at each harmonic. Elevated dB levels at specific harmonics may indicate potential issues such as cavitation or mechanical imbalances within the pump. The analysis of these harmonics helps identify characteristic frequencies in the suction chamber pressure signal, which can be related to specific pump behaviors.
The set of Equations (1)–(11) that describe the time-varying behavior of the pump under different operating conditions can be written in the following form:
d y i d ϕ = f i ϕ , y 1 , y 2 , , y N
where i is in the interval from 1 to N, and N is the number of differential equations that make up the system.
Given the complexity of the differential equations of the working process, numerical methods have been applied that do not require derivations from the equations. Such methods are, for example, Runge–Kutta and Euler–Cauchy.
The basic criterion for choosing a method is the accuracy, duration, and stability of the calculation.
The specific boundary conditions adopted to include the effects of fluid properties are the relationship between the pressure, density, and isothermal compressibility coefficient of the fluid:
d p d ρ T = p ρ T = 1 ε T ρ
All the pressures and vibrations were measured in parallel every approx. 0.09° of the pump drive shaft (exactly 4096 times per one revolution of the shaft). An optical encoder with 1024 pulses per revolution was used as an incremental angle encoder. The angle encoder pulses were quadrupled using the angle encoder interface on the ADS 2000 system/1, 4, 5/so that 4096 pulses were obtained per shaft revolution. The total number of measured data was (4 + 1) × 4096 = 20,480 per revolution (cycle), i.e., 204,800 for 10 consecutive cycles. The number of samples of 4096 was not chosen randomly, but was deliberately set to apply the fast Fourier transform (FFT) of the measured signals. Measurements were made for seven operating modes. The pressure pulsations in the pressure chamber depend on the number of cylinders, which is obvious in this case, since it is a pump with eight cylinders (Figure 11). Pronounced pressure fluctuations in axial piston pumps around the maximum and minimum pressure points arise from a combination of internal and instrumental factors.
Internal factors include inertial effects, where pistons accelerate and decelerate within their cylinders and their inertia creates significant forces. At the points of maximum and minimum pressure, the rate of change in piston velocity is greatest, leading to strong inertial forces that contribute to pressure surges. Rapid changes in piston speed compress and expand the fluid inside the cylinders and connecting lines. This rapid change in volume translates directly into pressure fluctuations. The sudden opening and closing of valves within the pump control system results in sudden changes in the direction and magnitude of flow. This can cause significant pressure transients, especially around extreme pressure values where the flow changes most rapidly. Leakage across the valve face can vary with pressure. Around the maximum and minimum points, the pressure difference across the valves is greatest, potentially leading to increased leakage and further worsening of pressure fluctuations. The compressibility of the hydraulic fluid plays a key role. Highly compressible fluids (such as air–oil mixtures) will exhibit more pronounced pressure fluctuations compared to less compressible fluids. The viscosity of the fluid affects the resistance to flow and can affect the damping of pressure waves within the system. Instrumental factors originate from the dynamics of pressure transducers, which may have resonant frequencies. If the frequency of pressure fluctuations within the pump coincides with the resonant frequency of the transducer, the transducer may amplify the measured pressure fluctuations.
Bandwidth limitations have limited bandwidth. High-frequency pressure fluctuations may not be accurately captured or may be attenuated by the response characteristics of the transducer. If the sampling rate of the data acquisition system is insufficient, high-frequency pressure fluctuations may be suppressed or missed completely, leading to inaccurate measurements. Electrical noise within the data acquisition system can introduce spurious signals that contaminate pressure measurements.
By carefully considering the internal and instrumental factors, engineers can effectively identify and mitigate pronounced pressure fluctuations in axial piston pumps, resulting in improved system performance, reduced noise levels, and extended service life.
In an axial piston pump, variations in cylinder and pressure chamber pressures during the rotation cycle of the drive shaft directly affect the harmonic content of the pump housing vibrations. As the pistons move in the cylinders, the volume within each cylinder changes. This results in significant pressure variations during the compression and expansion strokes. These pressure fluctuations exert dynamic forces on the cylinder block and pump housing, acting as excitation forces that cause vibrations. The flow from the pump is not constant, but pulsates due to the cyclic motion of multiple pistons. This results in pressure fluctuations in the pressure chamber. These pressure variations transmit forces to the pump housing through the fluid and internal pump components. The primary frequency component in the pump housing vibrations typically corresponds to the rotation speed of the drive shaft. Pressure variations within each cylinder, which are often periodic, contribute to fundamental frequency harmonics. The specific harmonics present depend on factors such as the number of pistons, their arrangement, and the shape of the pressure waveforms in each cylinder. Pressure pulsations in the supply line can also cause fundamental frequency harmonics, especially if the pulsations are significant. The pump housing itself has natural vibration frequencies. If the frequencies of the pressure-induced excitation forces coincide with these natural frequencies, resonance can occur, leading to amplified vibrations. To identify the dominant frequencies and harmonics in the frequency domain analysis of the vibration and pressure signals, fast Fourier transform (FFT) was applied.
Insights for optimizing pump performance and durability can be gained by continuously monitoring pump housing vibrations. Changes in vibration patterns can indicate developmental defects such as bearing wear, cavitation, or valve problems. Optimizing the pump’s structural design should avoid resonances within the typical operating frequency range. Effective vibration isolation techniques are required to isolate the pump from the surrounding system. Pressure pulsation can be reduced by optimizing piston geometry and stroke length to minimize pressure fluctuations. Improving valve design and flow characteristics will reduce pressure transients. Using vibration data, condition-based maintenance strategies can be implemented, enabling proactive repairs and replacements before catastrophic failures occur.
By carefully considering the interaction between cylinder pressure and casing vibrations, engineers can design and operate more efficiently axial piston pumps, resulting in improved performance, increased reliability, and extended service life.
Changes in piston geometry and cylinder block dimensions affect the frequency spectrum of pressure pulsations and vibrations.
Changes in piston geometry also include changes in piston shape and rounding relative to sharp edges: Pistons with sharp edges can cause sudden changes in pressure during their stroke, leading to higher frequency components in the pressure pulsation spectrum. Rounded edges can help smooth out these transitions. The shape of the piston crown can affect the flow dynamics within the cylinder, affecting the speed of fluid movement and thus the pressure pulsation.
Heavier pistons exhibit greater inertia, leading to slower acceleration and deceleration during their stroke. This can lead to lower frequency pressure pulsations.
Inertia forces generated by piston movement can contribute to pressure fluctuations, especially around the points of maximum and minimum pressure.
When defining cylinder block dimensions, it should be kept in mind that smaller bores can lead to higher fluid velocities and potentially more pronounced pressure fluctuations due to increased flow resistance. Larger bores can result in smoother flow and reduced pressure pulsations, but can also increase the mass of the cylinder block, potentially affecting its vibration characteristics. Cylinder block stiffness means that a stiffer cylinder block can better resist the dynamic forces that arise from pressure fluctuations, reducing the amplitude of vibrations. The stiffness of the cylinder block affects its natural frequencies. If these frequencies coincide with the frequencies of the pressure pulsations, resonance can occur, which significantly amplifies the vibrations over a wide range of operating conditions.
The trade-offs for increasing the number of pistons in axial piston pumps have the advantage of reducing pressure pulsation and vibration, as more pistons distribute the flow more evenly, resulting in smoother delivery and reduced pressure peaks. Vibration levels are lower, operation is quieter, and stress on system components is reduced. However, increasing the number of pistons has the following challenges: Increased design complexity and precise manufacturing tolerances are critical for proper piston and cylinder alignment with a larger number of pistons. Manufacturing costs and complexity increase. The valve plate design is more complex because it needs to accommodate the increased number of pistons and ensure proper flow distribution. While increasing the number of pistons in an axial piston pump offers significant advantages in terms of reduced pressure pulsation and vibration, it also introduces design and operational challenges. Careful consideration of these trade-offs is key to optimizing pump performance and ensuring cost-effectiveness.
Rigorous error analysis is essential to ensure the reliability of observed effects in axial piston pump studies, particularly with respect to pressure pulsation and vibration. This article examines the following:
  • Data acquisition system (DAS) errors;
  • Sensor Errors;
  • Experimental Setup Errors;
  • Data Processing Errors;
  • Uncertainty Quantifications;
  • Repeatability and Reproducibility;
  • Validation.
By carefully considering these factors and implementing appropriate error minimization measures, the authors ensured the reliability and accuracy of their observations regarding pressure pulsation and vibration in axial piston pumps.
Variations in fluid temperature, viscosity, and pump housing material properties significantly affect the dynamics of fluid–structure interaction in an axial piston pump. Advanced CFD and FEA methods, when combined with accurate material models and experimental validation, can provide valuable insight into these complex interactions, enabling the development of more efficient and reliable pump designs.
Coupled CFD-FEA simulations can accurately model the complex interaction between fluid flow, pressure fluctuations, and structural vibrations in a pump.
Accurate material models for both the fluid and the pump casing materials are essential for accurate simulations.
The viscosity of a fluid decreases with increasing temperature. Lower viscosity reduces flow resistance, potentially leading to higher flow rates and increased pressure pulsations. Viscosity significantly affects the flow patterns within a pump, affecting pressure drop, flow separation, and turbulence.
The stiffness of a pump casing affects its vibrational response to pressure fluctuations. Higher stiffness: reduces vibration amplitude, but can increase vibration transmission to other components. Lower stiffness: can lead to higher vibration amplitudes, but can better isolate the pump from the surrounding system. Damping: the damping properties of a material can affect the rate at which vibrations are dispersed. Higher damping can reduce vibration amplitudes. Coupled CFD-FEA simulations can accurately model the complex interaction between fluid flow, pressure fluctuations, and structural vibrations in a pump. Identifying the optimal combination of piston geometry and cylinder block size to maximize pump life and minimize energy consumption will involve an experimental procedure that will include basic testing, endurance testing, and data analysis.
A series of axial piston pumps will be manufactured or purchased, depending on the piston geometry (spherical, conical, or cylindrical) and cylinder block size (for different cylinder numbers, e.g., 7, 9, or 11). All the other parameters (e.g., displacement and materials) will be kept constant as much as possible. A series of basic tests will be performed on each pump to determine the initial performance characteristics (flow rate, pressure, power, and efficiency) under a range of operating conditions (speed and pressure). Each pump will be subjected to a continuous endurance test under a representative load cycle.
The findings will be integrated into the design and optimization of future generations of axial piston pumps. This proposed methodology provides a framework for a comprehensive investigation of the influence of piston geometry and cylinder block size on the durability and performance of axial piston pumps. By carefully designing and performing experiments, valuable insights can be gained to improve the reliability and efficiency of these critical components in hydraulic systems.

6. Conclusions

The research results of this study can be applied to optimize the design of axial piston pumps based on specific requirements (e.g., balancing compactness, cost, and performance in hydraulic systems where noise reduction is critical). The importance of these results is relevant for industries where noise and vibration control is key and is particularly prominent in automotive, aerospace, and industrial machinery.
To minimize structural loading on the pump casing, the relationship between pressure pulsations and transmitted vibrations was investigated, aiming to achieve a more uniform distribution of forces. The study demonstrated that increasing the number of pistons generally reduces pressure pulsations. Understanding the interrelationship between the number of pistons, pressure pulsations, and casing vibrations is crucial for designing more efficient and reliable axial piston pumps. Specifically, reducing pressure pulsations can enhance the performance and lifespan of both the pump and the connected hydraulic system.
All the assumptions that could affect the generalization of the results were made during the simulation and modeling process and refer to idealized conditions (e.g., perfect fluid dynamics and specific operating range) and do not fully reflect variations in real conditions. Limited experimental data are related to experimental settings (e.g., using limited pump sizes, material limitations, and lack of long-term performance testing).
The study is focused on specific operating conditions (e.g., specific flow rates or pressures), and it is important to note that the results may vary outside of these ranges. An extension of the study is planned to take into account the effects of additional parameters such as fluid temperature, fluid viscosity, and pump casing material properties on vibration and pulsation characteristics. The influence of parameters such as piston geometry and cylinder block size will be the subject of future research on pressure pulsations and vibrations. Long-term experimental studies are planned to evaluate the effects of different numbers of pistons on pump durability and performance over extended operating periods, including the effect of wear. It is planned to use more sophisticated Computational Fluid Dynamics (CFD) or Finite Element Analysis (FEA) methods to simulate complex fluid–structure interactions in more detail.
The results of the study highlight the significant role that the number of pistons plays in the pressure pulsation and vibration characteristics of axial piston pumps, which have a direct impact on the performance and longevity of the hydraulic system. Optimizing the number of pistons is key to the development of axial piston pumps, specifically hydraulic systems.

Author Contributions

Conceptualization, M.R., L.S., S.R.M., N.G.Đ., R.P. and J.L.; methodology, M.R., L.S., S.R.M., N.G.Đ., R.P. and J.L.; software, M.R., L.S., S.R.M., N.G.Đ., R.P. and J.L.; validation, M.R., L.S., S.R.M., N.G.Đ., R.P. and J.L.; formal analysis, M.R., L.S., S.R.M., N.G.Đ., R.P. and J.L.; investigation, M.R., L.S., S.R.M., N.G.Đ., R.P. and J.L.; resources, M.R., L.S., S.R.M., N.G.Đ., R.P. and J.L.; data curation, M.R., L.S., S.R.M., N.G.Đ., R.P. and J.L.; writing—original draft preparation, M.R., L.S., S.R.M., N.G.Đ., R.P. and J.L.; writing—review and editing, M.R., L.S., S.R.M., N.G.Đ., R.P. and J.L.; visualization, M.R., L.S., S.R.M., N.G.Đ., R.P. and J.L.; supervision, M.R., L.S., S.R.M., N.G.Đ., R.P. and J.L.; project administration, M.R., L.S., S.R.M., N.G.Đ., R.P. and J.L.; funding acquisition, R.P. All authors have read and agreed to the published version of the manuscript.

Funding

This paper is funded by the University “Union-NikolaTesla”, Faculty of Information Technology and Engineering.

Institutional Review Board Statement

Not applicable.

Informed Consent Statement

Not applicable.

Data Availability Statement

Data are contained within the article.

Acknowledgments

The authors would like to thank the Editor-in-Chief, Editor, and anonymous reviewers for their valuable reviews.

Conflicts of Interest

The authors declare no conflicts of interest.

References

  1. Petrović, R. Mathematical Modeling and Experimental Research of Characteristic Parameters Hydrodynamic Processes of a Piston Axial Pump. Stroj. Vestn. J. Mech. Eng. 2009, 55, 222–229. [Google Scholar]
  2. Bech, T.; Olsen, S.; Klit, P. Design of Pumps for Water Hydraulic Systems. In Proceedings of the 6th Scandinavian International Conference on Fluid Power, SICFP’ 99, Tampere, Finland, 26–28 May 1999. [Google Scholar]
  3. Jourani, A.; Hagege, B.; Bouvier, S.; Bigerelle, M.; Zahouani, H. Influence of abrasive grain geometry on friction coefficient and wear rate in belt finishing. Tribol. Int. 2013, 59, 30–37. [Google Scholar] [CrossRef]
  4. Yang, H.; Yang, J.; Zhou, H. Research on materials of piston and cylinder of water hydraulic pump. Ind. Lubr. Tribol. 2003, 55, 38–43. [Google Scholar]
  5. Vacca, A.; Franzoni, G. Hydraulic Fluid Power: Fundamentals, Applications, and Circuit Design; Wiley: Hoboken, NJ, USA, 2021. [Google Scholar]
  6. Akers, A.; Gassman, M.; Smith, R. Hydraulic Power System Analysis, 1st ed.; CRC Press: Boca Raton, FL, USA, 2006. [Google Scholar] [CrossRef]
  7. Spencer, N.A. Design and Development of a Novel Test Method to Measure the Slipper/Swash plate Interface Fluid Film in a Positive Displacement Machine. Master’s Thesis, Purdue University, West Lafayette, IN, USA, 2014. [Google Scholar]
  8. Ham, Y.B.; Lee, Y.B.; Park, K.M.; Choi, B.O. A study on the application of birfield joint to a water hydraulic piston pump for low leakage and low friction pumping. In Proceedings of the 6th JFPS International Symposium on Fluid Power, Tsukuba, Japan, 7–10 November 2005. [Google Scholar]
  9. Canbulut, F.; Sinanoğlu, C.; Koc, E. Experimental analysis of frictional power loss of hydrostatic slipper bearings. Ind. Lubr. Tribol. 2009, 61, 123–131. [Google Scholar] [CrossRef]
  10. Załuski, P. Experimental Research of an Axial Piston Pump with Displaced Swash Plate Axis of Rotation. In Advances in Hydraulic and Pneumatic Drives and Control NSHP 2020, Staniszow, Poland, 21–23 October 2020; Springer: Berlin/Heidelberg, Germany, 2020; pp. 35–145. [Google Scholar] [CrossRef]
  11. Manring, N.D.; Wray, C.L.; Dong, Z.L. Experimental studies on the performance of slipper bearings within axial-piston pumps. J. Tribol. 2004, 126, 511–518. [Google Scholar] [CrossRef]
  12. Panda, J.P.; Warrior, H.V. Numerical Studies on Drag Reduction of An Axisymmetric Body of Revolution with Anti turbulence Surface. J. Offshore Mech. Arct. Eng. 2021, 143, 064501. [Google Scholar] [CrossRef]
  13. Stosiak, M.; Karpenko, M. Dynamics of Machines and Hydraulic Systems. In Mechanical Vibrations and Pressure Pulsations; Springer: Cham, Switzerland, 2024; ISBN 978-3-031-55524-4. [Google Scholar]
  14. Karpenko, M. Aircraft hydraulic drive energy losses and operation delay associated with the pipeline and fitting connections. Aviation 2024, 28, 1–8. [Google Scholar] [CrossRef]
  15. Petrović, R.; Ivanović, P.; Glavčić, Z.; Savković, M. Experimental research of characteristic parameters of hydrodinamic processes in a piston axial pump. In Proceedings of the VI International Triennial Conference Heavy Machinery—HM’08, Kraljevo, Serbia, 24–29 June 2008. [Google Scholar]
  16. Petrović, R.; Banaszek, A.; Andjelković, M.; Qananah, H.R.; Alnagasa, K.A. Experimental Tests of the Piston Axial Pump with Constant Pressure and Variable Flow. Designs 2024, 8, 5. [Google Scholar] [CrossRef]
  17. Petrović, R.; Pezdirnik, J.; Banaszek, A.; Đuričić, L. Influence of compressibility of working fluid on hydrodynamic processes in the axial piston pump with combined distribution/flow of working fluid. In Proceedings of the 2011 International Conference on Fluid Power and Mechatronics, Beijing, China, 17–20 August 2011. [Google Scholar] [CrossRef]
  18. Wang, S. Generic Modeling and Control of an Open-Circuit Piston Pump—Part I: Theoretical Model and Analysis. J. Dyn. Syst. Meas. Control 2016, 138, 041004. [Google Scholar] [CrossRef]
  19. Wang, S. Generic Modeling and Control of an Open-Circuit Piston Pump—Part II: Control Strategies and Designs. J. Dyn. Syst. Meas. Control 2016, 138, 041005. [Google Scholar] [CrossRef]
  20. Koivumäki, J.; Mattila, J. Adaptive and nonlinear control of discharge pressure for variable displacement axial piston pumps. J. Dyn. Syst. Meas. Control 2017, 139, 101008. [Google Scholar] [CrossRef]
Figure 1. The pump housing.
Figure 1. The pump housing.
Applsci 15 02004 g001
Figure 3. Visual representation of forces.
Figure 3. Visual representation of forces.
Applsci 15 02004 g003
Figure 4. Hydraulic installation for the tested pump experiment. 1. Tested pump; 2. vibration-measuring transducer; 3. reducer; 4. incremental rotary encoder; 5. electric motor; 6. cylinder pressure transducer; 7. pressure transducer in pressure chamber; 8. manometer; 9. absolute pressure transducer; 10. faucet; 11. measuring turbine for flow; 12. valve for pressure limitation; 13. return filter; 14. pourer with vent; 15. thermometer in the tank; 16. refrigerator; 17. working fluid level indicator; 18. heater; 19. suction tap; 20. suction filter; 21. manovacumeter.
Figure 4. Hydraulic installation for the tested pump experiment. 1. Tested pump; 2. vibration-measuring transducer; 3. reducer; 4. incremental rotary encoder; 5. electric motor; 6. cylinder pressure transducer; 7. pressure transducer in pressure chamber; 8. manometer; 9. absolute pressure transducer; 10. faucet; 11. measuring turbine for flow; 12. valve for pressure limitation; 13. return filter; 14. pourer with vent; 15. thermometer in the tank; 16. refrigerator; 17. working fluid level indicator; 18. heater; 19. suction tap; 20. suction filter; 21. manovacumeter.
Applsci 15 02004 g004
Figure 5. Measuring transducers on the tested pump; 2. vibration transducer; 6. pressure transducer in the cylinder; 7. pressure transducer in the pressurized chamber.
Figure 5. Measuring transducers on the tested pump; 2. vibration transducer; 6. pressure transducer in the cylinder; 7. pressure transducer in the pressurized chamber.
Applsci 15 02004 g005
Figure 6. Structural diagram of the applied ultra-fast measuring system ADS 2000-CADEX.
Figure 6. Structural diagram of the applied ultra-fast measuring system ADS 2000-CADEX.
Applsci 15 02004 g006
Figure 7. Ultra-fast measuring system ADS 2000-CADEX in use.
Figure 7. Ultra-fast measuring system ADS 2000-CADEX in use.
Applsci 15 02004 g007
Figure 8. Diagram of the pressure after 388 operating cycles.
Figure 8. Diagram of the pressure after 388 operating cycles.
Applsci 15 02004 g008
Figure 9. Diagram of the pressure rise after 388 operating cycles.
Figure 9. Diagram of the pressure rise after 388 operating cycles.
Applsci 15 02004 g009
Figure 10. Diagram of the pressure fall after 388 operating cycles.
Figure 10. Diagram of the pressure fall after 388 operating cycles.
Applsci 15 02004 g010
Figure 11. Diagram of high-pressure pulsations after 388 operating cycles.
Figure 11. Diagram of high-pressure pulsations after 388 operating cycles.
Applsci 15 02004 g011
Figure 12. Cylinder pressure as a function of harmonic order (dB and bars).
Figure 12. Cylinder pressure as a function of harmonic order (dB and bars).
Applsci 15 02004 g012
Table 1. The descriptions of parameter symbols.
Table 1. The descriptions of parameter symbols.
SymbolDescription
Augeometric flow cross-section
μ u geometric flow cross-section coefficient
zccylinder numbers
E modulus of elasticity
φ the driving shaft angle
Vcxthe volume of the pump cylinder achieved by moving the piston
x k current displacement of the piston
A2 geometrical flow section of the delivery pipeline
D c cylinder diameter
Δ r radial clearance between the piston and the cylinder
ηdynamic viscosity
x k φ current displacement of the piston
pccylinder pressure
pssuction pressure
ρ c fluid density in the cylinder
Fhthe hydraulic force
pthe pressure of the fluid
AA is the cross-sectional area of the piston
Fmspring forces (like a force from a spring)
Fffriction forces between the piston and the cylinder wall
Table 2. Technical data of the tested pump.
Table 2. Technical data of the tested pump.
Number of pistonsz = 8
Nominal pressurepN = 200.0 bar
Suction pressureps = 4.45 bar
Volume of the pressure spaceVS = 2.71 × 10−4 m3
Radial clearance of the piston in the cylinderrPC = 9.78 × 10−6 m
Volume of the harmful spaceVHS = 30.25 × 10−6 m3
Angle of the beginning of the suction phaseA SP = 31.030°
Stiffness of the pressure valve springS VS = 1108.0 N/m
Mass of the pressure valve platemVP = 4.3310−3 kg
Table 3. Operating modes and parameters used in pump experiments.
Table 3. Operating modes and parameters used in pump experiments.
Ordinal NumberAn ExamplePressure in the Cylinder,
pc, Bar
Number of Revolutions of the Pump Drive Shaft, n, min−1
1.E 031801000
2.E 0450800
3.E 05160800
4.E 06180800
5.E 07200800
6.E 082001000
7.E 09200875.6
Disclaimer/Publisher’s Note: The statements, opinions and data contained in all publications are solely those of the individual author(s) and contributor(s) and not of MDPI and/or the editor(s). MDPI and/or the editor(s) disclaim responsibility for any injury to people or property resulting from any ideas, methods, instructions or products referred to in the content.

Share and Cite

MDPI and ACS Style

Radosavljević, M.; Stošić, L.; Mihajlović, S.R.; Đorđević, N.G.; Petrović, R.; Lozanović, J. The Influence of the Number of Pistons on the Pressure Pulsations and Vibration of the Axial Piston Pump Housing. Appl. Sci. 2025, 15, 2004. https://doi.org/10.3390/app15042004

AMA Style

Radosavljević M, Stošić L, Mihajlović SR, Đorđević NG, Petrović R, Lozanović J. The Influence of the Number of Pistons on the Pressure Pulsations and Vibration of the Axial Piston Pump Housing. Applied Sciences. 2025; 15(4):2004. https://doi.org/10.3390/app15042004

Chicago/Turabian Style

Radosavljević, Milan, Lazar Stošić, Slavica R. Mihajlović, Nataša G. Đorđević, Radovan Petrović, and Jasmina Lozanović. 2025. "The Influence of the Number of Pistons on the Pressure Pulsations and Vibration of the Axial Piston Pump Housing" Applied Sciences 15, no. 4: 2004. https://doi.org/10.3390/app15042004

APA Style

Radosavljević, M., Stošić, L., Mihajlović, S. R., Đorđević, N. G., Petrović, R., & Lozanović, J. (2025). The Influence of the Number of Pistons on the Pressure Pulsations and Vibration of the Axial Piston Pump Housing. Applied Sciences, 15(4), 2004. https://doi.org/10.3390/app15042004

Note that from the first issue of 2016, this journal uses article numbers instead of page numbers. See further details here.

Article Metrics

Back to TopTop