Featured Application
This paper describes an application that is currently used in the national railway transportation system to measure zigzag length. Currently, measurements are performed in the laboratory based on images recorded of the contact point between the pantograph and the contact wire based on the geographical position of the present location. A prospective future application provides a real-time approach for measuring zigzag length by employing pattern recognition in images.
Abstract
Recent years have seen outstanding developments in research and technology, highlighting the importance of railway transportation, especially the implementation of high-speed trains, which is becoming more and more challenging. This facilitates extensive research into the science and technology of the electrical interaction between the components of pantograph–catenary systems (PCSs). Problems regarding the PCS can result in infrastructure incidents, potentially stopping train operations. A common cause of failure in electrified railway PCS is a contact wire’s zigzag length that exceeds the prescribed technical limit, which can be caused by missing droppers or faults in the mounting mechanism. This work proposes a video camera-based monitoring technique for zigzag geometry measurement that additionally employs a Global Positioning System (GPS) sensor to detect the current geographical position of the point of zigzag length measurement. There are two proposed techniques for measuring the length of the zigzag based on image processing. In the first technique, using previously recorded data, the images are analyzed in the laboratory, and in the second, the images are analyzed in real time. Based on the results, we suggest a model and prediction of zigzag length employing hybrid deep neural networks.
1. Introduction
Railway transportation is one of the most energy-efficient kinds of transportation, using less energy per ton per kilometer than cars or planes. This produces a smaller environmental impact than other kinds of transportation, a smaller carbon footprint, and is more sustainable. Trains are usually over ten times more energy efficient per passenger or ton than other forms of transportation [1]. During operation, the pantograph on the locomotive’s roof maintains mechanical contact with the electrical overhead wire. This sliding connection transports electrical energy from the power substation along the railway line, powering the locomotive’s traction motors [2]. Maintaining continuous contact between the pantograph and the EOL is critical due to potential harsh external weather variables such as rain, thunder, crosswind gusts, ice, excessive sun heat, and catenary back-and-forth vibrations induced by the upward pantograph push force.
The PCS geometry deviation can result in a considerable loss of PCS efficiency or potentially serious harm to the system [3,4]. Defective contact wire geometry can lead to EOL malfunction, causing the catenary suspension to ’hang’, the contact wire to break, the pantograph to be damaged, and the suspension to continue for hundreds of meters until the train comes to a stop.
The issue of contact between the pantograph and chain has been thoroughly investigated in several scientific papers. The research [3] uses a laser rangefinder to measure the realistic catenary geometry deviation in the Norwegian railway network without contact. Multiple geometry deviation samples are created using the Monte Carlo approach integrated into the catenary model. The stochastic analysis shows that the catenary geometry deviation significantly disperses the pantograph–catenary interaction response. A critical cut-off frequency of 1/16 of the dropper interval is recommended to properly understand how catenary geometry variance affects contact force. The tolerable contact loss rate at high frequency should be used to modify the statistical minimum contact force. At 280 km/h, the modified statistical minimum contact force has an 85.58% chance of being negative.
The research presented in [4] addresses the pantograph–catenary system’s components, including the pantograph, contact wire, and their interaction, highlighting the importance of the pantograph slide in ensuring dependable power transmission under dynamic conditions. The material properties of the pantograph slide and contact wire, such as electrical conductivity and wear resistance, are identified as important elements impacting system performance. Various detection mechanisms important for system reliability are also discussed. The paper concludes with a perspective on the development of ultra-high-speed trains equipped with novel pantograph–catenary systems designed to withstand more difficult operational environments, providing a comprehensive review of the progress, challenges, and future directions in the development of high-speed railway pantograph–catenary systems.
The research [5] describes a study conducted to investigate the characteristics of electrical contact between the pantograph and the catenary. The filed application describes the development of a revolutionary pantograph electrical contact test apparatus. The device simulates zigzag movement, vertical vibration, and flexible line contact between the pantograph contact strip and the contact wire. The benefits of this test device are as follows: this test apparatus can simulate the laterally relative sliding (zigzag) and vertical vibration between the pantograph contact strip and the copper contact wire, as well as the different vibration conditions between the pantograph and the catenary wire under different tensile forces due to the adjusted tension of the contact.
In [6], wind tunnel studies and nonlinear finite element analysis are employed to analyze railway catenary wind-induced deflection. Catenary models using absolute nodal coordinates capture the system’s geometrical nonlinearity. The paper shows how to create a 3D fluctuating wind field across the catenary and estimate maximum wind deflection using a Poisson-based extreme value distribution. Wind tunnel tests verify an aeroelastic catenary model. Simulations analyze the contact wire’s deflection response, statistics, frequency, and extreme values. Adjustments to catenary features can reduce the intensity of turbulence-induced deflections by more than 15%. At a 9% turbulence intensity, empirical maximum wind deflection estimates match the FEM results, but higher intensities are unreliable. Only 10-min gusts are studied for safety. Wind deflections over 20% can violate the safety limits, requiring careful design in varied terrains to reduce mishaps from unstable, turbulent winds.
The research [7] provides a nonlinear finite element approach for modeling an OCL (overhead contact line) with a local dropper defect. The results demonstrate that increasing the defect degree increases the contact force peak around the defective dropper point. The local dropper fault generates an increase in the contact force peak around the defective dropper. The most damaging fault comes at the beginning or last droppers in a span, increasing the maximum contact force. To limit the maximum contact force, the degree of dropper flaws should be controlled. The dropper defect reduces the energy at dropper interval-associated frequencies. The presence of a local dropper defect causes a large ’break’ in the time-frequency representation of the contact forces. These phenomena can be exploited to detect the local dropper defect using a time-frequency representation of the contact forces.
Based on four years of measurement data, the study [8] analyzes pantograph–catenary interaction performance with varying levels of CWW (contact wire wear). The authors developed a nonlinear finite element model for the catenary with a lumped-mass pantograph. In the case study, the optimal pantograph–catenary interaction performance occurs in the second year after CWW is constructed, depending on railway line traffic density. Increased service time leads to a reduction in performance. Higher operating speed creates a greater dispersion in assessment indices, indicating lower current collecting quality, especially at the maximum speed (70% of the catenary wave propagation speed).
In [9] the study examines how the operating speed, current, fluctuating amplitude, and frequency of the compressive load affect friction and the wear rate. The results of the research suggest that friction and the wear rate increase with higher operating speeds or variable compressive loads. High current increases wear and decreases friction. The effects of compressive load fluctuations on friction and wear are unclear. Contact surface roughness from arc erosion and mechanical wear is the primary cause of increased friction and wear. The material wears easily, yet high temperatures lubricate and reduce friction. The wear rate and friction are favorably associated with constant current.
Research in [10] simulated the dynamic performance of the simple catenary and pantograph. The pantograph was simplified as a lumped mass model, and the catenary was modeled using FEM. The simulation indicates that the pantograph can run at 250 km/h and detects contact loss above that speed. After discussing the effect of design parameters on contact force and optimizing them, the results showed that the stiffness and damping of the pan-head and frame, the static lifted force, and the contact wire tension all affect the dynamic performance of the pantograph and catenary system. The final comparison of the contact force with the test data shows that the simulation results and the test data agree well.
Paper [11] uses a harmonic T-equivalent circuit model to examine pantograph arcs and disconnections on traction transformer harmonic losses, leading to the following findings: a higher pantograph arc voltage lowers the primary voltage but increases the primary current, increasing the copper and core harmonic losses. Pantograph arcs have uncertain effects on primary and secondary equivalent interfering currents, but excitation EC increases with arc voltage. A circuit arc doubles harmonic copper loss and greatly increases harmonic core loss. Copper losses may be lower than in non-arc situations at the lowest arc ratios, but core losses are always larger. Average harmonic losses increase with arc ratio and voltage.
An adaptive neuro-fuzzy system is shown in [12] for predicting the distance between the pantograph and the contact line of railway electrical locomotives. Any electrical incident in railway transport can disrupt traffic and harm equipment. Thus, the accurate predictions of such events are valuable. The paper investigated the possibilities of modeling and predicting the pantograph–contact line distance evolution using intelligent methods.
The aerodynamic instability of the overhead contact lines (OCLs) in electric railways is investigated in the paper [13], with a particular emphasis on the way in which wind loads can cause harmful galloping at considerable amplitudes. The study replicates OCL galloping using a nonlinear finite element model and demonstrates that the wear level and wind angle have a significant impact on galloping amplitude, particularly at 8° and 9° angles, for wear levels of 20% and 30%, respectively. Additionally, the report investigates the application of damping droppers as a means to alleviate galloping, suggesting the utilization of a 100 Ns/m dropper to counterbalance the impacts of high gusts.
Novel aspects of this work include a real-time method to measure the zigzag length based on the tracking of a specific track image. This paper is organized as follows: Section 1 presents the research background and significance, summarizes related studies, and emphasizes the value and novelty of this research. Section 2, Materials and Methods, begins by discussing the design and possible defects in the catenary suspension. It also presents two methods for determining the zigzag length involving image processing techniques. Section 3, Results, presents the zigzag length determined using the two methods mentioned in the previous section. This section additionally discusses the potential benefits of modeling and predicting zigzag length by employing hybrid deep neural networks. Section 4 contains some remarks on the results generated utilizing the offered approaches, as well as suggestions for future studies.
2. Materials and Methods
The pantograph–catenary electrical contact system, as the train’s unique power input, ensures that power transfer is efficient and reliable. This system’s correct functionality assumes that all functional parameters meet the work criteria. One of the most challenging parameters to measure is zigzag length. This study presents two zigzag length measurement techniques based on image processing.
2.1. Pantograph–Catenary Electrical Contact System
In Europe, high-speed rail networks operate at 25–27.5 kV and 50 Hz. In the majority of countries, locomotives use a transformer to adjust the voltage according to the type of motor. Reconciler-based AC-wire DC motors or newer electric locomotives use AC motor-GTO (gate turn-off thyristor) inverter systems to offer high-efficiency traction motors, as well as regenerative braking.
Figure 1 shows the electrical overhead line, which has two main suspended cable wires, a messenger wire above, and a contact wire that receives energy for the electric locomotive. Droppers connect these wires, and mechanical tensioning devices at the end poles keep them in tension all over the track.
Figure 1.
Electrical overhead lines connect to the train pantograph–catenary system.
The locomotive pantograph assembly represents a crucial type of modern current collector that supplies power to locomotive transformers nowadays. The pantograph–catenary system includes the pantograph, the contact wire, and the interface–pantograph slide. The pantograph slide is essential in ensuring reliable power transfer under dynamic circumstances.
The pantograph–catenary system is an essential component in the purchase of electricity for electric locomotives. The train’s electrical system connects to the pantograph. The conductive cables convey electrical energy, which powers the train. Pillars usually stand alongside railway tracks to support these wires. While the train is moving, the pantograph expands to make contact with the catenary cable wires. The train appears to be extending its pantograph to connect to an electrical source. As the train moves, the pantograph slides easily along the wires. When the pantograph touches the catenary wires, it transfers electricity to the train. While the train is moving, the pantograph and catenary wires remain in continuous contact, as they move in sync down the rails. The pantograph adapts itself to changes in wire height or location to provide a continuous connection. When the train arrives at the final point of the electrified track section or has to come to a stop for any reason, the pantograph descends from the catenary wires. This eliminates the electrical connection, and the train may either switch to another power source or stop using energy altogether.
To avoid grooving and ensure the uniform wear of the CS, the contact wire is anchored in a zigzag pattern, known as stagger. This stagger is provided by a rigid arm mounted to the cantilever. The cantilever is a horizontal support attached to the pillars that holds the overhead line in place and preserves the right zigzag pattern. The stagger alternates horizontally throughout the track, using the track’s axis as a reference, ensuring that the pantograph is used uniformly along its entire length, as illustrated in Figure 2. The contact wire’s lateral offset from the track axis varies depending on the form of the railway route. Figure 2 shows the components and architecture of an overhead catenary system used to power electric trains. The central line of the railway track, which serves as a reference point for the overhead line’s zigzag displacement, allows for a more accurate view of the zigzag value.
Figure 2.
Schematic definition of the zigzag length.
The zigzag length value is one of the most important parameters in determining how effectively energy is transported between the contact wire and the locomotive’s current collector. Reduced zigzag length values result in greater local wear on the pantograph surface, reducing component’s durability. If the zigzag value is too high in extreme wind conditions [7,12], or due to a local dropper flaw [14], the contact wire will surpass the maximum value of the functioning region of the CS hanging, causing significant damage to the pantograph–catenary equipment.
Failure to strictly stick to the zigzag length could result in the ’hanging’ of the catenary suspension, the breaking of the contact wire, the destruction of the pantograph, and the suspension for hundreds of meters until the train stops. Furthermore, if the overhead wire fails in some way, all trains can be brought to a stop, generating additional costs for the transportation system and the restoration of the PCS.
Numerous investigations and attempts to offer an accurate answer for tracking this parameter have been accomplished [15,16,17], but none have provided an exhaustive and precise technique for measuring the geometry of the contact wire.
This research examines some of the geometrical factors that prevent grooving and ensure the uniform wear of the CS by measuring the alternating lateral offset (s) or the stagger of the contact wire, which is provided by a stable arm fixed to the cantilever. The offset from the axis is determined in relation to the pantograph’s nominal trajectory and the CS’s length. To reduce construction costs, the offset is calculated to maintain the longest span length while also ensuring that the contact wire deflection never exceeds the lateral displacement emax, depicted in Figure 3a–c, in harsh crosswind gusts, while the contact wire must always be in contact with the CS’s usable length.
Figure 3.
Contact wire deflection on (a) straight rail, (b) large radius, (c) small radius.
Figure 3a depicts the maximum permitted lateral displacement of the contact wire (+emax and −emax) from the axis. To maintain consistent power transfer to the pantograph and minimize potential mechanical difficulties, the contact wire must remain within specified limitations. Figure 3b,c depict the situation where the rail is not straight but has a radius (either big or small).
Table 1 depicts the most common distances between the pillars and the lateral offset of contact wires in Europe across different catenary types, train speed, and rail radius.
Table 1.
The distances between pillars and lateral offset of contact wires in Europe.
The zigzag length of the contact wire in alignment is typically 200 mm, with the (+s) sign indicating a zigzag toward the pillar and the (−s) sign indicating a zigzag toward the path [10].
In curves, the contact wire typically lies 250 mm away from the pantograph axis and towards the outer edge of the curve. Allow a maximum 150 mm misalignment (−emax) of the contact wire in the middle of the opening between the pillars; under wind action, allow up to 400 mm from the middle axis.
Table 2 depicts the Romanian specific distances between pillars, lateral offset of contact wires, and maximum permitted lateral displacement across different rail radii.
Table 2.
The specific characteristics of the geometrical factors in Romania.
2.2. Proposed Measurement Equipment for Determining the Zigzag Length
The Romanian Society for Railway Transportation is in charge of maintaining and repairing the contact lines. These activities require resources and qualified personnel. Any negative incidence involving the power supply system leads to material damage and traffic disconnection. The technical integrity of the contact line plays an essential role in avoiding such incidents.
To achieve this objective, a system for measuring and recording the height to the pantograph–catenary contact point, the zigzag, the geographical position, air temperature and humidity, and other information were developed and implemented, providing valuable information about the railway infrastructure. The structure of the measuring system is presented in Figure 4.
Figure 4.
The block diagram illustrating real-time acquisition of the system parameters.
The acquired data are processed in real time due to the integrated controller, which is equipped with FPGA and real-time technologies. The hardware–software system’s performance provides accuracy and reliability for application development, requiring high-speed response to meet measurement precision requirements [18]. The hardware–software device employs shared variables to transmit information between the NI MyRIO controller and the host computer (laptop), taking into consideration the inspection car’s speed.
The proposed equipment consists of a laptop, an integrated controller NI MyRIO 1900 (Xilinx processor, FPGA, and Real Time technology, 667 MHz) equipped with FPGA (Field Programmable Gate Array) and Real Time technologies that communicate with a host computer, a LabVIEW application for device programming, a GPS module, a distance sensor, a temperature and air humidity sensor, and a monitoring camera.
The determination of the zigzag length, which is the main scope of our paper, represents only a part of this complex project developed within the national railway transportation system.
2.3. Zigzag Length Determination Based on Image Processing
Within the scope of zigzag length determination, only the GPS module and the monitoring camera were used.
The GPS data are acquired at a rate of 1 Hz, and when using an Internet connection, the application can additionally identify where it is currently located on Google Earth maps. This is accomplished by creating shared variables that ensure real-time communication between files. The LabVIEW application can save GPS information (latitude and longitude) to documents for post-processing.
The monitoring camera operates at a rate of 30 frames per second; thus, the time at which the frame is acquired differs from the time at which the other parameters are purchased. Due to the image frame dimensions, 300-frame.avi files are saved periodically. In the overall process of imagine post-processing, the time acquisition frame is preserved in a text file, and additional information is added to the acquired image, as illustrated in Figure 5.

Figure 5.
Front panel of the LabVIEW program utilizing the laboratory method: (a) non-positioned image with the slider, (b) image positioned with the slider.
The remaining three parameters—height to the pantograph–catenary contact point, air temperature, and humidity—were measured at a rate of 10 Hz.
Based on these observations, the first operation that must be carried out, regardless of the method chosen, is to synchronize the acquired data to the same clock. All parameter values were synchronized using a 10 Hz base frequency and a linear interpolation technique.
Based on the requirement that the zigzag length be determined as a function of geographical position, the second operation involves mathematically determining the zigzag length at equal distances between the rail line’s axes.
The measurements were taken between two railway stations connected by a double railroad line. Because rail transport operates in a single direction via wire, we refer to the route on which trains go from station 1 to station 2 as “Line 1” and the route on which trains go from station 2 to 1 as “Line 2”. Measurements were taken in both directions. As will be discussed later, the exact same region was selected for investigation in both directions, between kilometers 505.2 and 510.5, a distance of 5.3 km.
2.3.1. Laboratory Method Based on Image Processing
As previously stated, image information is accessible from the video files saved during the measuring process, with each file containing 300 frames. Text files contain information about the precise time each image was purchased. To visually measure the zigzag, a plate with gradients that range from −500 to 500 mm was mounted on the pantograph, as illustrated in Figure 5a,b, with its length remaining constant during filming.
Figure 5a,b illustrate the front panel of the LabVIEW program utilizing the laboratory method. A slider with a range of variation of −500 to 500 mm was overlapped over the original image provided by the camera, as illustrated in Figure 6a. It has a fixed horizontal position and a length equal to the length of the plate mounted on the pantograph (see Figure 6b). Vibrations, differing pantograph heights, and other factors might cause the pantograph’s position to shift during measurement. If the plate’s image is not aligned with the slider, as shown in Figure 5a and Figure 6b, the operator can move the image horizontally and vertically, as well as rotate it, as shown in Figure 5b and Figure 6c.
Figure 6.
Front panel of the LabVIEW program utilizing the laboratory method: (a) original image, (b) non-positioned image with the slider, (c) image positioned with the slider.
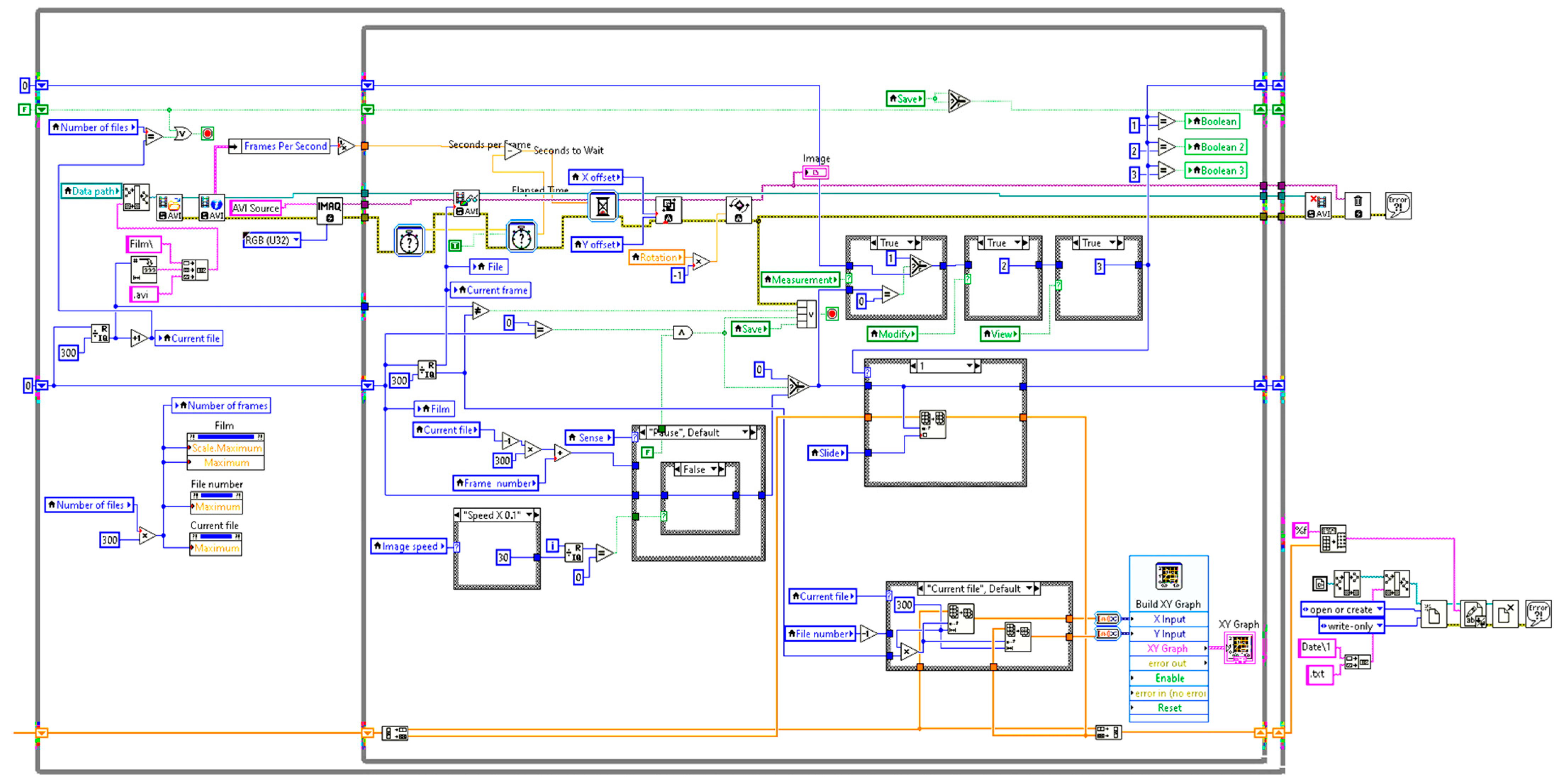
The “Measurement” menu permits the operator to determine the contact line zigzag length value. The contact line is traced as the movie progresses. The film’s speed can also be changed, and it is possible to scroll backward. The cursor position, which represents the zigzag length value, is saved in *.txt files, in addition to the time information suggested earlier. The “View” menu only permits one to inspect the recorded movie via the speed adjustment menu; however, the “Modify” menu allows the operator to reset the measurement of the saved zigzag in the “Measurement” menu from one particular frame of the image. The updated values for this parameter will be written back to the previously saved *.txt file. The link diagram of the LabVIEW program is presented in Figure 7.
Figure 7.
The link diagram of the LabVIEW program for measuring zigzag length.
2.3.2. Real-Time Method Based on Image Processing
The real-time method uses an optical tracking system based, as in the previous method, on a video monitoring camera and a GPS sensor. The zigzag length measurement method is based on tracking a specific region that is called a “track image”, which contains crucial data that can be used in our goal. The main specifications of the used monitoring camera involve a video streaming image resolution of x = 1280 pixels and y = 960 pixels, as well as an acquisition rate of 30 frames per second in RGB 32-bit format mode.
The camera operates in continuous mode and transmits images to the LabVIEW program. The LabVIEW program uses a tracking technique based on image pattern recognition, as shown in Figure 8. The track image has a size of (x’ by y’) pixels. The algorithm determines the object’s center, C(x0,y0), then displays both this point and the track image contour on the original image. The zigzag length can be calculated using the track image and C(x0,y0) coordinates.
Figure 8.
Matching image process.
One of the most important concerns is choosing the track image in scope so that it can be easily distinguished from the original image. The track image was chosen to include a rectangular zone that includes the intersection point between the red bar support and the contact wire, as illustrated in Figure 9.
Figure 9.
Relation between zigzag length and the x0 pixel value: (a) length = −200 mm, (b) length = 0 mm, (c) length = 200 mm.
The zigzag length can be calculated using the x pixel of the C point and the marker on the pantograph plate, as shown in Table 3. The highlighted lines from Table 3 are shown in Figure 9.
Table 3.
Relation between zigzag length and the x0 pixel value.
Figure 10, which illustrates the relationship between zigzag length, z, and horizontal pixel location, x, shows a linear variation according to Equation (1).
Figure 10.
Zigzag length variation relative to the horizontal pixel position, resulted from Table 3.
Table 3 shows that for a zigzag length change of −350 mm to 350 mm, the x pixel coordinate variation ranges from 645 to 1030, for a total of 385 x pixel coordinate variations. In this context, the measuring error is 1/385, or 0.26%.
Figure 11 illustrates the front panel of the LabVIEW program using the real-time method. Because this method requires a real-time determination of the zigzag length, the “View” and “Modify” menus are not utilized. Instead, the program permits users to access the other four options. The first menu option, “Select frame”, allows the human operator to select a specific frame for the future track image. Typically, this menu is utilized at the start of the measuring process, when the inspection vehicle is stopped. The “Learn track” menu permits the user to choose a certain rectangular zone as the future track image. The selected track image can be saved via the “Save track” menu. To start the measurement process, the human operator can select an image track from the previously created image track library using the menu “Input track”.
Figure 11.
Front panel of the LabVIEW program utilizing the real-time method.
The real-time method utilizes the features of the visual development toolkit known as the Vision Development Module (VDM) for LabVIEW my RIO 2014. The VDM is a software tool that captures and analyses images. The image acquisition function package (NI-IMAQ Vision) for LabVIEW my RIO 2014, a submodule of the visual development tool package, is frequently utilized to develop image acquisition systems, which include opening and closing device interfaces and encoding and decoding images.
The parameters “Max Matches”, “Minimum Score”, and “Samples Average” can be adjusted by the human operator, while the remainder of the image tracing parameters are established in the link diagram.
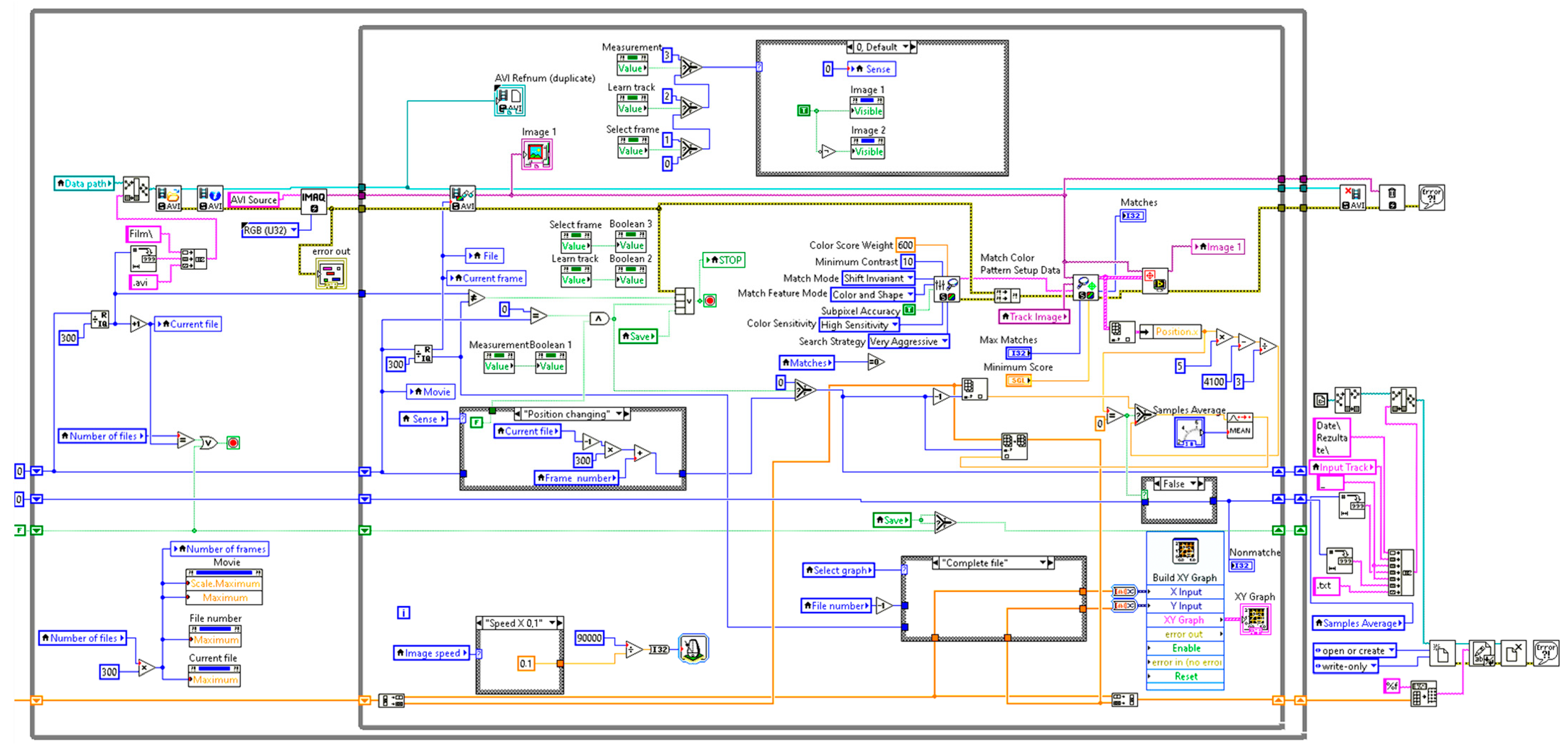
During the measurement process, three distinct scenarios could occur. The first one in the image tracking is correct, as illustrated in Figure 12a. The second scenario, illustrated in Figure 12b, involves incorrect identification of the correct zone due to a variety of factors, such as wire number, illumination, and other variables. This negative effect can be minimized by using the “Sample Average” filter. The third scenario, illustrated in Figure 12c, involves the non-recognition of a zone that matches the image track and occurs especially when the minimum score is not reached. In this scenario, the “measured” value refers to the previous measured value of the zigzag length. The link diagram of the LabVIEW program is presented in Figure 13.
Figure 12.
Image tracking scenarios: (a) correct identifications, (b) incorrect identifications, (c) unrecognized zone.
Figure 13.
The link diagram of the LabVIEW program for real-time measuring of zigzag length.
3. Results
3.1. Results Based on Laboratory Methods
As described in Section 2.3, the first step was to synchronize the data to the same clock. The length of the examined line for both Line 1 and Line 2 was 5.3 km, between km 505.2 and 510.5. The time interval between two zigzag length samples was 0.1 s, and the zigzag length variation can be observed in Figure 14a for Line 1 and Figure 14b for Line 2. Since the medium speed of the inspection car varied between the two lines, the number of determined values for the two graphics differed. As a result, Figure 14a has a total of 3900 red points connected by a blue line and a measurement time of 390 s. As a result, Figure 14a contains a total of 3900 points and a measurement duration of 390 s. Figure 14b contains 4200 points and has a duration of 420 s.

Figure 14.
Zigzag length variation at time intervals of 0.1 s: (a) Line 1, (b) Line 2.
The second step consists of synchronizing the data with the rail’s length by representing the zigzag length variation over the same distance at 1 m intervals. Consequently, the number of values for both Line 1 and Line 2 is the same: 5300. Figure 15a,b represent the zigzag length variation for Lines 1 and 2, respectively. Additionally, the pillar positions are illustrated, with Line 1 at +350 units and Line 2 at −350 units. We used the term “units” since they depict the pillars’ positions on the graphics without any relation to the rail axis.
Figure 15.
Zigzag length variation at length intervals of 1 m: (a) Line 1, (b) Line 2.
3.2. Results Based on Real-Time Method
In order to apply the real-time method, the first step is to select a representative track image. In our experimentation, we use five track images, as shown in Figure 16, that have different pixel dimensions but all have the same center, located at the midpoint of the junction between the red bar support and the contact wire.
Figure 16.
Image tracking dimensions in pixels: (a) 16 × 32, (b) 20 × 40, (c) 24 × 48, (d) 28 × 56, (e) 32 × 64.
The experiments were performed on each of the five track images, with average filtering windows of 1 (non-filtering data), 3, 5, 7, 9, and 13 samples. The “Max Matches” parameter was 1, and the “Minimum Score” parameter was 850, as shown in Figure 11. This value was chosen after conducting various tests on the number of unrecognized cases, as shown in Figure 12c, and the correlation coefficient value, r. It was found that lowering the “Minimum Score” parameter leads to a decrease in both the number of unrecognized cases and the correlation coefficient value as the number of incorrect identification cases increases. Increasing the “Minimum Score” setting leads to more unrecognized cases and lower correlation coefficient values.
The first experiment refers to the number of unrecognized cases detected when testing the five track images. The tests were determined based on the total number of frames recorded on both Line 1 and Line 2, which corresponds to 6000 points on Line 1 and 6600 points on Line 2. This zone includes the region studied in Section 3.1, between km 505.2 and 510.5. An unrecognized case is identified by a 0 value of the “Matches” indicator on the front panel (Figure 11). The results are shown in Table 4.
Table 4.
Relation between the number of unrecognized cases and track image dimension.
It can be observed that when using track image sizes of 20 × 40 pixels, the smallest percentage of unrecognized cases was obtained for both Line 1 and Line 2.
The second experiment focuses on the correlation coefficient value. The zigzag length values obtained using the first method, referred to as the laboratory method, and shown in Figure 14 and Figure 15, were used as reference values. As previously stated, the zone between km 505.2 and 510.5 has 3900 samples for Line 1 and 4200 for Line 2. Using the second method, measurements were performed on all five-track images and all six average filters for both Line 1 and Line 2. Finally, the correlation coefficient value was calculated for each case between the data obtained with the first and second methods, and the results are shown in Table 5.
Table 5.
Relation between the correlation coefficient value and both track image dimension and average window.
The average window length specifications show that for both Line 1 and Line 2, the optimal average window length is five samples, regardless of the track image dimension used.
The highest performance is obtained using a track image dimension of 28 × 56 pixels for Line 1 and 20 × 40 pixels for Line 2. The explanation for this result is the rail’s alignment, which is approximately east–west. Because the measurements were taken between 8 and 10 a.m., the sun’s rays influenced them.
Figure 17 illustrates the zigzag length variation obtained for Line 1 for each track image dimension. All graphs show plots for the laboratory method, the reference curve, and the six average filters utilized. Regardless of the average window, the curves are consistent with the reference curve in the majority of zones. However, there are still areas where there is no match. These zones are divided into two types. The first, found in 900–1160 points, is distinguished by swapping the supply contact wire, as shown in Figure 5, in which the “old” wire is still preserved. The second occurs as the train passes through a tunnel, when the illumination conditions significantly alter, and the consequences can be observed in zones 2350–2470. The correlation coefficient value can increase if a new solution is developed in these two cases. Figure 18 shows the zigzag length variation obtained for an average window length of five samples and both Lines 1 and 2. Figure 19 shows the zigzag length variation obtained for best cases from Table 5.

Figure 17.
Zigzag length variation, on Line 1, with image tracking dimensions of (a) 16 × 32, (b) 20 × 40, (c) 24 × 48, (d) 28 × 56, (e) 32 × 64.
Figure 18.
Zigzag length variation using average window of 5 samples: (a) Line 1, (b) Line 2.
Figure 19.
Best matching cases: (a) Line 1, 5 samples, 28 × 56, (b) Line 2, 5 samples, 20 × 40.
3.3. Modeling and Prediction of the Zigzag Length with Hybrid Deep Neural Networks
The current paper describes research conducted using MATLAB 2024a and the Deep Learning Toolbox to develop a neural network. Thus, training a hybrid RNN with the measured zigzag length produces several zigzag variation models. Zigzag forecasting was applied using these models.
The zigzag displacement is an important parameter in railway transport. For this reason, being able to predict this parameter is a very important objective. Predicting zigzag displacement (also known as stagger) in railway transportation is useful for several reasons: Electric trains must have the correct pantograph–catenary wire contact to run reliably. Predicting zigzag displacement can improve the contact pantograph catenary by reducing wire damage and thus reducing power loss. Accurate predictions can help in planning repairs, so it is possible to make preventive repairs before serious problems occur. This can extend the lifespan of pantograph and catenary system components. Monitoring and forecasting the zigzag displacement can help rail operators optimize the electric train system by ensuring the smooth delivery of energy from overhead wires to locomotives. If predictive maintenance is performed, that can result in significant cost savings by preventing major breakdowns.
To make such a prediction, we build and train a hybrid recurrent neural network that contains mainly GRU layers and LSTM layers, which are very useful in time-series predictions [19,20,21].
3.4. Recurrent Neural Networks
RNNs differ from conventional neural networks primarily because cell feedback loops provide the RNN’s memory. While the feedback loop communicates data throughout a layer [19], feed-forward neural networks only carry information between layers.
Though they have limitations beyond the training horizon, recurrent neural networks (RNNs) are widely used in time-series forecasting. The basic problems are presented in [20,21].
RNNs cannot capture long-term dependencies in time-series data because of vanishing or exploding gradients during training. This limitation might make RNNs unable to predict long-term occurrences.
Standard RNN designs ignore previous time steps, particularly for long sequences. Short-term memory can produce inadequate forecasts at points beyond the training horizon.
Figure 20 shows a standard RNN.
Figure 20.
The structure of an RNN.
The network computes ht at step t by combining input xt with the hidden internal state of the preceding step, ht−1. The hidden memory of the RNN is connected to Zigt, the output layer. Figure 20 shows this as if there were many copies of the input–output architecture, with linked hidden layers. The RNN cell can have one fundamental activation function. A basic RNN updates the concealed state at every step.
Furthermore, the weight matrices Whh and Wih have dimensions m × m and m × n, respectively, assuming the input data x has size n, and hidden state ht has dimension m. We can determine the output—more specifically, the PF at step t—using the hidden state ht.
Figure 21 shows the structure of the hybrid deep neural network. We use this RNN to forecast the zigzag length.
Figure 21.
The architecture of the hybrid deep neural network.
The first layer is an InputSequence layer that shows the sequence of the input data, which consists of the past positions of the contact wires (Zig−n, Zig−(n−1), ..., Zig−1). The input is a time series that shows how the zigzag pattern changes over time. The Gated Recurrent Unit (GRU) GRU1 follows next from our DNN. Processing the data that enter this GRU layer extracts important temporal features from the zigzag values. After the GRU layer, the data are sent to the next layer, a Long Short-Term Memory (LSTM) layer, the LSTM1 layer. This layer identifies additional temporal patterns and stores important characteristics from the previous steps. The Dropout1 layer prevents overfitting with regularization. It randomly “drops” neurons during training to allow the network to learn more robust characteristics. Another GRU layer, GRU2, is introduced to improve the characteristics extracted from the first LSTM layer. This is utilized to capture complex patterns in zigzag behavior. LSTM2 is the second LSTM layer. It adds more memory, which allows the network to maintain and improve the sequential information it has learned until now. Dropout2 is a second dropout layer that makes sure the network performs well with new data. This reduced the risk of overfitting. LSTM3, the third LSTM layer, improves the temporal information even more, thus increasing the model’s capacity to forecast the next state of the zigzag length value. Dropout 3 is the third dropout layer, once again used to increase model generalization. A fully connected layer obtains the results of the last LSTM layer. This layer provides a full combination of all learned features by connecting every neuron from the previous layers to every neuron in the output. The last output layer calculates the predicted zigzag length of the contact wire. Because it is necessary to predict a real value, this layer uses linear activation.
The data acquired over a 5.3 km distance provided the most precise identification of the zigzag length. Figure 22 shows the information collected from Line 2, which was used to train the deep RNN.
Figure 22.
The full sequence of data used for training the RNN.
We use these data to develop models capable of forecasting horizontal displacement, or zigzag length, because this value must be within certain limits, and making a prediction will be extremely valuable in preventing situations where the parameter zigzag length is not within these acceptable limits. We must develop a multi-step prediction because it is essential to understand the trend of the zigzag variation in order to take preventive action. Figure 23 depicts the multiple-step forecast.
Figure 23.
The method of prediction.
In order to find the best model, we developed various configurations of the RNN and tested the main metrics that usually characterize the accuracy of a model. The parameters that we used to find the best models were learning rate, previous values, the ratio between the training and testing data, and the number of epochs. We evaluated the model using the main metrics used in time-series predictions. These are RMSE (Root Mean Square Error), MAE (Mean Absolute Error), sMAPE (Simmetric Mean Absolute Percentage Error), and R-squared (the coefficient of correlation). These metrics are well known and have been used in many research studies [22,23,24,25]. The mathematical relations for these metrics are presented in Equations (4)–(8).
In all equations, the significance of the variable is the following: n is the number of predicted values, is the measured value of zigzag length at step i, and is the estimated value at step i.
- (a)
- Mean Absolute Percentage Error (MAPE)
This metric is used for determining the forecasting model accuracy presented in Equation (4).
- (b)
- Symmetric Mean Absolute Percentage Error (sMAPE).
The simple mean absolute percentage error (sMAPE) is a helpful indicator for forecasting models, particularly if the data are distributed across multiple scales. Equation (5), which contains the sMAPE formula, is shown below:
- (c)
- Root Mean Square Error (RMSE)
The root mean square error (RMSE) is a measurement of accuracy that is frequently used in prediction models.
- (d)
- Mean Absolute Error (MAE)
A measure of the mean absolute error (MAE) is the average of the absolute differences between the values that were predicted and the ones that were measured.
- (e)
- R2 coefficient
In time-series forecasting, the R2 coefficient (coefficient of determination) measures the model’s effectiveness by comparing the predicted outcomes to actual values in time.
Figure 24 shows a comparison between the measured and the predicted values for zigzag lengths ranging from −300 to 400 mm. The measured data trend is clearly followed by the forecasted data, and the prediction results are good.
Figure 24.
The results of the training: measured data and tested data for 60% percent of data used for training.
Figure 25 illustrates the correlation between the measured and predicted values, which is around 0.94. This strong correlation value suggests that the predictions correspond with the measured data. The predicted value graph includes 1500 samples. The predicted results closely match the regular oscillating pattern of the measured data. Figure 18a illustrates two curves. Alignment suggests that the prediction model accurately captures both the oscillation pattern and the amplitude. The equation 0.94 * Target + 4.7 represents the linear regression fit, which is symbolized by the blue line. For a slope of 0.94, the forecasts are close to the target value. There are still some minor errors in some circumstances. The scatter plot in Figure 18b shows the correlation between the measured and predicted values for the zigzag length.
Figure 25.
The correlation between measured and predicted zigzag length values: (a) sample representation, (b) scatter plot.
Figure 26a depicts the base information for comparison, with the measured values shown as a purple line. On the static dataset, the yellow line indicates the tested predicted values, evaluating the prediction model’s performance. The green line indicates one-step-ahead forecasting, in which the model updates its data sequence during its predictions. The green and yellow lines generally follow the purple line’s trend, indicating that both forecasting techniques adequately reflect the general pattern of the measured values. The one-step-ahead forecasts (green line) show larger variations and appear to lag significantly in certain parts, suggesting more error due to continuous data updating.
Figure 26.
The correlation between measured values, tested predictions, and one-step-ahead predictions, along with the update sequence of data for zigzag length values: (a) samples representation, (b) scatter plot.
Although they fluctuate slightly, particularly around the oscillation peaks and troughs, the tested predicted values (yellow) tend to remain in line with the measured values. While both forecasts perform well, the static predictions (in yellow) are smoother and more stable. In comparison, the one-step-ahead predictions (green) provide a better match to real-world dynamic forecasting, but at the price of some additional variability.
4. Conclusions
The present research focuses on two methods of measuring the zigzag length in railway transportation.
The first method, also referred to as the laboratory method, is based on video recordings acquired during the data acquisition process. The data were post-processed in the laboratory using a precise measurement method. Since this method is highly precise, it has the disadvantage of being able to take measurements after a time interval, implying that it is not a real-time measurement. This method is currently employed for the national railway transportation system.
The second method, also referred to as the real-time method, proposes a real-time measure of zigzag length based on the tracking of a specific track image. The measurement was carried out utilizing various dimensions of the track images and the average filters applied. In order to determine performance, the results obtained with this method were compared to those obtained with the first method. This comparison showed strong correlations between the results in the majority of the examined zones, but it also identified two categories of zones where this method is not advised. In these zones, the first method can be used to correct the results.
Finally, the possibility of modeling and predicting the zigzag length using hybrid deep neural networks was investigated. The data used in this investigation were the results of the first method.
The application of an artificial neural network (ANN) for predicting stagger length significantly influences important operational components of the pantograph–catenary system (PCS), thus affecting its reliability. The forecasted stagger values enable predictive maintenance by indicating when displacement approaches the operational limits, which could result in pantograph wear, wire damage, or the failure of the PCS. The forecasting model enables the operators to predict deviations under different circumstances (e.g., changes in wind or speed) and adapt parameters such as contact force accordingly.
If the stagger exceeds the acceptable limits, the train’s operating speed could be adjusted dynamically to prevent excessive damage to the contact points. This real-time data may be helpful in adjusting the pantograph’s pressure on the contact wire and optimizing the force applied under different atmospheric conditions to ensure consistent power transfer and minimize the risk of problems.
The ANN allows the connection between monitoring and proactive management, resulting in a reduction in unexpected downtime and an increase in component duration, enhancing overall system reliability.
Potential future advances could include integrating the system with the Internet of Things (IoT) technology, which would allow for remote monitoring and control. This would enable real-time messages to be sent to maintenance staff and train operators, allowing for more rapid problem solving.
The system’s huge data collection can be used to perform advanced predictive analysis and in tasks involving machine learning. Forecasting models can be used to predict potential problems, as well as optimize maintenance schedules. Real-time measurement of the zigzag distance permits the prediction of abnormal values that exceed the range that is allowed. This can be accomplished by using methods based on machine learning and could be quite useful in preventing damage.
Author Contributions
Conceptualization, C.P., G.M. and M.P.; methodology, C.P. and G.M.; software, M.P., G.M. and C.P.; validation, M.P. and C.P.; investigation, G.M.; resources, C.P.; writing—original draft preparation, G.M. and M.P.; writing—review and editing, M.P. and C.P.; visualization, G.M.; supervision, C.P. All authors have read and agreed to the published version of the manuscript.
Funding
This research was funded by a grant from the Romanian National Authority for Scientific Research and Innovation, CNCS/CCCDI-UEFISCDI, project number 59BG/2016 within PNCDI III.
Institutional Review Board Statement
Not applicable.
Informed Consent Statement
Not applicable.
Data Availability Statement
The original contributions presented in the study are included in the article, further inquiries can be directed to the corresponding author.
Conflicts of Interest
The authors declare no conflicts of interest. The funders had no role in the design of this study, in the collection, analyses, or interpretation of data, in the writing of the manuscript, or in the decision to publish the results.
References
- Pérez-Martínez, P.J.; Sorba, I.A. Energy Consumption of Passenger Land Transport Modes. Energy Environ. 2010, 21, 577–600. [Google Scholar] [CrossRef]
- Wu, G.; Gao, G.; Wei, W.; Yang, Z. The Electrical Contact of the Pantograph-Catenary System Theory and Application. In The Electrical Contact of the Pantograph-Catenary System Theory and Application; Ghent University Library: Gent, Belgium, 2019; Available online: https://lib.ugent.be/en/catalog/ebk01:4100000008525864 (accessed on 13 May 2024).
- Song, Y.; Jiang, T.; Nåvik, P.; Rønnquist, A. Geometry deviation effects of railway catenaries on pantograph–catenary interaction: A case study in Norwegian Railway System. Railw. Eng. Sci. 2021, 29, 350–361. [Google Scholar] [CrossRef]
- Wu, G.; Dong, K.; Xu, Z.; Xiao, S.; Wei, W.; Chen, H.; Li, J.; Huang, Z.; Li, J.; Gao, G.; et al. Pantograph–catenary electrical contact system of high-speed railways: Recent progress, challenges, and outlooks. Railw. Eng. Sci. 2022, 30, 437–467. [Google Scholar] [CrossRef]
- Wang, W.; Dong, A.; Wu, G.; Gao, G.; Zhou, L.; Wang, B.; Cui, Y.; Liu, D.; Li, D.; Li, T. Study on Characterization of Electrical Contact between Pantograph and Catenary. In Proceedings of the 2011 IEEE 57th Holm Conference on Electrical Contacts (Holm), Minneapolis, MN, USA, 11–14 September 2011; pp. 1–6. [Google Scholar]
- Arsene, S.; Sebesan, I.; Popa, G. The Influence of Wind on the Pantograph Placed on the Railway Electric Vehicles Bodywork. Procedia-Soc. Behav. Sci. 2015, 186, 1087–1094. [Google Scholar] [CrossRef]
- Duan, F.; Song, Y.; Gao, S.; Liu, Y.; Chu, W.; Lu, X.; Liu, Z. Study on Aerodynamic Instability and Galloping Response of Rail Overhead Contact Line Based on Wind Tunnel Tests. IEEE Trans. Veh. Technol. 2023, 72, 7211–7220. [Google Scholar] [CrossRef]
- Song, Y.; Zhang, M.; Øiseth, O.; Rønnquist, A. Wind deflection analysis of railway catenary under crosswind based on nonlinear finite element model and wind tunnel test. Mech. Mach. Theory 2022, 168, 104608. [Google Scholar] [CrossRef]
- Song, Y.; Wang, H.; Liu, Z. An Investigation on the Current Collection Quality of Railway Pantograph-Catenary Systems with Contact Wire Wear Degradations. IEEE Trans. Instrum. Meas. 2021, 70, 9003311. [Google Scholar] [CrossRef]
- Zhou, N.; Zhang, W. Investigation on dynamic performance and parameter optimization design of pantograph and catenary system. Finite Elem. Anal. Des. 2011, 47, 288–295. [Google Scholar] [CrossRef]
- Wang, J.; Yang, Z.; Lin, F.; Cao, J. Harmonic Loss Analysis of the Traction Transformer of High-Speed Trains Considering Pantograph-OCS Electrical Contact Properties. Energies 2013, 6, 5826–5846. [Google Scholar] [CrossRef]
- Panoiu, M.; Panoiu, C.; Lihaciu, I.L. Adaptive neuro fuzzy system for modelling and prediction of distance pantograph catenary in railway transportation. IOP Conf. Ser. Mater. Sci. Eng. 2018, 294, 012073. [Google Scholar] [CrossRef]
- Massat, J.P.; Thouverez, F. Modélisation du Comportement Dynamique du Couple Pantographe-Caténaire. Application À La détection de Défauts dans la Caténaire, Modélisation du Comportement Dynamique du Couple Pantographe-Caténaire. Application à la Détection de Défauts dans la Caténaire. Ph.D. Thesis, Ecole Centrale de Lyon, Écully, France, 2007. [Google Scholar]
- Song, Y.; Liu, Z.; Lu, X. Dynamic Performance of High-Speed Railway Overhead Contact Line Interacting with Pantograph Considering Local Dropper Defect. IEEE Trans. Veh. Technol. 2020, 69, 5958–5967. [Google Scholar] [CrossRef]
- Rob, R.; Rusu-Anghel, S.; Panoiu, C. Real time system for acquiring and logging the plan position using NI MyRIO controller. In Proceedings of the 2017 2nd International Multidisciplinary Conference on Computer and Energy Science (SpliTech), Split, Croatia, 12–14 July 2017; pp. 1–6. Available online: https://ieeexplore.ieee.org/document/8019278 (accessed on 28 October 2022).
- Panoiu, C.; Rob, R.; Rusu-Anghel, S. Real time system for measuring the pantograph vertically movement. In Proceedings of the 2017 IEEE 15th International Conference on Industrial Informatics (INDIN), Emden, Germany, 24–26 July 2017; pp. 957–962. [Google Scholar]
- Anghel, S.R.; Panoiu, M.; Abrudean, C. Intelligent Application for Monitoring the Pantograph-Catenary Contact in Electric Railway Transportation. In Proceedings of the 2018 3rd International Conference on Smart and Sustainable Technologies (SpliTech), Split, Croatia, 26–29 June 2018; pp. 1–6. Available online: https://ieeexplore.ieee.org/document/8448321 (accessed on 14 March 2023).
- Migchelbrink, M.; White, W.N.; Gorentz, L.; Wagner, J.; Blankenau, B. Design, build, and test of an autonomous myRIO based Segbot. In Proceedings of the 2015 American Control Conference (ACC), Chicago, IL, USA, 1–3 July 2015; pp. 2783–2788. [Google Scholar]
- Dancker, J. A Brief Introduction to Recurrent Neural Networks—Towards Data Science. Medium. 27 April 2024. Available online: https://towardsdatascience.com/a-brief-introduction-to-recurrent-neural-networks-638f64a61ff4 (accessed on 10 February 2024).
- Casolaro, A.; Capone, V.; Iannuzzo, G.; Camastra, F. Deep Learning for Time Series Forecasting: Advances and Open Problems. Information 2023, 14, 598. [Google Scholar] [CrossRef]
- Wang, K.; Zhang, J.; Li, X.; Zhang, Y. Long-Term Power Load Forecasting Using LSTM-Informer with Ensemble Learning. Electronics 2023, 12, 2175. [Google Scholar] [CrossRef]
- Iordan, A.-E. An Optimized LSTM Neural Network for Accurate Estimation of Software Development Effort. Mathematics 2024, 12, 200. [Google Scholar] [CrossRef]
- Chis, V.E.; Barbulescu, C.; Kilyeni, S.; Dzitac, S. ANN based Short-Term Load Curve Forecasting. Int. J. Comput. Commun. Control 2018, 13, 938–955. [Google Scholar] [CrossRef]
- Panoiu, M.; Panoiu, C.; Mezinescu, S.; Militaru, G.; Baciu, I. Machine Learning Techniques Applied to the Harmonic Analysis of Railway Power Supply. Mathematics 2023, 11, 1381. [Google Scholar] [CrossRef]
- Westergaard, G.; Erden, U.; Mateo, O.A.; Lampo, S.M.; Akinci, T.C.; Topsakal, O. Time Series Forecasting Utilizing Automated Machine Learning (AutoML): A Comparative Analysis Study on Diverse Datasets. Information 2024, 15, 39. [Google Scholar] [CrossRef]
Disclaimer/Publisher’s Note: The statements, opinions and data contained in all publications are solely those of the individual author(s) and contributor(s) and not of MDPI and/or the editor(s). MDPI and/or the editor(s) disclaim responsibility for any injury to people or property resulting from any ideas, methods, instructions or products referred to in the content. |
© 2024 by the authors. Licensee MDPI, Basel, Switzerland. This article is an open access article distributed under the terms and conditions of the Creative Commons Attribution (CC BY) license (https://creativecommons.org/licenses/by/4.0/).