Mechanical Response Analysis for an Active–Passive Pile Adjacent to Surcharge Load
Abstract
1. Introduction
2. Establishment of the Active–Passive Single Pile Calculation Model
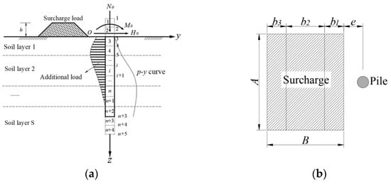
2.1. Calculation Model
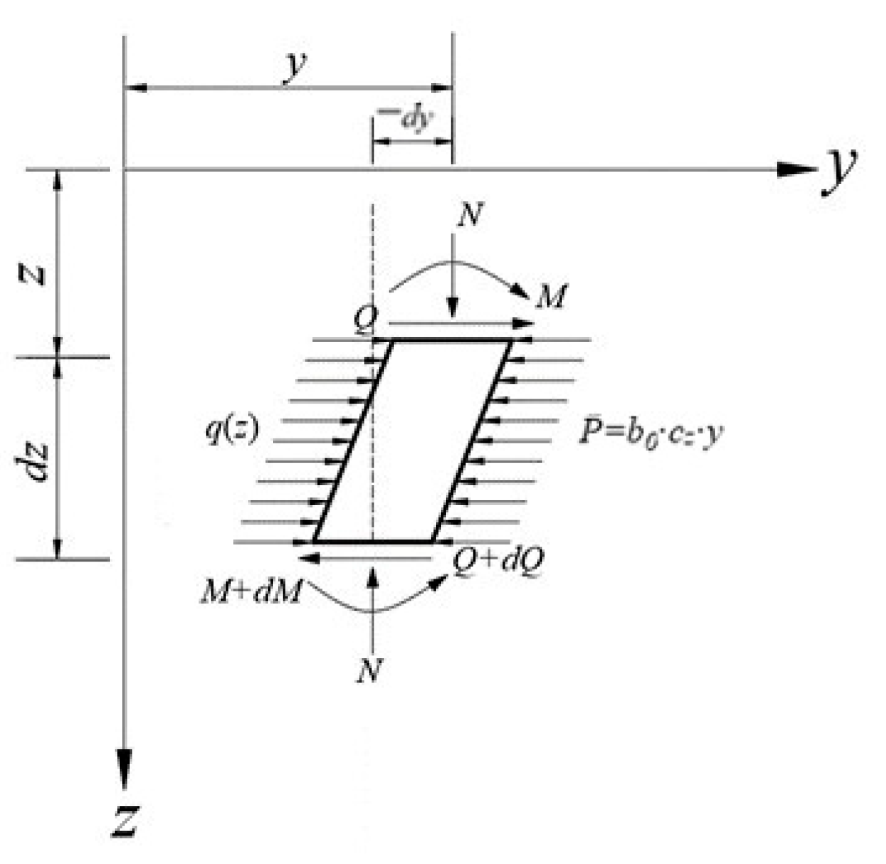
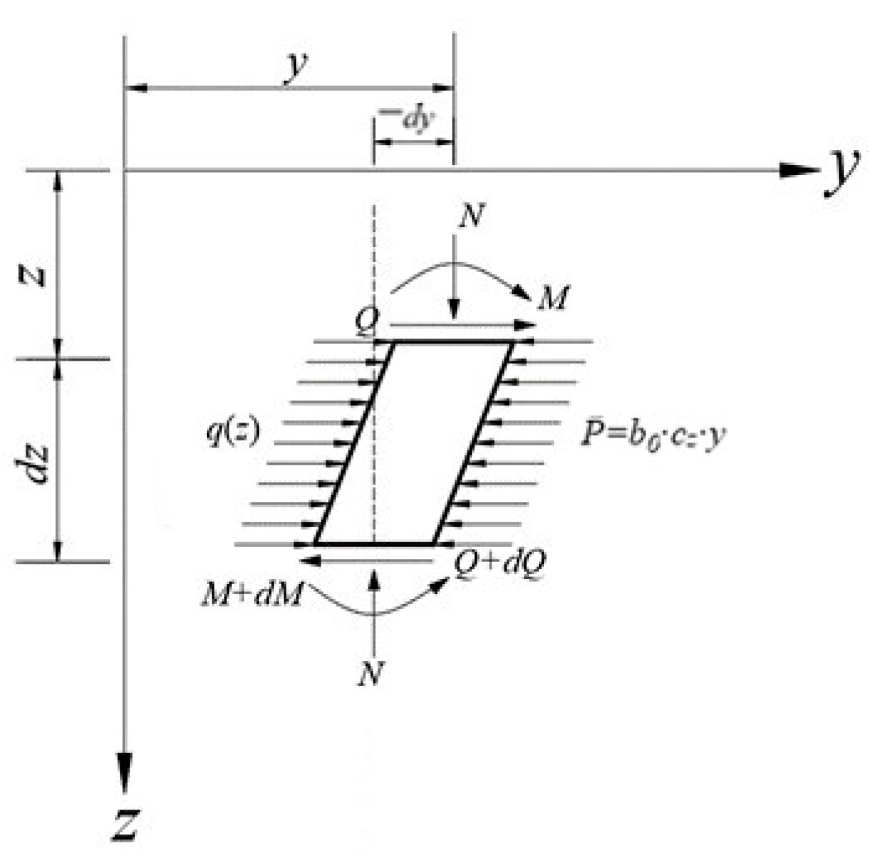
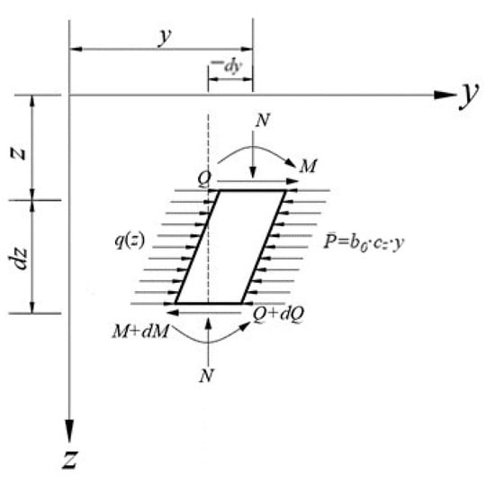
2.2. Establishment of The Flexural Differential Equation of the Pile
2.3. Phase Description of the Additional Load Caused by an Adjacent Surcharge
2.3.1. Elastic State
2.3.2. Elastoplastic State
Calculation Model and Formulas
Calculation of the Additional Load on the Pile Side
2.3.3. Plastic Flow State
3. The Model’s Difference Equation and Its Solution
4. Validation of the Calculation Method
4.1. Analysis of an Active Pile Based on a Typical p–y Curve
4.2. Passive Pile Analysis Based on Staged Descriptions of Additional Loads
5. Conclusions
- (1)
 - For a given surcharge condition, the soil around the pile at different buried depths may be in a plastic flow, elastoplastic, or elastic state. The staged description of the additional load set against these states is helpful for the accurate calculation and analysis of the pile foundation.
 - (2)
 - The order of horizontal displacement of pile top and maximum bending moment of pile shaft calculated from three typical p–y curves applicable to soft clay can be arranged as follows: Zhang model > Wang model > Matlock model. Additionally, the horizontal displacement of the pile top and the maximum bending of the pile increase nonlinearly with the horizontal load on the pile top. The variation trend and values were also consistent with the measured results. The calculated value of Zhang’s model was the closest to the measured results.
 - (3)
 - The displacement of the pile caused by the adjacent surcharge decreases gradually along the depth direction. The depth range of the horizontal displacement of the pile under a passive load is significantly greater than that under an active load. The extreme value of the pile shaft bending moment appears near the interface between the soft and hard soil layers.
 - (4)
 - The method in this paper reflects the nonlinear characteristics of pile–soil interaction with a typical p–y curve. It can thus be applied to the mechanical response analysis of active–passive single piles adjacent to heaped loads.
 
Author Contributions
Funding
Institutional Review Board Statement
Informed Consent Statement
Data Availability Statement
Conflicts of Interest
References
- Ellis, E.A.; Springman, S.M. Modelling of soil-structure interaction for a piled bridge abutment in plane strain FEM analyses. Comput. Geotech. 2001, 28, 79–98. [Google Scholar] [CrossRef]
 - Li, H.; Liu, S.; Yan, X.; Gu, W.; Tong, L. Effect of loading sequence on lateral soil-pile interaction due to excavation. Comput. Geotech. 2021, 134, 104134. [Google Scholar] [CrossRef]
 - Springman, S.M. Lateral Loading on Piles Due to Simulated Embankment Construction. Ph.D. Thesis, University of Cambridge, Cambridge, UK, 1989. [Google Scholar]
 - Liu, H.L.; Jian, C.; An, D. Use of large-diameter, cast-insitu concrete pipe piles for embankment over soft clay. Can. Geotech. J. 2009, 46, 915–927. [Google Scholar] [CrossRef]
 - Yuan, B.; Chen, M.; Chen, W.; Luo, Q.; Li, H. Effect of pile-soil relative stiffness on deformation characteristics of the laterally loaded pile. Adv. Mater. Sci. Eng. 2022, 2022, 1–13. [Google Scholar] [CrossRef]
 - Li, H.; Wei, L.; Feng, S.; Chen, Z. Behavior of piles subjected to surcharge loading in deep soft soils: Field tests. Geotech. Geol. Eng. 2019, 37, 4019–4029. [Google Scholar] [CrossRef]
 - Gu, M.; Cai, X.; Fu, Q.; Li, H.; Wang, X.; Mao, B. Numerical Analysis of Passive Piles under Surcharge Load in Extensively Deep Soft Soil. Buildings 2022, 12, 1988. [Google Scholar] [CrossRef]
 - Yang, M.; Shangguan, S.; Li, W.; Zhu, B. Numerical study of consolidation effect on the response of passive piles adjacent to surcharge load. Int. J. Geomech. 2017, 17, 04017093. [Google Scholar] [CrossRef]
 - Li, S.; Wei, L.; Feng, S.; He, Q.; Zhang, K. Time-dependent interactions between passive piles and soft soils based on the extended Koppejan model. Rock Soil Mech. 2022, 43, 2602–2614. [Google Scholar]
 - Mingxing, Z. Research on Bearing Mechanism of Passive Pile under Combined Loads. Ph.D. Thesis, Southeast University, Nanjing, China, 2016. [Google Scholar]
 - Ito, T.; Matsui, T. Methods to estimate lateral force acting on stabilizing piles. Soils Found. 1977, 15, 43–59. [Google Scholar] [CrossRef]
 - Ito, T.; Matsui, T.; Hong, W.P. Design method for the stability analysis of the slope with landing pier. J. Apanese Soc. Soil Mech. Found. Eng. 1979, 19, 43–57. [Google Scholar] [CrossRef]
 - Hao, Z.; Minglei, S.; Yuancheng, G.; Weizheng, L. Lateral mechanical behaviors of structural piles adjacent to imbalanced surcharge loads. Chin. J. Geotech. Eng. 2016, 38, 2226–2236. [Google Scholar]
 - Zhujiang, S. Ultimate lateral resistance and limit design of stabilizing pile. Chin. J. Geotech. Eng. 1992, 14, 51–56. [Google Scholar]
 - Li, Z.; Liang, Z. Calculation model and numerical analysis of passive piles subjected to adjacent surcharge loads. Chin. J. Geotech. Eng. 2010, 32, 128–134. [Google Scholar]
 - Zhao, M.H.; Yin, P.B.; Yang, M.H.; Yong, L. Analysis of influence factors and mechanical characteristics of bridge piles in high and steep slopes. J. Cent. South Univ. (Sci. Technol.) 2012, 43, 2733–2739. [Google Scholar]
 - Liang, F.; Yu, F.; Han, J. A simplified analysis method for an axially loaded single pile subjected to lateral soil movement. J. Tongji Univ. (Nat. Sci.) 2011, 39, 807–813. [Google Scholar]
 - Wei, L.; Wang, J.; Zhai, S.; He, Q. Analysis of internal force and displacement of axial transverse composite loaded pile in layered soft soil foundation. J. Railw. Sci. Eng. 2021, 18, 2907–2915. [Google Scholar]
 - Minghui, Y.; Yuhui, W.; Chaobo, F. Calculation method of horizontal loaded piles near slope based on passive wedge model. J. Railw. Sci. Eng. 2019, 16, 2951–2959. [Google Scholar]
 - Zhang, H.; Shi, M.; Guo, Y. Semianalytical solutions for abutment piles under combined active and passive loading. Int. J. Geomech. 2020, 20, 04020171. [Google Scholar] [CrossRef]
 - National Railway Administration of the People’s Republic of China. Code For Design On Subsoil and Foundation Of Railway Bridge And Culvert: TB 10093-2017; China Railway Press: Beijing, China, 2017. [Google Scholar]
 - Khalid, H.M.; Ojo, S.O.; Weaver, P.M. Inverse differential quadrature method for structural analysis of composite plates. Comput. Struct. 2022, 263, 106745. [Google Scholar] [CrossRef]
 - Kabir, H.; Aghdam, M.M. A generalized 2D Bézier-based solution for stress analysis of notched epoxy resin plates reinforced with graphene nanoplatelets. Thin-Walled Struct. 2021, 169, 108484. [Google Scholar] [CrossRef]
 - Ziai, L. Study on modulus of subgrade reaction for lateral loaded piles in multiple layered foundation. Chin. J. Geotech. Eng. 1988, 10, 48–56. [Google Scholar]
 - Lianyang, Z.; Zhuchang, C. Method for calculating p-y curve of cohesive soil. Ocean. Eng. 1992, 4, 50–58. [Google Scholar]
 - Huichu, W.; Dongqing, W. A new unified method for p-y curve of lateral static piles in clay. J. Hohai Univ. (Nat. Sci. Ed.) 1991, 1, 9–17. [Google Scholar]
 - Matlock, H. Correlation for design of laterally loaded piles in soft clay. In Offshore Technology in Civil Engineering; ASCE: Reston, VA, USA, 1970; pp. 77–94. [Google Scholar]
 - Stewart, D.P.; Ewell, R.; Randolph, M.F. Design of piled bridge abutments on soft clay for loading from lateral soil movements. Géotechnique 1994, 44, 277–296. [Google Scholar] [CrossRef]
 









| Computational Model | p–y Curve Expression | 
|---|---|
| Zhang Model [17] | |
| Wang Model [18] | |
| Matlock model [19] | 
| Soil Layer | Soil Thickness (m) | Density (kg/m3)  | Modulus of Compression (MPa) | Cohesion (kPa)  | Internal Friction Angle (°) | 
|---|---|---|---|---|---|
| Miscellaneous fill | 4.8 | 1800 | - | 5 | 11.5 | 
| Mud | 8.3 | 1642 | 2.09 | 10.5 | 10.2 | 
| Silty clay with silty soil | 4.8 | 1877 | 4.31 | 12.2 | 12.8 | 
| Muddy silty clay | 12.6 | 1733 | 3.24 | 11.9 | 11.2 | 
| Silty clay | 12.7 | 1742 | 4.63 | 15.3 | 12.3 | 
| Silty clay | 1.9 | 1774 | 3.77 | 24.1 | 11.3 | 
Disclaimer/Publisher’s Note: The statements, opinions and data contained in all publications are solely those of the individual author(s) and contributor(s) and not of MDPI and/or the editor(s). MDPI and/or the editor(s) disclaim responsibility for any injury to people or property resulting from any ideas, methods, instructions or products referred to in the content.  | 
© 2023 by the authors. Licensee MDPI, Basel, Switzerland. This article is an open access article distributed under the terms and conditions of the Creative Commons Attribution (CC BY) license (https://creativecommons.org/licenses/by/4.0/).
Share and Cite
Wei, L.; Zhang, K.; He, Q.; Zhang, C. Mechanical Response Analysis for an Active–Passive Pile Adjacent to Surcharge Load. Appl. Sci. 2023, 13, 4196. https://doi.org/10.3390/app13074196
Wei L, Zhang K, He Q, Zhang C. Mechanical Response Analysis for an Active–Passive Pile Adjacent to Surcharge Load. Applied Sciences. 2023; 13(7):4196. https://doi.org/10.3390/app13074196
Chicago/Turabian StyleWei, Limin, Kaixin Zhang, Qun He, and Chaofan Zhang. 2023. "Mechanical Response Analysis for an Active–Passive Pile Adjacent to Surcharge Load" Applied Sciences 13, no. 7: 4196. https://doi.org/10.3390/app13074196
APA StyleWei, L., Zhang, K., He, Q., & Zhang, C. (2023). Mechanical Response Analysis for an Active–Passive Pile Adjacent to Surcharge Load. Applied Sciences, 13(7), 4196. https://doi.org/10.3390/app13074196
        