Research on Permanent Magnet Synchronous Motor Sensorless Control System Based on Integral Backstepping Controller and Enhanced Linear Extended State Observer
Abstract
1. Introduction
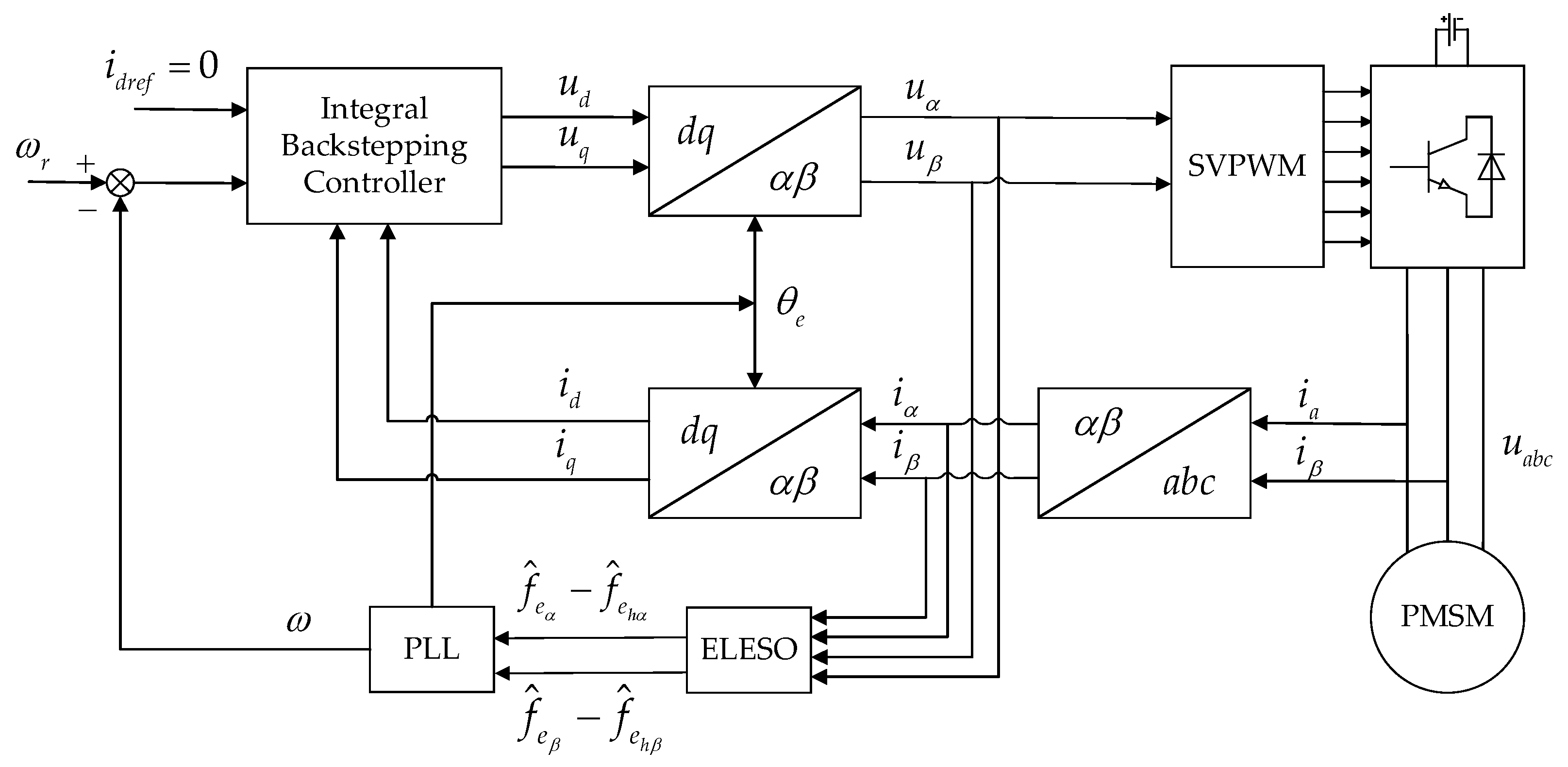
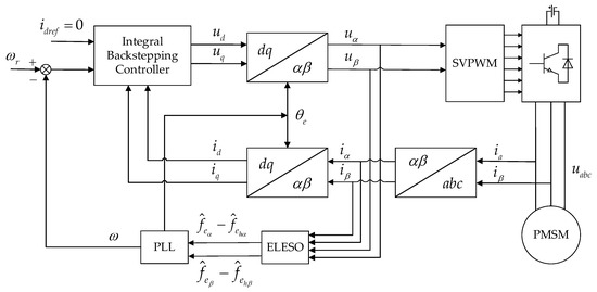
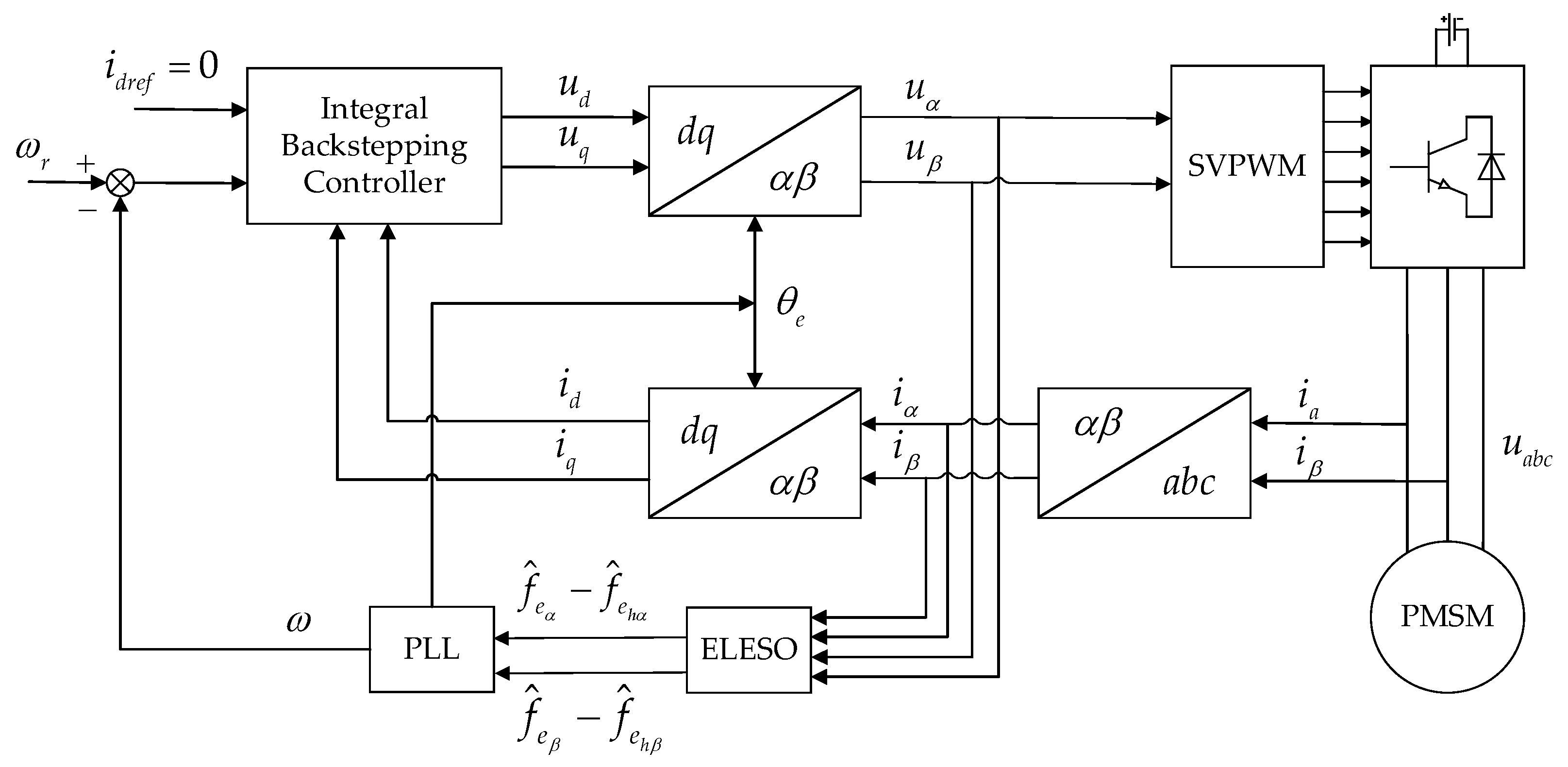
2. Theoretical Analysis of the Integral Backstepping Controller and the ELESO
2.1. The Mode of PMSM
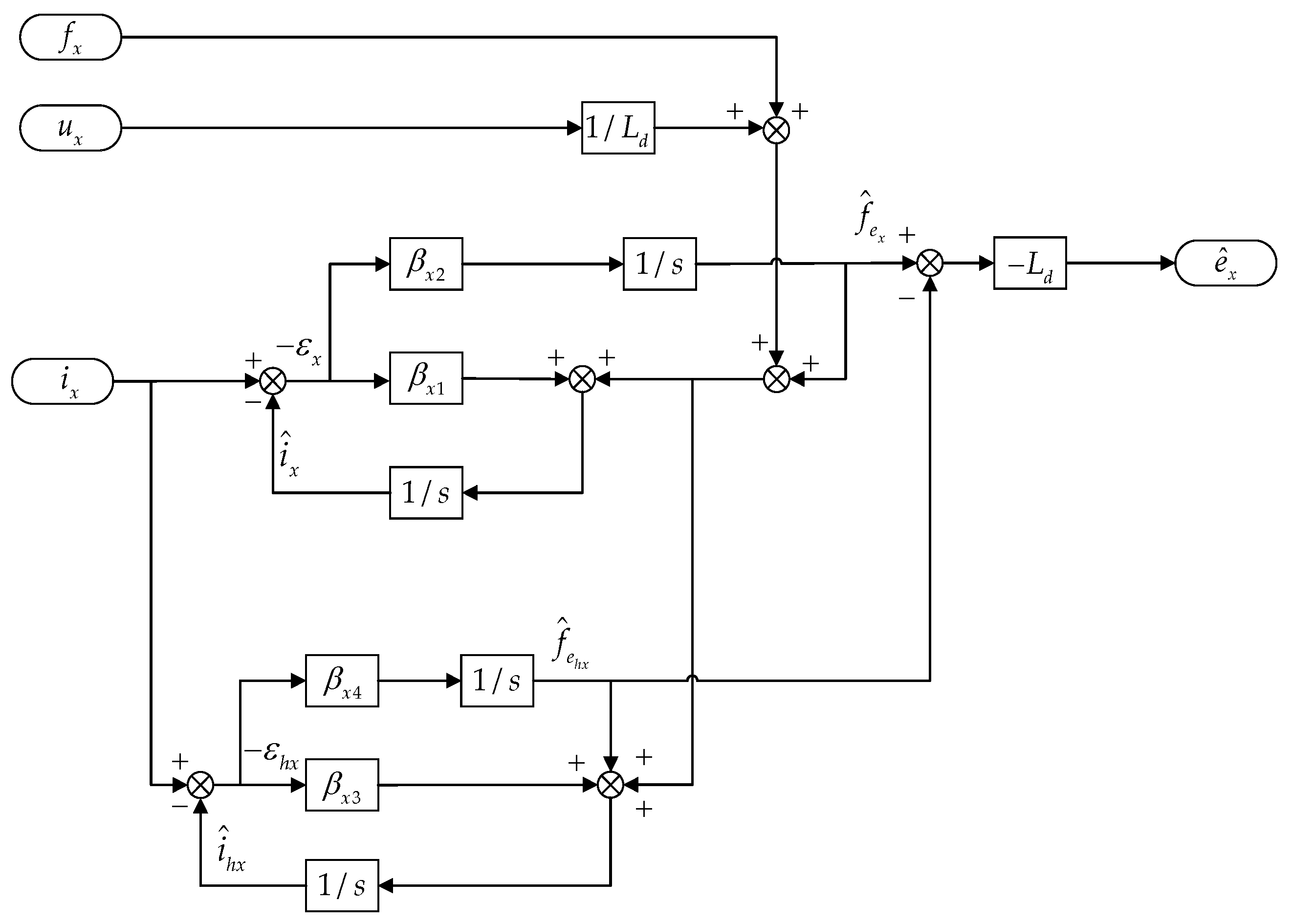
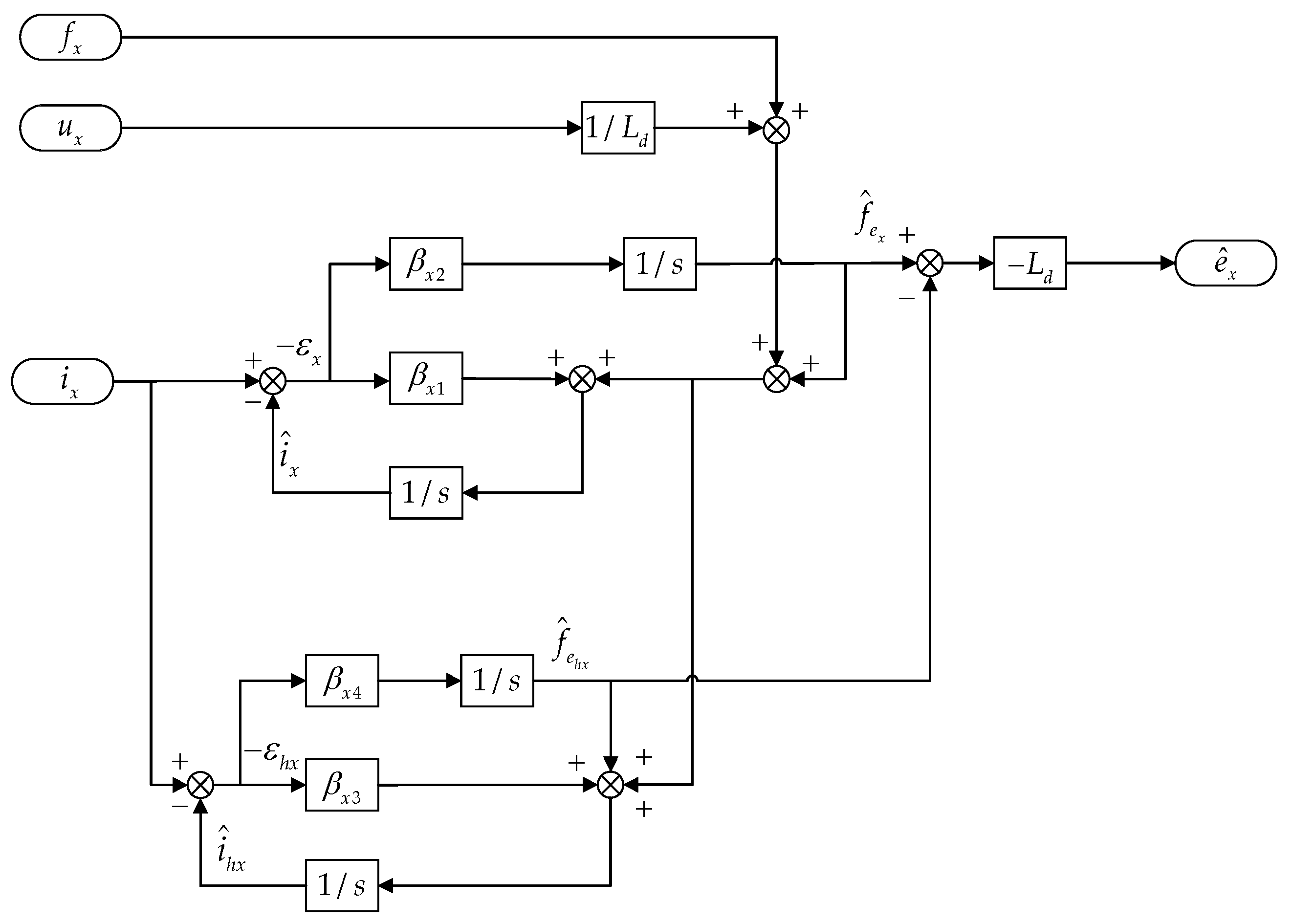
2.2. Design of ELESO
2.3. Design of Backstepping Control
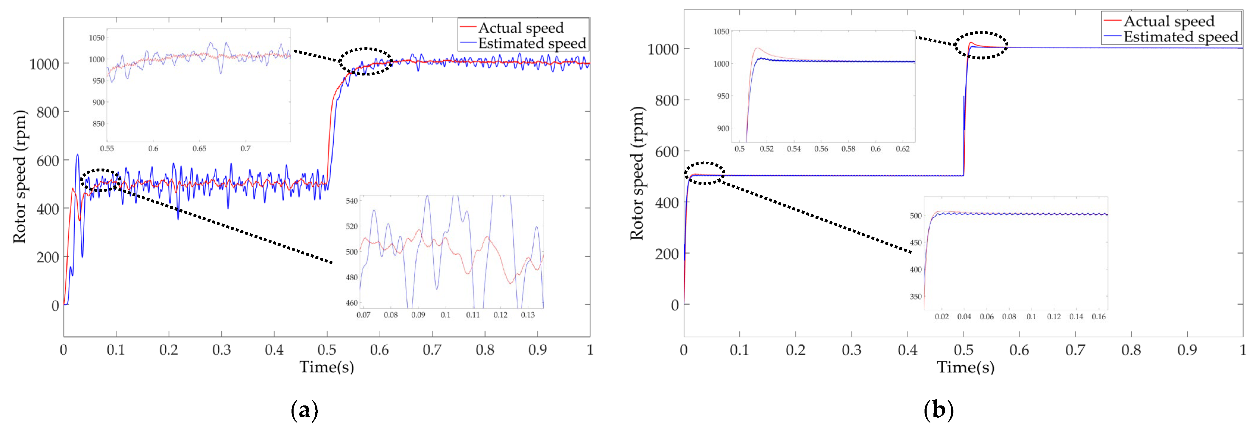
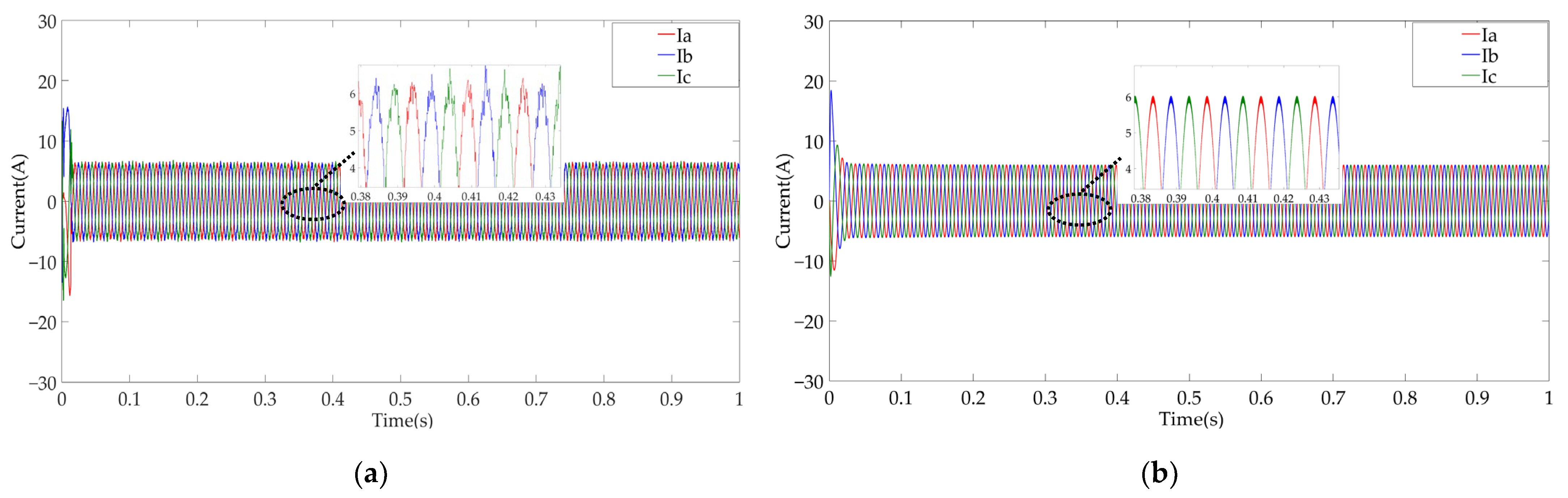
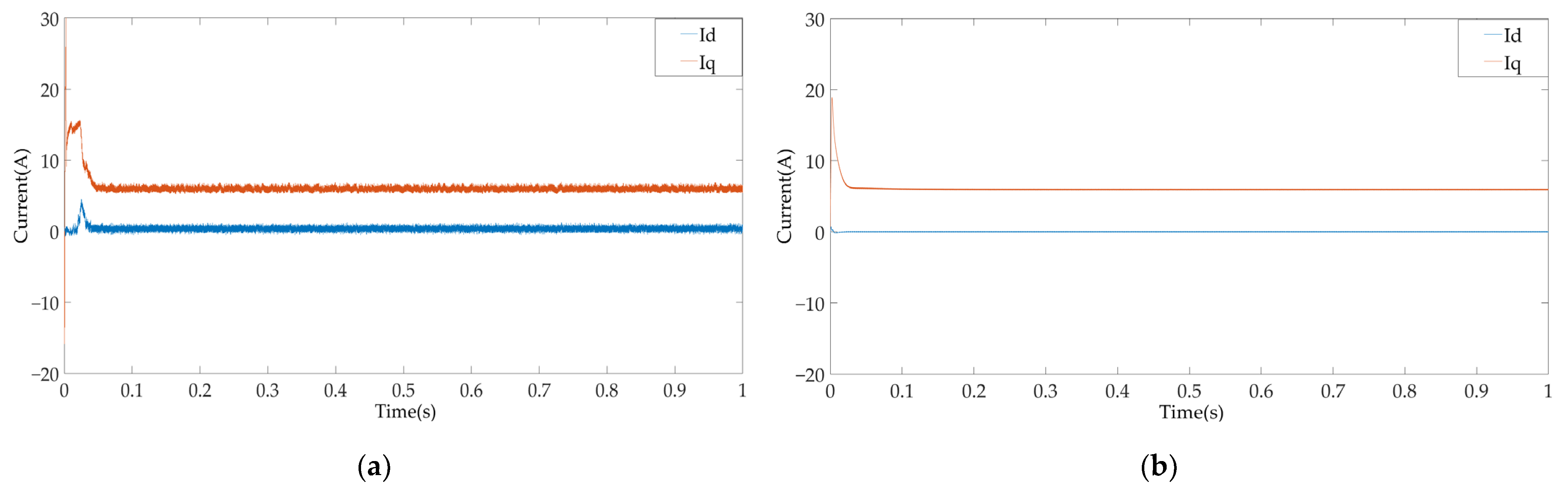
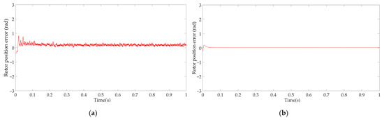
3. Simulation and Experimental Analysis
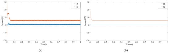
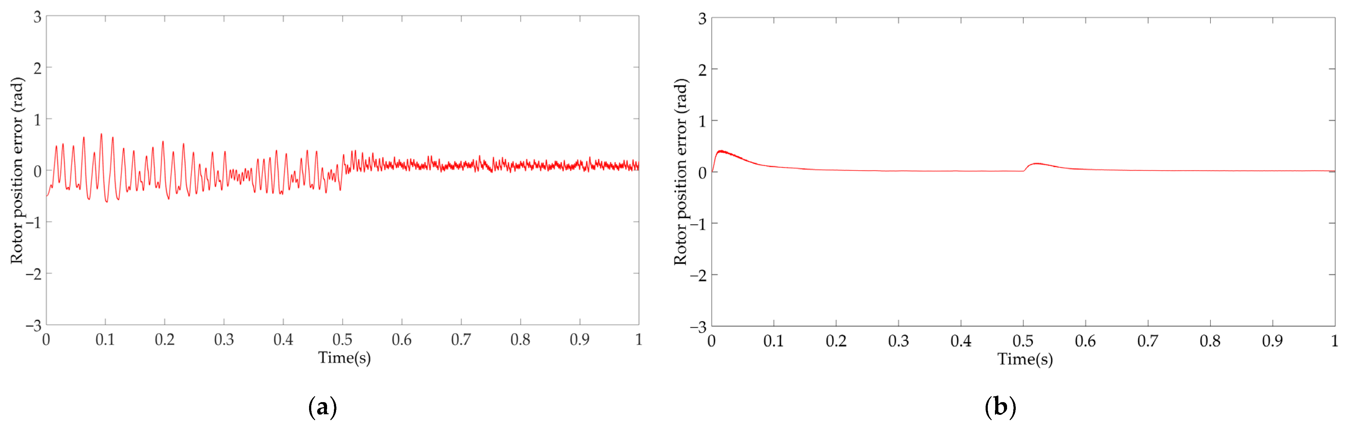
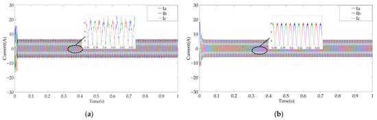
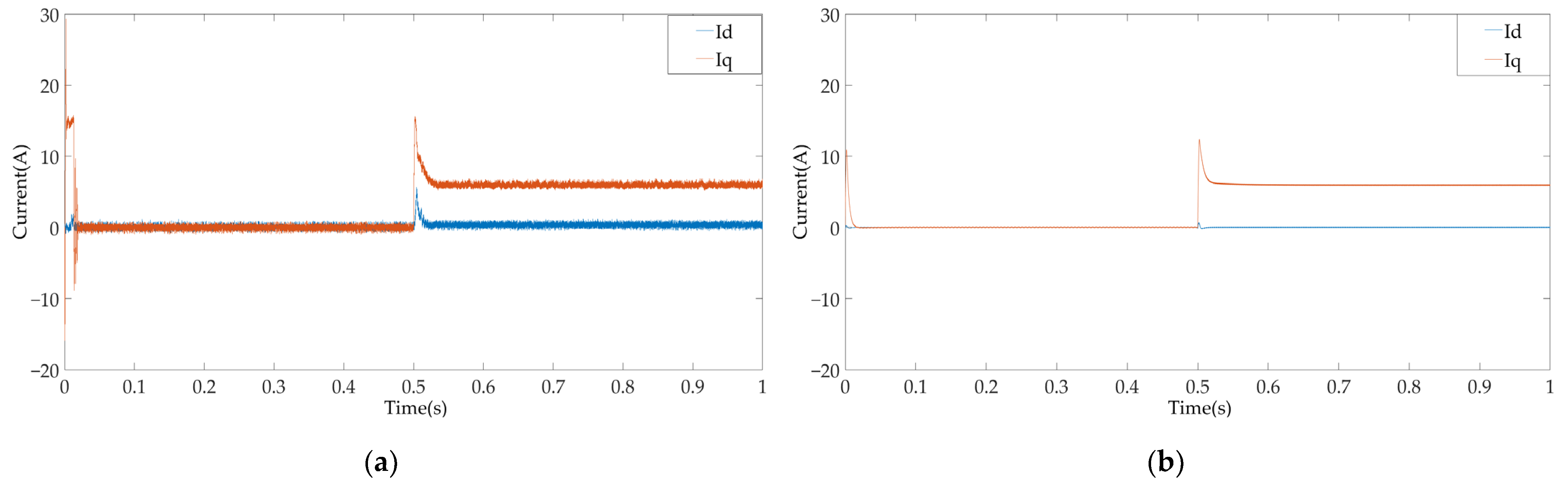
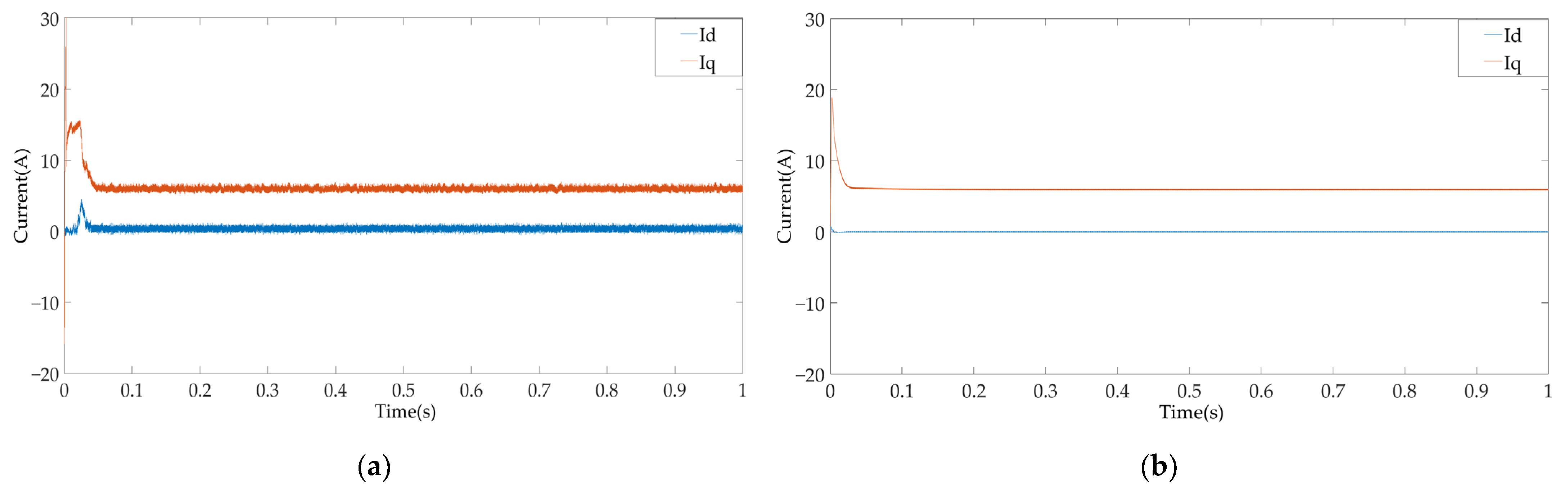
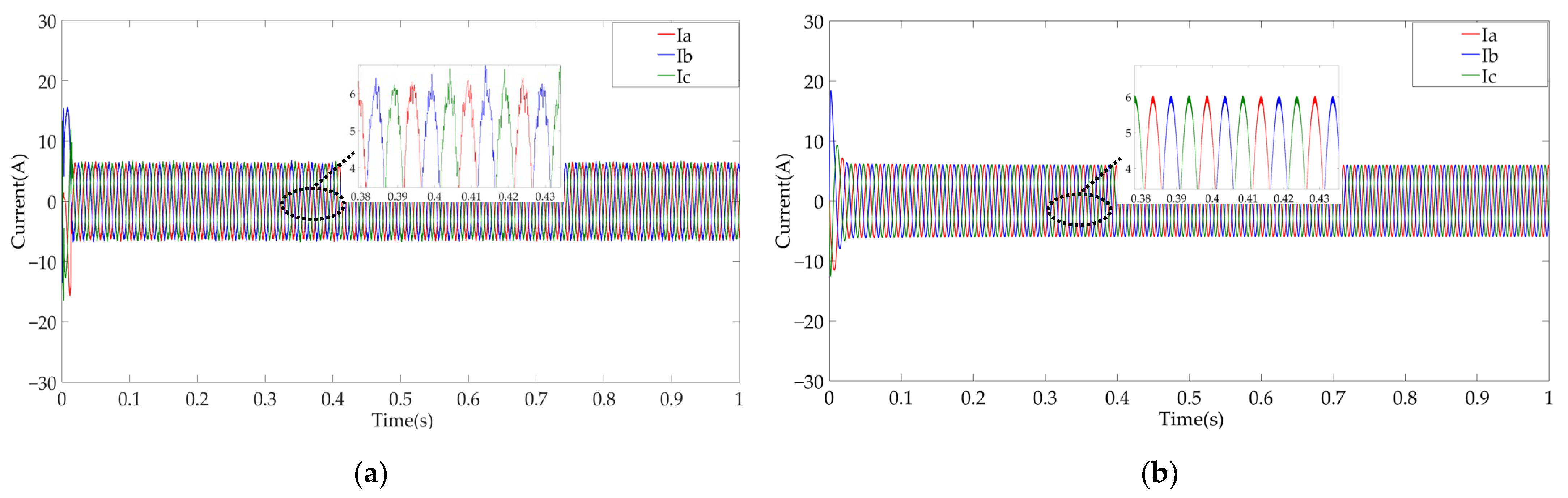
3.1. Simulation Results and Analysis
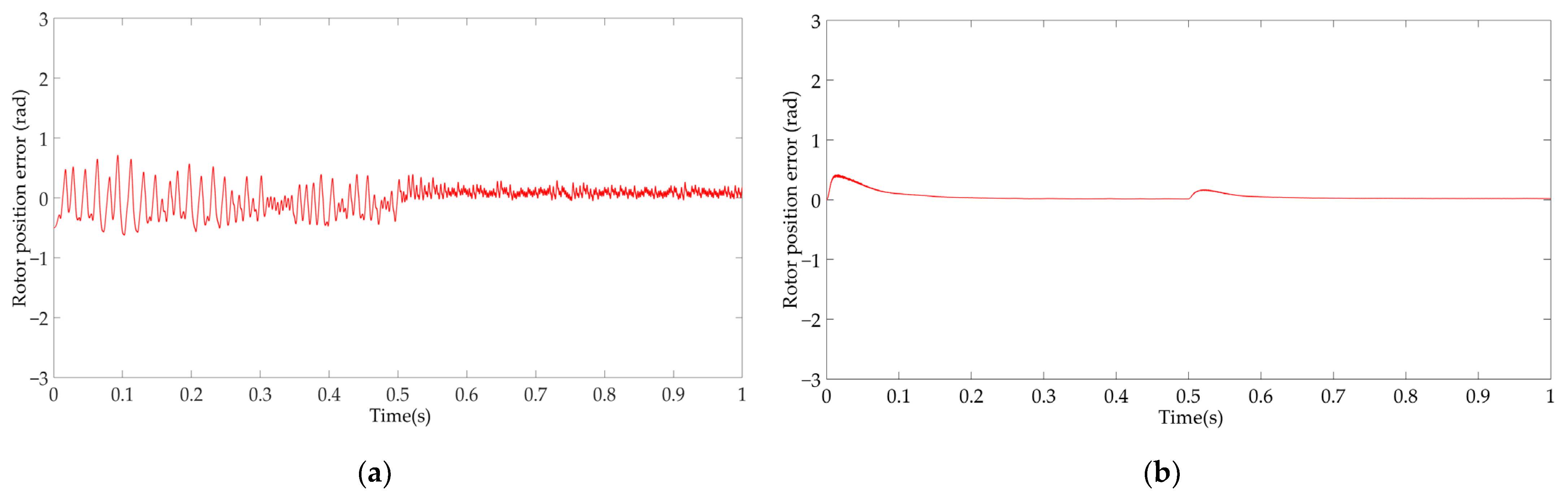
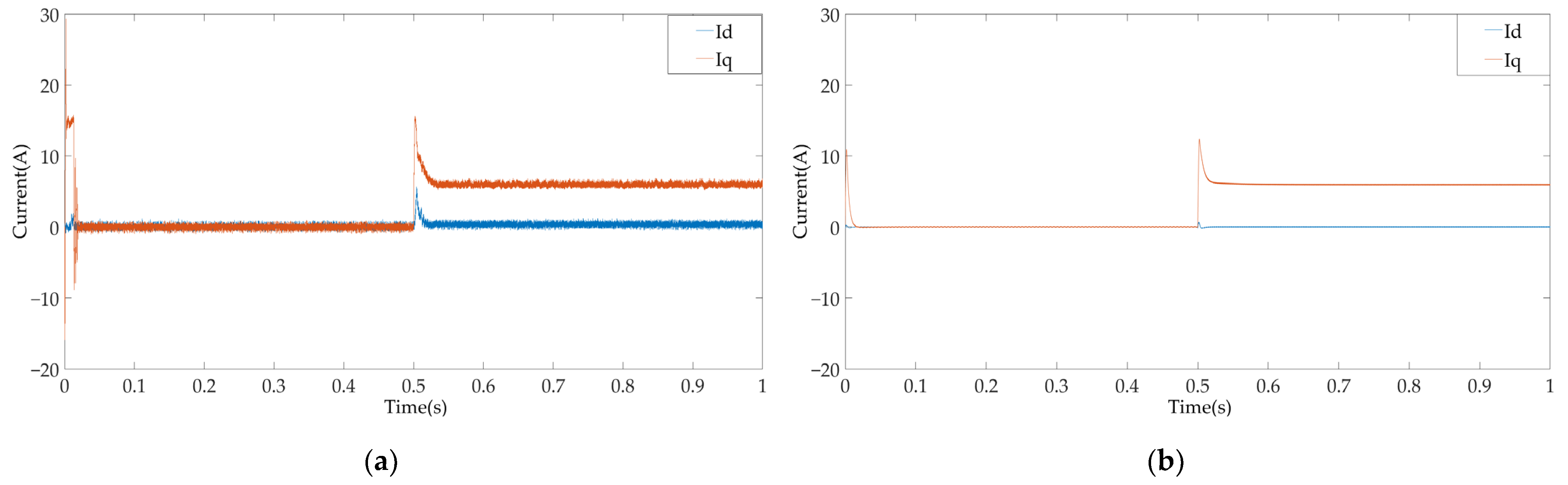
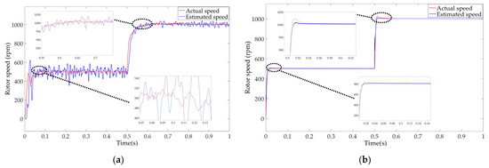
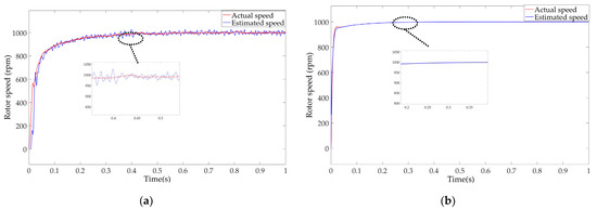
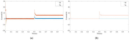
3.2. Experimental Results and Analysis
4. Conclusions
Author Contributions
Funding
Institutional Review Board Statement
Informed Consent Statement
Data Availability Statement
Conflicts of Interest
References
- Zhao, N.; Wang, G.; Xu, D.; Zhu, L.; Zhang, G.; Huo, J. Inverter Power Control Based on DC-Link Voltage Regulation for IPMSM Drives without Electrolytic Capacitors. IEEE Trans. Power Electron. 2018, 33, 558–571. [Google Scholar] [CrossRef]
- Zhao, Y.; Wei, C.; Zhang, Z.; Qiao, W. A Review on Position/Speed Sensorless Control for Permanent-Magnet Synchronous Machine-Based Wind Energy Conversion Systems. IEEE J. Emerg. Sel. Top. Power Electron. 2013, 1, 203–216. [Google Scholar] [CrossRef]
- Kim, S.-Y.; Choi, C.; Lee, K.; Lee, W. An Improved Rotor Position Estimation with Vector-Tracking Observer in PMSM Drives with Low-Resolution Hall-Effect Sensors. IEEE Trans. Ind. Electron. 2010, 58, 4078–4086. [Google Scholar] [CrossRef]
- Liu, Y.; Zhu, J.; Wang, Z.; Liang, Y. Study of rotor position estimation algorithm based on back-EMF voltage for dual-winding fault-tolerant permanent magnet motor. Automatika 2022, 63, 496–510. [Google Scholar] [CrossRef]
- Kim, J.; Jeong, I.; Nam, K.; Yang, J.; Hwang, T. Sensorless Control of PMSM in a High-Speed Region Considering Iron Loss. IEEE Trans. Ind. Electron. 2015, 62, 6151–6159. [Google Scholar] [CrossRef]
- Xu, W.; Jiang, Y.; Mu, C.; Blaabjerg, F. Improved Nonlinear Flux Observer-Based Second-Order SOIFO for PMSM Sensorless Control. IEEE Trans. Power Electron. 2019, 34, 565–579. [Google Scholar] [CrossRef]
- Qiao, Z.; Shi, T.; Wang, Y.; Yan, Y.; Xia, C.; He, X. New Sliding-Mode Observer for Position Sensorless Control of Permanent-Magnet Synchronous Motor. IEEE Trans. Ind. Electron. 2013, 60, 710–719. [Google Scholar] [CrossRef]
- Liang, D.; Li, J.; Qu, R.; Kong, W. Adaptive Second-Order Sliding-Mode Observer for PMSM Sensorless Control Considering VSI Nonlinearity. IEEE Trans. Power Electron. 2018, 33, 8994–9004. [Google Scholar] [CrossRef]
- Ren, N.; Fan, L.; Zhang, Z. Sensorless PMSM Control with Sliding Mode Observer Based on Sigmoid Function. J. Electr. Eng. Technol. 2021, 16, 933–939. [Google Scholar] [CrossRef]
- Fu, D.; Zhao, X.; Zhu, J. A Novel Robust Super-Twisting Nonsingular Terminal Sliding Mode Controller for Permanent Magnet Linear Synchronous Motors. IEEE Trans. Power Electron. 2021, 37, 2936–2945. [Google Scholar] [CrossRef]
- Xiang, L.; Yan, W.; Zhicheng, J. Global Fast Terminal Sliding Mode Control System for Permanent Magnet Synchronous Motor Drive Under Disturbances. In Proceedings of the 2018 37th Chinese Control Conference (CCC), Wuhan, China, 25–27 July 2018; pp. 3092–3095. [Google Scholar] [CrossRef]
- Nguyen, T.H.; Nguyen, T.T.; Nguyen, V.Q.; Le, K.M.; Tran, H.N.; Jeon, J.W. An Adaptive Sliding-Mode Controller with a Modified Reduced-Order Proportional Integral Observer for Speed Regulation of a Permanent Magnet Synchronous Motor. IEEE Trans. Ind. Electron. 2022, 69, 7181–7191. [Google Scholar] [CrossRef]
- Lu, E.; Li, W.; Wang, S.; Zhang, W.; Luo, C. Disturbance rejection control for PMSM using integral sliding mode based composite nonlinear feedback control with load observer. ISA Trans. 2021, 116, 203–217. [Google Scholar] [CrossRef]
- Li, Z.; Wang, J.; Wang, S.; Feng, S.; Zhu, Y.; Sun, H. Design of Sensorless Speed Control System for Permanent Magnet Linear Synchronous Motor Based on Fuzzy Super-Twisted Sliding Mode Observer. Electronics 2022, 11, 1394. [Google Scholar] [CrossRef]
- Xiong, J.-J.; Zhang, G.-B.; Wang, J.-X.; Yan, T.-H. Improved Sliding Mode Control for Finite-Time Synchronization of Nonidentical Delayed Recurrent Neural Networks. IEEE Trans. Neural Netw. Learn. Syst. 2020, 31, 2209–2216. [Google Scholar] [CrossRef]
- Han, J. From PID to Active Disturbance Rejection Control. IEEE Trans. Ind. Electron. 2009, 56, 900–906. [Google Scholar] [CrossRef]
- Qu, L.; Qiao, W.; Qu, L. An Extended-State-Observer-Based Sliding-Mode Speed Control for Permanent-Magnet Synchronous Motors. IEEE J. Emerg. Sel. Top. Power Electron. 2021, 9, 1605–1613. [Google Scholar] [CrossRef]
- Du, B.; Wu, S.; Han, S.; Cui, S. Application of Linear Active Disturbance Rejection Controller for Sensorless Control of Internal Permanent-Magnet Synchronous Motor. IEEE Trans. Ind. Electron. 2016, 63, 3019–3027. [Google Scholar] [CrossRef]
- Xi, Y.; Yu, X.; Wang, Y.; Li, Y.; Huang, J. Robust Nonlinear Adaptive Backstepping Coordinated Control for Boiler-Turbine Units. In Proceedings of the 2018 IEEE 27th International Symposium on Industrial Electronics (ISIE), Cairns, Australia, 13–15 June 2018; pp. 1167–1172. [Google Scholar] [CrossRef]
- Nabipour, M.; Zarchi, H.A.; Madani, S.M. Variable-structure position control-a class of fast and robust controllers for synchronous reluctance motor drives. In Proceedings of the 20th Iranian Conference on Electrical Engineering (ICEE2012), Tehran, Iran, 15–17 May 2012; pp. 410–415. [Google Scholar] [CrossRef]
- Xi, Y.; Wang, Y.A. Coordinated Control Strategy for Thermal Power Generation Units Based on the Adaptive Backstepping Method. Zhongguo Dianji Gongcheng Xuebao 2018, 38, 2070. [Google Scholar] [CrossRef]
- Kang, Y.G.; Reigosa, D.D. Dq-Transformed Error and Current Sensing Error Effects on Self-Sensing Control. IEEE J. Emerg. Sel. Top. Power Electron. 2022, 10, 1935–1945. [Google Scholar] [CrossRef]
- Humaidi, A.J.; Badr, H.M.; Ajil, A.R. Design of Active Disturbance Rejection Control for Single-Link Flexible Joint Robot Manipulator. In Proceedings of the 2018 22nd International Conference on System Theory, Control and Computing (ICSTCC), Sinaia, Romania, 10–12 October 2018; pp. 452–457. [Google Scholar] [CrossRef]
- Jiang, F.; Yang, K.; Sun, S.; Xu, Y.; Liu, A. Back-EMF based Sensorless Control of PMSM with an Improved PLL for Eliminating the Position Estimation Fluctuation. In Proceedings of the 2019 22nd International Conference on Electrical Machines and Systems (ICEMS), Harbin, China, 11–14 August 2019. [Google Scholar] [CrossRef]
- Wang, G.; Ding, L.; Li, Z.; Xu, J.; Zhang, G.; Zhan, H.; Ni, R.; Xu, D. Enhanced Position Observer Using Second-Order Generalized Integrator for Sensorless Interior Permanent Magnet Synchronous Motor Drives. IEEE Trans. Energy Convers. 2014, 29, 486–495. [Google Scholar] [CrossRef]
- Jiang, F.; Yang, K.; Sun, S.; Zhang, H.; Tang, L.; Liu, A. An Improved Extended State Observer Based on Linear-Nonlinear Switching Strategy for PMSM Sensorless Control. In Proceedings of the 2018 21st International Conference on Electrical Machines and Systems (ICEMS), Jeju, Korea, 7–10 October 2018; pp. 1696–1702. [Google Scholar] [CrossRef]
- Hua, X.; Huang, D.; Guo, S. Extended State Observer Based on ADRC of Linear System with Incipient Fault. Int. J. Control. Autom. Syst. 2020, 18, 1425–1434. [Google Scholar] [CrossRef]
- Gao, Z. Scaling and bandwidth-parameterization based controller tuning. In Proceedings of the 2003 American Control Conference, Denver, CO, USA, 4–6 June 2003; pp. 4989–4996. [Google Scholar] [CrossRef]
- Qu, L.; Qiao, W.; Qu, L. An Enhanced Linear Active Disturbance Rejection Rotor Position Sensorless Control for Permanent Magnet Synchronous Motors. IEEE Trans. Power Electron. 2020, 35, 6175–6184. [Google Scholar] [CrossRef]
- Karabacak, M.; Eskikurt, H.I. Design, modelling and simulation of a new nonlinear and full adaptive backstepping speed tracking controller for uncertain PMSM. Appl. Math. Model. 2012, 36, 5199–5213. [Google Scholar] [CrossRef]
- Larbaoui, A.; Belabbes, B.; Meroufel, A.; Tahour, A.; Bouguenna, D. Backstepping control with integral action of PMSM integrated according to the MRAS observer. IOSR J. Electr. Electron. Eng. 2014, 9, 59–69. [Google Scholar] [CrossRef]
- Yang, Q.; Liu, W.; Huang, Y. Real time simulation study on backstepping sliding mode control of permanent magnet synchronous motor. In Proceedings of the 2011 International Conference on Electrical Machines and Systems (ICEMS), Beijing, China, 20–23 August 2011; pp. 1–5. [Google Scholar] [CrossRef]
- Sun, X.; Yu, H.; Liu, X. Design and Application of Sliding Mode Controller in PMSM Position Tracking Control Based on Adaptive Backstepping. In Proceedings of the 2018 Chinese Automation Congress (CAC), Xi’an, China, 30 November 2018–2 December 2018; pp. 3507–3511. [Google Scholar] [CrossRef]
- Nicola, C.-I.; Nicola, M.; Selișteanu, D. Sensorless Control of PMSM Based on Backstepping-PSO-Type Controller and ESO-Type Observer Using Real-Time Hardware. Electronics 2021, 10, 2080. [Google Scholar] [CrossRef]
- Noguchi, S.; Mabuchi, H.; Suzuki, K.; Dohmaeki, H. Study of parameter variations compensation in sensorless control of PMSM. In Proceedings of the 2016 19th International Conference on Electrical Machines and Systems (ICEMS), Chiba, Japan, 13–16 November 2016; pp. 1–6. [Google Scholar]
- Pacha, M.; Zossak, S. Improved Simple I-F Open-Loop Start-up of PMSM Drives without Speed or Position Sensor. In Proceedings of the 2019 IEEE 10th International Symposium on Sensorless Control for Electrical Drives (SLED), Turin, Italy, 9–10 September 2019; pp. 1–6. [Google Scholar] [CrossRef]






















| Parameters | Values |
|---|---|
| Stator resistance/ | 1.5 |
| Rated torque/N·m | 6 |
| d-axis inductance/mH | 2.48 |
| q-axis inductance/mH | 2.95 |
| Rated speed/rpm | 1000 |
| Moment of inertia/kg·m2 | 0.0014 |
| Flux linkage/wb | 0.07 |
| Viscous friction/B | 7.2 × 10−4 |
| Pole pairs | 4 |
| Time (s) | Speed (a) Act/Est | Speed (a) Error | Speed (b) Act/Est | Speed (b) Error | Position (a) Act/Est | Position (a) Error | Position (b) Act/Est | Position (b) Error |
|---|---|---|---|---|---|---|---|---|
| 0.01 | 363.85/137.69 | 226.16 | 500.45/501.5 | −1.05 | 0.81/0.39 | 0.42 | 1.69/1.82 | −0.13 |
| 0.05 | 470.00/462.84 | 7.16 | 506.67/505.13 | 1.54 | 2.16/1.48 | 0.68 | 4.52/4.61 | −0.09 |
| 0.1 | 510.40/524.53 | −14.13 | 503.87/502.75 | 1.12 | 1.72/1.13 | 0.59 | 4.45/4.51 | −0.06 |
| 0.3 | 500.58/497.83 | 2.75 | 500.15/499.03 | 1.12 | 3.38/2.75 | 0.63 | 6.17/6.23 | −0.06 |
| 0.55 | 960.06/979.30 | −19.24 | 1015.57/1013.61 | 1.96 | 1.35/0.5 | 0.85 | 5.80/5.88 | −0.08 |
| 0.6 | 1007.67/1005.30 | 2.37 | 1003.86/1002.66 | 1.2 | 5.99/4.68 | 1.31 | 6.14/6.19 | −0.05 |
| 0.8 | 1001.32/1006.70 | −5.38 | 1000.29/999.41 | 0.88 | 5.28/4.09 | 1.19 | 4.14/4.18 | −0.04 |
| 1.05 | 873.38/870.16 | 3.22 | 945.46/945.07 | 0.39 | 1.05/0.03 | 1.02 | 4.72/5.14 | −0.42 |
| 1.1 | 926.43/921.41 | 5.02 | 995.04/994.04 | 1 | 1.43/0.3 | 1.13 | 2.05/2.44 | −0.39 |
| 1.3 | 967.17/931.65 | 35.52 | 999.82/998.94 | 0.88 | 1.10/0.08 | 1.02 | 6.16/6.22 | −0.06 |
| 1.55 | 1112.68/1140.04 | −27.36 | 1056.01/1053.08 | 2.93 | 5.98/4.58 | 1.4 | 1.14/1.21 | −0.07 |
| 1.6 | 1110.35/1107.98 | 2.37 | 1011.21/1010.24 | 0.97 | 2.79/1.39 | 1.4 | 1.44/1.48 | −0.04 |
| 1.8 | 1042.10/1036.18 | 5.92 | 1000.99/1000.23 | 0.76 | 2.71/1.45 | 1.26 | 3.51/3.55 | −0.04 |
| Time (s) | Id (a) | Id (b) | Torque (a) | Torque (b) |
|---|---|---|---|---|
| 0.01 | 1.20 | 0.05 | 9.84 | 1.31 |
| 0.05 | −0.27 | −0.003 | 2.12 | 0.04 |
| 0.1 | 0.16 | −0.002 | 0.78 | 0.03 |
| 0.3 | −0.023 | 0.001 | −0.60 | 0.01 |
| 0.55 | 0.50 | 0.002 | −2.16 | −0.04 |
| 0.6 | 0.013 | −0.001 | −1.57 | −0.01 |
| 0.8 | 0.72 | −0.002 | 2.02 | 0 |
| 1.05 | 0.60 | −0.01 | 6.03 | 6.21 |
| 1.1 | 0.25 | 0.003 | 7.49 | 6.08 |
| 1.3 | 0.09 | 0.002 | 6.32 | 6.01 |
| 1.55 | 0.39 | 0.006 | 1.68 | −0.19 |
| 1.6 | 0.62 | 0 | 0.64 | −0.09 |
| 1.8 | 0.22 | −0.003 | 0.81 | −0.01 |
| Time (s) | Speed (a) Act/Est | Speed (a) Error | Speed (b) Act/Est | Speed (b) Error | Position (a) Act/Est | Position (a) Error | Position (b) Act/Est | Position (b) Error |
|---|---|---|---|---|---|---|---|---|
| 0.1 | 812.50/814.99 | −2.49 | 965.98/964.67 | 1.31 | 5.51/4.49 | 1.02 | 4.76/5.16 | −0.4 |
| 0.3 | 939.87/947.73 | −7.86 | 998.68/997.78 | 0.9 | 6.23/5.13 | 1.1 | 6.01/6.24 | −0.23 |
| 0.5 | 970.27/987.90 | −17.63 | 999.97/999.06 | 0.91 | 2.18/0.98 | 1.2 | 1.79/2.18 | −0.39 |
| 0.7 | 985.96/987.44 | −1.48 | 1000.01/999.11 | 0.9 | 1.34/0.08 | 1.24 | 3.89/4.28 | −0.39 |
| 0.9 | 993.17/1010.23 | −17.06 | 1000.02/999.08 | 0.9 | 1.30/0.03 | 1.27 | 5.81/6.20 | −0.39 |
| 1.1 | 859.71/858.22 | 1.49 | 795.70/794.77 | 0.93 | 4.73/3.61 | 1.12 | 5.83/6.27 | −0.44 |
| 1.3 | 822.55/803.84 | 18.71 | 799.83/798.87 | 0.96 | 1.13/0.2 | 0.93 | 3.70/4.14 | −0.44 |
| 1.5 | 808.29/802.55 | 5.74 | 799.98/799.03 | 0.95 | 1.04/0.02 | 1.02 | 1.60/2.04 | −0.44 |
| 1.7 | 799.04/803.83 | −4.79 | 799.99/799.03 | 0.96 | 5.95/4.99 | 0.96 | 5.80/6.23 | −0.43 |
| 1.9 | 805.53/780.67 | 24.86 | 799.99/799.02 | 0.97 | 4.05/3.04 | 1.01 | 3.70/4.14 | −0.44 |
| Time (s) | Id (a) | Id (b) | Torque (a) | Torque (b) |
|---|---|---|---|---|
| 0.1 | 0.35 | −0.002 | 8.84 | 6.06 |
| 0.3 | 0.50 | 0.002 | 8.49 | 6.02 |
| 0.5 | −0.013 | 0.002 | 6.39 | 6.01 |
| 0.7 | 0.28 | 0.002 | 6 | 6 |
| 0.9 | 0.132 | 0.002 | 6.72 | 6.01 |
| 1.1 | −0.15 | 0.002 | 3.68 | 6.04 |
| 1.3 | −0.011 | −0.001 | 6.57 | 6.01 |
| 1.5 | −0.12 | −0.001 | 6.07 | 6 |
| 1.7 | −0.36 | −0.001 | 4.74 | 6 |
| 1.9 | −0.05 | 0 | 5.34 | 6.01 |
Disclaimer/Publisher’s Note: The statements, opinions and data contained in all publications are solely those of the individual author(s) and contributor(s) and not of MDPI and/or the editor(s). MDPI and/or the editor(s) disclaim responsibility for any injury to people or property resulting from any ideas, methods, instructions or products referred to in the content. |
© 2023 by the authors. Licensee MDPI, Basel, Switzerland. This article is an open access article distributed under the terms and conditions of the Creative Commons Attribution (CC BY) license (https://creativecommons.org/licenses/by/4.0/).
Share and Cite
Shao, L.; Zheng, C.; Zhang, Y.; Xie, G.; Hao, X.; Zheng, X. Research on Permanent Magnet Synchronous Motor Sensorless Control System Based on Integral Backstepping Controller and Enhanced Linear Extended State Observer. Appl. Sci. 2023, 13, 1680. https://doi.org/10.3390/app13031680
Shao L, Zheng C, Zhang Y, Xie G, Hao X, Zheng X. Research on Permanent Magnet Synchronous Motor Sensorless Control System Based on Integral Backstepping Controller and Enhanced Linear Extended State Observer. Applied Sciences. 2023; 13(3):1680. https://doi.org/10.3390/app13031680
Chicago/Turabian StyleShao, Lihuan, Changfeng Zheng, Yan Zhang, Guanling Xie, Xiyu Hao, and Xiaolong Zheng. 2023. "Research on Permanent Magnet Synchronous Motor Sensorless Control System Based on Integral Backstepping Controller and Enhanced Linear Extended State Observer" Applied Sciences 13, no. 3: 1680. https://doi.org/10.3390/app13031680
APA StyleShao, L., Zheng, C., Zhang, Y., Xie, G., Hao, X., & Zheng, X. (2023). Research on Permanent Magnet Synchronous Motor Sensorless Control System Based on Integral Backstepping Controller and Enhanced Linear Extended State Observer. Applied Sciences, 13(3), 1680. https://doi.org/10.3390/app13031680

