Analysis of Selected Production Parameters for the Quality of Pressure Castings as a Tool to Increase Competitiveness
Abstract
1. Introduction
1.1. High-Pressure Die Casting Pressure
1.2. Thermal Conditions in Die Casting of Metals
- Q1—the heat for the mold preheating [J];
- Q2—the heat delivered by the casting [J];
- Q3—the heat released by the casting to the mold [J];
- Q4—the heat reduced by the casting heat released from the mold [J].
- mk—casting weight + 0.6 sprue weight [kg];
- cL—specific heat of molten alloy [J·kg−1·K−1];
- cS—specific heat of solid metal [J·kg−1·K−1];
- tl—metal temperature in casting [°C];
- ts—solid temperature [°C];
- l—latent heat of metal [J·kg−1].
- α—heat transfer coefficient [W·m−2·K−1];
- Fodl—the surface of the casting [m2];
- tf—mold temperature [°C];
- τl—time of mold cooling [s].
- t2—temperature of the casting removed from the mold [°C].
1.3. Foundry Alloys Al-Si
1.4. Aluminum Alloys and Their Range of Physical and Mechanical Properties
2. Materials and Methods
2.1. Setting of Technological Parameters of Die Casting
2.2. Tensile Test—Strength Limit
2.3. Preparation of Metallographic Specimens for Porosity Detection
3. Results
3.1. Evaluation of Ultimate Tensile Strength
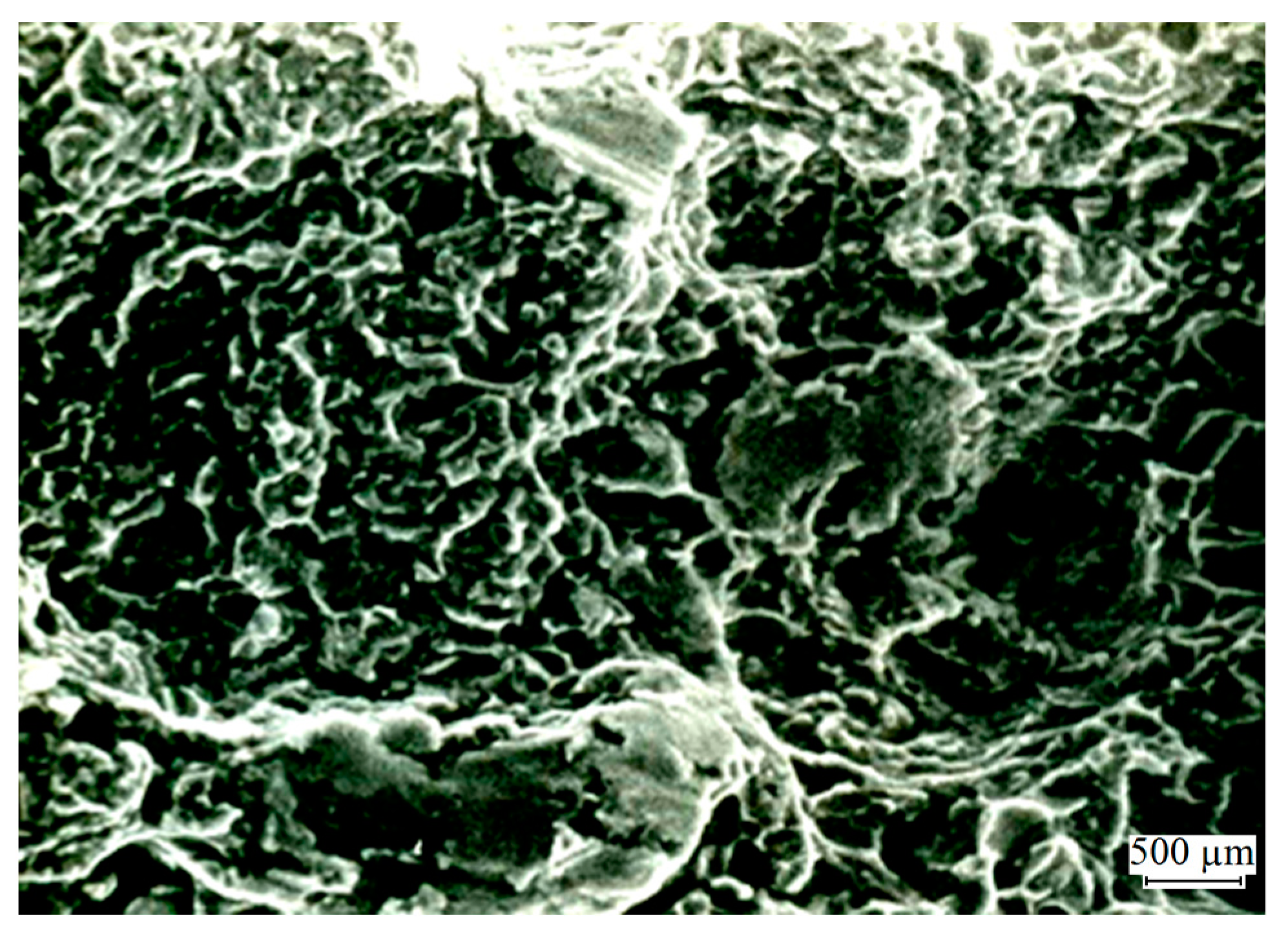
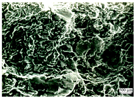
3.2. Macro and Microscopic Analysis
3.3. Evaluation of Casting Porosity
3.4. Analysis of Structures
3.5. Analysis of Foundry Errors
- Cavities with a surface formed by dendrites: These are voids or cavities that form during the solidification process due to the shrinkage of the material. The surface of the cavity is lined with dendrites, which are the result of the growth of the primary solid phase during solidification. The presence of these cavities can act as stress concentrators and promote crack initiation and propagation. In addition, between the dendrites, a membrane of Al2O3 oxide was observed, which can further weaken the material.
- Al2O3 particles: These are small particles of Al2O3 oxide that are present in the material. These particles can act as stress concentrators and promote crack initiation and propagation.
4. Conclusions
- The experiments showed that higher values of holding pressure can have both positive and negative effects. On the positive side, higher holding pressure can improve the filling of castings by reducing the amount of air trapped in the casting, leading to a decrease in porosity. This results in an overall increase in the quality of the internal structure of the castings. However, it was observed that higher holding pressure values can also lead to a shorter life of the mold and increased downtime during the pressure casting process.
- The experiments revealed that higher pressure values can lead to an undesirable condition where the mold is slightly opened with subsequent injection in the parting plane during the pressing process. This indicates that excessively high-pressure values can cause mold-related issues and affect the integrity of the castings.
- The research findings establish a clear connection between the chosen technological parameters, i.e., pressure or holding pressure, and the resulting mechanical properties and quality of the castings produced in the pressure casting process. Measured tensile strength values and porosity values are largely related.
- The monitored technological parameters—pressure or pressure in the mold cavity together with the closely related temperature conditions in the pressure casting—are among the basic factors that affect the quality of the final casting.
- In addition to pressure or holding pressure, other parameters such as injection speed, melt temperature, and cooling can also influence the resulting properties of the castings. In the conducted experiments, these parameters were kept constant to isolate the specific effect of pressure or holding pressure on the castings. However, it is important to note that in real production scenarios, these parameters would typically vary, and their interaction with pressure or holding pressure may affect the final quality of the castings.
- The effect of ideal input conditions on the final quality of castings cannot be definitively determined in a general sense. The impact may vary depending on the specific casting design, material, and production environment. Therefore, it is essential to conduct comprehensive studies and experiments, considering various process parameters, to understand their individual and combined effects on the resulting properties and quality of the castings.
- Measured values are specific and valid for the selected combination of technological parameters and selected material, and, when evaluating the results, it is necessary to consider the testing conditions and the possible occurrence of errors.
- The achieved results can serve as a foundation for the technical preparation of casting production. They provide valuable insights for optimizing the properties and quality of castings. These results can be used as a starting point for determining the appropriate values of the examined technological parameters based on the quality requirements of specific types of castings.
- The research findings highlight the need to take appropriate measures when optimizing the input technological parameters in the pressure casting process. For example, increasing the pressure or pressure in the mold cavity should be done in a way that does not compromise operator safety, the service life of the mold cavity, or the idle time of the pressure casting machines.
- Knowledge describing the interrelationship and relationship between the technological parameters of pressure casting and the final properties of castings represents an important aspect of technological practice that affects the required final quality of castings and increases the efficiency of the entire production process.
- From the perspective of achieving increasing production efficiency, reducing the occurrence of defective pieces, and quality of castings, it is important to optimally set the technological parameters of pressure casting. The research confirms that appropriate parameter settings are vital for achieving the desired outcomes.
Author Contributions
Funding
Institutional Review Board Statement
Informed Consent Statement
Data Availability Statement
Conflicts of Interest
References
- Blondheim, D.; Monroe, A. Macro Porosity Formation: A Study in High Pressure Die Casting. Int. J. Met. 2021, 16, 330–341. [Google Scholar] [CrossRef]
- Szymczak, T.; Gumienny, G.; Klimek, L.; Goły, M.; Szymszal, J.; Pacyniak, T. Characteristics of Al-Si Alloys with High Melting Point Elements for High Pressure Die Casting. Materials 2020, 13, 4861. [Google Scholar] [CrossRef] [PubMed]
- Majernik, R.; Ruzbarsky, J. The impact of technological parameters of dies casting to casting porosity. MM Sci. J. 2016, 2016, 1047–1050. [Google Scholar] [CrossRef]
- Dańko, J.; Dańko, R.; Stojek, J. Model testing of the casting process in cold-chamber die casting machine. Arch. Metall. Mater. 2007, 52, 503–513. [Google Scholar]
- Pavlenko, I.; Saga, M.; Kuric, I.; Kotliar, A.; Basova, Y.; Trojanowska, J.; Ivanov, V. Parameter Identification of Cutting Forces in Crankshaft Grinding Using Artificial Neural Networks. Materials 2020, 13, 5357. [Google Scholar] [CrossRef]
- Cáceres, C.; Selling, B. Casting defects and the tensile properties of an AlSiMg alloy. Mater. Sci. Eng. A 1996, 220, 109–116. [Google Scholar] [CrossRef]
- Ružbarský, J. Al-Si Alloys Casts by Die Casting—A Case Study, 1st ed.; Springer International Publishing: Cham, Switzerland, 2019; p. 71. [Google Scholar] [CrossRef]
- Gaspar, S.; Pasko, J. Plunger pressing speed like the main factor influencing of the mechanical properties of die casting. MM Sci. J. 2019, 2019, 3490–3493. [Google Scholar] [CrossRef]
- Lumley, R.; Deeva, N.; Gershenzon, M. An Evaluation of Quality Parameters for High Pressure Die Castings. Int. J. Met. 2011, 5, 37–56. [Google Scholar] [CrossRef]
- Trudonoshyn, O.; Randelzhofer, P.; Körner, C. Heat treatment of high-pressure die casting Al-Mg-Si-Mn-Zn alloys. J. Alloys Compd. 2021, 872, 159692. [Google Scholar] [CrossRef]
- Ružbarský, J.; Paško, J.; Gašpár, Š. Techniques of Die Casting; RAM-Verlag: Lüdenscheid, Germany, 2014; p. 199. [Google Scholar]
- Zhang, J.-Y.; Zuo, L.-J.; Feng, J.; Ye, B.; Kong, X.-Y.; Jiang, H.-Y.; Ding, W.-J. Effect of thermal exposure on microstructure and mechanical properties of Al−Si−Cu−Ni−Mg alloy produced by different casting technologies. Trans. Nonferrous Met. Soc. China 2020, 30, 1717–1730. [Google Scholar] [CrossRef]
- Gašpar, Š.; Paško, J. Technological parameters of die casting and quality of casting from en ac46500 alloy. Metalurgija 2016, 55, 391–394. [Google Scholar]
- Ragan, E. Liatie Kovov Pod Tlakom, 1st ed.; TUKE FVT: Prešov, Slovakia, 2007; p. 383. [Google Scholar]
- Majerník, J.; Gašpár, Š.; Husár, J.; Paško, J.; Kolínský, J. Research and Evaluation of the Influence of the Construction of the Gate and the Influence of the Piston Velocity on the Distribution of Gases into the Volume of the Casting. Materials 2021, 14, 2264. [Google Scholar] [CrossRef]
- Cao, H.; Hao, M.; Shen, C.; Liang, P. The influence of different vacuum degrees on the porosity and mechanical properties of aluminum die casting. Vacuum 2017, 146, 278–281. [Google Scholar] [CrossRef]
- Ružbarský, J.; Sitko, J. Possibilities of Pressure Die Casting of Iron Alloys. Manag. Syst. Prod. Eng. 2019, 27, 199–204. [Google Scholar] [CrossRef]
- Ružbarský, J.; Majerník, R. Theoretical Regulation of Delimitation of Metal Level Decrease in the Furnace in Case of Pneumatic Dosing Device of Metal. Manuf. Technol. 2017, 17, 84–86. [Google Scholar] [CrossRef]
- Hrehova, S. Description of using different software tools to analyze the selected process. In Proceedings of the 2019 20th International Carpathian Control Conference (ICCC), Krakow-Wieliczka, Poland, 26–29 May 2019; pp. 513–517. [Google Scholar]
- Zhang, Y.; Lordan, E.; Dou, K.; Wang, S.; Fan, Z. Influence of porosity characteristics on the variability in mechanical properties of high pressure die casting (HPDC) AlSi7MgMn alloys. J. Manuf. Process. 2020, 56, 500–509. [Google Scholar] [CrossRef]
- Qi, M.; Kang, Y.; Li, J.; Xu, Y.; Wang, J.; Li, G.; Liu, A. Synchronously Improving the Thermal Conductivity and Mechanical Properties of Al–Si–Fe–Mg–Cu–Zn Alloy Die Castings Through Ultrasonic-Assisted Rheoforming. Acta Met. Sin. (Engl. Lett.) 2021, 34, 1331–1344. [Google Scholar] [CrossRef]
- Diler, E.A. Microstructure and mechanical properties of Al–Si–Cu–Fe alloy-based ceramic particle-reinforced nanocomposites and microcomposites and a modified model to predict the yield strength of nanocomposites. Proc. Inst. Mech. Eng. Part L J. Mater. Des. Appl. 2021, 235, 2036–2055. [Google Scholar] [CrossRef]
- Kang, H.J.; Yoon, P.H.; Lee, G.H.; Park, J.Y.; Jung, B.J.; Lee, J.Y.; Lee, C.U.; Kim, E.S.; Choi, Y.S. Evaluation of the gas porosity and mechanical properties of vacuum assisted pore-free die-cast Al-Si-Cu alloy. Vacuum 2021, 184, 109917. [Google Scholar] [CrossRef]
- Qin, P.-F.; Yang, Q.; He, Y.-Y.; Zhang, J.-H.; Xie, J.-S.; Hua, X.-R.; Guan, K.; Meng, J. Microstructure and mechanical properties of high-strength high-pressure die-cast Mg–4Al–3La–1Ca–0.3Mn alloy. Rare Met. 2021, 40, 2956–2963. [Google Scholar] [CrossRef]
- Wang, F.; Ma, Q.; Meng, W.; Han, Z. Experimental study on the heat transfer behavior and contact pressure at the casting-mold interface in the squeeze casting of aluminum alloy. Int. J. Heat Mass Transf. 2017, 112, 1032–1043. [Google Scholar] [CrossRef]
- Kaščák, J.; Gašpár, Š.; Paško, J.; Husár, J.; Knapčíková, L. Polylactic Acid and Its Cellulose Based Composite as a Significant Tool for the Production of Optimized Models Modified for Additive Manufacturing. Sustainability 2021, 13, 1256. [Google Scholar] [CrossRef]
- Bolat, Ç.; Akgün, I.C.; Gökşenli, A. Effect of Aging Heat Treatment on Compressive Characteristics of Bimodal Aluminum Syntactic Foams Produced by Cold Chamber Die Casting. Int. J. Met. 2021, 16, 646–662. [Google Scholar] [CrossRef]
- Abdo, H.S.; Seikh, A.H.; Mohammed, J.A.; Soliman, M.S. Alloying Elements Effects on Electrical Conductivity and Mechanical Properties of Newly Fabricated Al Based Alloys Produced by Conventional Casting Process. Materials 2021, 14, 3971. [Google Scholar] [CrossRef] [PubMed]
- Yuan, L.-Y.; Han, P.-W.; Asghar, G.; Liu, B.-L.; Li, J.-P.; Hu, B.; Fu, P.-H.; Peng, L.-M. Development of High Strength and Toughness Non-Heated Al–Mg–Si Alloys for High-Pressure Die-Casting. Acta Metall. Sin. (Engl. Lett.) 2021, 34, 845–860. [Google Scholar] [CrossRef]
- Qi, M.; Kang, Y.; Li, J.; Wulabieke, Z.; Xu, Y.; Li, Y.; Liu, A.; Chen, J. Microstructures refinement and mechanical properties enhancement of aluminum and magnesium alloys by combining distributary-confluence channel process for semisolid slurry preparation with high pressure die-casting. J. Mater. Process. Technol. 2020, 285, 116800. [Google Scholar] [CrossRef]
- Sigworth, G.K.; Donahue, R.J. The Metallurgy of Aluminum Alloys for Structural High-Pressure Die Castings. Int. J. Met. 2020, 15, 1031–1046. [Google Scholar] [CrossRef]
- Muñoz-Ibáñez, C.A.; Alfaro-Ponce, M.; Perez-Lechuga, G.; Pescador-Rojas, J.A. Design and Application of a Quantitative Forecast Model for Determination of the Properties of Aluminum Alloys Used in Die Casting. Int. J. Met. 2019, 13, 98–111. [Google Scholar] [CrossRef]
- Gaspar, S.; Pasko, J. Pressing Speed, Specific Pressure and Mechanical Properties of Aluminium Cast. Arch. Foundry Eng. 2016, 16, 45–50. [Google Scholar] [CrossRef]
- Szymczak, T.; Gumienny, G.; Klimek, L.; Goły, M.; Pacyniak, T. Microstructural Characteristics of AlSi9Cu3(Fe) Alloy with High Melting Point Elements. Metals 2020, 10, 1278. [Google Scholar] [CrossRef]
- Alemdag, Y.; Karabiyik, S.; Mikhaylovskaya, A.V.; Kishchik, M.S.; Purcek, G. Effect of multi-directional hot forging process on the microstructure and mechanical properties of Al–Si based alloy containing high amount of Zn and Cu. Mater. Sci. Eng. A 2021, 803, 140709. [Google Scholar] [CrossRef]
- Cai, Q.; Mendis, C.L.; Chang, I.T.; Fan, Z. Microstructure and mechanical properties of new die-cast quaternary Al-Cu-Si-Mg alloys. Mater. Sci. Eng. A 2021, 800, 140357. [Google Scholar] [CrossRef]
- Krenicky, T.; Servatka, M.; Gaspar, S.; Mascenik, J. Abrasive Water Jet Cutting of Hardox Steels—Quality Investigation. Processes 2020, 8, 1652. [Google Scholar] [CrossRef]

















| Heat conductivity | 80–160 W·m−1·K−1 |
| Specific heat | 900–995 J·kg−1·K−1 |
| Heat expansion coefficient | 16.5–24 × 10−6 K−1 |
| Melting temperature | 475–677 °C |
| Max. operating temperature | 130–220 °C |
| Electric resistance | 2.5–8 μΩ·cm |
| Density | 2500–2900 kg·m−3 |
| The Young’s modulus or Elastic modulus | 72–89 GPa |
| Ultimate tensile strength | 228–330 MPa |
| Yield strength | 97–250 MPa |
| Elongation | 2.5–9% |
| Hardness | 65–150 BHN |
| Density [g·cm−3] | 2700 |
| Solidus temperature [°C] | 525 |
| Liquidus temperature [°C] | 610 |
| Ultimate tensile strength | min. 240 MPa |
| Yield point Rp 0.2 | min. 140 MPa |
| Elongation A5 | min. < 1 |
| Brinell hardness test HB | min. 80 |
| Dimensions | 2 × 3.2 × 8.7 m |
| Weight | 27 t |
| Engine performance | 37 kW |
| Locking force | 600 t |
| Injection force | 65 t |
| Ejection force | 35 t |
| Min./max. mold height | 400–900 mm |
Disclaimer/Publisher’s Note: The statements, opinions and data contained in all publications are solely those of the individual author(s) and contributor(s) and not of MDPI and/or the editor(s). MDPI and/or the editor(s) disclaim responsibility for any injury to people or property resulting from any ideas, methods, instructions or products referred to in the content. |
© 2023 by the authors. Licensee MDPI, Basel, Switzerland. This article is an open access article distributed under the terms and conditions of the Creative Commons Attribution (CC BY) license (https://creativecommons.org/licenses/by/4.0/).
Share and Cite
Ružbarský, J.; Gašpár, Š. Analysis of Selected Production Parameters for the Quality of Pressure Castings as a Tool to Increase Competitiveness. Appl. Sci. 2023, 13, 8098. https://doi.org/10.3390/app13148098
Ružbarský J, Gašpár Š. Analysis of Selected Production Parameters for the Quality of Pressure Castings as a Tool to Increase Competitiveness. Applied Sciences. 2023; 13(14):8098. https://doi.org/10.3390/app13148098
Chicago/Turabian StyleRužbarský, Juraj, and Štefan Gašpár. 2023. "Analysis of Selected Production Parameters for the Quality of Pressure Castings as a Tool to Increase Competitiveness" Applied Sciences 13, no. 14: 8098. https://doi.org/10.3390/app13148098
APA StyleRužbarský, J., & Gašpár, Š. (2023). Analysis of Selected Production Parameters for the Quality of Pressure Castings as a Tool to Increase Competitiveness. Applied Sciences, 13(14), 8098. https://doi.org/10.3390/app13148098

