Online Monitoring of Power Converter Degradation Using Deep Neural Network
Abstract
:1. Introduction
2. Classification of Health States of Power Converter
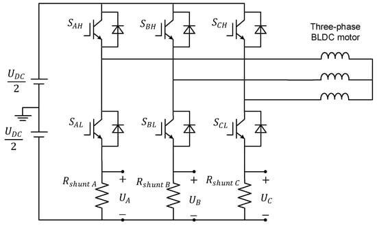
2.1. BLDC Motor Drive
2.2. Dataset
2.3. Deep CNN Architecture
3. Experimental Results and Discussion
4. Conclusions
Author Contributions
Funding
Institutional Review Board Statement
Informed Consent Statement
Data Availability Statement
Acknowledgments
Conflicts of Interest
References
- Stepien, M.; Grzesik, B. BLDC-control of forces in passive magnetic bearings in blood pump. In Proceedings of the 2012 15th International Power Electronics and Motion Control Conference (EPE/PEMC), Novi Sad, Serbia, 4–6 September 2012; pp. LS8a.3-1–LS8a.3-3. [Google Scholar]
- Choi, J.; Park, J.S.; Kim, J.; Jung, I. Control scheme for efficiency improvement of slim type BLDC Motor. In Proceedings of the 2014 International Symposium on Power Electronics, Electrical Drives, Automation and Motion, Ischia, Italy, 18–20 June 2014; pp. 820–824. [Google Scholar]
- Yoo, J.-H.; Jung, T.-U. A Study on Output Torque Analysis and High Efficiency Driving Method of BLDC Motor. In Proceedings of the 2020 IEEE 19th Biennial Conference on Electromagnetic Field Computation (CEFC), Pisa, Italy, 16–18 November 2020; pp. 1–4. [Google Scholar]
- Nama, T.; Gogoi, A.K.; Tripathy, P. Application of a smart hall effect sensor system for 3-phase BLDC drives. In Proceedings of the 2017 IEEE International Symposium on Robotics and Intelligent Sensors (IRIS), Ottawa, ON, Canada, 5–7 October 2017; pp. 208–212. [Google Scholar]
- Yao, B.; Chen, H.; He, X.; Xiao, Q.; Kuang, X. Reliability and failure analysis of DC/DC converter and case studies. In Proceedings of the 2013 International Conference on Quality, Reliability, Risk, Maintenance, and Safety Engineering (QR2MSE), Chengdu, China, 15–18 July 2013; pp. 1133–1135. [Google Scholar]
- Galarce, R.V.; Lupena, F.N.; Jimenez, B.; Teo, S.M. Failure analysis defect localization of a metal stringer defect on a monolithic step-up DC-DC converter. In Proceedings of the 2016 IEEE 23rd International Symposium on the Physical and Failure Analysis of Integrated Circuits (IPFA), Singapore, 18–21 July 2016; pp. 152–156. [Google Scholar]
- Kwak, Y.-G.; Heo, D.-H.; Lee, B.-H.; Kang, F.-S. Failure-rate Comparison of Single-ended and Double-ended Forward Converter by means of Fault-tree Analysis. In Proceedings of the 2020 IEEE 29th International Symposium on Industrial Electronics (ISIE), Delft, The Netherlands, 17–19 June 2020; pp. 707–711. [Google Scholar]
- Kwak, S.; Toliyat, H.A. Fault-Tolerant Topologies and Switching Function Algorithms for Three-Phase Matrix Converter based AC Motor Drives Against Open and Short Phase Failures. In Proceedings of the 2007 IEEE International Electric Machines & Drives Conference, Antalya, Turkey, 3–5 May 2007; pp. 886–891. [Google Scholar]
- Yang, Q.; Qin, J.; Saeedifard, M. Analysis, Detection, and Location of Open-Switch Submodule Failures in a Modular Multilevel Converter. IEEE Trans. Power Deliv. 2016, 31, 155–164. [Google Scholar] [CrossRef]
- Dai, X.; Gao, Z. From Model, Signal to Knowledge: A Data-Driven Perspective of Fault Detection and Diagnosis. IEEE Trans. Ind. Inform. 2013, 9, 2226–2238. [Google Scholar] [CrossRef] [Green Version]
- Al-Sheikh, H.; Bennouna, O.; Hoblos, G.; Moubayed, N. Condition monitoring of bidirectional DC-DC converter for hybrid electric vehicles. In Proceedings of the 22nd Mediterranean Conference on Control and Automation, Palermo, Italy, 16–19 June 2014; pp. 97–102. [Google Scholar]
- Aly, M.; Ahmed, E.M.; Shoyama, M. A new real-time perfect condition monitoring for high-power converters. In Proceedings of the 2017 IEEE 3rd International Future Energy Electronics Conference and ECCE Asia (IFEEC 2017-ECCE Asia), Kaohsiung, Taiwan, 3–7 June 2017; pp. 1473–1477. [Google Scholar]
- Xin, X.; Yang, Y.; Ma, K.; He, B. Online Monitoring for Sub-module Capacitance in Modular Multilevel Converter with Four Sampling Points of Capacitor Voltage. In Proceedings of the 2020 IEEE 9th International Power Electronics and Motion Control Conference (IPEMC2020-ECCE Asia), Nanjing, China, 31 May–3 June 2020; pp. 935–939. [Google Scholar]
- Ren, L.; Gong, C.; Chen, X. Monitoring transistor degradation in power electronic converters using saturation-region resistance. In Proceedings of the 2017 IEEE Energy Conversion Congress and Exposition (ECCE), Cincinnati, OH, USA, 1–5 October 2017; pp. 1148–1153. [Google Scholar]
- Yao, K.; Tang, W.; Bi, X.; Lyu, J. An Online Monitoring Scheme of DC-Link Capacitor’s ESR and C for a Boost PFC Converter. IEEE Trans. Power Electron. 2016, 31, 5944–5951. [Google Scholar] [CrossRef]
- Buiatti, G.M.; Martín-Ramos, J.A.; Garcia, C.H.R.; Amaral, A.M.R.; Cardoso, A.J.M. An Online and Noninvasive Technique for the Condition Monitoring of Capacitors in Boost Converters. IEEE Trans. Instrum. Meas. 2010, 59, 2134–2143. [Google Scholar] [CrossRef]
- Karatekin, T.; Sancak, S.; Celik, G.; Topcuoglu, S.; Karatekin, G.; Kirci, P.; Okatan, A. Interpretable Machine Learning in Healthcare through Generalized Additive Model with Pairwise Interactions (GA2M): Predicting Severe Retinopathy of Prematurity. In Proceedings of the 2019 International Conference on Deep Learning and Machine Learning in Emerging Applications (Deep-ML), Istanbul, Turkey, 26–28 August 2019; pp. 61–66. [Google Scholar]
- Kaskavalci, H.C.; Gören, S. A Deep Learning Based Distributed Smart Surveillance Architecture using Edge and Cloud Computing. In Proceedings of the 2019 International Conference on Deep Learning and Machine Learning in Emerging Applications (Deep-ML), Istanbul, Turkey, 26–28 August 2019; pp. 1–6. [Google Scholar]
- Akbar, J.; Shahzad, M.; Malik, M.I.; Ul-Hasan, A.; Shafait, F. Runway Detection and Localization in Aerial Images using Deep Learning. In Proceedings of the 2019 Digital Image Computing: Techniques and Applications (DICTA), Perth, Australia, 2–4 December 2019; pp. 1–8. [Google Scholar]
- Baharani, M.; Biglarbegian, M.; Parkhideh, B.; Tabkhi, H. Real-Time Deep Learning at the Edge for Scalable Reliability Modeling of Si-MOSFET Power Electronics Converters. IEEE Internet Things J. 2019, 6, 7375–7385. [Google Scholar] [CrossRef]
- Biglarbegian, M.; Baharani, M.; Kim, N.; Tabkhi, H.; Parkhideh, B. Scalable Reliability Monitoring of GaN Power Converter Through Recurrent Neural Networks. In Proceedings of the 2018 IEEE Energy Conversion Congress and Exposition (ECCE), Portland, OR, USA, 23–27 September 2018; pp. 7271–7277. [Google Scholar]
- Han, T.; Li, Y.-F.; Qian, M. A Hybrid Generalization Network for Intelligent Fault Diagnosis of Rotating Machinery Under Unseen Working Conditions. IEEE Trans. Instrum. Meas. 2021, 70, 3520011. [Google Scholar] [CrossRef]
- Filippetti, F.; Franceschini, G.; Tassoni, C.; Vas, P. Recent developments of induction motor drives fault diagnosis using AI techniques. IEEE Trans. Ind. Electron. 2000, 47, 994–1004. [Google Scholar] [CrossRef]
- He, K.; Zhang, X.; Ren, S.; Sun, J. Deep residual learning for image recognition. In Proceedings of the IEEE Conference on Computer Vision and Pattern Recognition, Las Vegas, NV, USA, 27–30 June 2016; pp. 770–778. [Google Scholar]









| Switching Interval | 0°–60° | 60°–120° | 120°–180° | 180°–240° | 240°–300° | 300°–360° | |
|---|---|---|---|---|---|---|---|
| Sequence Number | 0 | 1 | 2 | 3 | 4 | 5 | |
| Hall Sensors | 1 | 1 | 1 | 0 | 0 | 0 | |
| 0 | 0 | 1 | 1 | 1 | 0 | ||
| 1 | 0 | 0 | 0 | 1 | 1 | ||
| Phase Current | A | OFF | + | + | OFF | − | − |
| B | − | − | OFF | + | + | OFF | |
| C | + | OFF | − | − | OFF | + | |
Publisher’s Note: MDPI stays neutral with regard to jurisdictional claims in published maps and institutional affiliations. |
© 2021 by the authors. Licensee MDPI, Basel, Switzerland. This article is an open access article distributed under the terms and conditions of the Creative Commons Attribution (CC BY) license (https://creativecommons.org/licenses/by/4.0/).
Share and Cite
Fan, J.; Lee, J.; Jung, I.; Lee, Y. Online Monitoring of Power Converter Degradation Using Deep Neural Network. Appl. Sci. 2021, 11, 11796. https://doi.org/10.3390/app112411796
Fan J, Lee J, Jung I, Lee Y. Online Monitoring of Power Converter Degradation Using Deep Neural Network. Applied Sciences. 2021; 11(24):11796. https://doi.org/10.3390/app112411796
Chicago/Turabian StyleFan, Jiayi, Janghyeon Lee, Insu Jung, and Yongkeun Lee. 2021. "Online Monitoring of Power Converter Degradation Using Deep Neural Network" Applied Sciences 11, no. 24: 11796. https://doi.org/10.3390/app112411796
APA StyleFan, J., Lee, J., Jung, I., & Lee, Y. (2021). Online Monitoring of Power Converter Degradation Using Deep Neural Network. Applied Sciences, 11(24), 11796. https://doi.org/10.3390/app112411796
