Energy Efficiency of Pneumatic Actuating Systems with Pressure-Based Air Supply Cut-Off
Abstract
1. Introduction
1.1. Types of Energy-Saving Circuits
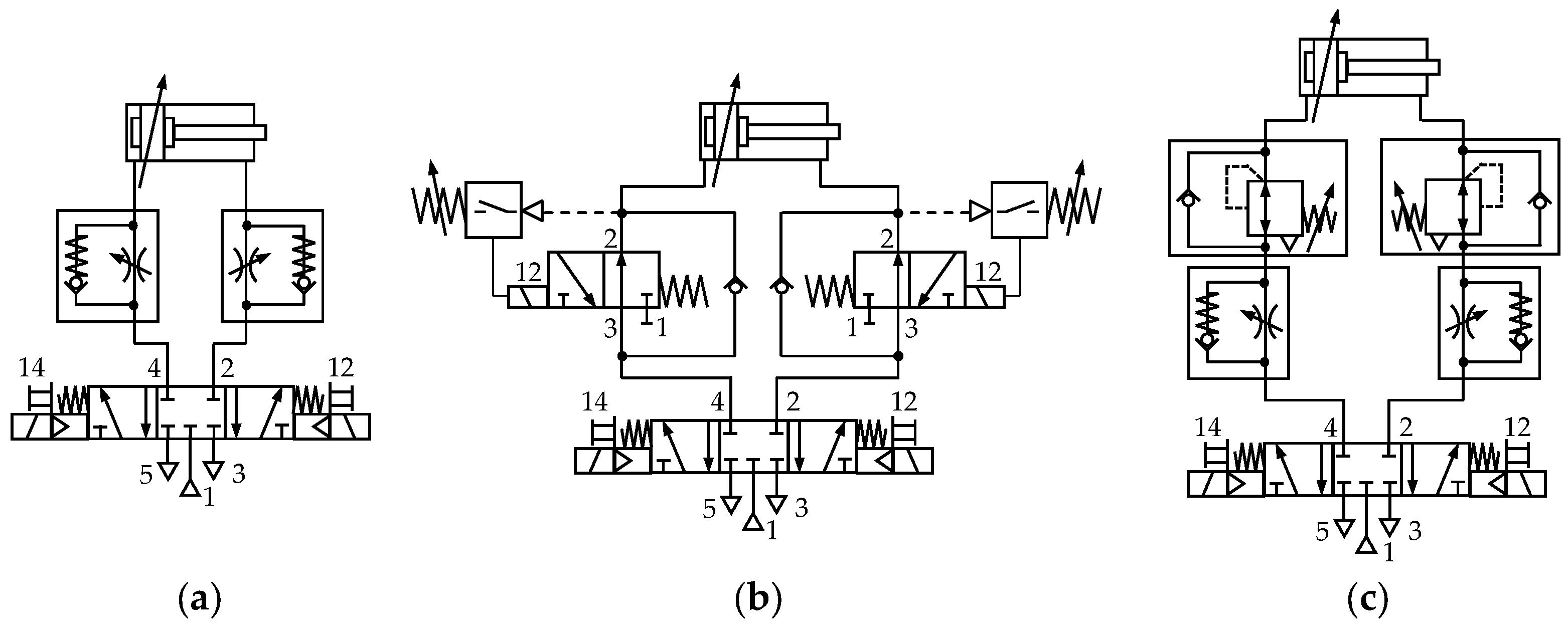
- Short (or cross-flow) circuits. For this, the cylinder piston chamber A and the rod chamber B are interconnected during the extension movement in a manner where the air discharged from chamber B is directed into chamber A (refer to Figure 1a) instead of being released unused into the environment. Consequently, the volume of compressed air needed for the extension movement is minimised, leading to energy savings of up to 40%. This circuit design has been previously studied in works such as [8,9] and developed into a market-ready solution by SMC Corporation [10,11].
- Exhaust air storage circuits. Here, the exhaust air from the cylinder chamber B is employed for the return stroke of the cylinder, as shown in Figure 1b. The piston moves against a gas spring preloaded by a pressure regulator, making this circuit comparable to a single-acting cylinder with an adjustable spring. The gas spring stiffness can be adjusted by selecting the reservoir volume Vr and the preload pressure ppr, which can be determined according to the method presented in [7].
- c.
- Cut-off (or expansion) circuits. In this case, the compressed air supply is shut off during the cylinder piston movement (see Figure 1c), allowing the compressed air already supplied to expand and to drive the cylinder piston without further air consumption. This operating principle was described in [22] and is mostly implemented using a so-called bridge circuit. The bridge circuit typically comprises four electrically operated 2/2-way valves in a bridge arrangement, as demonstrated in, e.g., [23]. Occasionally, a fifth 2/2-way valve (cross-flow valve) is added to integrate the cut-off circuit’s operating principle with a short circuit [24].
1.2. Principles of Air Supply Cut-Off
- Time-based. This can be considered the most common variant, since no additional proximity or other sensors are required in this case. The cut-off time of the air supply is defined solely by programming the switching (cut-off) time of the directional control valves. Several publications discussed the optimal and automated selection of the cut-off time, demonstrating methods to achieve a 60–80% reduction in air consumption even for well-sized cylinders in some cases [25,26,29,31].
- Position-based. This principle involves initiating air supply cut-off once the actuator reaches a predefined position, ascertainable through proximity sensors or a distance measuring system. Padovani and Barth considered in their work [32] a cut-off at half of the cylinder stroke for a large range of typical cylinder strokes, reaching air consumption reduction of approx. 70% in each case. Merkelbach and Murrenhoff have analysed the exergy efficiency of a position-based cut-off at 3/4 and 7/8 of an 800 mm cylinder stroke and demonstrated a savings potential of up to 50% [9].
- Pressure-based. In this case, the air supply is cut off as soon as the pressure in the driving chamber is sufficient to reach the end position of the cylinder. In Yusop’s dissertation [33], a mathematical method for determining the minimum pressure necessary for the cut-off via predicting the system’s actuation with an actuator model is developed. The effect of this method is compared with a standard pneumatic circuit and an end-stroke cut-off actuation, achieving energy savings of up to 80% and 43.5%, respectively.
2. Definition of Example Drive Tasks
3. Simulation and Validation
3.1. Circuit Design
3.2. Simulation
3.3. Measurement and Validation
3.3.1. Task 1: Oversized Cylinder
3.3.2. Task 2: Well-Sized Cylinder
4. Cost-Effectiveness Assessment
- Number of double strokes (DS) per year: 2000 DS/h × 8 h × 1 shift × 240 days/a = 3,840,000 DS/a
- Compressed air costs: 0.02 €/Nm3
5. Discussion
6. Conclusions
Author Contributions
Funding
Data Availability Statement
Conflicts of Interest
References
- European Commission. Stepping Up Europe’s 2030 Climate Ambition. Investing in a Climate-Neutral Future for the Benefit of Our People. COM/2020/562. Available online: https://eur-lex.europa.eu/legal-content/EN/ALL/?uri=CELEX%3A52020DC0562 (accessed on 16 January 2024).
- Radermacher, T.; Merx, M.; Sitte, A.; Boyko, V.; Unger, M. Potenzialstudie Energie-/Kosteneinsparung in der Fluidtechnik. Final Report No. 37EV181030. TU Dresden, University of Stuttgart, Germany. 2021. Available online: https://www.umweltbundesamt.de/publikationen/potenzialstudie-energie-kosteneinsparung-in-der (accessed on 16 January 2024).
- Energy efficiency in Production in the Drive and Handling Technology Field (EnEffAH). Final Report No. 0327484A-E. Available online: https://www.eneffah.de/EnEffAH_Broschuere_engl.pdf (accessed on 16 January 2024).
- Gauchel, W. Energiesparende Pneumatik. Konstruktive sowie schaltungs- und regelungstechnische Ansätze. O+P Fluidtechnik 2006, 1, 33–39. [Google Scholar]
- Saidur, R.; Rahim, N.A.; Hasanuzzaman, M. A review on compressed-air energy use and energy savings. Renew. Sustain. Energy Rev. 2010, 14, 1135–1153. [Google Scholar] [CrossRef]
- Šešlija, D.D.; Milenković, I.M.; Dudić, S.P.; Šulc, J.I. Improving Energy Efficiency in Compressed Air Systems—Practical experiences. Therm. Sci. 2016, 20 (Suppl. S2), 335–370. [Google Scholar] [CrossRef]
- Hepke, J. Energetische Untersuchung und Verbesserung der Antriebstechnik pneumatischer Handhabungssysteme. Ph.D. Thesis, Technische Universität Dresden, Dresden, Germany, 2016. [Google Scholar]
- Yang, A.; Pu, J.; Wong, C.B.; Moore, P. Control Methods for Energy-Efficient Pneumatic Servos Employing Asymmetric Cylinders. In Proceedings of the ASME 7th Biennial Conference on Engineering Systems Design and Analysis, Manchester, UK, 19–22 July 2004; Volume 2, pp. 409–414. [Google Scholar] [CrossRef]
- Merkelbach, S.; Murrenhoff, H. Exergy Based Analysis of Pneumatic Air Saving Measures. In Proceedings of the ASME/BATH 2015 Symposium on Fluid Power and Motion Control, Chicago, IL, USA, 12–14 October 2015. [Google Scholar] [CrossRef]
- Heitmann, M.; Rein, F. Energy Efficiency in Pneumatics with the ‘Air Saving Box’: The Revolutionary Plug & Play Solution from SMC. In Proceedings of the 12th International Fluid Power Conference (12. IFK), Dresden, Germany, 12–14 October 2020; Volume 3, pp. 53–57. [Google Scholar] [CrossRef]
- Heitmann, M.; Hergenröther, T. Fluidrückführvorrichtung für einen doppeltwirkenden Zylinder und Verfahren zum Betreiben eines solchen Zylinders. German Patent No. DE102019121433A1, 11 February 2021. [Google Scholar]
- Schneider, E. Pneumatic Circuit for Rapidly Transferring Fluid under Pressure from a Work Cylinder to a Storage Tank for Subsequent Use. US Patent No. US000003400636A, 10 September 1968. [Google Scholar]
- Shi, Y.; Li, X.; Teng, Y. Research on Pneumatic Cylinder’s Exhausted-Air Reclaiming Control Devices. In Proceedings of the 6th JFPS International Symposium on Fluid Power, Tsukuba, Japan, 7–10 November 2005. [Google Scholar] [CrossRef][Green Version]
- Novakovic, M.M.; Seslija, D.D.; Cajetinac, S.R.; Todorovic, M.M. Impact of Capturing Used Air on the Dynamics of Actuator Drive. Control. Eng. Appl. Inform. 2015, 17, 82–89. [Google Scholar]
- Šešlija, M.; Reljić, V.; Šešlija, D.; Dudić, S.; Dakić, N.; Jovanović, Z. Reuse of Exhausted Air from Multi-Actuator Pneumatic Control Systems. Actuators 2021, 10, 125. [Google Scholar] [CrossRef]
- Luo, X.; Wang, J.; Sun, H.; Derby, J.W.; Mangan, S.J. Study of a New Strategy for Pneumatic Actuator System Energy Efficiency Improvement via the Scroll Expander Technology. IEEE/ASME Trans. Mechatron. 2013, 18, 1508–1518. [Google Scholar] [CrossRef]
- Leszczynski, J.S.; Grybos, D. Compensation for the complexity and over-scaling in industrial pneumatic systems by the accumulation and reuse of exhaust air. Appl. Energy 2019, 239, 1130–1141. [Google Scholar] [CrossRef]
- Shi, Y.; Wang, Y.; Liang, H.; Cai, M. Power characteristics of a new kind of air-powered vehicle. Int. J. Energy Res. 2016, 40, 1112–1121. [Google Scholar] [CrossRef]
- Von Grabe, C.; Murrenhoff, H. Efficiency Improvement by Air Recuperation Through the Use of Ejectors. In Proceedings of the 8th International Fluid Power Conference (8. IFK), Dresden, Germany, 26–28 March 2012; Volume 1, pp. 299–310. [Google Scholar]
- Weiß, A. Höhere Energieeffizienz. Theoretische Überlegungen zu einem idealen Druckluftsystem mit geschlossenem Luftkreislauf. O+P Fluidtechnik 2009, 5, 201–205. [Google Scholar]
- Baer, S.; Kniesly, C. Benefits of “Closed Loop” Air Compressor and Air Tool Technology. In Proceedings of the I-CAR Annual Meeting, Championsgate, FL, USA, 27 July 2007. [Google Scholar]
- Otis, D.; Al-Shaalan, T.; Weiss, E. Reducing Compressed Air Consumption by Utilizing Expansion Energy during the Actuation of a Pneumatic Cylinder. In Proceedings of the 45th National Conference on Fluid Power, Chicago, IL, USA, 24–26 March 1992. [Google Scholar]
- Janiszowski, K.B.; Kuczynski, M. Energy Saving Control in Low Cost Pneumatic Positioning Systems. In Proceedings of the 15th International Conference on Methods and Models in Automation and Robotics, Międzyzdroje, Poland, 23–26 August 2010; pp. 61–66. [Google Scholar] [CrossRef]
- Ohmer, M. Fluidtechnisches System. German Patent No. DE102009017879A1, 21 October 2010. [Google Scholar]
- Doll, M.; Sawodny, O. Energy Optimal Open Loop Control of Standard Pneumatic Cylinders. In Proceedings of the 7th International Fluid Power Conference (7. IFK), Aachen, Germany, 22–24 March 2010; pp. 259–270. [Google Scholar]
- Doll, M.; Neumann, R.; Sawodny, O. Energy Efficient Use of Compressed Air in Pneumatic Drive Systems for Motion Tasks. In Proceedings of the 2011 International Conference on Fluid Power and Mechatronics, Beijing, China, 17–20 August 2011; pp. 340–345. [Google Scholar] [CrossRef]
- Hu, C.; Xiong, W.; Du, H. Research on A Bridge-Type Energy-Saving Circuit Based on Pneumatic Vertical Motion System. In Proceedings of the IEEE 8th International Conference on Fluid Power and Mechatronics, Wuhan, China, 10–13 April 2019; pp. 101–106. [Google Scholar] [CrossRef]
- Du, H.; Hu, C.; Xiong, W.; Wang, L. Applicability of bridge-type pneumatic energy-saving systems and its experimental validation. Heliyon 2020, 6, e03826. [Google Scholar] [CrossRef] [PubMed]
- Du, H.; Hu, C.; Xiong, W.; Wang, L. Energy optimization of pneumatic actuating systems using expansion energy and exhaust recycling. J. Clean. Prod. 2020, 254, 119983. [Google Scholar] [CrossRef]
- Motion Terminal VTEM by Festo. Available online: https://www.festo.com/de/en/p/motion-terminal-id_VTEM (accessed on 16 January 2024).
- Raisch, A.; Hülsmann, S.; Sawodny, O. Saving Energy by Predictive Supply Air Shutoff for Pneumatic Drives. In Proceedings of the European Control Conference (ECC), Limassol, Cyprus, 12–15 June 2018; pp. 965–970. [Google Scholar] [CrossRef]
- Padovani, D.; Barth, E.J. Exploiting Valve Timing for Pneumatic Energy Savings. In Proceedings of the BATH/ASME 2018 Symposium on Fluid Power and Motion Control (FPMC2018), Bath, UK, 12–14 September 2018. [Google Scholar] [CrossRef]
- Yusop, M.Y. Energy Saving for Pneumatic Actuation using Dynamic Model Prediction. Ph.D. Thesis, Cardiff University, Cardiff, UK, 2006. [Google Scholar]
- Reese, C.; Reinertz, O.; Schmitz, K. Energy Savings through Adaptive Upstream Throttling and Supply Shut-Off on Downstream Throttled Drives. Chem. Eng. Technol. 2023, 46, 137–146. [Google Scholar] [CrossRef]
- Hatano, K.; Tsukubamirai-shi, I. Strömungsdurchgangsschalteinheit. German Patent No. DE102016107794A1, 10 November 2016. [Google Scholar]
- Doll, M.; Neumann, R.; Sawodny, O. Dimensioning of pneumatic cylinders for motion tasks. Int. J. Fluid Power 2015, 16, 11–24. [Google Scholar] [CrossRef]
- Doll, M. Optimierungsbasierte Strategien zur Steigerung der Energieeffizienz pneumatischer Antriebe. Ph.D. Thesis, University of Stuttgart, Stuttgart, Germany, 2015. [Google Scholar]
- Nazarov, F.; Weber, J. Modelling, Simulation and Validation of the Pneumatic End-Position Cylinder Cushioning. In Proceedings of the 17th Scandinavian International Conference on Fluid Power (SICFP), Linköping, Sweden, 1–2 June 2021; pp. 248–265. [Google Scholar] [CrossRef]
- Krytikov, G.; Strizhak, M.; Strizhak, V. Improving Power Efficiency of Pneumatic Logistics Complex Actuators through Selection of a Rational Scheme of Their Control. East.-Eur. J. Enterp. Technol. 2018, 2, 43–49. [Google Scholar] [CrossRef][Green Version]
- Hülsmann, S.; Volk, R.; Boyko, V.; Raisch, A.; Weber, J.; Sawodny, O. Energieeffiziente Antriebstechnik in der Produktion—Herausforderungen bei der Umsetzung. O+P Fluidtechnik 2020, 9, 38–41. [Google Scholar]










| Parameter | Task 1 (Oversized) | Task 2 (Well-Sized) |
|---|---|---|
| Supply pressure p (barabs) | 7 | |
| Stroke h (mm) | 200 | |
| Additional external force Fext (N) | 0 * | |
| Valve–cylinder distance lvc (m) | 0.5 | |
| Extension time te (s) | 0.30 ± 0.02 | |
| Retraction time tr (s) | 0.33 ± 0.02 | |
| Moving mass m (kg) | 3 | 12 |
| PFR, extension: (-) | 2.6 | 1.3 |
| PFR, retraction: (-) | 2.8 | 1.4 |
| Parameter | Sim. | Meas. |
|---|---|---|
| Cut-off pressure pCut,A/pCut,B (barabs) | 1.72/1.72 | 1.3…1.4 */1.5 |
| End-cushioning sonic conductance CecB/CecA (Nl/(min·bar)) | 7.6/12.2 | 7.5/12 |
| Measured Parameter | Meter-Out | Cut-Off | Pressure Reduction |
|---|---|---|---|
| Extension time te (s) | 0.314 | 0.304 | 0.310 |
| Retraction time tr (s) | 0.332 | 0.341 | 0.365 |
| Air consumption per cycle V (Nl) | 2.20 | 0.64 | 1.21 |
| Parameter | Sim. | Meas. |
|---|---|---|
| Cut-off pressure pCut,A/pCut,B (barabs) | 1.36/1.36 | 1.17…1.22 */1.2 |
| End-cushioning sonic conductance CecB/CecA (Nl/(min·bar)) | 4.9/5.5 | 5/5.5 |
| Measured Parameter | Meter-Out | Cut-Off | Cut-Off w. Throttling |
|---|---|---|---|
| Extension time te (s) | 0.299 | 0.663 | 0.354 |
| Retraction time tr (s) | 0.324 | 0.645 | 0.432 |
| Air consumption per cycle V (Nl) | 2.20 | 0.58 | 1.59 |
| Standard Circuit/Pressure Reduction | Cut-Off Circuit | ||||
|---|---|---|---|---|---|
| Qty | Item | Price *, EUR | Qty | Item | Price *, EUR |
| 1 | Cylinder | 114 | 1 | Cylinder | 114 |
| 2 | Flow control valve | 27 | 2 | 3/2 valve | 70 |
| ¼ | Valve manifold and PLC | 397 | 2 | Check valve | 32 |
| 2 | Proximity sensor | 36 | 2 | Pressure switch | 86 |
| 1 m | Tubing | 1.5 | ¼ | Valve manifold and PLC | 397 |
| Fittings and silencers | 20 | 2 | Proximity sensor | 36 | |
| Standard circuit total: | 658.5 | 1 m | Tubing | 1.5 | |
| 2 | Pressure regulator | 53 | Fittings and silencers | 44 | |
| Pressure reduction total: | 764.5 | Cut-off circuit total: | 1004.5 | ||
Disclaimer/Publisher’s Note: The statements, opinions and data contained in all publications are solely those of the individual author(s) and contributor(s) and not of MDPI and/or the editor(s). MDPI and/or the editor(s) disclaim responsibility for any injury to people or property resulting from any ideas, methods, instructions or products referred to in the content. |
© 2024 by the authors. Licensee MDPI, Basel, Switzerland. This article is an open access article distributed under the terms and conditions of the Creative Commons Attribution (CC BY) license (https://creativecommons.org/licenses/by/4.0/).
Share and Cite
Boyko, V.; Weber, J. Energy Efficiency of Pneumatic Actuating Systems with Pressure-Based Air Supply Cut-Off. Actuators 2024, 13, 44. https://doi.org/10.3390/act13010044
Boyko V, Weber J. Energy Efficiency of Pneumatic Actuating Systems with Pressure-Based Air Supply Cut-Off. Actuators. 2024; 13(1):44. https://doi.org/10.3390/act13010044
Chicago/Turabian StyleBoyko, Vladimir, and Jürgen Weber. 2024. "Energy Efficiency of Pneumatic Actuating Systems with Pressure-Based Air Supply Cut-Off" Actuators 13, no. 1: 44. https://doi.org/10.3390/act13010044
APA StyleBoyko, V., & Weber, J. (2024). Energy Efficiency of Pneumatic Actuating Systems with Pressure-Based Air Supply Cut-Off. Actuators, 13(1), 44. https://doi.org/10.3390/act13010044

