Next Article in Journal
Microstructural Organization and Mechanical Properties of 5356 Aluminum Alloy Wire Arc Additive Manufacturing Under Low Heat Input Conditions
Next Article in Special Issue
A Review on Material Dynamics in Cold Spray Additive Manufacturing: Bonding, Stress, and Structural Evolution in Metals
Previous Article in Journal
Dealloying of Quasi-High Entropy Alloys: Fabrication of Porous Noble Metals/Metal Oxides
Previous Article in Special Issue
Fatigue Crack Initiation and Growth Behaviors of Additively Manufactured Ti-6AI-4V Alloy After Hot Isostatic Pressing Post-Process
 
 
Font Type:
Arial Georgia Verdana
Font Size:
Aa Aa Aa
Line Spacing:
Column Width:
Background:
Article

Fabrication and Characterization of Vapor Gown Carbon Fiber/304L Matrix Stainless Steel Composite by Spark Plasma Sintering

1
State Key Laboratory of Metastable Materials Science and Technology, Yanshan University, Qinhuangdao 066004, China
2
Hebei Key Lab for Optimizing Metal Product Technology and Performance, Yanshan University, Qinhuangdao 066004, China
3
Department of Materials Science and Engineering, Kyushu Institute of Technology, Kitakyushu 804-8550, Japan
4
Graduate School of Engineering, Mechanical Science and Engineering, Hiroshima University, Hiroshima 739-8527, Japan
*
Authors to whom correspondence should be addressed.
Metals 2025, 15(2), 115; https://doi.org/10.3390/met15020115
Submission received: 28 November 2024 / Revised: 22 January 2025 / Accepted: 23 January 2025 / Published: 25 January 2025

Abstract

In this paper, VGCF/304L stainless steel composite was prepared using spark plasma sintering (SPS) with 2 vol.% nanocarbon fiber. Then, phase content, grain size, and mechanical properties were evaluated. The results showed that the Vickers hardness of 304L sintered stainless steel and the composite prepared by SPS under the condition of 950 °C for 10 min were 244 HV and 310 HV, respectively, which is an increase of about 27.0%. The yield strength ascended from 587.1 MPa to 890.2 MPa, registering an increase of approximately 51.6%. Concurrently, the ultimate tensile strength rose from 821.5 MPa to 1064.7 MPa, with an approximate increase of 29.6%. This method for improving the mechanical properties of stainless steel is expected to be widely adopted for producing fiber-reinforced metal matrix composites with excellent overall performance.

1. Introduction

Since its development, stainless steel has become one of the most widely used metal materials in industrial and civil construction [1,2]. With technological advancements, its production processes have matured, alloying elements have diversified, and its structural design has improved. Stainless steel finds applications across industries, from civil to industrial sectors, and is an essential component of the national economy [1]. In recent years, the transportation industry has emphasized energy saving, emission reduction, lightweight, and high strength [3,4], leading to the development of light metals like Al and Mg alloys. However, 304L austenitic stainless steel remains popular in aerospace, automotive parts, construction, and daily life due to its excellent plasticity, toughness, wear resistance, high-temperature resistance, corrosion resistance, and non-magnetic properties [5]. Despite these advantages, its relatively low strength and specific strength limit its application in high-performance aerospace areas. Therefore, improving the strength of 304L stainless steel without significantly compromising its ductility is a key research focus [6,7].
Vapor grown carbon fiber (VGCF) is a novel carbon material with a length of 10–20 μm and a diameter of 150–200 nm. It features minimal defects, a smooth surface, low density, high strength, and excellent corrosion resistance, making it a promising reinforcement phase in powder metallurgy [8,9]. Nanocarbon fiber metal matrix composites exhibit advantages like low thermal expansion, high specific strength and modulus, high-temperature resistance, high stiffness and transverse strength, excellent thermal conductivity, no moisture absorption, good electrical conductivity, and good radiation resistance [10,11]. As a result, they have garnered significant interest, particularly in the aerospace sector. Patel et al. [12] demonstrated that incorporating multiwall carbon nanotubes (CNTs) into stainless steel improved its yield strength from 255 MPa to 520 MPa, (a 107% increase) and nearly doubled its hardness. However, the material exhibited lower density, increased porosity, and reduced corrosion resistance. Zhang Xin et al. [13] analyzed the average grain size of 304 stainless steel after SPS. The average grain size of the powder after ball grinding was about 31 nm, while the sintered body observed via TEM showed an average grain size of 164 nm, indicating controlled grain growth during SPS [6]. After sintering at 950 °C for 5 min, the 304L stainless steel exhibited an austenitic structure with a density of 99.11%, yield strength of 336 MPa, tensile strength of 609 MPa, and hardness of 212.4 HV—improvements of 100%, 27%, and 21%, respectively, compared to standard molten stainless steel. However, the study did not explore different insulation times or add reinforcement phases. Munawar et al. [14] found that the surface microstructure of the composites improved with a reduction in grain size (from μm to nm), leading to a 30% increase in hardness. The introduction of carbon nanotubes as a reinforcement phase effectively refined grains and enhanced mechanical properties. A.V. Radhamani et al. [15] prepared CNT-reinforced 304 stainless steel composites via SPS at 800 °C. At 0.5 wt.% CNT, the composite exhibited a hardness of 351 HV, compression yield strength of 404 MPa, and thermal conductivity of 12.3 W/m·K—5.4, 2.1, and 1.4 times higher, respectively, than 304 stainless steel without CNT. However, issues like low sintering temperature, poor density, and unoptimized ball milling and SPS processes persisted.
Nanocarbon fiber-reinforced stainless steel composites outperform 304L stainless steel in mechanical properties but face challenges such as uneven dispersion of reinforcement phases, weak interface bonding, and grain growth. Planetary ball milling offers a simple, high-yield method for achieving uniform powder dispersion and significant grain refinement. Combined with the efficient SPS process, which provides rapid sintering, low temperature, and short processing times, this approach can maintain material density and suppress excessive grain growth. [16,17] This study focuses on preparing 304L stainless steel and 2 vol.% VGCF/304L composite powders with varying ball milling times, analyzing powder size changes, and comparing the microstructure and mechanical properties of sintered bodies under different mixing conditions. Secondary electron images (SEM) and Electron back scatter diffraction (EBSD) analysis is used to determine the optimal mixing process.

2. Materials and Methods

2.1. Preparation of the Composites

The experimental materials used in this study were 304L stainless steel powder (median particle size D50 of 3 micron, purity > 99.8%, density 7.93 g/cm3, produced by Hebei Xindun Metal Materials Co., Ltd., Xingtai, China) and VGCF (diameter 150–200 nm, length 10–20 micron, density 2.0 g/cm3, produced by Showa Electrician Packaging, Saitama, Japan). The microstructures of the two materials are shown in Figure 1, and the chemical composition of 304L stainless steel is detailed in Table 1. A 2 vol.% (wt.% = 0.51%) VGCF/304L stainless steel powder was prepared using a planetary ball mill (Instrument Factory of Nanjing University, QM-3SP4, Nanjing, China) with a ball-to-powder ratio of 5:1 (100 g of 304L stainless steel ball). Six grams of absolute ethanol solution were added, and the mixture was milled at 300 rpm for various durations: 1, 2, 4, 8, 16, and 24 h. In addition, 304L stainless steel powder without VGCF was prepared under the same milling conditions to serve as a control group. The VGCF/304L stainless steel composite material and 304L stainless steel sintered body were prepared using the SPS method with a sintering temperature of 950 °C, pressure of 50 MPa, and a holding time of 10 min. The sintered samples had dimensions of Ø 30 × 10 mm. The effects of the ball milling process were explored, followed by a comparative analysis of different sintering parameters on the VGCF/304L stainless steel composite. The sintering temperatures were set at 900 °C, 950 °C, 1000 °C, 1050 °C, and 1100 °C, each with a holding time of 10 min. The influence of holding time was also examined with durations of 0, 5, 10, 15, and 20 min at a temperature of 950 °C.

2.2. Performance Evaluation

The actual density of the prepared composites was determined using the drainage method based on Archimedes’ principle. The mass m1 and m2 of the sample were measured in air and distilled water, respectively, using an electronic balance. The true density of the composite material was then calculated using Formula (1), while the theoretical density was calculated using Formula (2). The relative density is the percentage ratio of the true density to the theoretical density.
ρ true = m 1 m 1 m 2 ρ water
ρ theoretical = ρ 304 L μ 304 L + ρ VGCF μ VGCF
where ρwater = 1.00 g/cm3, ρ304L = 7.93 g/cm3, ρVGCF = 2.00 g/cm3, and μ304L, μVGCF are the volume fractions of 304L and VGCF, respectively.
Phase analysis was conducted using a D MAX-2500PC X-ray diffraction (XRD) instrument with a Cu target and Kα radiation wavelength of 1.54 Å. The scanning angle ranged from 20° to 100°, with a scanning speed of 4°/min. The resulting XRD pattern was refined using Maud software (Version 2.998, open source software, Trento, Italy) to obtain the phase content and grain size of the composite material. Confidence factor of those fitting were: Rwp (6.9–7.7), Rp (5.8–6.3), R2 (3.1–3.7). So this accuracy coincided with grain size test standard.
For metallographic analysis, samples of size 8 mm × 8 mm × 4 mm were subjected to mechanical grinding, mounted, and then etched using a solution of 5 g FeCl3, 20 mL concentrated hydrochloric acid, and 50 mL distilled water. After etching, the samples were washed with water, then repeatedly with alcohol, dried, and observed using an metallographic microscope (AOSVI, M230-HD228S, Shenzhen, China).
304L stainless steel powder, VGCF powder, and VGCF/304L composite powder (milled for different durations) were analyzed for their microstructure and fracture morphology. The samples were milled to a specific size, and final polishing was performed using silica suspension with a particle size of 0.04 micron. The polishing time was extended to ensure a bright, smooth surface with no traces. Electron back scattered diffraction (EBSD) observation was performed using a scanning electron microscope (Thermo Fisher, Verios G4 UC, Waltham, MA, USA) with an Oxford-Symmetry electron backscattering diffraction pattern acquisition device (Oxford Instruments, Oxford, UK). The operating voltage was 20 kV, the sample tilt angle was 70°, and the focal length of approximately 175 mm.
Vickers hardness was measured using a micro VICKERS model FM-ARS9000 (FUTURE-TECH, Aomori City, Japan) with a load of 2.94 N and a holding time of 10 s. Ten points on the surface of the sample were tested, and the average value was taken as the final hardness value.
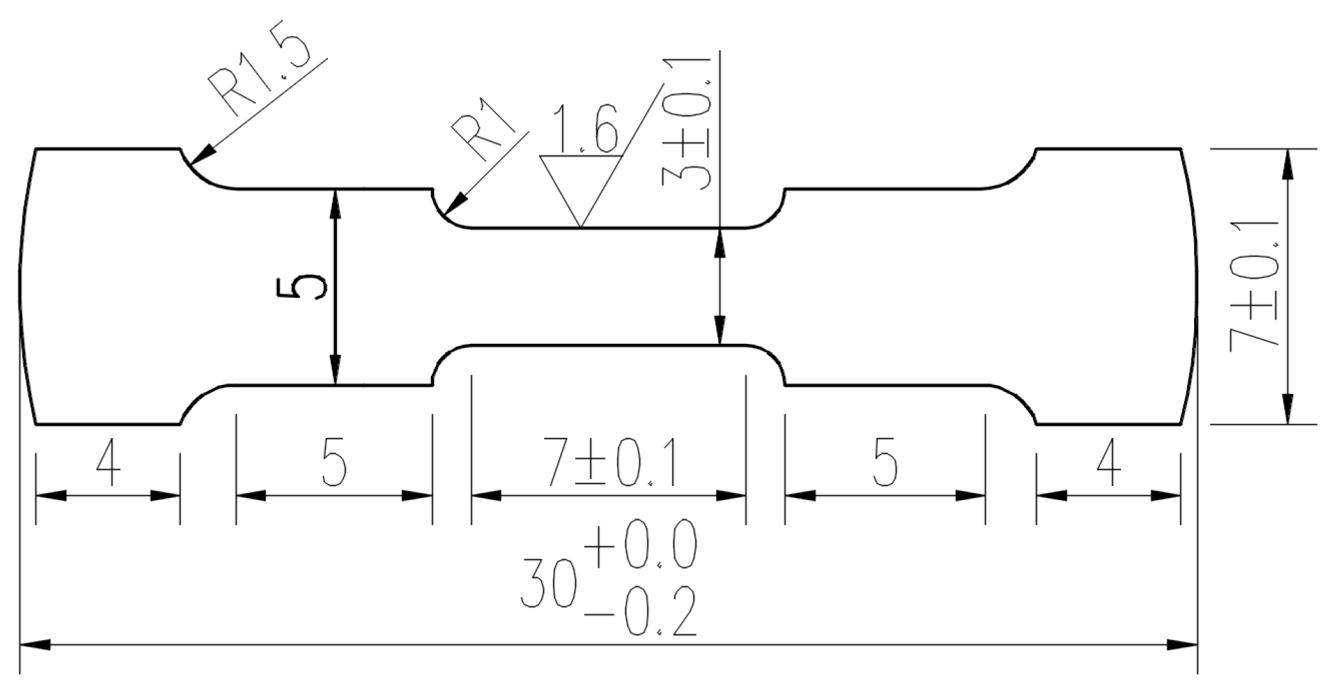
Tensile tests were conducted using a universal testing machine model WDW-50E (Jinan Yongce Industrial Equipment Co., Ltd., Jinan, China) at a strain rate of 10−3 s−1 and room temperature. The tensile specimens were fabricated using electrical discharge machining and polished with fine sandpaper to remove surface irregularities and oxide films. They were then cleaned for 10 min and dried with a hair dryer. More than three repeated tensile experiments were performed for each sample to ensure data accuracy. The specimen dimensions are shown in Figure 2, with a thickness of about 1 mm.

3. Results and Discussion

Figure 3 shows SEM images of VGCF/304L stainless steel composite powder with different ball milling times. As the ball milling time increases, the 304L stainless steel powder undergoes a repeated process of fracture, cold welding, and re-fracture due to constant violent impact, effectively refining the powder grain. After 16 h of ball milling, the stainless steel powder evolves from an initial approximately spherical or ellipsoidal shape to a layered morphology with a certain thickness. Increasing the ball milling time further does not significantly change the powder morphology. The red arrows and elliptical in the figure highlight the distribution of VGCF in the 304L stainless steel. With prolonged ball milling, VGCF gradually disperses evenly in the stainless steel powder matrix, mostly filling the matrix gaps, with a small amount adhering to the surface of the 304L stainless steel powder. Afterward, we calculated their average particle size (DAPS, μm) and listed the results in Table 2. Then we obtained function (3) for the average particle size varying with the ball-milling time by using polynomial fitting, with an adjusted R-square accuracy of 0.93484.
D APS = 2.48344 + 0.23725 t 0.00431 t 2
where t is the ball milling time and DAPS is the average particle size.
Figure 4 shows the XRD pattern of VGCF and VGCF/304L stainless steel composite powder with different ball milling times. The mixture of austenite [γ-phase, face-centred cubic (FCC), PDF#33-0397] and martensite [α’-phase, body-centred tetragonal (BCT), PDF#35-1375] constitutes the microstructure of the ball-milled specimens. Mechanical milling is a procedure that involves severe plastic deformation. During this process, high shear strains can cause significant grain refinement in the materials being treated. In the case of AISI 304L, the metastable austenite within it is highly susceptible to transform into martensite under such high-strain conditions. This transformation is known as strain-induced martensite transformation [18,19].
Figure 5 shows the average grain size and two-phase content of the refined XRD map from Maud software for different ball milling times. As observed in Figure 4 and Figure 5, increasing the ball milling time transforms the austenite phase in the composite powder into the martenite phase. Both the austenite and martenite grain sizes continuously decrease to about 30 nm, and the martenite content reaches approximately 70% after 24 h of ball milling.
Figure 6 shows SEM (S4800, HITACHI, Tokyo, Japan) images of the composite sintered body of VGCF/304L stainless steel powder, obtained with different ball milling times. As shown in Figure 6, the grain size of the 304L stainless steel matrix composite body gradually decreases with longer ball milling times. The longer the ball milling time, the more pronounced the grain refinement effect. In addition, the porosity of the sintered body increases with longer ball milling times.
Figure 7 presents the SEM images of the sintered bodies fabricated via SPS of VGCF/304L stainless steel powders that have undergone 16 h ball milling. Additionally, the EDS elemental distribution maps across their surfaces are also shown. As can be seen from the figure, the elemental distribution of the sintered material is relatively uniform. However, there are some bright spots in the distribution maps of silicon and oxygen elements. This is likely due to incomplete cleaning during the sample preparation process, causing a small amount of silica polishing liquid to remain on the sample surface.
Figure 8 shows the relative densities of 304L stainless steel and VGCF/304L composite after different ball milling times. The theoretical density of the VGCF/304L composite is about 7.81 g/cm3. The figure indicates that the relative density of the samples after SPS sintering is over 97%, demonstrating that the sintering bodies are well-compacted. As the ball milling time increases from 1 h to 24 h, the relative density of the 304L stainless steel and its composite sintered bodies gradually decreases, from 98.2% to 97.0% and 96.7%, respectively. This decrease is due to the flattening and coarsening of powder particles as the ball milling time increases, as shown in Figure 3, which requires higher temperatures and longer sintering times. Therefore, under the conditions of 950 °C for 10 min, the sintering completion rate is relatively low. Additionally, the incorporation of VGCF, which has a lower density, slightly reduces the density of the composite sintered body compared to the sintered body without VGCF.
Figure 9 compares the yield strength, ultimate tensile strength, elongation, and Vickers hardness between 304L stainless steel and VGCF/304L stainless steel sintered bodies. As shown in Figure 9a,b, with longer ball milling times, the strength of both 304L stainless steel and composite materials increases. At 16 h of ball-milling, both exhibit peak strength, with yield strengths of 587.1 MPa and 890.2 MPa, respectively, and ultimate tensile strengths of 821.5 MPa and 1064.7 MPa, respectively. The composite material shows significantly higher strength than 304L stainless steel. According to Figure 9c, the elongation generally decreases with longer ball milling times, and the plasticity of the composite material is lower than that of 304L stainless steel. Figure 9d shows that the Vickers hardness of both materials increases with longer ball milling times, with a significant increase in hardness for 304L stainless steel after adding VGCF. Overall, the addition of VGCF has a substantial strengthening effect. The VGCF/304L stainless steel composite sintered body performs best when the ball milling time is 16 h. Its Vickers hardness, yield strength, and ultimate tensile strength increased by 55.0%, 323.9%, and 88.8%, respectively, compared to solution-treated commercial 304L stainless steel [20].
Figure 10 shows the XRD pattern of VGCF and VGCF/304L stainless steel SPS sintered bodies after different ball milling times at 50 MPa, 950 °C, and 10 min. As can be seen from the figure, the microstructure of the sintered material is mainly composed of the austenite phase and a small amount of the martensite phase. This is mainly because after adding VGCF, the carbon content in the composite material increases, causing the reverse martensitic transformation to be incomplete. Compared with the quenching heat -treatment process, the cooling rate of SPS is slower. Therefore, a small amount of (Cr,Fe)23C6 (PDF#78-1501) is formed during the cooling process of preparing the composite material.
Figure 11 shows SEM images of the tensile fracture surface of VGCF/304L stainless steel SPS sintered bodies after 1, 8, and 16 h of ball milling. The figure reveals evenly distributed toughness nests at the fracture joints, indicating typical ductile fracture characteristics. The tensile fracture of the composite material comprises numerous small, round ductile dimples. There are some residual pores and cracks near the ductile dimples after sintering, which serve as the primary fracture source during deformation. In addition, there are a few bonding phase particles in the ductile dimples and carbides formed by decarbonization during the martensite annealing process, with some falling off during deformation. The amount of the second phase and inclusions in the sintering body fractures gradually decreases as ball milling time increases, becoming almost absent in Figure 11f. The distribution of VGCF-enhanced phases near the ductile dimples, indicated by the red elliptical circles in Figure 11f, contributes to the excellent performance of the sintered body after 16 h of ball milling.
We investigated the changes in hardness and mechanical properties of the products obtained at different sintering temperatures and insulation times for 16-h ball-milled powder. Figure 12 shows the variation in Vickers hardness and tensile properties of 2 vol.% VGCF/304L stainless steel composites prepared via SPS with a 10-min insulation time and a pressure of 50 MPa at different temperatures. As shown in Figure 12a, the Vickers hardness of the composite gradually decreases from 340 HV at 900 °C to 275 HV at 1100 °C. According to Figure 12b, the yield strength increases from 784.2 MPa to 890.2 MPa and then decreases to 628.4 MPa, while the ultimate tensile strength increases from 915.2 MPa to 1064.7 MPa and then drops to 936.4 MPa. Elongation improves from 14.8% to 27.5% as the temperature rises. A comprehensive analysis indicates that a sintering temperature of 950 °C results in the best overall mechanical properties.
Figure 13 shows the variation in Vickers hardness and tensile properties of the composite prepared at 950 °C with a pressure of 50 MPa and varying insulation times. From Figure 13a, the Vickers hardness decreases from 386 HV to 288 HV as the insulation time increases from 0 to 20 min. Notably, hardness drops significantly between 0 and 10 min but shows less variation between 10 and 20 min. As shown in Figure 13b, increasing the insulation time reduces the yield strength from 997.8 MPa to 806.0 MPa. The ultimate tensile strength initially increases from 1032.0 MPa to 1064.7 MPa and then decreases to 916.8 MPa. Elongation follows a similar trend, first increasing and then decreasing. While composites prepared with 0 min of insulation have high yield strength and hardness, those prepared with a 10-min insulation time exhibit better compactness, ductility, and ultimate tensile strength, with only minor differences in yield strength and hardness compared to the 0-min sample.
In conclusion, the composite prepared using 16-h ball-milled powder at 950 °C with a pressure of 50 MPa and an insulation time of 10 min demonstrates the best comprehensive mechanical properties. Figure 14 shows SEM-EBSD images of the VGCF/304L stainless steel composite after 16 h of ball milling. According to Figure 14a, the compaction degree of the composite is relatively high, with a small amount of evenly distributed pores on the surface. Figure 14b,c shows the grain distribution for orientations (001), (101), and (111), indicating a fully recrystallized microstructure, with small and uniform grain size distribution. Figure 14d shows the phase distribution map, where the green areas represent the austenite phase and the red areas represent the martensite phase. It shows that at 950 °C, the martensite phase content is low and uniformly distributed. Figure 14e shows the grain boundary map (grain boundary and coincidence site lattice). At the sintering temperature of 950 °C, the microstructure exhibits mainly high-angle grain boundaries (misorientation angles ranging from 15° to 60°), with less than 3% low-angle grain boundaries, indicating a fully recrystallized microstructure. The 304L stainless steel shows annealing twins due to the low stacking fault energy. Figure 14f shows the kernel average misorientation (KAM) map. The KAM values of the 304L stainless steel are mainly between 0–0.6°, accounting for more than 97% of the material. This suggests low internal stress and dislocation density, with stress concentration at the high-angle grain boundaries and twin boundaries.

4. Conclusions

This study investigated the influence of different mixing processes on the morphology, grain size, and phase content of 304L stainless steel and composite powder. It also analyzed the mechanical properties of SPS sintered bodies with different ball milling times. The experimental results show:
(1) With the extension of ball milling time, 2 vol.% VGCF/304L composite powder gradually changes to a certain thickness. VGCF is dispersed in the gaps of the stainless steel matrix and partially bonded on the surface. The microstructure mainly consists of austenite and martensite. The grain size of both phases in the powder reduces to 30 nm, and the martensite content increases to about 70%.
(2) SPS sintered bodies of 2 vol.% VGCF/304L stainless steel composite, prepared at 950 °C, 50 MPa pressure, and a 10-min hold time, shows a high degree of recrystallization. The microstructure mainly consists of austenite and martensite, with grain sizes less than 2 micron. There are few dislocations and small stresses near the high-angle grain boundaries and twin boundaries. VGCF gradually disperses in the matrix with increased ball milling time. XRD analysis reveals a small amount of martensite phase and carbides in the sintered composite material, reduced its plastic toughness.
(3) SPS sintered bodies of 304L stainless steel and VGCF/304L stainless steel composite powder, after 16 h of ball milling at 950 °C, 50 MPa pressure, and a 10-min hold time, exhibit excellent mechanical properties. The density of the first sample is 97.5% and that of the second sample is 97.2%. The yield strength of the first sample is 587.1 MPa and that of the second sample is 890.2 MPa, with an approximate increase of 51.6%. The ultimate tensile strength of the first sample is 821.5 MPa and that of the second sample is 1064.7 MPa, with an approximate increase of 29.6%. The Vickers hardness of the first sample increases by approximately 27.0% to 244 HV and that of the second sample increases to 310 HV.
This method for improving the mechanical properties of stainless steel is expected to be widely adopted for producing fiber-reinforced metal matrix composites with excellent overall performance.

Author Contributions

Conceptualization, P.W., D.Y. and Z.X.; methodology, P.W., J.Y. and S.M.; software, L.Z. and M.Z.; validation, P.W., J.Y. and M.Z.; formal analysis, Z.F.; investigation, P.W. and D.Y.; resources, P.W. and Z.X.; data curation, P.W. and L.Z.; writing—original draft preparation, P.W. and L.Z.; writing—review and editing, P.W., D.Y. and Z.X.; visualization, Z.F. and G.S.; supervision, S.M. and G.S.; funding acquisition, D.Y. and Z.X. All authors have read and agreed to the published version of the manuscript.

Funding

This research was funded by Natural Science Foundation of Hebei Province, China, grant number E2020203158; Hebei Province High level Talent Support Project, grant number E2020100006; Hebei Province Innovation Capability Enhancement Project, grant number 22567609H.

Data Availability Statement

The raw data supporting the conclusions of this article will be made available by the authors on request.

Conflicts of Interest

The authors declare no conflicts of interest.

References

  1. Baddoo, N.R. Stainless Steel in Construction: A Review of Research, Applications, Challenges and Opportunities. J. Constr. Steel Res. 2008, 64, 1199–1206. [Google Scholar] [CrossRef]
  2. Lo, K.H.; Shek, C.H.; Lai, J.K.L. Recent Developments in Stainless Steel. Mater. Sci. Eng. R 2009, 65, 39–104. [Google Scholar] [CrossRef]
  3. Ceschini, L.; Tuck, C. Sustainable Processes in Aluminium, Magnesium, and Titanium Alloys Applied to the Transport Sector: A Review. Metals 2022, 12, 9. [Google Scholar] [CrossRef]
  4. Luo, A.A.; Sachdev, A.K.; Apelian, D. Alloy Development and Process Innovations for Light Metals Casting. J. Mater. Process. Technol. 2022, 306, 117606. [Google Scholar] [CrossRef]
  5. Subasic, M.; Alfredsson, B.; Dahlberg, C.F.O.; Öberg, M.; Efsing, P. Mechanical Characterization of Fatigue and Cyclic Plasticity of 304L Stainless Steel at Elevated Temperature. Exp. Mech. 2023, 63, 1391–1407. [Google Scholar] [CrossRef]
  6. Haitao, W.; Hongchao, W.; Peng, W.; Jianyong, X.; Cankun, C.; Zhongyuan, L.; Fusheng, W. High strength austenitic stainless steel prepared by spark plasma sintering. J. Yanshan Univ. 2013, 37, 34–38. [Google Scholar]
  7. Jing, C.; Chen, Z.; Liu, B.; Xu, T.; Wang, J.; Lu, T.; Lu, J.; Guo, Y.; Liu, C. Improving mechanical strength and isotropy for wire—Arc additive manufactured 304L stainless steels via controlling arc heat input. Mater. Sci. Eng. A Struct. Mater. Prop. Microstruct. Process. 2022, 845, 143223. [Google Scholar] [CrossRef]
  8. SSharma, P.; Kumar, R. Chandra, Carbon nanotube reinforced titanium composites: An experimental and molecular dynamics study. J. Compos. Mater. 2018, 52, 4117–4123. [Google Scholar] [CrossRef]
  9. Ueno, T.; Yoshioka, T.; Sato, K.; Makino, Y.; Endo, M. Fabrication of High Thermal Conductive Aluminum/Graphitic Fiber Composites by Pulsed Electric Current Sintering. J. Jpn. Soc. Powder Powder Metall. 2007, 54, 595–600. [Google Scholar] [CrossRef]
  10. Liu, J.N.; Zhan, K. Recent Progress in Architecture Design of Nanocarbon-Reinforced Metal Matrix Composites and Their Properties: A Review. Carbon 2024, 228, 119382. [Google Scholar] [CrossRef]
  11. Dadkhah, M.; Saboori, A.; Fino, P. An Overview of the Recent Developments in Metal Matrix Nanocomposites Reinforced by Graphene. Materials 2019, 12, 2823. [Google Scholar] [CrossRef] [PubMed]
  12. Patel, R.B.; Liu, J.; Scicolone, J.V.; Roy, S.; Mitra, S.; Dave, R.N.; Iqbal, Z. Formation of stainless steel–carbon nanotube composites using a scalable chemical vapor infiltration process. J. Mater. Sci. 2013, 48, 1387–1395. [Google Scholar] [CrossRef]
  13. Xin, Z.; Jing, L.; Guangqiang, L. Preparation of Ultrafine Grain Austenitic High-Nitrogen Stainless Steel by Spark Plasma Sintering. Iron Steel Vanadium Titan. 2006, 27, 17–20. [Google Scholar]
  14. Munawar Iqbal, A.N.; Ayub Faridi, M. Surface modification of mild steel by carbon nanotubes reinforcement under electron beam melting. arXiv 2015, arXiv:1505.02168. [Google Scholar]
  15. Radhamani, A.; Lau, H.C.; Ramakrishna, S. Structural, mechanical and corrosion properties of CNT-304 stainless steel nanocomposites. Prog. Nat. Sci. Mater. Int. 2019, 29, 595–602. [Google Scholar] [CrossRef]
  16. Shichalin, O.; Papynov, E.; Belov, A.; Ivanov, N.; Buravlev, I.; Lembikov, A.; Dvornik, M.; Chigrin, P.; Vlasova, N.; Mirovoy, Y.; et al. Immobilization of 137Cs in NaY type zeolite matrices using various heat treatment methods. Solid State Sci. 2024, 154, 107619. [Google Scholar] [CrossRef]
  17. Shichalin, O.; Ivanov, N.; Seroshtan, A.; Nadaraia, K.; Simonenko, T.; Gurin, M.; Kornakova, Z.; Shchitovskaya, E.; Barkhudarov, K.; Tsygankov, D.; et al. Spark plasma sintering of Ti2AlC/TiC MAX—Phase based composite ceramic materials and study of their electrochemical characteristics. Ceram. Int. 2024, 50, 53120–53128. [Google Scholar] [CrossRef]
  18. Abedi, F.; Serajzadeh, S. Mechanical Properties and Strain—Induced Martensite Transformation in Cold Rolling of 304L Stainless Steel Plate. J. Mater. Eng. Perform. 2018, 27, 6155–6165. [Google Scholar] [CrossRef]
  19. Farias, F.; Álvarez-Armas, I.; Armas, A.F. On the strain-induced martensitic transformation process of the commercial AISI 304 stainless steel during cyclic loading. Int. J. Fatigue 2020, 140, 105809. [Google Scholar] [CrossRef]
  20. Wang, P.; Zhang, Y.; Yu, D. Microstructure and Mechanical Properties of Pressure-Quenched SS304 Stainless Steel. Materials 2019, 12, 290. [Google Scholar] [CrossRef] [PubMed]
Figure 1. Microstructure of the original powder (a) 304L stainless steel; (b) VGCF.
Figure 1. Microstructure of the original powder (a) 304L stainless steel; (b) VGCF.
Metals 15 00115 g001
Figure 2. Tensile specimen dimensions (mm).
Figure 2. Tensile specimen dimensions (mm).
Metals 15 00115 g002
Figure 3. SEM of VGCF/304L stainless steel composite powder with different ball milling durations: (a) 1 h; (b) 2 h; (c) 4 h; (d) 8 h; (e) 16 h; (f) 24 h. The red arrows and elliptical circles in the figure indicate VGCF.
Figure 3. SEM of VGCF/304L stainless steel composite powder with different ball milling durations: (a) 1 h; (b) 2 h; (c) 4 h; (d) 8 h; (e) 16 h; (f) 24 h. The red arrows and elliptical circles in the figure indicate VGCF.
Metals 15 00115 g003
Figure 4. XRD pattern of VGCF and VGCF/304L stainless steel composite powder with different ball milling times.
Figure 4. XRD pattern of VGCF and VGCF/304L stainless steel composite powder with different ball milling times.
Metals 15 00115 g004
Figure 5. Microstructures of VGCF/304L stainless steel composite powder with different ball milling times: (a) average grain size; (b) phase changes.
Figure 5. Microstructures of VGCF/304L stainless steel composite powder with different ball milling times: (a) average grain size; (b) phase changes.
Metals 15 00115 g005
Figure 6. SEM images of sintered bodies obtained by SPS sintering of VGCF/304L stainless steel powders with different ball milling times at 50 MPa, 950 °C, and 10 min: (a) 1 h; (b) 2 h; (c) 4 h; (d) 8 h; (e) 16 h; (f) 24 h.
Figure 6. SEM images of sintered bodies obtained by SPS sintering of VGCF/304L stainless steel powders with different ball milling times at 50 MPa, 950 °C, and 10 min: (a) 1 h; (b) 2 h; (c) 4 h; (d) 8 h; (e) 16 h; (f) 24 h.
Metals 15 00115 g006
Figure 7. SEM image and the EDS elemental distribution maps of VGCF/304L stainless steel SPS sintered bodie after 16 h ball milling at 50 MPa, 950 °C, and 10 min.
Figure 7. SEM image and the EDS elemental distribution maps of VGCF/304L stainless steel SPS sintered bodie after 16 h ball milling at 50 MPa, 950 °C, and 10 min.
Metals 15 00115 g007
Figure 8. Relative densities of sintered bodies of 304L stainless steel and VGCF/304L stainless steel SPS sintered bodies after different ball milling times at 50 MPa, 950 °C, and 10 min.
Figure 8. Relative densities of sintered bodies of 304L stainless steel and VGCF/304L stainless steel SPS sintered bodies after different ball milling times at 50 MPa, 950 °C, and 10 min.
Metals 15 00115 g008
Figure 9. Comparison of mechanical properties of 304L stainless steel and VGCF/304L stainless steel SPS sintered bodies after different ball milling times at 50 MPa, 950 °C, and 10 min: (a) yield strength; (b) ultimate tensile strength; (c) elongation; (d) Vickers hardness.
Figure 9. Comparison of mechanical properties of 304L stainless steel and VGCF/304L stainless steel SPS sintered bodies after different ball milling times at 50 MPa, 950 °C, and 10 min: (a) yield strength; (b) ultimate tensile strength; (c) elongation; (d) Vickers hardness.
Metals 15 00115 g009
Figure 10. XRD pattern of VGCF and VGCF/304L stainless steel SPS sintered bodies after different ball milling times at 50 MPa, 950 °C, and 10 min.
Figure 10. XRD pattern of VGCF and VGCF/304L stainless steel SPS sintered bodies after different ball milling times at 50 MPa, 950 °C, and 10 min.
Metals 15 00115 g010
Figure 11. SEM images of the tensile fracture surface of VGCF/304L stainless steel SPS sintered bodies after different ball milling times at 50 MPa, 950 °C, and 10 min: (a) ball milling for 1 h; (b) enlarged view of the central region in (a); (c) ball milling for 8 h; (d) enlarged view of the central region in (c); (e) ball milling for 16 h; (f) enlarged view of the central region in (e). In the figure, the red arrows point to the carbides, and the red elliptical circles indicate the VGCF.
Figure 11. SEM images of the tensile fracture surface of VGCF/304L stainless steel SPS sintered bodies after different ball milling times at 50 MPa, 950 °C, and 10 min: (a) ball milling for 1 h; (b) enlarged view of the central region in (a); (c) ball milling for 8 h; (d) enlarged view of the central region in (c); (e) ball milling for 16 h; (f) enlarged view of the central region in (e). In the figure, the red arrows point to the carbides, and the red elliptical circles indicate the VGCF.
Metals 15 00115 g011
Figure 12. Comparison of (a) Vickers hardness and (b) mechanical properties of stainless steel composites prepared via SPS with a 10-min insulation time, 50 MPa pressure, and different temperatures.
Figure 12. Comparison of (a) Vickers hardness and (b) mechanical properties of stainless steel composites prepared via SPS with a 10-min insulation time, 50 MPa pressure, and different temperatures.
Metals 15 00115 g012
Figure 13. Comparison of (a) Vickers hardness and (b) mechanical properties of stainless steel composites prepared via SPS at 950 °C, 50 MPa pressure, and different insulation times.
Figure 13. Comparison of (a) Vickers hardness and (b) mechanical properties of stainless steel composites prepared via SPS at 950 °C, 50 MPa pressure, and different insulation times.
Metals 15 00115 g013
Figure 14. SEM-EBSD images of VGCF/304L composites prepared by SPS after 16 h of ball milling: (a) SEM image; (b) grain orientation map; (c) Inverse pole figure map; (d) phase distribution map; (e) grain boundary map (TB stands for twin boundary ); (f) KAM map.
Figure 14. SEM-EBSD images of VGCF/304L composites prepared by SPS after 16 h of ball milling: (a) SEM image; (b) grain orientation map; (c) Inverse pole figure map; (d) phase distribution map; (e) grain boundary map (TB stands for twin boundary ); (f) KAM map.
Metals 15 00115 g014
Table 1. Chemical composition of 304L stainless steel powder (wt.%).
Table 1. Chemical composition of 304L stainless steel powder (wt.%).
ElementCrNiMnSiCPSOFe
wt.%19.0011.800.200.80<0.03<0.03<0.02<0.30Balance
Table 2. The average particle size of the powders obtained at different ball milling times.
Table 2. The average particle size of the powders obtained at different ball milling times.
Ball Milling Time (t, h)Average Particle Size (DAPS, μm)
12.51
22.95
43.39
84.59
164.71
245.85
Disclaimer/Publisher’s Note: The statements, opinions and data contained in all publications are solely those of the individual author(s) and contributor(s) and not of MDPI and/or the editor(s). MDPI and/or the editor(s) disclaim responsibility for any injury to people or property resulting from any ideas, methods, instructions or products referred to in the content.

Share and Cite

MDPI and ACS Style

Wang, P.; Yu, D.; Xu, Z.; Zheng, L.; Yu, J.; Motozuka, S.; Zhu, M.; Fang, Z.; Sasaki, G. Fabrication and Characterization of Vapor Gown Carbon Fiber/304L Matrix Stainless Steel Composite by Spark Plasma Sintering. Metals 2025, 15, 115. https://doi.org/10.3390/met15020115

AMA Style

Wang P, Yu D, Xu Z, Zheng L, Yu J, Motozuka S, Zhu M, Fang Z, Sasaki G. Fabrication and Characterization of Vapor Gown Carbon Fiber/304L Matrix Stainless Steel Composite by Spark Plasma Sintering. Metals. 2025; 15(2):115. https://doi.org/10.3390/met15020115

Chicago/Turabian Style

Wang, Peng, Dongli Yu, Zhefeng Xu, Linxiang Zheng, Jinku Yu, Satoshi Motozuka, Mengying Zhu, Zhichao Fang, and Gen Sasaki. 2025. "Fabrication and Characterization of Vapor Gown Carbon Fiber/304L Matrix Stainless Steel Composite by Spark Plasma Sintering" Metals 15, no. 2: 115. https://doi.org/10.3390/met15020115

APA Style

Wang, P., Yu, D., Xu, Z., Zheng, L., Yu, J., Motozuka, S., Zhu, M., Fang, Z., & Sasaki, G. (2025). Fabrication and Characterization of Vapor Gown Carbon Fiber/304L Matrix Stainless Steel Composite by Spark Plasma Sintering. Metals, 15(2), 115. https://doi.org/10.3390/met15020115

Note that from the first issue of 2016, this journal uses article numbers instead of page numbers. See further details here.

Article Metrics

Back to TopTop