You are currently viewing a new version of our website. To view the old version click .
Minerals
  • Article
  • Open Access

7 September 2023

Mechanistic Study and Application of Anionic/Cationic Combination Collector ST-8 for the Flotation of Spodumene

,
,
,
,
,
and
School of Xingfa Mining Engineering, Wuhan Institute of Technology, Wuhan 430074, China
*
Author to whom correspondence should be addressed.
This article belongs to the Section Mineral Processing and Extractive Metallurgy

Abstract

The mechanism of anionic/cationic combination collector ST-8 for the efficient separation of spodumene and feldspar was investigated by flotation tests, surface tension measurements, zeta potential measurements and infrared spectroscopy analysis. The flotation results indicated that when the optimum molar ratio of sodium oleate and dodecylamine was 6:1–10:1 and pH = 8.5, the recovery of spodumene reached a maximum of 80% and that of feldspar reached about 24.5%. Zeta potential measurements showed that the negative shift of the kinetic potential on the surface of spodumene was much stronger than that on the surface of feldspar, indicating that the adsorption capacity of the combined collector on spodumene surface and feldspar surface was greatly different. From the surface tension as well as the synergistic parameters, there was a strong mutual attraction between dodecylamine and sodium oleate, and there was a significant synergistic effect between them. Infrared spectroscopy indicated that the combined collector chemisorbed on the mineral surface, and the intensity of the absorption peak after the action of spodumene was much stronger than that after the action of feldspar. The solution chemistry of the combined collector revealed that at pH 8.5, the positively charged ions RNH3+ and (RNH3+)22+ in dodecylamine and the negatively charged RCOO and (RCOO)22− ions in oleic acid form highly reactive complexes to interact with the mineral surface by electrostatic gravitation, thus achieving efficient separation of spodumene and feldspar. Finally, from the closed-circuit test results, a flotation index of 6.34% Li2O grade and 88.51% Li2O recovery was obtained.

1. Introduction

Lithium is an important strategic resource in China, widely used in batteries, materials, optoelectronics, nuclear industry and aerospace. It is widely used in the fields of battery, material, photoelectricity, nuclear industry and aerospace, etc. It is called the energy metal of the 21st century [1,2]. As the main lithium-bearing mineral, spodumene is the main target of lithium resource mining. Because spodumene is usually associated with feldspar, beryl, quartz, mica and other minerals, all of which belong to aluminosilicate minerals, it is difficult to separate spodumene from other minerals. In the industrial separation of spodumene, the commonly used methods mainly include flotation method, magnetic separation method, heavy medium method, hand separation method and combined beneficiation method, among which flotation method is still the most important separation method of spodumene [3]. The research and application of high efficiency collector for spodumene flotation is the key to improve the index of spodumene flotation.
For the flotation system of pegmatite silicate minerals, it has been a difficult problem in the field of mineral processing due to the small variability of the surface properties of its useful minerals and the main vein mineral feldspar, and the poor selectivity of the action with flotation chemicals [3,4]. For a long time, for the flotation of silicate minerals, a lot of research work has been carried out at home and abroad, mainly focusing on the crystal structure of silicate minerals, surface properties, the mechanism of action of the collector and the enhancement of the collecting performance. Regarding the enhancement of flotation agent recovery performance, Wang Dianzuo proposed the “activity-selectivity principle of flotation agents” [5]: agents with low reactivity are more selective for minerals, while flotation agents with higher activity are necessarily less selective. According to this principle, it is difficult to obtain good selectivity and high recovery of flotation at the same time by using monofunctional group agents alone. There were two ways to give consideration to both activity and selectivity: one was to use multi-functional agents, such as agent modification and synthesis of new agents, to obtain good flotation effect through the advantages of multi-functional compounds in the bonding process, the interaction between functional groups or the coordination between different active functional groups; The second was the combination of drugs, through different drug combinations, different active components and selective complementation to produce synergy. For modified agents and newly developed high-efficiency agents, it was generally difficult to completely replace the traditional flotation agents considering the cost of agents. Therefore, the use of combined reagents had always been an important topic in the research of flotation reagents.
In this paper, the combined collector was used as the collector to investigate the effect of pH value, the ratio of sodium oleate and dodecylamine on the floatability of spodumene, and the mechanism was discussed by Zeta potential test and infrared spectrum analysis, which provided a theoretical basis for spodumene flotation.

2. Experiment

2.1. Ore Samples, Main Reagents and Instruments

The spodumene ore sample used in the test was supplied from the pegmatitic Xinjiang Cocotohai rare metal mine of similar ore genesis, and the sodium feldspar ore sample was taken from Hengshan, Hunan. The ore blocks were hand crushed and hand sorted to remove impurities; then the two selected monominerals with higher purity were crushed to about 5 mm by a jaw crusher with corundum liner, and then ground finely by a ceramic ball mill and sieved to control the particle size of the monomineral samples between −0.075 mm and +0.038 mm. The two monomineral products were washed several times with ultrapure water, and filtered and dried at low temperature (50 °C), and the final mineral samples obtained were stored in wide-mouth glass bottles for backup. The chemical composition of spodumene and feldspar were measured by chemical analysis [6]. The contents of Li2O, K2O, and Na2O in spodumene was measured by flame atomic absorption spectrometric method. The content of SiO2 was measured by gravimetric molybdenum blue photometric method. The contents of Al2O3 and Fe2O3 were measured by EDTA compleximetric method. The results of chemical composition analysis of the two monominerals were shown in Table 1. The actual ore was analyzed for its chemical composition by MLA test. The results of the multi-element analysis of raw ore were shown in Table 2.
Table 1. Multi-element analysis of pure minerals (in mass fraction, %).
Table 2. Multi-element analysis of raw ore (in mass fraction, %).
Main agents: (1) pH adjuster: H2SO4, NaOH, analytical pure; (2) Cationic collector: dodecylamine (DDA); (3) Anionic collector: sodium oleate (NaOL); The test water is distilled water.
Main equipment and instruments: XFG (40 mL) hanging cell flotation machine; Zetasizer nano Zs90 Zeta potential analyzer; Jk99cm automatic tension meter; PE frontier type Fourier transform mid/far infrared spectrometer.

2.2. Test Method

2.2.1. Flotation Test

A 40 mL XFG hanging cell flotation machine was used for single mineral flotation test. The rotation speed of the main shaft of the flotation machine is 1600 r/min in the single mineral test, 2.0 g of single minerals were weighed each time and put into the flotation cell. 35 mL of deionized water was added. After stirring for 2 min, H2SO4 or NaOH was added to adjust the pH value for 2 min, and then the collector was added. After stirring for 3 min, the pH was measured and the flotation was conducted for 5 min. Finally, the foam products were scraped out manually with a scraper. The products were filtered, dried and weighed, and the floating rate was calculated. (calculation of floating rate: ε = M1/(M1 + M2) × 100%, where M1 is the foam product and M2 is the product in the tank).

2.2.2. Zeta Potential Analysis

The mineral sample was ground to −2 μm with an agate mortar, and 20 mg of the mineral sample was added into a 100 mL beaker with 50 mL of ultrapure water, stirred for 2 min with a magnetic stirrer, then the pH value was adjusted with HCl or NaOH to determine the pH value of the slurry, and finally a certain concentration of trapping agent was added and stirred for 5 min to fully disperse the slurry, and the upper layer of diluted slurry was taken after settling for 10 min. After settling for 10 min, the upper diluted slurry was injected into the electrophoresis cell of Zetasizer Nano Zs90 potentiometric analyzer for potential determination. Each sample was measured 3 times and the average value was taken.

2.2.3. Surface Tension Analysis

The critical micelle concentration of the drug can be determined by measuring the surface tension. The test instrument is JK99cm (Beijing Startech Technology Co., Ltd., Beijing, China) full-automatic tensiometer and the ring method was used. The test method was to take 50 mL distilled water, add different concentrations of chemicals, and measure the surface tension until the inflection point appears.

2.2.4. Fourier Transform Infrared Spectroscopy (FTIR) Analysis

The infrared spectra of minerals, reagents and products after the interaction of minerals and reagents were measured by transmission method on PE frontier type Fourier transform mid/far infrared spectrometer. Preparation method and test method of ore sample with agent interaction: add 2 g mineral grinding to −5 μm in the flotation tank, and then add various agents according to the flotation test sequence. After pulping, the ore sample was taken out, cleaned with distilled water under the same pH condition for 3 times, and then vacuum-filtered, and the solid product was naturally air-dried at room temperature. For measurement, 1 mg of mineral was mixed evenly with 100 mg of spectrally pure KBr and ground with an agate mortar. Then it is added to the special grinding tool for pressing, making, and finally tested. The resolution of the spectra was 4 cm−1 and 32 scans were collected for each specimen.

3. Results and Discussion

3.1. Effect of the Molar Ratio of NaOL and DDA and pH Value on the Floatability of Spodumene

In this study, the utilization of a mixed collector comprising NaOL and DDA was implemented. The investigation focused on assessing the influence of varying molar ratios of NaOL and DDA, specifically at ratios of 10:1, 8:1, 6:1, 4:1, 2:1, and 1:1, as depicted in Figure 1. Subsequently, the impact of pH on the flotation behavior of both feldspar and spodumene was examined under the optimized molar ratio, as illustrated in Figure 2.
Figure 1. Test results of the ratio of NaOL and DDA.
Figure 2. Effect of pH on the combination of NaOL and DDA collectors.
It was evident from Figure 1 that when the molar ratio of NaOL to DDA was below 6:1, there was a notable decline in the floatability of feldspar, dropping steeply from 82.12% to 25.18% as the relative proportion of NaOL within the mixed collector increased. Conversely, when the molar ratio of NaOL to DDA exceeded 6:1, the floatability of feldspar reached a state of relative constancy. This observation indicated that further augmenting the molar proportion of NaOL had a negligible impact on the floatability of feldspar. In contrast, the floatability of spodumene exhibited a marginal reduction across the tested molar ratios, maintaining an approximate value of 80%. This phenomenon underscored the discernible beneficiation effect of the combined utilization of anionic and cationic collectors, particularly in relation to spodumene enrichment as opposed to feldspar.
Figure 2 illustrated the relationship between pH and the flotation recovery of spodumene and feldspar. Initially, there was a discernible rise in the flotation recovery of spodumene as pH increased, starting from a modest 10.58% at a pH of 2.18 and culminating at 80.15% when pH reaches 8.55. Subsequent escalation of pH, however, induced a diminishing trend in the recovery rate of spodumene. Notably, at a pH of 11.78, the recovery rate of spodumene experienced a decline to 39.49%. Conversely, the recovery rate of feldspar followed a converse pattern, diminishing from its pinnacle recovery rate of 75.84% at a pH of 2.23 to its nadir recovery rate of 15.79% at pH 11.67.
A distinct observation could be made at approximately pH 8.5, where the mixed collector exhibited pronounced variation in flotation efficiency for both spodumene and feldspar. This phenomenon found support in the work of Yu Fu-shun et al. [7], who elucidated from a quantum chemical standpoint that the exposed activation centers of Al and Li metal cations on the surface of spodumene facilitate the favorable adsorption conditions for ion-molecule congeners resulting from the combination of NaOL and DDA. Conversely, the mineral surfaces of feldspar and quartz lack potent metal ion activation centers, yielding a weaker interaction with the mixed collector. As a result, the utilization of the combined NaOL and DDA collector attained selective flotation of spodumene.

3.2. Contact Angle Analysis

The hydrophobicity of mineral surface was directly related to flotation behavior. The more hydrophobic the mineral surface was, the higher the floatability of the mineral was. A larger contact angle indicated a stronger hydrophobicity [8]. Contact angle was a quantitative, visual way to describe the hydrophobicity of mineral surfaces. The contact angle data of spodumene, feldspar and quartz in the absence and presence of 6 × 10−4 mol/L NaOL/DDA (NaOL:DDA = 6:1) at pH 8.5 were shown in Figure 3.
Figure 3. The contact angle data of spodumene, feldspar and quartz in the absence and presence of 6 × 10−4 mol/L NaOL/DDA at pH 8.5.
Figure 3 illustrated the contact angles of untreated spodumene, feldspar and quartz were 29.34°, 26.65°, and 26.17° respectively, which were consistent with previous studies [8] and indicated that the surfaces of these minerals were hydrophilic. When the surface of spodumene adsorbed with the NaOL/DDA, its contact angle increased obviously to 69.98°, however, the contact angles of feldspar and quartz after adsorbed with the NaOL/DDA were only slightly increased to 32.76° and 33.01°. The great difference of the hydrophobicity resulted in different flotation behaviors. It was easier for spodumene to be attached on the bubbles to float as concentrate when spodumene adsorbed with the NaOL/DDA. Therefore, the NaOL/DDA could selectively separate spodumene from feldspar and quartz.

3.3. Effect of Combined Collectors on Zeta Potential of Spodumene Surface

The development direction of collector for flotation separation of spodumene was from single collector to mixed collector. It could be seen from the literature that combined collecting agents had certain advantages over single collecting agents, and the mechanism of this positive synergistic effect was more complicated [9]. In this study, the zeta potential of spodumene and feldspar surfaces were measured from the perspective of the variation of spodumene surface potential under different collector systems and different pH conditions, and the results were shown in Figure 4 and Figure 5.
Figure 4. Relationship between surface potential and pH value of spodumene in collector system.
Figure 5. Relationship between surface potential and pH value of feldspar under collector system.
It could be seen from Figure 4 and Figure 5 that after the interaction of NaOL with minerals, the Zeta potential on spodumene surface had a large negative shift over the whole pH value range. However, the negative shift of zeta potential on the surface of albite was not large, which indicated that the adsorption of NaOL on spodumene surface was strong and the adsorption of NaOL on albite surface was weak. In DDA solution, the surface potential of spodumene and feldspar were significantly positive shifted, indicating that DDA had relatively strong adsorption on the surface of these two minerals. However, in strong alkaline solution, the positive shift degree of electrodynamic potential on spodumene and feldspar surface was obviously reduced. In the combined collector solution, the negative shift degree of the dynamic potential on the surface of spodumene was obviously stronger than that on the surface of feldspar, indicating that the adsorption capacity of the combined collector on the surface of spodumene and feldspar was quite different, enabling the successful separation of spodumene and feldspar.

3.4. Analysis of Surface Tension Determination of Combined Collecting Agents and Calculation of Synergistic Parameters

In order to investigate the relationship between the surface tension and the concentration of anionic and cationic combination collectors, as well as anionic and cationic collectors, the surface tension of DDA, NaOL and the combined collector formed by combining NaOL and DDA at a molar ratio of 6:1 were measured respectively, and the results were shown in Figure 6.
Figure 6. Relation curve between surface tension of collector and logarithm of concentration.
The results of Figure 6 showed that the trace addition of NaOL in water significantly reduces the surface tension of water, and with the increase of the concentration of NaOL, the surface tension of the solution gradually decreases. When the concentration of NaOL was 1.58 × 10−3 mol/L, the surface tension of the solution reached a minimum of 32.7 mN/m, and then the increase of the concentration of NaOL cannot significantly reduced the surface tension of water. Therefore, the CMC value of NaOL could be determined to be about 1.58 × 10−3 mol/L. It could be seen that CMC value of DDA was about 3.98 × 10−3 mol/L, and the surface tension was 30.6 mN/m. The surface tension test results of the aqueous solution of the combined collector showed that the CMC value was about 1.0 × 10−3 mol/L, at which time the surface tension of the aqueous solution was 26.9 mN/m. Under the condition of the same agent concentration, the surface tension of the combined anionic and cationic collector was lower than that of the separate anionic and cationic collectors. At the same time, the surface tension of the anionic and cationic combination collector tended to a stable value when the concentration was 1.0 × 10−3 mol/L, but it was lower than that of the single ion collector, and the surface tension of the single ion collector still had a downward trend. The lower the surface tension of the combined collectors, the stronger the synergistic effect between the collectors. In order to quantitatively describe the magnitude of the anion-cation synergy in the combined collectors, the interaction parameter β m between the combined collectors was calculated [10].
The interaction parameters between the combined anionic and cationic collectors could be derived from the Rubingh and Rosen [11,12] theoretical model with the equations shown in Equations (1)–(3).
( X c a m ) 2 ln ( X c a C M C m i x m X c a m C M C c a m ) ( 1 X c a m ) 2 ln ( ( 1 X c a ) C M C m i x m ( 1 X c a m ) C M C a n m ) = 1
β m = ln X c a C M C m i x m X c a m C M C c a m ( 1 X c a m )
ln f c a m = β m 1 X c a m 2
In the formula, X c a m and X c a were the molar fractions of the combined collector micelles and the cationic collector in the combined collector; C M C c a m , C M C a n m and C M C m i x m were the critical micelle concentrations of the cationic collector, the anionic collector and the combined collector solution; β m was the interaction parameter between the collector molecules in the combined collector micelles; β m < 0 and f c a m < 1 meant that the two components had mutual attraction; β m > 0 and f c a m > 1 indicating that there was mutual repulsion between the two components [13,14,15].
Bringing the critical micelle concentration (CMC) of Figure 6 into Equations (1)–(3), it could find β m = 0.03 ; f c a m = 0.97 . According to the calculation results of relevant parameters, the β m value in the combined collector system was negative and the f c a m value was less than 1, indicating that there was mutual attraction between the cationic collector DDA and the anionic collector NaOL, and the strength of attraction was greater than their individual action before mixing.

3.5. Infrared Spectrum Analysis of the Product of Combined Collector on Spodumene and Feldspar Surfaces

In order to further explore the interaction mechanism of mixed collectors with spodumene and feldspar, the minerals treated with different types of collectors were analyzed by infrared spectroscopy [16,17]. According to the standard infrared spectrum of NaOL, the two absorption peaks of 2923 cm−1 and 2848 cm−1 were the symmetric vibration absorption peaks of C-H bond in -CH2- and -CH3 in NaOL. The two absorption peaks of 1562 cm−1 and 1448 cm−1 were the characteristic absorption peaks of carboxylate, which were the asymmetric and symmetric stretching vibration absorption peaks of -COO- group in the carboxy group, respectively [18,19]. In the standard infrared spectrum of DDA, the absorption peaks at 1543 cm−1 and 1109 cm−1 were the bending vibration absorption peak of -NH2 and the stretching vibration absorption peak of C-N [20,21]. The absorption peaks at 3236 cm−1 and 3294 cm−1 were symmetric and asymmetric stretching vibration absorption peaks of -NH2. Figure 7 and Figure 8 were infrared spectra of spodumene and feldspar before and after acting with the combined collector, respectively.
Figure 7. Infrared spectra before and after the action of the collector with spodumene.
Figure 8. Infrared spectra before and after the action of collector with feldspar.
As could be seen from the spectra of spodumene after interaction with NaOL in Figure 7, new absorption peaks appear at 2922 cm−1, 2854 cm−1, 1585 cm−1 and 1465 cm−1, respectively. These peaks corresponded to the symmetric stretching vibration absorption peaks of -CH2- and -CH3, the asymmetric stretching vibration absorption peaks of -C=O- group and the symmetric stretching vibration absorption peaks, and the positions of the two characteristic absorption peaks of carboxyl group were shifted to a certain extent, indicating that NaOL had obvious chemical adsorption on the spodumene surface. In the spectra of spodumene after interaction with DDA, in the 2923 cm−1, 2848 cm−1, 1744 cm−1, and 1543 cm−1 new absorption peaks appeared, and the absorption peak at 1543 cm−1 corresponded to the bending vibrational absorption peak of -NH2, and there was no shift of the peak position, which indicated that the DDA was physically adsorbed on the surface of spodumene.
In the spectrum after the action of the spodumene and the combined anion and cation collector, the C-H bond symmetric stretching vibration absorption peak appeared at 2925 cm−1 and 2848 cm−1, and the stretching vibration absorption peak of the carboxylic COO- interaction with the mineral surface appeared at 1590 cm−1. Compared with the band of the characteristic absorption peak of the carboxyl group of NaOL, the obvious shift occurred, indicating that the chemical adsorption of the agent and the mineral surface occurred. The absorption peak at 1542 cm−1 was exactly the same as the bending vibration absorption peak position of -NH2 of DDA, indicating that the amine on the mineral surface still existed in the form of molecules.
In Figure 8, only part of the characteristic absorption peak of NaOL appeared in the spectrum of feldspar after interaction with NaOL, indicating that NaOL only weakly adsorbed on the surface of feldspar. The characteristic absorption peaks of 1744 cm−1 and 1545 cm−1 of DDA appear in the spectra after the interaction between feldspar and DDA, indicating that DDA also had a certain adsorption on the surface of feldspar. In the spectrum of feldspar combined with anion collector, the absorption peak was similar to that of spodumene combined with anion collector, but the absorption peak of spodumene combined with anion collector was more obvious than that of feldspar combined with anion collector. This indicated that the adsorption strength of the combined anion collector on spodumene was greater than feldspar, and the adsorption on spodumene and feldspar surface was selective.

3.6. Solution Chemistry

DDA and oleic acid were weak electrolyte surfactants, and their presence in the solution had a great relationship with the pH of the solution [22]. In the mixed collector solution, the anionic surfactant NaOL and the cationic surfactant DDA would have a neutralization reaction to form the NaOL-DDA complex, but there was no strong bond between the carboxyl functional group of NaOL and the amino functional group of DDA [23]. So the possible reason for the formation of the NaOL-DDA complex was due to the hydrogen bonding of the electronnegative atoms O and N in the carboxyl functional group of oleic acid and the amino functional group of DDA. Therefore, it could be considered that the existence state of each component in the combined collector NaOL/DDA in solution was similar to the existence state of NaOL and DDA alone in aqueous solution.
Both DDA and NaOL were weak electrolytes that undergo hydrolysis reactions when dissolved in water [24]. For their acid-base equilibria, dissociation equilibria, equilibrium reactions and equilibrium constants, please see the Supplementary Materials.
The relationship between the concentration of each component of DDA and NaOL and pH was calculated from the above and plotted as a logC-pH diagram as follows in Figure 9:
Figure 9. Logarithmic plot of concentration of each component of the combined collector solution.
It could be seen from Figure 9 that DDA and oleic acid existed in different states in solution under different pH conditions. For DDA solution, when pH < 10.5, the DDA mainly existed in the plasma form of RNH3+ and (RNH3+)22+, and when pH > 10.5, the DDA existed predominantly in the RNH2 molecular state. For oleic acid solution, when pH < 8.7, oleic acid existed in solution mainly in the form of oleic acid molecule RCOOH; When pH > 8.7, oleic acid mainly existed in the form of oleic acid ion RCOO and (RCOO)22− plasma. Therefore, under acidic conditions, with the increase of pH, the positive charge on the mineral surface decreased. At this time, the oleic acid in the combined collector was mainly adsorbed on the mineral surface in the form of chemical adsorption, and then DDA ions form coadsorption with oleic acid ions through charge neutralization, and then form a complex on the mineral surface. Under alkaline conditions, the negative charge on the mineral surface dominates, and the electrostatic adsorption of DDA became the main effect of the mixed collector and the mineral surface, and then the oleic acid ion formed a coadsorption through charge neutralization, and then formed a complex on the mineral surface.
According to the above mechanism analysis, in the pure mineral test, it was concluded that the optimal pH of the anionic and cationic collector composed of NaOL/DDA for flotation separation of spodumene and feldspar was about 8.5. At this time, according to the concentration log plot of the dissociation-association equilibrium of the combined collector, it could be seen that the DDA in the combined collector existed in the state of positive ions such as RNH3+ and (RNH3+)22+, while the oleic acid in the state of negative ions such as negatively charged RCOO and (RCOO)22−. Therefore, the anionic and cationic ions in the combined collector form a highly active complex through electrostatic attraction to interact with the mineral surface. The high activity complex had a selective adsorption effect on spodumene, while the adsorption on feldspar surface was relatively weak, so as to realize the effective separation of spodumene and feldspar.
Finally, it was mentioned that the selective adsorption of the combined anion and cation collector considerably increased the contact angle of spodumene particles, and thus, promoting bubble-particle interactions on the basis of the XDLVO theory, which considered the effects of the contact angle (i.e., hydrophobic force). It also provided new ideas and methods for subsequent experiments.

4. Closed Circuit Test

In practical ore flotation, the optimal reagent regime is ascertained through single-factor condition tests, followed by the implementation of closed-circuit tests. Given a grinding fineness of 77.2% at −0.074 mm, the determined optimal reagent dosages were as follows:
Rougher stage: Na2CO3 dosage of 1000 g/t was added to the mill. Additionally, NaOH, CaCl2, and the anion/cation combination collector ST-8 were introduced at dosages of 700 g/t, 80 g/t, and 2000 g/t, respectively.
Cleaner stages (Cleaner I, Cleaner II, and Cleaner III): Na2CO3 dosages were adjusted to 800 g/t, 400 g/t, and 200 g/t, respectively.
Scavenger stage: NaOH dosage was set at 100 g/t, while the dosages of the anion/cation combination collector ST-8 were maintained at 500 g/t and 200 g/t, respectively.
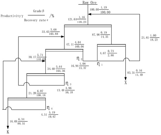
The closed-circuit test sequence encompassed a one-stage rougher flotation, followed by three-stage cleaner flotation, and one-stage scavenger flotation. The details of this procedural regimen, along with the corresponding outcomes, are graphically depicted in Figure 10 and Figure 11.
Figure 10. Closed-circuit test flow chart.
Figure 11. Closed-circuit quality flow chart.
The results from the closed-circuit tests, as illustrated in Figure 10 and Figure 11, revealed a significant achievement. With an initial Li2O grade of 1.19%, the subsequent closed-circuit procedure involving one-stage rougher flotation, three-stage cleaner flotation, and one-stage scavenger flotation yielded impressive results. The final flotation index demonstrated a Li2O grade of 6.34%, accompanied by a substantial Li2O recovery rate of 88.51%. This notable improvement was orchestrated through a systematic approach where the middling products generated in each stage were efficiently recirculated to the preceding stage in a structured sequence.

5. Conclusions

  • In the context of flotation separation between individual minerals, spodumene and feldspar, the optimal molar combination ratio between the anionic collector NaOL and the cationic collector DDA is found to be in the range of 6:1 to 10:1. Furthermore, the pH range that yields an optimal separation effect is approximately 8.5.
  • Upon the interaction of the combined collector with both spodumene and feldspar, a discernible pattern emerges. The degree of negative shift in the zeta potential of spodumene surfaces is notably more pronounced in comparison to that observed on the surfaces of feldspar. Coinciding with this, the intensity of absorption peaks after the interaction of the combined collector with spodumene is markedly higher than that observed with feldspar. These findings collectively indicate a substantial divergence in the adsorption capacity of the combined collector onto the surfaces of spodumene and feldspar. This divergence is further indicative of a heightened selectivity toward spodumene as opposed to feldspar. Consequently, this enhanced selectivity enables the effective separation of spodumene and feldspar.
  • The surface tension attributed to the combined collector registers lower values in comparison to when the anionic and cationic collectors are employed independently. This reduction underscores the potent ability of the combined collector to mitigate the surface tension at the gas-liquid interface, consequently augmenting the hydrophobicity of the mineral surfaces.
  • The absorption peak associated with the combined collector exhibits resemblances to those found in both spodumene and feldspar spectra. However, a pronounced divergence becomes evident in the intensity of the absorption peak after the interaction of the combined collector with spodumene compared to that with feldspar. This contrast in intensity signifies the heightened selectivity inherent to the anionic and cationic combined collector, specifically towards spodumene. Consequently, this stronger selectivity empowers the successful separation of spodumene and feldspar.
  • The outcomes of closed-circuit tests affirm the achievement of a final flotation index, resulting in a Li2O grade of 6.34% and an impressive Li2O recovery rate of 88.51%. This notable enhancement is realized through a closed-circuit process involving a sequence of one-stage rougher flotation, three-stage cleaner flotation, and one-stage scavenger flotation, culminating in a productive cycle of mineral processing.

Supplementary Materials

The following are available online at https://www.mdpi.com/article/10.3390/min13091177/s1, Equations (S1)–(S14): Acid-base equilibrium, dissociation equilibrium, association equilibrium reaction and equilibrium constant of DDA; Equations (S15)–(S26): Acid-base equilibrium, dissociation equilibrium, association equilibrium reaction and equilibrium constant of NaOL.

Author Contributions

Y.L. conceived and designed the experiments; J.L. and J.Z. performed the experiments; L.P. analyzed the data; J.L. and M.C. contributed reagents/materials/analysis tools; J.Z. wrote the paper; H.L. Writing—Reviewing and editing manuscripts; F.L. Validation. All authors have read and agreed to the published version of the manuscript.

Funding

This research received financial support from the Hubei Province Unveiling System Project (2021BEC029); Hubei Province Technological Innovation Major Project (2018ACA153); Wuhan Engineering University Graduate Education Innovation Fund Project (CX2022578).

Data Availability Statement

The data that support the findings of this study are available from the author, Jun Zhao, upon reasonable request.

Acknowledgments

The authors acknowledge financial support from the Hubei Province Unveiling System Project (2021BEC029); Hubei Province Technological Innovation Major Project (2018ACA153); Wuhan Engineering University Graduate Education Innovation Fund Project (CX2022578).

Conflicts of Interest

The authors declare no conflict of interest.

References

  1. Dazhe, L. The use of lithium and its resource development. Chin. J. Saf. Sci. 2004, 76–80+98. [Google Scholar] [CrossRef]
  2. Ting, C.; Zihua, K. Progress of lithium resources and development technology in China. Guangdong Trace Elem. Sci. 2007, 6–9. [Google Scholar] [CrossRef]
  3. Wenlong, Z.; Wanfu, H. Overview of domestic and foreign lithium mineral resources and their beneficiation process. Mod. Min. 2010, 26, 1–4. [Google Scholar]
  4. Jing, X.; Shanying, H. Analysis of the current situation and prospect of lithium industry in China. Chem. Prog. 2011, 30, 782–787+801. [Google Scholar] [CrossRef]
  5. Zhiyong, G. Fundamental Study on the Relationship between Crystal Anisotropy and Flotation Behavior of Three Calcium-Bearing Minerals. Ph.D. Thesis, Central South University, Changsha, China, 2013. [Google Scholar]
  6. Wu, H.; Tian, J.; Xu, L.; Fang, S.; Zhang, Z.; Chi, R. Flotation and adsorption of a new mixed ani onic/cationic collector in the spodumene-feldspar system. Miner. Eng. 2018, 127, 42–47. [Google Scholar] [CrossRef]
  7. Fushun, W.Y. Theory and Practice of Lithium Pyroxene ore Flotation; Central South University Press: Changsha, China, 2015; p. 141. [Google Scholar]
  8. Chipfunhu, D.; Zanin, M.; Grano, S. The dependency of the critical contact angle for flotation on particle size- Modelling the limits of fine particle flotation. Miner. Eng. 2011, 24, 50–57. [Google Scholar] [CrossRef]
  9. Moon, K.S.; Fuerstenau, D.W. Surface crystal chemistry in selective flotation of spodumene (LiAl[SiO3]2) from other aluminosilicates. Int. J. Miner. Process. 2003, 72, 11–24. [Google Scholar] [CrossRef]
  10. Yang, B.; Wanshun, C.; Weixiang, W.; Hongyun, A.; Fushun, Y.; Pingke, Y. Synergistic mechanism of combined anionic and cationic collecting agents at the gas-liquid interface of lithium mica flotation. Miner. Conserv. Util. 2023, 43, 44–49. [Google Scholar]
  11. Yaoyang, R.; Chuanli, W.; Huihua, L.; Wei, X.; Anyu, T.; Ru’an, C.; Bonar, D. Flotation separation of quartz and dolomite from phosphate ore with cotton oil acid soap complex collector. Chem. Miner. Process. 2022, 51, 9–14. [Google Scholar] [CrossRef]
  12. Zhengwu, W.; Ganzuo, L.; Juncheng, L.; Daren, G.; Anjing, L. Further study on the theory of compounding and synergism of non-ideal binary surfactants. J. Chem. Phys. 2001, 426–432. [Google Scholar]
  13. Liu, L.; Yuhua, W.; Guangli, Z.; Fushun, Y.; School, G.D.; Dongfang, L.; Xiayu, Z. Application and mechanism of mixed collector flotation of lithium pyroxene. Chin. J. Nonferrous Met. 2020, 30, 675–683. [Google Scholar]
  14. Liu, R.; Wei, S.; Mu, F.; Zhi, M.; Jiao, J. Mechanism of combined collector flotation of lithium pyroxene. Chin. J. Nonferrous Met. 2018, 28, 612–617. [Google Scholar] [CrossRef]
  15. Liu, R.; Wei, S.; Mu, F.; Zhi, M.; Jiao, J. Study on the mechanism of action of a new collecting agent for flotation of lithium pyroxene. Non-Ferr. Met. (Miner. Process. Part) 2018, 87–90+98. [Google Scholar]
  16. Kaiqian, S. Enhanced Flotation Separation and Mechanism of Action of Combined Anionic and Cationic Collecting Agents on Lithium Pyroxene Ore. Master’s Thesis, Southwest University of Science and Technology, Mianyang, China, 2021. [Google Scholar]
  17. Mu, F.; Wei, S.; Liu, R.; Zhi, M. Study on the synergistic effect of combined collecting agents in lithium pyroxene flotation. Non-Ferr. Met. (Miner. Process. Part) 2015, 96–100. [Google Scholar]
  18. Vidyadhar, A.; Rao, K.H.; Chernyshova, I.V. Mechanisms of amine–feldspar interaction in the absence and presence of alcohols studied by spectroscopic methods. Colloids Surf. A Physicochem. Eng. Asp. 2003, 214, 127–142. [Google Scholar] [CrossRef]
  19. Vidyadhar, A.; Rao, K.H.; Chernyshova, I.V.; Pradip; Forssberg, K.S.E. Mechanisms of Amine–Quartz Interaction in the Absence and Presence of Alcohols Studied by Spectroscopic Methods. J. Colloid Interface Sci. 2002, 256, 59–72. [Google Scholar] [CrossRef]
  20. Fengchun, L.; Jiadi, L. Separation of quartz-feldspar by flotation with mixed anionic and cationic trapping agents. China Min. 2000, 62–63. [Google Scholar]
  21. Kou, J.; Tao, D.; Xu, G. A study of adsorption of dodecylamine on quartz surface using quartz crystal microbalance with dissipation. Colloids Surf. A Physicochem. Eng. Asp. 2010, 368, 75–83. [Google Scholar] [CrossRef]
  22. Haiqiang, F.; Yuhua, W. A review of lithium pyroxene flotation collecting agents and their conformational relationships. Rare Met. 2022, 46, 1083–1096. [Google Scholar] [CrossRef]
  23. Jia, T.; Longhua, X.; Wei, D.; Fa-Cheng, Y.; Houqin, W.; Jing, L.; Zhen, W. Mixed-collector flotation separation of lithium pyroxene from feldspar and its mechanism. J. Cent. South Univ. (Nat. Sci. Ed.) 2018, 49, 511–517. [Google Scholar]
  24. Wang Dianzuo, H.Y. Flotation Solution Chemistry; Hunan Science and Technology Press: Changsha, China, 1988; p. 343. [Google Scholar]
Disclaimer/Publisher’s Note: The statements, opinions and data contained in all publications are solely those of the individual author(s) and contributor(s) and not of MDPI and/or the editor(s). MDPI and/or the editor(s) disclaim responsibility for any injury to people or property resulting from any ideas, methods, instructions or products referred to in the content.

Article Metrics

Citations

Article Access Statistics

Multiple requests from the same IP address are counted as one view.