Operating Energy Needed for Desalination Systems in Cogeneration Plants
Abstract
1. Introduction
- Applying the HAM method for estimating the levelized cost of water narrowed the gap between the cost of water produced by the MED and the seawater reverse osmosis (SWRO) systems.
- The levelized cost of water for the simple MED was lower than that for multi-effect distillation with thermal vapor compression (MED-TVC).
- The profit margin for cogeneration combined power plants powered by natural gas was higher than that for nuclear power plants.
- -
- Analyze the performance of a stand-alone power plant to determine its full power output and overall efficiency for a given amount of heat added;
- -
- Analyze the performance of a power plant connected to a desalination system to determine the loss of its power generation for the same amount of heat added to determine the loss in power.
- -
- Analyze the performance of a power plant connected to a desalination system to determine the additional heat required to maintain the full power output.
- -
- Use the above results to determine the energy requirement to run desalination systems based on the PAM and HAM methods.
2. Stand-Alone Power Plant Simulation
- The heat added to operate the different examined power plants was maintained at QH = 3000 MW.
- The rise in the temperature of the condenser cooling water was assumed to be 5 °C, and the terminal temperature difference at the condenser exit was assumed to be 5 °C.
- The efficiencies of the components of ScPP are listed in Table 2.
3. Cogeneration Plant Simulation
3.1. Desalination Energy Requirement According to PAM
3.2. Desalination Energy Requirement According to HAM
3.3. Results for Energy Requirements of Desalination Systems
4. Universal Performance Ratio
5. Conclusions
- The specific heat and work needed to operate the examined desalination systems are independent of daily system desalination capacity.
- The MED-PH system needs the lowest amount of energy to operate.
- The MSF system needs the highest amount of energy to operate.
- The MED-TVC system needs more energy than the simple MED system.
- Extracting steam with high pressure, as in MSF and MED-TVC, reduces the output power of the low-pressure turbines, leading to a significant increase in the energy required to run the desalination systems.
- The GORth of the desalination system, in cogeneration plants, does not independently indicate the effectiveness of the desalination plant. The overall efficiency of the power plant is a main parameter in determining the effectiveness of the desalination plant.
Funding
Data Availability Statement
Acknowledgments
Conflicts of Interest
Abbreviations
| Acronyms | |
| CFWH | Closed-feed water heater |
| CPP | Combined power plant |
| EES | Engineering equation solver |
| FWH | Feed-water heater |
| HAM | Heat-allocated method |
| HPT | High-pressure turbine |
| LPT | Low-pressure turbine |
| MED | Multi-effect desalination |
| MED-PH | Multi-effect desalination with preheaters |
| MED-TVC | Multi-effect desalination with thermal vapor compression |
| MPT | Medium pressure turbine |
| MSF | Once through multi-stage flash |
| NPP | Nuclear power plant |
| OFWH | Open feed-water heater |
| PAM | Power-allocated method |
| PH | Preheater |
| SG | Steam generator |
| SPP | Steam power plant |
| ScPP | Supercritical power plant |
| SWRO | Seawater reverse osmosis |
| RH | Reheater |
| RO | Reverse osmosis |
| RO-MED | Hybrid reverse osmosis multi-effect desalination |
| TTD | Terminal temperature difference at exit of the last stage of MSF |
| Nomenclature | |
| GORth | Gain output ratio, energy-based |
| HR | Heat rate, kJ/kWh |
| h | Enthalpy, kJ/kg |
| hfgN | Latent heat of vaporization at the last stage or effect |
| mD | Desalination capacity, m3/day |
| md | Desalination capacity, kg/s |
| mhs | Steam extracted to heat desalination plant, kg/s |
| N | Number of stages or effects |
| NTVC | The number of effects connected to TVC |
| P | Pressure, bar |
| QH | Heat added, MW |
| QHAM | Specific heat estimated based on HAM, kWh/m3 |
| QPAM | Specific heat estimated based on PAM, kWh/m3 |
| UPR | Universal performance ratio |
| T | Temperature, °C |
| W | Power, MW |
| WHAM | Specific work estimated based on HAM, kWh/m3 |
| WPAM | Specific work estimated based on PAM, kWh/m3 |
| Greek symbols | |
| ∆hhs | Enthalpy drop, kJ/kg |
| ∆Q | Increase in heat added, MW |
| ∆W | Loss in power, MW |
| η | Efficiency |
| Subscript | |
| c | Compressor |
| D | Desalination |
| full | Full Load |
| m | Mechanical |
| ov | Overall |
| pump | Pumps Of Desalination Systems |
| t | Turbine |
| sat | Saturation |
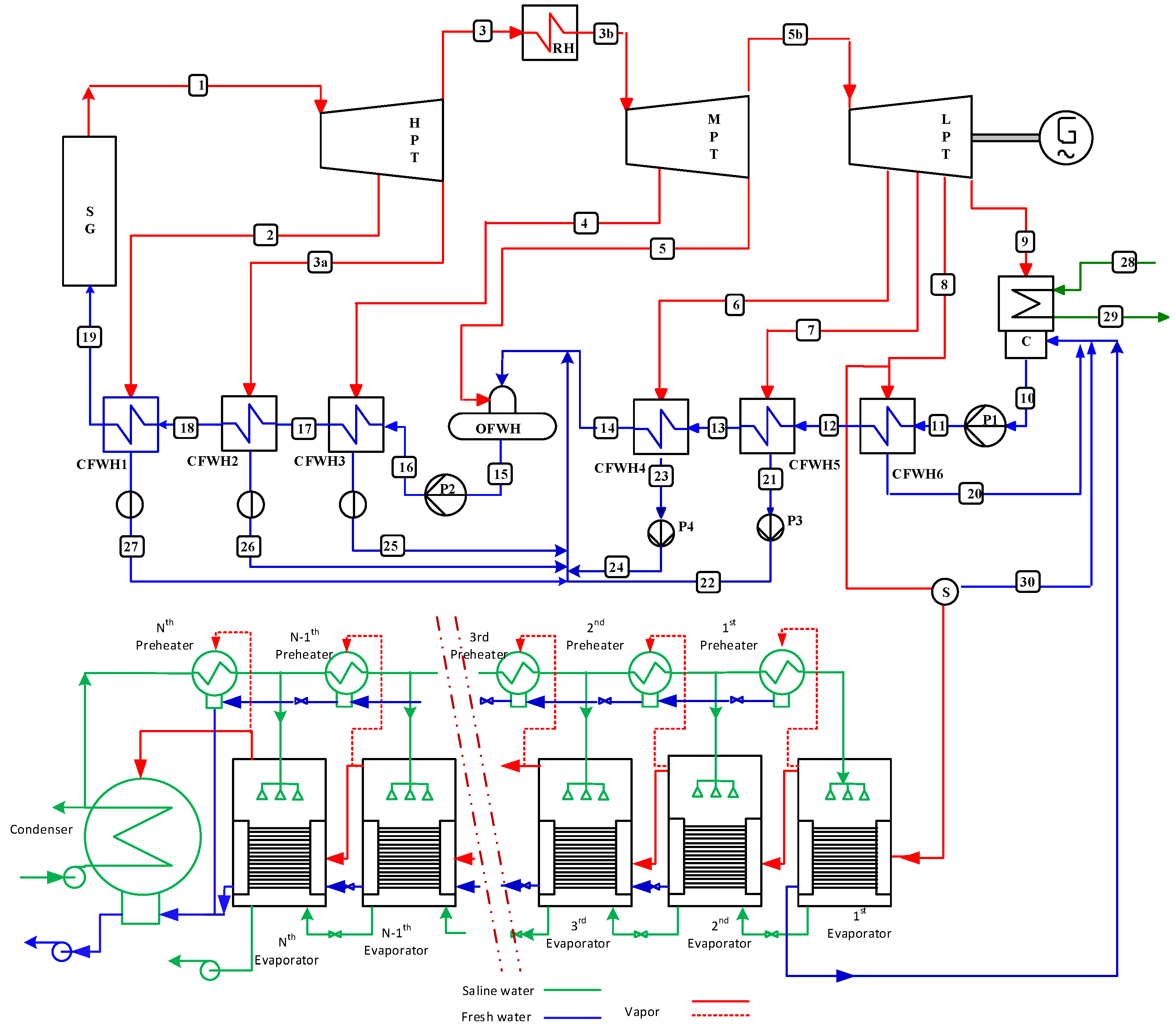
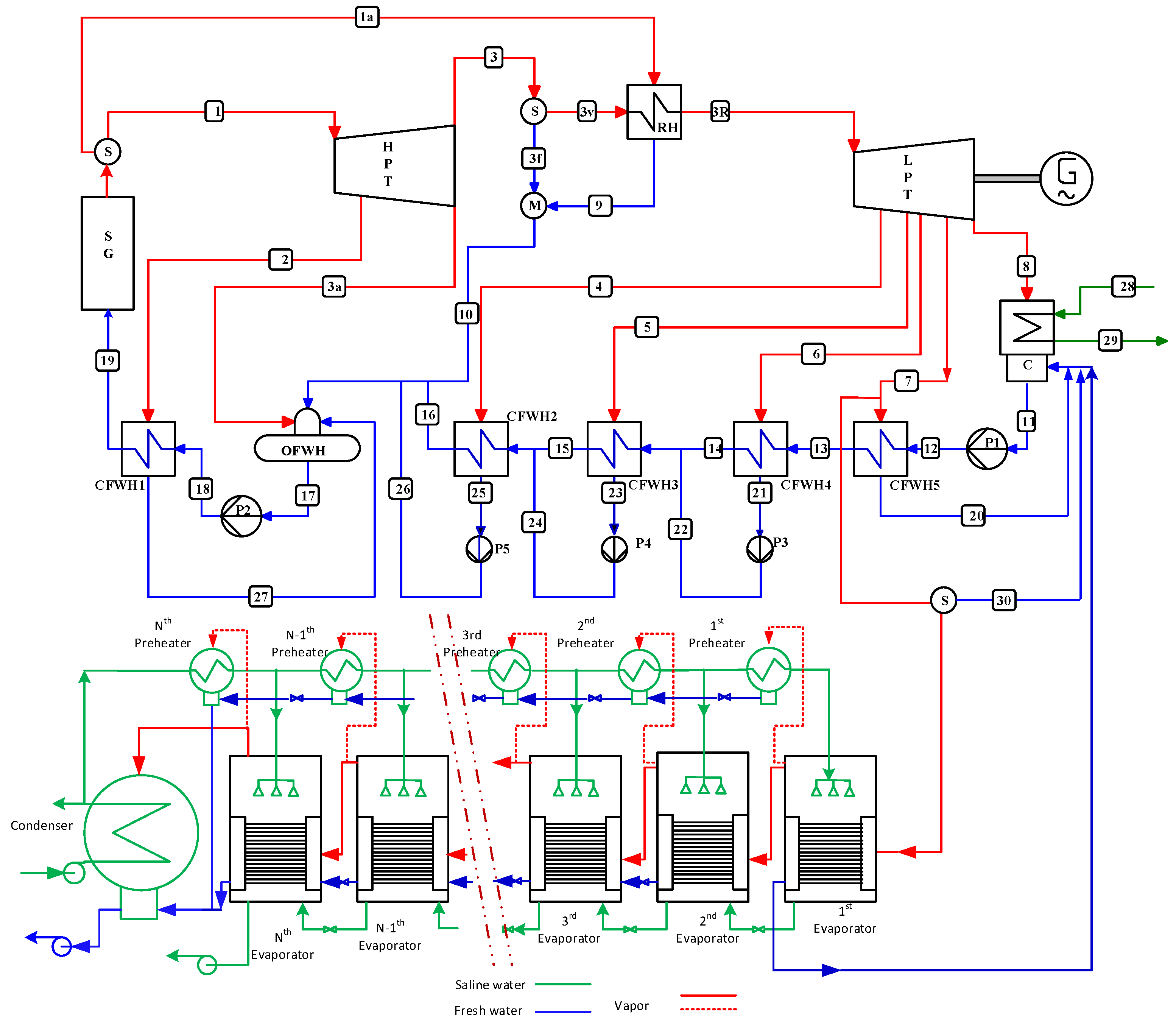
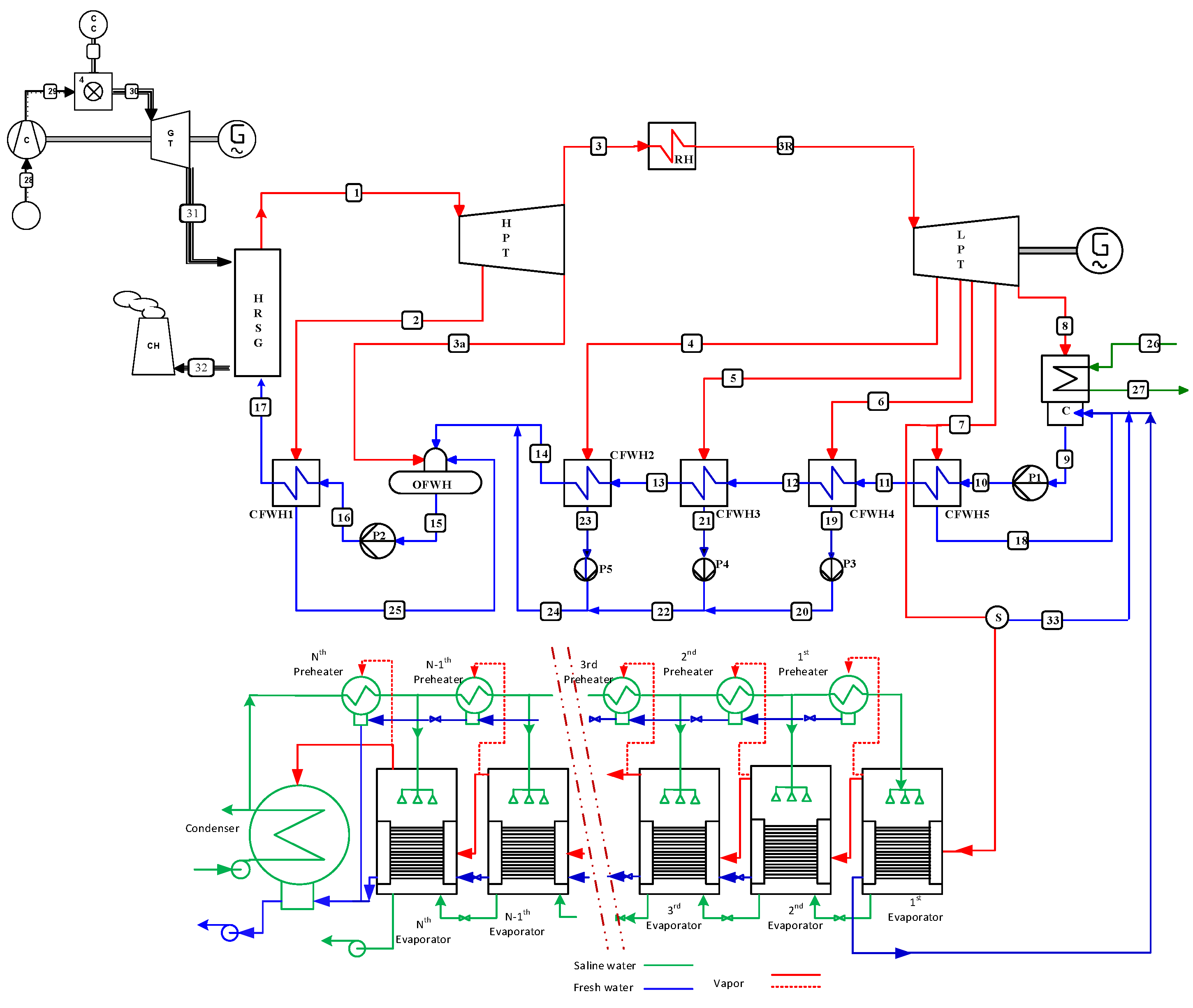
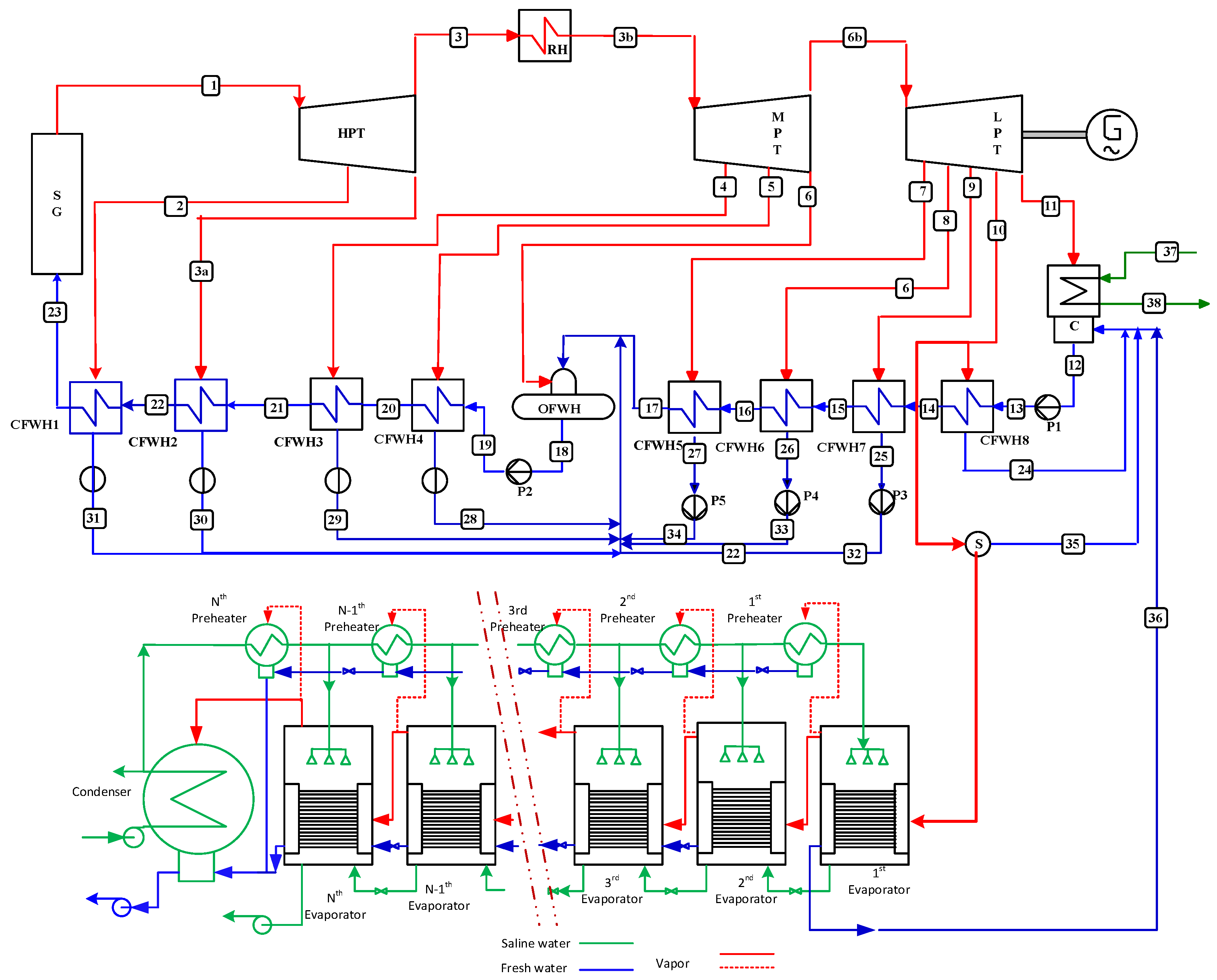
Appendix A. Power Plants and Desalination Systems



Appendix B. Pumping Work
References
- Gao, L.; Yoshikawa, S.; Kanae, S. An Economic Assessment of the Global Potential for Seawater Desalination to 2050. Water 2017, 9, 763. [Google Scholar] [CrossRef]
- Haynes, M.; Gunawan, A.; Yee, S. Techno-Economic Comparison between Conventional and Innovative Combined Solar Thermal Power and Desalination Methods for Cogeneration. In Proceedings of the ASME 2018 Power Conference, Lake Buena Vista, FL, USA, 24–28 June 2018. [Google Scholar] [CrossRef]
- Ghaffour, N.; Missimer, T.M.; Amy, G.L. Technical review and evaluation of the economics of water desalination: Current and future challenges for better water supply sustainability. Desalination 2013, 309, 197–207. [Google Scholar] [CrossRef]
- Jamil, M.A.; Shahzad, M.W.; Zubair, S.M. A comprehensive framework for thermoeconomic analysis of desalination systems. Energy Convers Manag. 2020, 222, 113188. [Google Scholar] [CrossRef] [PubMed]
- Khan, S.; Khan, S. Karachi nuclear power plant (KANUPP): As case study for techno-economic assessment of nuclear power coupled with water desalination. Energy 2017, 127, 372–380. [Google Scholar] [CrossRef]
- Haya, N.; Shaheen, F.; Raed, H.; Nidal, H. Energy for desalination: A state-of-the-art review. Desalination 2020, 491, 114569. [Google Scholar] [CrossRef]
- Sadeghi, K.; Ghazaie, S.; Sokolova, E.; Fedorovich, E.; Shirani, A. Comprehensive techno-economic analysis of integrated nuclear power plant equipped with various hybrid desalination systems. Desalination 2020, 493, 114623. [Google Scholar] [CrossRef]
- Sadeghi, K.; Ghazaie, S.; Fedorovich, E.; Sokolova, E.; Shirani, A. Economic assessment of the possible desalination processes for the first unit of Bushehr nuclear power plant. Therm. Eng. 2020, 67, 271–281. [Google Scholar] [CrossRef]
- Kavvadias, K.; Khamis, I. The IAEA DEEP desalination economic model: A critical review. Desalination 2010, 257, 150–157. [Google Scholar] [CrossRef]
- Altmann, T.; Robert, J.; Bouma, A.; Swaminathan, J.; Lienhard, J. Primary energy and exergy of desalination technologies in a power-water cogeneration scheme. Appl. Energy 2019, 252, 113319. [Google Scholar] [CrossRef]
- Ihm, S.; Al-Najdi, O.; Hamed, O.; Jun, G.; Chung, H. Energy cost comparison between MSF, MED and SWRO: Case studies for dual purpose plants. Desalination 2016, 397, 116–125. [Google Scholar] [CrossRef]
- El-Nashar, A. Cost allocation of electricity and water in a cogeneration plant. Desalination 1992, 85, 197–212. [Google Scholar] [CrossRef]
- El-Nashar, A.A. Cost allocation for electricity and water for the umm al nar west cogeneration plant using the exergy accounting method. Desalination 1989, 71, 57–71. [Google Scholar] [CrossRef]
- Hamed, O. Thermoeconomic analysis of combined power cycle integrated with MSF/SWRO desalination plant. Desalin. Water Treat. 2016, 57, 26552–26561. [Google Scholar] [CrossRef]
- Wade, N. Energy and cost allocation in dual-purpose power and desalination plants. Desalination 1999, 123, 115–125. [Google Scholar] [CrossRef]
- El-Nashar, A. Cost allocation in a cogeneration plant for the production of power and desalted water comparison of the exergy cost accounting method with the WEA method. Desalination 1999, 122, 15–34. [Google Scholar] [CrossRef]
- Hamed, O.; Al-Washmi, H.; Al-Otaibi, H. Thermoeconomic analysis of a power/water cogeneration plant. Energy 2006, 31, 2699–2709. [Google Scholar] [CrossRef]
- Mabrouk, A.; Nafey, A.; Fath, H. Steam, electricity and water costs evaluation of power-desalination co-generation plants. Desalin. Water Treat. 2010, 22, 56–64. [Google Scholar] [CrossRef]
- Rognoni, M. Energy cost for desalination evaporation versus reverse osmosis. Int. J. Nucl. Desalin. 2011, 4, 277–284. [Google Scholar] [CrossRef]
- Dardour, S.; Safa, H. Energetic and economic cost of nuclear heat impact on the cost of desalination. EPJ Nuclear Sci. Technol. 2017, 3, 1. [Google Scholar] [CrossRef]
- Shahzad, M.; Burhan, M.; Ng, K. A standard primary energy approach for comparing desalination processes. NPJ Clean Water. 2019, 2, 1. [Google Scholar] [CrossRef]
- Shahzad, M.; Burhan, M.; Son, H.; Oh, S.; Ng, K. Desalination processes evaluation at common platform: A universal performance ratio (UPR) method. Appl. Therm. Eng. 2018, 134, 62–67. [Google Scholar] [CrossRef]
- Darwish, M.; Bin Amer, A. Cost allocation in cogeneration power–desalination plant utilising gas/steam combined cycle (GTCC) in Kuwait’. Int. J. Exergy 2014, 14, 275–302. [Google Scholar] [CrossRef]
- Darwish, M.; Al Asfour, F.; Al-Najem, N. Energy consumption in equivalent work by different desalting methods: Case study for Kuwait. Desalination 2003, 152, 83–92. [Google Scholar] [CrossRef]
- Darwish, M.; Al Awadhi, F.; Raheem, M.A. The MSF: Enough is enough. Desalin. Water Treat. 2010, 22, 193–203. [Google Scholar] [CrossRef]
- Ng, K.; Shahzad, M.; Son, H.; Hamed, O. An exergy approach to efficiency evaluation of desalination. Appl. Phys. Lett. 2017, 110, 184101. [Google Scholar] [CrossRef]
- Zeitoun, O.; Orfi, J.; Khan, S.; AlAnsary, H. Desalinated water costs from steam, combined, and nuclear cogeneration plants using power and heat allocation methods. Energies 2023, 16, 2752. [Google Scholar] [CrossRef]
- El-Wakil, M. Powerplant Technology; McGraw-Hill Education: New York, NY, USA, 1985. [Google Scholar]
- EES. Commercial V11.725. Available online: https://www.fchartsoftware.com/ees/ (accessed on 22 February 2024).
- Zeitoun, O.; Orfi, J.; Khan, S.; AlAnsary, H. Analysis of MED Systems; Internal Report; KCARE: Riyadh, Saudi Arabia, 2022. [Google Scholar]
- Zeitoun, O.; Orfi, J.; Khan, S.; AlAnsary, H. Multi Stage Flash Desalination; Internal Report; KCARE: Riyadh, Saudi Arabia, 2022. [Google Scholar]
- Al-Karaghouli, A.; Kazmerski, L. Energy consumption and water production cost of conventional and renewable-energy-powered desalination processes. Renew. Sustain. Energy Rev. 2013, 24, 343–356. [Google Scholar] [CrossRef]
- Available online: https://www.desaldata.com (accessed on 22 February 2024).










| Power Plant | Desalination Systems | |||
|---|---|---|---|---|
| Plain MED | MED with Preheaters | MED-TVC | OT MSF | |
| Steam power plant | SPP-MED | SPP-MED-PH | SPP-MED-TVC | SPP-MSF |
| Nuclear power plant | NPP-MED | NPP-MED-PH | NPP-MED-TVC | NPP-MSF |
| Combined power plant | CPP-MED | CPP-MED-PH | CPP-MED-TVC | CPP-MSF |
| Supercritical power plant | ScPP-MED | ScPP-MED-PH | ScPP-MED-TVC | ScPP-MSF |
| ScPP Input Data | Components’ Efficiencies | ||||
|---|---|---|---|---|---|
| Pres. (bar) | Temp. (°C) | ηt | 90% | ||
| Boiler outlet | 330 | 610 | ηb | 95% | |
| Condenser | 0.086 | 43 | ηp | 90% | |
| Seawater | 33 | ηm | 95% | ||
| Reheater outlet | 45 | 630 | |||
| CFWH1 | 68.38 | 284.3 | ScPP Output Data | ||
| CFWH2 | 45 | 257.5 | ηov | 44.19% | |
| CFWH3 | 28.29 | 230.7 | HRov | 8146 | kJ/kWh |
| CFWH4 | 16.83 | 203.9 | Wfull | 1325.78 | MW |
| OFWH | 9.356 | 177 | |||
| FWH5 | 4.787 | 150.2 | |||
| CFWH6 | 2.21 | 123.4 | |||
| CFWH7 | 0.8969 | 96.6 | |||
| CFWH8 | 0.3092 | 69.8 | |||
| Cogeneration Plant | N | Heating Steam | Primary Steam for TVC | Simulation Obtained Data | ||||||||||
|---|---|---|---|---|---|---|---|---|---|---|---|---|---|---|
| P, Bar | Tsat, °C | P, Bar | Tsat, °C | TBT, °C | GORth | QHAM kWh/m3 | WPAM kWh/m3 | UPR | ηD | ηov | UPRPr | |||
| SPP-MED | 8 | 0.41 | 76.5 | 70.3 | 5.98 | 24.49 | 9.64 | 27.21 | 0.085 | 0.394 | 27.69 | 1.8 | ||
| NPP-MED | 0.416 | 76.9 | 70.6 | 5.97 | 27.83 | 9.90 | 23.95 | 0.087 | 0.356 | 24.32 | 1.5 | |||
| CPP-MED | 0.236 | 63.7 | 59.1 | 6.27 | 13.69 | 7.04 | 48.66 | 0.064 | 0.514 | 50.69 | 4.2 | |||
| ScPP-MED | 0.31 | 69.8 | 66.5 | 6.19 | 17.25 | 7.62 | 38.63 | 0.068 | 0.442 | 39.99 | 3.5 | |||
| SPP-MED-PH | 8 | 0.41 | 76.5 | 70.3 | 7.55 | 19.61 | 7.75 | 33.97 | 0.085 | 0.394 | 34.97 | 2.9 | ||
| NPP-MED-PH | 0.416 | 76.9 | 70.6 | 7.55 | 22.15 | 7.88 | 30.08 | 0.087 | 0.356 | 30.77 | 2.3 | |||
| CPP-MED-PH | 0.236 | 63.7 | 59.1 | 7.58 | 11.49 | 5.91 | 57.99 | 0.064 | 0.514 | 61.27 | 5.7 | |||
| ScPP-MED-PH | 0.31 | 69.8 | 66.5 | 7.57 | 14.2 | 6.28 | 46.92 | 0.068 | 0.442 | 48.95 | 4.3 | |||
| SPP-MED-TVC | 10 NTVC = 7 | 0.312 | 70 | 3.99 | 143.5 | 67.3 | 12.7 | 28.49 | 11.25 | 23.39 | 0.237 | 0.394 | 23.93 | 2.3 |
| NPP-MED-TVC | 0.312 | 70 | 4.1 | 144.6 | 67.3 | 13.13 | 31.49 | 11.21 | 21.16 | 0.241 | 0.356 | 22.41 | 5.9 | |
| CPP-MED-TVC | 0.312 | 70 | 6.8 | 164 | 67.3 | 12.9 | 30.38 | 15.62 | 21.93 | 0.301 | 0.514 | 25.62 | 16.8 | |
| ScPP-MED-TVC | 0.312 | 70 | 4.79 | 150.2 | 67.3 | 12.68 | 27.12 | 11.98 | 24.57 | 0.253 | 0.442 | 25.17 | 2.4 | |
| SPP-MSF | 40 | 3.99 | 143.5 | 120 | 10.52 | 34.18 | 13.46 | 19.55 | 0.237 | 0.394 | 17.51 | −10.4 | ||
| NPP-MSF | 4.1 | 144.6 | 120 | 10.52 | 38.13 | 13.57 | 17.53 | 0.241 | 0.356 | 15.56 | −11.2 | |||
| CPP-MSF | 6.8 | 164 | 120 | 10.52 | 38.6 | 19.85 | 17.31 | 0.301 | 0.514 | 17.97 | 3.8 | |||
| ScPP-MSF | 4.79 | 150.2 | 120 | 10.52 | 32.62 | 14.41 | 20.49 | 0.253 | 0.442 | 18.34 | −10.5 | |||
Disclaimer/Publisher’s Note: The statements, opinions and data contained in all publications are solely those of the individual author(s) and contributor(s) and not of MDPI and/or the editor(s). MDPI and/or the editor(s) disclaim responsibility for any injury to people or property resulting from any ideas, methods, instructions or products referred to in the content. |
© 2024 by the author. Licensee MDPI, Basel, Switzerland. This article is an open access article distributed under the terms and conditions of the Creative Commons Attribution (CC BY) license (https://creativecommons.org/licenses/by/4.0/).
Share and Cite
Zeitoun, O. Operating Energy Needed for Desalination Systems in Cogeneration Plants. Water 2024, 16, 1629. https://doi.org/10.3390/w16111629
Zeitoun O. Operating Energy Needed for Desalination Systems in Cogeneration Plants. Water. 2024; 16(11):1629. https://doi.org/10.3390/w16111629
Chicago/Turabian StyleZeitoun, Obida. 2024. "Operating Energy Needed for Desalination Systems in Cogeneration Plants" Water 16, no. 11: 1629. https://doi.org/10.3390/w16111629
APA StyleZeitoun, O. (2024). Operating Energy Needed for Desalination Systems in Cogeneration Plants. Water, 16(11), 1629. https://doi.org/10.3390/w16111629

