Abstract
Extensive research has been conducted on protecting alternating current (AC) power systems, resulting in many sophisticated protection methods and schemes. On the other hand, the natural characteristics of direct current (DC) systems pose many challenges in designing a proper protection scheme for DC microgrids (DC-MG). This paper highlights the significant challenges facing the design of effective protection methods for DC microgrids. Furthermore, several technologies and techniques presented in the literature to overcome the challenges associated with DC microgrid protection are presented in this paper. These methods are comprehensively and comparatively analyzed. In addition, some potential issues of DC microgrid protection that need further investigation in future research are highlighted.
1. Introduction
In recent years, a significant amount of technological progress in microgrids has been driven by the desire for more sustainable, efficient, and resilient energy systems []. Integrating renewable energy sources like solar and wind, supported by improved energy storage technologies such as lithium–ion batteries, is one significant advancement [,,,,]. In addition, microgrid administration and operation have been completely transformed by integrating smart grid technology. Accurate monitoring and management of the microgrid’s energy flows are made possible by sophisticated sensors, real-time data analytics, and intelligent control systems [,]. These technologies enhance efficiency and dependability by enabling automatic defect detection, load balancing, and demand response. Energy production, storage, and consumption are all optimized by the advanced energy management systems (EMSs) used in modern microgrids [,]. The increased reliance on digital technologies increased the importance of cybersecurity. Improved defenses against cyberattacks, such as intrusion detection systems and encryption, guarantee the dependability and integrity of energy delivery [,,]. Furthermore, developing grid-forming inverters enables microgrids to maintain steady voltage and frequency autonomously, a critical capability for autonomous operation in remote areas or during grid failures [,].
Microgrids are used to supply essential and sustainable electricity in a variety of locations, including isolated and rural ones []. They improve resilience during grid failures by guaranteeing uninterrupted power for vital facilities, such as hospitals and military bases [,]. They are essential to disaster recovery because they provide reliable electricity after disasters, improving the system’s resilience [,]. Microgrids control energy consumption, lower peak loads, and facilitate the infrastructure needed for electric vehicle charging in urban and industrial settings []. Academic institutions also use microgrids for innovative energy technology research and development. Microgrids are used in new commercial and residential complexes to integrate smart home technologies and achieve energy independence []. Some real-world scenarios of DC microgrids considering energy charges, export limitations, and future electricity demand uncertainty are examined in the references [,,]. The applicability of the DC microgrid laboratory testbed at City College of New York is tested [], which is constructed with minimal off-the-shelf components and exhibits flexibility and reconfiguration capabilities. The references [,,] provide an extensive list of DC microgrid projects that have been put in place in many nations, including the United States of America (USA), the United Kingdom (UK), Australia, France, Italy, China, and more.
Generally, DC power microgrids outweigh AC microgrids in many aspects, including efficiency, complexity level, cost, power quality, safety, and the ratio of transferred power []. Considering the efficiency point, DC microgrids are more efficient for several reasons. The first one is the lower number of conversion stages, which will reduce the losses. In AC microgrids, the power generated from the AC distributed generators (DGs) (e.g., wind turbines) goes through AC–DC–AC conversions to be connected to the main AC bus, and the power from the DC DGs (e.g., solar arrays) must be converted from DC to AC. However, DC DGs can be connected easily to the DC bus in DC microgrids, while a single AC–DC conversion stage is needed for the AC DGs []. The second reason is the skin effect in AC systems, which increases the resistance and losses by 15–20% [,,]. In addition, DC microgrids have a lower complexity level due to the absence of reactive power and frequency, their regulations, and the elimination of synchronization problems []. The shift from AC to DC-based microgrids and the emerging interest in hybrid AC/DC configurations were reviewed in [], which combines both benefits. An analysis of different hybrid microgrid topologies was presented. The authors reviewed various hybrid topologies, conducted comparative evaluations, and identified future research needs for integrating these systems into the power network. However, they may require more complex inverters, increasing the microgrid cost.
Moreover, distributed energy resources (DERs), including solar photovoltaic systems and electric vehicle loads, are originally DC systems. The lower cost of DC microgrids results from their higher efficiency, power transfer capacity, and conversion stage reduction []. Also, the absence of the skin effect allows the DC grid to use a smaller wire area for the same current value and reduces the cost even more. Regarding safety, DC systems cause lower damage to the human body than AC system discharges [,]. A typical DC-MG comprises DERs and DC loads connected to the main DC bus, as shown in Figure 1. The DC-MG can be connected to the AC grid using an inverter. Medium and low-voltage DC microgrids can be found in shipboard, control, telecommunication, and residential systems [].
Figure 1.
Typical block diagram of a DC microgrid.
Based on the voltage polarity and levels, DC microgrids are classified into unipolar and bipolar systems. In the first type, power flows at only one fixed voltage level via two wires where the loads are connected to these positive and negative voltage poles. Conversely, the bipolar system only provides three different voltage levels (positive to ground, negative to ground, and positive to negative voltage levels) by adding the neutral wire. The higher reliability of the bipolar configuration is a major advantage as DG faults do not force an entire shutdown, and the power can still flow through the un-faulted pole and neutral wire [,,,].
The DC microgrids are also classified based on their architecture. These configurations illustrate the connection options between the AC grid and the DC microgrid, as illustrated in Figure 2. The first type is the radial architecture, in which the AC grid and the DC microgrids are interfaced in a single point, and power flows in only one path. The second type is the ring-bus DC microgrid, which has more than one path for the power flow and the connection between the AC grid and the DC microgrid components. The last type of DC-MG configuration is the interconnected architecture, wherein the DC-MG is connected to the AC grid at multiple connection points. The mesh and zonal interconnected DC-MG distinguish two configurations within the corresponding architecture. The mesh configuration, called the multi-terminal configuration, is like the ring architecture except for the higher number of AC supplies. However, in the zonal architecture, the DC-MG is divided into several zones in that each sub-microgrid is supplied from two DC buses [,,]. The different advantages, drawbacks, and applications of each architecture of DC-MGs are illustrated in Table 1. Despite these benefits, designing effective protection systems for DC microgrids is difficult. The protection strategies and devices used in AC systems must be significantly modified to be employed in DC systems due to the differences in features between the two power systems (AC and DC). Power systems must be efficiently secured to prevent losing system components so that faults can be found, isolated, and detected within a certain time.
Figure 2.
The different architecture of DC microgrids: (a) Radial, (b) Ring, (c) Mesh, (d) Zonal (Adapted from Ref. []).
Table 1.
DC microgrid architectures.
Additionally, renewable energy sources contribute to the fault current, introducing additional difficulties to the protection system, including fault current level variation, false tripping, and coordination issues [,]. DC microgrids incorporate many converters, which are delicate parts needing faster protection mechanisms. The protection of power systems is critical to ensure a reliable system. Hence, a proper microgrid protection system is a prior requirement [,]. Microgrids have different characteristics from conventional distribution systems, which are passive and radial networks. Traditional power systems are usually protected using fuses, reclosers, and over-current relays, which monitor the passing current and open the circuit when measuring a current higher than a preset threshold [,].
In addition, applying innovative technologies such as inductive power transfer (IPT) poses some advantages and challenges to protecting DC microgrids. Introducing IPT technology in DC microgrids offers many benefits, such as improved safety and isolation due to the elimination of physical connectors, which lowers the possibility of electric shocks and short circuits. However, IPT also introduces additional challenges to the protection systems of DC microgrids. The integration of IPT in DC microgrids requires advanced fault detection and response mechanisms. IPT systems typically operate at high frequency, necessitating protection devices such as circuit breakers and relays to adapt and function with such conditions. Furthermore, to maintain reliable and secure microgrid operation, the dynamic nature of IPT systems, which vary in loads and charging states, requires adaptive protection methods with real-time response capabilities [,,].
This article presents a comprehensive review of the protection strategies of DC-MGs. It compiles and summarizes the existing DC-MG protection concerns and their antiquated protective measures. Then, the protection strategies proposed to overcome the discussed challenges are discussed. The existing techniques and devices used for fault current isolation are also explained. These protection and isolation methods are critically and comparatively assessed by highlighting their major features and limitations, which will be extremely helpful to researchers in their efforts to address current gaps in the protection of DC microgrids and uncover fresh approaches to improve them. Finally, some future trends in DC microgrid protection are accordingly anticipated.
The remainder of this paper is organized as follows. Section 2 analyzes the fault characteristics in DC microgrids. Different protection challenges facing DC microgrids are discussed in Section 3. Section 4 lists and summarizes all the research conducted to overcome these challenges and the suggested methods. Fault isolation techniques are discussed and evaluated in Section 5. Section 6 introduces the future research trends and challenges. Finally, the conclusions are highlighted in Section 7.
2. Faults Characteristics in DC Microgrids
A comprehensive understanding of the fault current analysis is vital for developing a proper protection method. Also, knowing the fault characteristics is required to coordinate relays and other protection devices []. Compared with AC systems, faults in DC systems are more severe due to their lower resistance caused by the absence of the skin effect. Also, due to their simplicity and low cost, two-level voltage source converters (VSCs) are commonly used power converters for AC-to-DC connections. However, these VSCs enable high fault current from the AC grid. Therefore, solid-state transformers (SSTs) have recently been proposed to interface AC and DC systems. SSTs decrease the fault current value and prevent the AC grid from supplying fault currents in the DC microgrid [,,]. On the other hand, this decrease in the fault current can affect the reliability of the conventional overcurrent protection techniques []. In [], an SST featuring advanced power electronics and galvanic isolation was described. SST functionality, applications, and challenges for broader implementation in the electrical grid were discussed, along with prototype developments, projects, stakeholders, and challenges. However, there are some drawbacks to using solid-state transformers, such as the potential for increased power losses, higher costs, and more complex installation and maintenance.
Compared to traditional converter topologies, e.g., two-level VSCs, the modular multilevel converter (MMC) is acknowledged as the most prominent one due to their enhanced efficiency, reduced dv/dt switches stress, modularity, and scalability for high voltage demand, enhanced total harmonic distortion (THD), reduced voltages, fault tolerance, and fault blocking capability. As a result, the MMC gained popularity as the basic building block for multi-terminal direct current (MTDC) transmission systems []. The DC fault characteristics of the half-bridge MMC and two levels of VSC are similar in MTDC systems [].
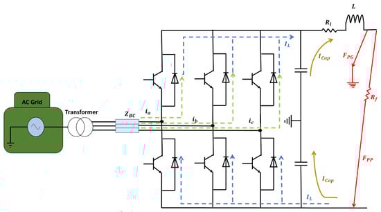
There are two types of faults in DC systems: pole-to-ground (PG) and pole-to-pole (PP) DC faults []. A PG fault occurs when one or both conductors make contact with the ground, resulting in a high-impedance fault. On the other hand, a PP fault occurs when the two conductors become short-circuited, resulting in a low-impedance fault. Therefore, PP faults are more severe and more likely to be detected. However, PG faults are more frequent than PP faults []. DC faults have a nonlinear behavior consisting of three stages: capacitor discharge stage, cable discharge stage, and grid-side current stage. Figure 3 depicts a detailed diagram of a DC microgrid during a fault condition through fault resistance, . This figure shows the circulating currents of all three stages of the DC fault where indicates the current caused by the discharge of the DC link capacitor, is the inductance discharge current, while are the three phase currents of the AC grid that supply the fault current [,,,]. Figure 4 shows the waveform of the cumulated fault current of all stages for both VSC and SST-based DC microgrids. The stages of fault behavior are evident in the waveforms. In the capacitor discharge stage, there is an immediate and sharp spike in current following the fault, observable around 0.3 s in the graph. Both systems exhibit this steep rise, but the VSC reaches a higher peak. During the cable discharge stage, the energy stored in the cable’s discharges causes further peaks and oscillations in the current. The VSC’s waveform shows more pronounced oscillations than the SST’s smoother response. Finally, in the grid-side current stage, the current stabilizes, with the two-stage SST showing a more controlled and stable response while the two-level VSC still displays some residual oscillations [].
Figure 3.
Diagram for a DC microgrid at fault.
Figure 4.
DC fault current waveforms for VSC and SST-based DC microgrids (Taken from Ref. []).
2.1. Capacitor-Discharge Stage
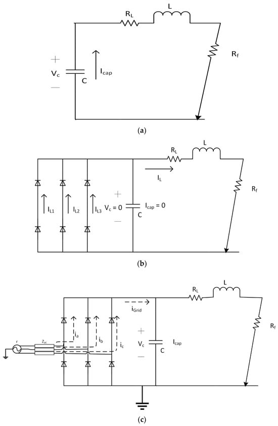
Momentarily after the DC microgrid fault, the stored energy in the DC-link capacitor begins to be discharged through the cable impedance. In this stage, the current oscillations can reach 100 times the VSC-rated current []. This stage is illustrated with the equivalent circuit for the PP fault shown in Figure 5a, where the system dynamics can be described as follows:
where is the fault current discharged from the capacitor, R is the sum of both DC line resistance (RL) and fault resistance (Rf), L is the line inductance, and C is the DC-link capacitance. Using Laplace transform to solve (1), the fault current can be expressed as follows:
where is the initial line current. From (2), the factors affecting the fault current value are the initial line loading, capacitor size, and the fault path impedance. By factorizing the characteristic equation, the poles of (2) are as follows:
where is called the damping factor (), while is the resonance frequency (). The behavior of current oscillations is determined by the relationship between the square of the two quantities in that the current response is under-damped if , critically damped if , or over-damped if
Figure 5.
Equivalent circuits for a PP DC fault, (a) Capacitor discharge stage, (b) Cable discharge stage, (c) Grid-side stage.
2.2. Cable Discharge Stage
Once the capacitor is fully discharged and its voltage reaches zero, the energy stored in the cable inductance starts to be discharged through the freewheeling diodes of the VSC. The equivalent circuit of this stage is shown in Figure 5b, where the system dynamics can be described as follows:
Using the Laplace transform and its inverse to solve (4), the current response in the frequency and time domains can be expressed as follows:
where is the cable current at the end of the capacitor discharge stage in which the voltage across the capacitor is zero. This initial current of this stage can be very high and capable of damaging the freewheeling diodes in a very short time. Hence, the protection scheme must detect and isolate the fault before reaching this stage of the DC fault current [].
2.3. Grid-Side Current
In this stage and as illustrated with the equivalent circuit in Figure 5c, the fault current is supported by the AC grid through the VSC, which behaves like an uncontrollable full-bridge rectifier []. As a result, the fault current equation is as follows:
where . and are the unrectified parts of the three-phase currents supplied by the AC grid through the freewheeling diodes.
3. Protection Challenges in DC Microgrid
Several challenges in DC-MG protection require critical modifications to conventional protection systems, which are discussed critically in this section.
3.1. Non-Radiality of DC Microgrids
One major challenge in DC microgrid protection is the bi-directionality of fault currents due to the connection of different power resources in various locations. Hence, the non-directional overcurrent relays will not identify many fault currents; moreover, DC microgrid topology changes frequently, which may change the current direction. A very effective solution for these problems is considering all possible operational changes in the DC microgrid and adapting the relay settings accordingly [,].
3.2. The High Rising Rate of Fault Currents
DC microgrid faults have a high rising rate due to the low resistance of the line, which can damage the different components in the DC microgrid. Although this fast growth of fault currents enables overcurrent relays to easily and quickly detect fault currents, it can disrupt the coordination between the relays and decrease the selectivity of the protection system of the DC microgrid [].
3.3. Circuit Breakers
Due to the lack of natural zero crossing in the DC-current, unlike AC, the DC-current is more difficult to interrupt, and AC circuit breakers (ACCBs) are unsuitable for fault current interruption in DC microgrids [,]. Due to the high rate of the fault current and the low short-circuit tolerances of the power electronic converters, fault currents must be interrupted rapidly, within microseconds []. To overcome the mentioned fault current interruption challenges, DC circuit breakers (DCCBs) have been developed. However, they are very complex, and their prices can reach a dozen times that of ACCBs with the same voltage and current ratings [].
3.4. Fault Current Value Variation
Another protection challenge is the change in the short circuit level. Fault current value can increase to 20–50 times higher than the rated current. However, it can also be smaller than the relay threshold setting. This remarkable change in fault current level is mainly due to changes in operating conditions and grid-connected and islanded modes of microgrid operation []. Due to the dependency of current-based relays on the amplitude of the fault current, the grounding system of the DC microgrid should be carefully designed to help relays detect the PG faults [].
4. Protection Methods in DC Microgrids
Recently, many protection schemes have been introduced to overcome the abovementioned challenges. Some of these methods are discussed in this section.
4.1. Current and Voltage Measurement-Based Protection
DC overcurrent protection is designed using a procedure similar to conventional AC overcurrent protection, wherein fault detection is achieved by setting a specific threshold for the line current. In [], the DC microgrid converters have been utilized to interrupt the fault current detected by overcurrent relays. These relays detect faults by monitoring the line current and the capacitor voltage. The DC microgrid is divided into several protection zones to ensure selectivity and coordination among relays. However, the scheme is limited to small DC microgrids as its speed and reliability decrease with the complexity of the DC microgrid. Another protection scheme with high speed, selectivity, and sensitivity was presented in []. The method utilizes both unit-based and overcurrent protection to extract the advantages of these techniques. However, the scheme could not overcome the low sensitivity of overcurrent protection for high impedance faults.
In DC microgrids, the use of overcurrent protection presents specific challenges. Firstly, DC microgrids typically cover small geographical areas with short electrical distances, resulting in fault currents that are relatively similar across time-overcurrent protection devices. This similarity complicates the coordination of time-overcurrent elements, as primary and backup protection devices may activate simultaneously. Secondly, time-overcurrent protection inherently extends the operating time of protection devices due to their time-current characteristics (TCCs), posing a significant challenge for DC microgrids [].
In [], a new technique for locating faults in DC microgrids was introduced. The presented algorithm needs only the current and voltage measurements to determine the fault location accurately with a 2% error. However, the accuracy of this technique depends on the distance and fault resistance as the error increases for far and high resistance faults. Another local measurements-based approach was presented in []. The technique can locate both types of faults with less estimation error and impedance dependency. Changes in the current direction occur very often in DC microgrids. According to [], this issue has been addressed by adding the direction monitoring feature to conventional overcurrent relays. Yet, the proposed scheme was also unable to detect faults with high impedances that result in small current values. This common issue of high impedance fault identification was addressed in [] by adding a parallel LC filter in series at each system line. Once a fault occurs, this LC circuit produces a voltage signal extracted using a wavelet transform to determine the disturbance. However, the effectiveness of this method relies on fault resistance. In addition, it is not fast and may not meet the fault detection time requirement.
Under-voltage protection strategy can also be applied to DC microgrids. However, this type of protection has poor selectivity. Thus, a new protection scheme was proposed in [] based on monitoring the DC voltage magnitude, the sign of the second derivative of the voltage, and the current rate of change (di/dt). The protection scheme was developed for an SST-interfaced DC microgrid. However, the effectiveness of this method depends on fault impedance, which can be increased by adding inductance to the DC feeders. Another voltage-based protection scheme was introduced in []. This technique detects and classifies DC faults by analyzing the transient voltage across external reactors. The scheme is fast, configuration-independent, and can detect up to 10 Ω faults.
4.2. Current Derivative Protection
As discussed above, DC faults have a high rising rate, and the current derivative is rather high. Taking this feature into consideration, fault currents can be detected very rapidly. In [], the first derivative detects fault currents. To eliminate the dependency of the first derivative on cable length, line loading, and fault impedance, which can cause false tripping, the second derivative is additionally used as a fault threshold. This problem of the first derivative was also solved using the integration of the line current as a second threshold, as presented in [].
4.3. Directional Protection
The directional protection technique is based on the idea that the current direction changes at only one end of the protected feeder when the fault happens. In [], the directional protection method was proposed and verified on a ring-type DC microgrid. The scheme uses intelligent electronic devices (IEDs) at both ends of each segment and the least square method to estimate the fault path inductance and determine the fault current direction. This scheme provides accurate detection and location of faults. Another directional protection scheme was suggested in []. The scheme is very fast, with a fault detection time reaching 100 μs. However, its dependency on communication channels reduces its reliability and increases its cost.
A superimposed current component-based directional protection scheme was introduced in []. Using IEDs, superimposed currents from both ends of the line segment were used in this method. The scheme is based on signs of the superimposed currents and their coordination to distinguish internal and external faults. The improved performance of this scheme is the main advantage of this approach. However, its reliability is limited to faults with less than 5 Ω resistance. In [], a superimposed current directional protection was presented. This current is fed to a periodically forced harmonic oscillator, which determines the system states and discriminates between normal and fault conditions. The scheme detects fault type and direction and clears it even in high impedance faults (HIFs).
4.4. Differential Protection
The current magnitude on the two ends of a line is measured and subtracted. The faults are detected based on the differential current value. In case of communication failure, a differential protection scheme and directional overcurrent protection are proposed in []. The protection scheme also proposes a self-healing and adaptive strategy to ensure successful system operation. The proposed scheme uses isolators to compensate for the high cost of the required communication. In [], another differential protection scheme is proposed, which analyzes the differential current measurements and takes advantage of its characteristics to decrease the response time of fault detection of the protection scheme. The disadvantage of this scheme is the degradation in its accuracy and reliability in case of faults with high resistances. The differential protection technique was also designed and implemented in [] to detect and locate faults in a PV-based DC microgrid. The differential protection technique provides very fast and accurate protection. However, its need for communication assets decreases its reliability and increases the protection cost of the DC microgrid.
4.5. Distance Protection
In this method, faults are detected and located by measuring the impedance from a certain point known as the point of measurement (POM) to the fault point. The appropriate isolation device will receive a tripping signal once the measured impedance falls below a certain distance range. In [], faults are detected by calculating the apparent resistance from the measured voltage to current ratio using sensors, signal conditioning, and filtering stages. The scheme is very cost-effective, using only the power converters and segmenting contractors to measure, detect, limit, and isolate fault currents in the DC microgrid. The disadvantages of this scheme are the inability to detect high impedance faults (HIFs) and the low protection speed.
The HIF problem has been addressed in [] for the high penetration of the constant power loads in the DC microgrid. The proposed protection scheme is based on estimating the fault resistance by calculating the system power sharing. The scheme also uses the pre-fault data and current first derivative to determine the fault location. However, this method is system-dependent as the relay setting varies from one system to another. Another fault resistance estimation technique that considers HIFs is presented in []. The method is based on calculating the fault distance and fault resistance by sampling the current in the DC line after tripping the circuit breaker. The method is fast, accurate, and suitable for radial and mesh DC networks. Each DC line requires two protection devices, which increases its cost. In [], a different way to estimate the fault location is presented. The method is based on analyzing the voltage resonance caused by the discharge of DC-link capacitors after the fault occurrence. The fault distance is determined after extracting the characteristics of this resonance using Prony’s method. This method does not require communication links. However, consistent data acquisition and accurate linearization of the RLC circuit are needed.
4.6. Traveling Wave-Based Protection
Regarding DC grids, transient-based protection algorithms are considered the best solution for protection systems []. Traveling waves are the high-frequency content of the fault-induced component, which carries the main fault characteristics. As a result, traveling wave-based protection schemes are reliable and have a very high operation speed. This protection approach is considered one of the best solutions to detect and locate faults in high or medium-voltage DC transmission systems. Still, it may not be suitable for short LVDC distribution networks [,,,].
An ultra-high-speed protection method was proposed using local measurements []. The approach can detect, classify, and locate faults in the DC microgrid by analyzing the waveshape of the traveling wave and estimating its time constant. The major disadvantage of this algorithm is the very high frequency of the fault current component to be analyzed, which can reach tens of MHz. As a result, this scheme requires very expensive hardware devices. To address this issue, a serious trial was presented in [] by utilizing the first two subsequent traveling wave reflections to detect and locate faults in DC microgrids. As proposed in [], machine learning can also be utilized in traveling wave-based protection schemes. The traveling wave characteristics are extracted using Multiresolution analysis (MRA) and discrete wavelet transform (DWT). The speed of locating the fault of this scheme is proportional to the DWT sampling frequency, and it is calculated to be 200 μs for an 8 MHz sampling frequency.
4.7. Deep Learning-Based Protection
Like several disciplines, deep learning algorithms broke into DC systems protection and attracted many researchers, especially after the efficient performance in detecting and locating faults in AC systems. System architecture dependency and high computational intensity are the major drawbacks of this kind of protection technique [,]. In [], an artificial neural network (ANN)-based method was suggested to identify the fault location in a PV system. The approach uses direct wavelet transform to extract the high-frequency fault noise signal features. The technique has proven accurate and robust. However, it did not explore high resistance faults in addition to the intensive computing requirement. This computation problem was eliminated in [] by utilizing the local current measurements. However, it requires communication channels between line ends, which reduces the reliability of the protection system. Another ANN-based approach was proposed in [] for fault locating in DC distribution networks. The technique is not fast for DC systems, requiring 30 ms from fault interception. Table 2 summarizes all protection methods and their advantages and disadvantages.
Table 2.
DC-MG protection methods comparison.
5. Fault Current Interception Schemes
Fault current limiting and interruption is the major task of the protection scheme to maintain the system’s stability and healthy components. As mentioned above, protection schemes applied in DC systems must have higher operation speeds than those in AC systems due to the higher fault current rising rate and the higher number of power electronic converters.
5.1. Breaker-Based Methods
Several studies have been presented for DC microgrid protection based on circuit breakers to isolate the faulty section. These breaker-based techniques are more reliable and selective and can handle more faulty conditions. In the following, the two types of circuit breakers, ACCBs, and DCCBs, are discussed in detail.
5.1.1. ACCBs
Having the alternating behavior of the AC-current leaves the ACCB with only one task: opening its contacts at the zero-crossing of the current. As a result, ACCBs are simpler in design and much less expensive than DCCBs []. In [], a VSC-based multi-terminal DC (MTDC) system protection technique was presented utilizing ACCBs to cut the fault current. The handshaking method is used to locate the fault, and then ACCBs are utilized to prevent the AC grid from supplying the fault current. Once the fault current reaches zero, a fast DC switch opens and isolates the faulty section. This method is not feasible for DC microgrids with DC sources and requires system de-energization, reducing system reliability.
5.1.2. DCCBs
Fuses are the simplest and most cost-effective protective devices applied in DC systems. Along with fuses, molded case circuit breakers (MCCBs) are the conventional and common protection devices in DC systems. Although they are suitable for LV applications, the insufficient interruption speed and need for replacement are the major drawbacks of these devices [,]. To overcome these disadvantages, four types of DCCBs were proposed: mechanical circuit breakers (MCBs), solid-state circuit breakers (SSCBs), hybrid circuit breakers (HCBs), and z-source circuit breakers (ZSCBs). The absence of the zero-crossing current in the DC systems added more requirements for the DCCBs. Therefore, they must create an artificial zero-crossing current and rapidly interrupt the fault current [,]. For DCCB design, many artificial zero-crossing-producing approaches were proposed, including current injection, passive and active resonance circuits, and arcing voltage techniques.
The MCBs have three main parts. A commutation circuit creates artificial zero-crossings in the fault current signal. A mechanical switch interrupts the fault current at the first current zero-crossing. The last part of the MCBs is the energy absorber circuit, which is used for post-clearance energy absorption and dissipation. Metal oxide varistors (MOVs) are the typical energy absorber circuits used in DCCBs. MCBs are very efficient in terms of both cost and power loss. However, the current interruption capability of these circuit breakers is very limited, and their operation time is considered long (30–100 ms) [,]. The low-speed operation disadvantage of MCBs was solved in SSCBs by using semiconductor switches, including gate-turn-off (GTO) thyristors, integrated gate-commutated thyristors (IGCTs), insulated-gate bipolar transistors (IGBTs), and metal-oxide-semiconductor field-effect transistors (MOSFETs). Although such switches provide the high-speed interruption capability of fault currents, they have high conduction losses, raising the need for cooling systems to enlarge the breaker’s size and cost. These conduction losses can be reduced by utilizing wide band-gap semiconductors [,,,,].
After identifying the advantages and disadvantages of MCBs and SSCBs, HCBs are proposed by combining the structures of MCBs and SSCBs. As a result, HCBs have high operation speed and low power losses. HCBs mainly consist of a mechanical switch to initiate the interruption, a main semiconductor switch, and an MOV unit for power absorption and dissipation [,,,]. The ZSCBs are improved SSCBs with many extra advantages, including fast turn-off, natural commutation, lower cost, and simple control []. Although ZCCBs suffer from drawbacks, such as the need for high activation current and the undesired power flows during transitions, improved and modified ZCCBs have been presented to overcome their conventional disadvantages and enhance their performance [,,]. Table 3 compares the major features of the various DCCBs.
Table 3.
DCCBs comparison.
5.2. Breaker-Less Methods
As mentioned above, the lack of zero-crossing current complicates the design and price of the DCCBs in the DC-MGs. Therefore, several studies have been conducted to develop breaker-less protection systems for DC networks. These strategies are based on analyzing the fault current behavior passing through the power converters that connect the sources with the DC grid and designing a proper control scheme for current limiting. The faulty section is isolated using no-load tie contactors at each line end. Two main types of the breaker-less-based methods are explained below.
5.2.1. Coordination-Based Methods
This protection system achieves fault detection and isolation by properly coordinating system components. In [], a breaker-less protection scheme was proposed for DC microgrids based on coordination between the power converters and bus-segmenting contactors. This technique detected faults and located them by measuring the resistance at each converter and contactor. After that, the converters immediately switched to the current limiting mode, enabling contractors to isolate the faulty line based on their resistance time-to-trip curves. The method is fast and effective. However, it is feasible only for radial networks and low-resistance faults. Also, different predefined resistance trip time curves must be set for each contactor. These drawbacks were overcome in []. The presented approach can detect, locate, and isolate short-circuit and high-resistance faults by properly coordinating between source converters and intelligent three-tie contactor switch units. The scheme is fast and robust but vulnerable to communication failures. In MMC-based DC networks, the fault current capability of the MMC can be utilized to block the DC side fault currents passing through the freewheeling diodes. Therefore, a fault-blocking submodule is added to the MMC to block fault currents [].
5.2.2. DC–DC Converters-Based Methods
DC–DC converters are mainly used to raise or reduce the input voltage and regulate the output signal. In addition, DC–DC converters can play a significant role in DC microgrid protection. Using proper control topologies, DC faults can be detected and isolated [,]. Most breaker-less protection schemes operate with the following procedure:
- ⮚
- Once the fault occurs, converters switch to the current limiting mode to protect the DC network and enable detection and location of the fault.
- ⮚
- After enough time for fault detection and location, the current value is reduced to zero by proper control schemes of the converter, and the grid is de-energized.
- ⮚
- In this stage, no-load contactors or switches associated with the faulty line open to isolate the fault.
- ⮚
- After faulty section isolation, the system can be restored by regular converter operation.
DC buck converters can be designed to be intrinsically immune to faults, as suggested in []. In [], the boost DC–DC converter was used to detect the fault in a few microseconds and isolate the source from the DC network. Dual active bridge DC–DC converters have many advantages when it comes to DC systems protection, including:
- ⮚
- Galvanic isolation of the main power source is due to the input-to-output isolation feature of the transformer.
- ⮚
- Fault detection.
- ⮚
- Current control and limiting ability.
- ⮚
- Fault-tolerant capacity (FTC).
- ⮚
- Enabling breaker-less protection schemes.
In the case of high-power applications, a dual-active bridge (DAB) converter may not be a good choice for power system protection. Instead, full-bridge modular multilevel converters (MMCs) with a proper control strategy can ride through DC faults and actively limit the fault current [,]. Also, MMCs can be combined with DAB modules to provide galvanic isolation between the source and the DC grid []. In addition, three-phase DABs are also feasible for high-power applications. Three-phase DABs offer more advantages than single-phase DABs, such as higher power density, smaller size of the DC-link filter, and soft-switching operation in fault conditions. The conventional single-phase shift control method of the three-phase DAB has many disadvantages in fault conditions, including the high peak current, which can harm the semiconductor switches. Hence, asymmetrical duty cycle control was suggested to enable the three-phase DAB to ride through faults while realizing soft-switching operation [,,,].
6. Future Trends in DC Microgrid Protection
The DC microgrid is vulnerable to faults due to DC link capacitor discharge during faults, which could damage converters and other equipment. The rapid detection and isolation of faults are imperative for reliable and safe operations. Several advanced methods have been developed and tested, including hybrid circuit breakers, AI-based detection and protection mechanisms, fault current limiters, etc. However, there are still opportunities to improve the existing methods and/or develop new techniques. A list of future recommendations for DC microgrid protection is provided below:
- ▪
- Smart Grid Integration and Communication-Based Protection Schemes: To move to smart grids, every grid component will use advanced computer-based technology. These technologies provide protection measures that improve grid resilience and reliability by enabling real-time communication between devices and control centers.
- ▪
- Coordination Protection: In a DC microgrid, circuit breakers and non-superconducting and superconducting fault current limiters are used. A better-coordinated protection scheme that includes these devices may minimize the dangers of DC faults.
- ▪
- Active Disturbance Rejection Controller (ADRC): The ADRC has been widely studied for AC systems; however, its application is limited to DC microgrids. Nonlinearities and uncertainties in DC microgrids can be better handled with improved ADRCs. AI-based fault detection and ADRC coordination can further reduce the impacts of faults in the DC microgrid.
- ▪
- IEDs in Smart Grid Systems: IEDs are critical components in modern grid protection systems due to their capability for high-speed data acquisition, processing, and control execution. The IED-based protection strategies utilize advanced algorithms and real-time data analytics to detect and swiftly precisely locate faults within the DC microgrid. This capability is essential for maintaining grid stability and minimizing disruption to power supply. Ongoing efforts are focused on addressing integration challenges to enhance the interoperability and functionality of IEDs across different microgrid architectures and operational scenarios, ensuring seamless integration and effective performance in smart grid environments.
- ▪
- SST for DC Microgrid Protection: SSTs are emerging as key devices for enhancing DC microgrid protection. They offer advanced functionalities such as power flow control, fault current limitation, and voltage regulation, which are crucial for maintaining grid stability and managing dynamic load variations. The deployment of SSTs requires a careful consideration of installation logistics, operational efficiency, and compatibility with existing grid infrastructure. Research focuses on optimizing SST designs and performance to maximize their benefits in diverse microgrid applications.
- ▪
- Microgrid Architecture and Optimal Design Considerations: The architecture of DC microgrids significantly influences the design and deployment of protection systems. Factors such as network topology, equipment configuration, and operational modes dictate the selection and configuration of protective devices and strategies.
- ▪
- Machine Learning (ML) Applications in DC Microgrid Protection: ML techniques are increasingly applied to enhance the efficiency and effectiveness of DC microgrid protection systems. ML algorithms enable advanced fault detection, prediction, and classification based on historical data patterns and real-time sensor inputs. This capability improves the accuracy of fault diagnosis and enables proactive maintenance strategies. Ongoing research focuses on overcoming data quality, model interpretability, and scalability challenges to ensure the practical deployment of ML-based protection solutions in DC microgrids.
- ▪
- Cybersecurity Considerations: Cybersecurity becomes increasingly critical as DC microgrids become more interconnected and reliant on digital communication. Future protection strategies must integrate robust cybersecurity measures to protect against potential cyber threats and ensure the integrity and security of grid operations.
- ▪
- Standardization and Interoperability: With the proliferation of diverse technologies and vendors in the smart grid space, standardization of protection protocols and interoperability between different components will be essential. Future trends will likely emphasize the development of open standards and protocols to facilitate seamless integration and compatibility across diverse DC microgrid environments.
7. Conclusions
This paper highlights the major challenges of DC microgrid protection. A detailed introduction to DC microgrid components, types, and architectures was discussed, as well as their advantages compared to AC microgrids. The DC fault types, characteristics, and stages were also addressed in this study. Furthermore, this paper illustrated several challenges encountered in the design of protection schemes for DC microgrids. In addition, the different methods and schemes that overcome the mentioned challenges and provide a reliable protection system for DC microgrids were explained and analyzed. Furthermore, the various techniques for fault isolation were addressed and compared. Finally, the future research trends in DC microgrid protection were briefly highlighted.
Author Contributions
Conceptualization: H.B., W.M.H., M.S. and M.A.A.; Formal Analysis: H.B., W.M.H., M.S.A. and M.M.A.; Methodology: H.B., M.M.A., M.S. and M.A.A.; Investigation: H.B., W.M.H., M.S.A. and M.A.A.; Resources: H.B., M.M.A., M.S.A. and M.S.; Data Curation: W.M.H., M.S.A. and M.S.; Writing—Original Draft Preparation: H.B., M.S.A. and W.M.H.; Writing—Review and Editing: M.S., M.M.A. and M.A.A.; Visualization: H.B., W.M.H., M.S.A. and M.S.; Supervision: M.S.A., M.S., M.M.A. and M.A.A.; Project Administration: W.M.H., M.S. and M.A.A.; Funding Acquisition: M.S.A., M.S. and M.M.A. All authors have read and agreed to the published version of the manuscript.
Funding
The authors would like to acknowledge the research support provided by the Interdisciplinary Research Center for Sustainable Energy Systems (IRC-SES) at King Fahd University of Petroleum & Minerals under Grant No. INSE2409. Md Shafiullah and Mohammad M. AlMuhaini would like to express their profound gratitude to King Abdullah City for Atomic and Renewable Energy (K.A.CARE) for their financial support in accomplishing this work. Mohammad A. Abido expresses gratitude for the support provided by the Saudi Data and AI Authority (SDAIA) and KFUPM through the SDAIA-KFUPM Joint Research Center for Artificial Intelligence.
Data Availability Statement
Not applicable.
Conflicts of Interest
The authors declare no conflicts of interest.
References
- Uddin, M.; Mo, H.; Dong, D.; Elsawah, S.; Zhu, J. Microgrids: A Review, Outstanding Issues and Future Trends. Energy Strategy Rev. 2023, 49, 101127. [Google Scholar] [CrossRef]
- Ali, Z.M.; Calasan, M.; Aleem, S.H.E.A.; Jurado, F. Applications of Energy Storage Systems in Enhancing Energy Management and Access in Microgrids: A Review. Energies 2023, 16, 5930. [Google Scholar] [CrossRef]
- Hassan, Q.; Algburi, S.; Zuhair, A.; Salman, H.M.; Jaszczur, M. Results in Engineering Review Article A Review of Hybrid Renewable Energy Systems: Solar and Wind-Powered Solutions: Challenges, Opportunities, and Policy Implications. Results Eng. 2023, 20, 101621. [Google Scholar] [CrossRef]
- Aghmadi, A.; Mohammed, O.A. Energy Storage Systems: Technologies and High-Power Applications. Batteries 2024, 10, 141. [Google Scholar] [CrossRef]
- Abusaq, M.; Zohdy, M.A. Clean Technologies Optimizing Renewable Energy Integration through Innovative Hybrid Microgrid Design: A Case Study of Najran Secondary Industrial Institute in Saudi Arabia. Clean Technol. 2024, 6, 397–417. [Google Scholar] [CrossRef]
- Hamanah, W.M.; Hossain, M.I.; Shafiullah, M.; Abido, M.A. AC Microgrid Protection Schemes: A Comprehensive Review. IEEE Access 2023, 11, 76842–76868. [Google Scholar] [CrossRef]
- Isanbaev, V.; Baños, R.; Martínez, F.; Alcayde, A.; Gil, C. Monitoring Energy and Power Quality of the Loads in a Microgrid Laboratory Using Smart Meters. Energies 2024, 17, 1251. [Google Scholar] [CrossRef]
- Hafidz, I.S.A.; Priyadi, A.; Pujiantara, M.; Anggriawan, D.O.; Purnomo, M.H. Development of IoT-Based Portable Power Quality Monitoring on Microgrids by Enhancing Protection Features. IEEE Access 2024, 11, 49481–49492. [Google Scholar] [CrossRef]
- Saleem, M.U.; Shakir, M.; Usman, M.R.; Bajwa, M.H.T.; Shabbir, N.; Ghahfarokhi, P.S.; Daniel, K. Integrating Smart Energy Management System with Internet of Things and Cloud Computing for Efficient Demand Side Management in Smart Grids. Energies 2023, 16, 4835. [Google Scholar] [CrossRef]
- Cavus, M.; Allahham, A.; Adhikari, K.; Zangiabadi, M.; Giaouris, D. Energy Management of Grid-Connected Microgrids Using an Optimal Systems Approach. IEEE Access 2023, 11, 9907–9919. [Google Scholar] [CrossRef]
- Zografopoulos, I. Cybersecure and Resilient Power Systems with Distributed Energy Resources. Ph.D. Thesis, King Abdullah University of Science and Technology, Thuwal, Saudi Arabia, 2023. [Google Scholar]
- Abdi, N.; Albaseer, A.; Abdallah, M.; Member, S. The Role of Deep Learning in Advancing Proactive Cybersecurity Measures for Smart Grid Networks: A Survey. IEEE Internet Things J. 2024, 11, 16398–16421. [Google Scholar] [CrossRef]
- Aljohani, A.; Almuhaini, M.; Poor, H.V.; Binqadhi, H. A Deep Learning-Based Cyber Intrusion Detection and Mitigation System for Smart Grids. IEEE Trans. Artif. Intell. 2024, 1, 1–13. [Google Scholar] [CrossRef]
- Grids, P. Grid-Forming Converters for Stability Issues in Future Power Grids. Energies 2022, 15, 4937. [Google Scholar] [CrossRef]
- Inverter, G.; Response, F. Development of Grid-Forming and Grid-Following Inverter Control in Microgrid Network Ensuring Grid Stability and Frequency Response. Electronics 2024, 13, 1958. [Google Scholar] [CrossRef]
- Kama, M.; Ashraf, I.; Fernandez, E. Optimal Planning of Renewable Integrated Rural Microgrid for Sustainable Energy Supply. Energy Storage 2022, 4, e332. [Google Scholar] [CrossRef]
- Hamidieh, M.; Member, S.; Ghassemi, M.; Member, S. Microgrids and Resilience: A Review. IEEE Access 2022, 10, 106059–106080. [Google Scholar] [CrossRef]
- Loni, A.; Asadi, S. Power System Resilience: The Role of Electric Vehicles and Social Disparities in Mitigating the US Power Outages; Springer Nature: Singapore, 2024. [Google Scholar]
- Khaledi, A.; Saifoddin, A. Three-Stage Resilience-Oriented Active Distribution Systems Operation after Natural Disasters. Energy 2023, 282, 128360. [Google Scholar] [CrossRef]
- Osman, S.R.; Sedhom, B.E.; Kaddah, S.S. Optimal Resilient Microgrids Formation Based on Darts Game Theory Approach and Emergency Demand Response Program for Cyber-Physical Distribution Networks Considering Natural Disasters. Process Saf. Environ. Prot. 2023, 173, 893–921. [Google Scholar] [CrossRef]
- Ntombela, M.; Musasa, K.; Moloi, K. A Comprehensive Review of the Incorporation of Electric Vehicles and Renewable Energy Distributed Generation Regarding Smart Grids. World Electr. Veh. J. 2023, 14, 176. [Google Scholar] [CrossRef]
- Zafar, U.; Bayhan, S.; Member, S.; Sanfilippo, A. Home Energy Management System Concepts, Configurations, and Technologies for the Smart Grid. IEEE Access 2020, 8, 119271–119286. [Google Scholar] [CrossRef]
- Al-Ismail, F.S. DC Microgrid Planning, Operation, and Control: A Comprehensive Review. IEEE Access 2021, 9, 36154–36172. [Google Scholar] [CrossRef]
- Gust, G.; Brandt, T.; Mashayekh, S.; Heleno, M.; DeForest, N.; Stadler, M.; Neumann, D. Strategies for Microgrid Operation under Real-World Conditions. Eur. J. Oper. Res. 2021, 292, 339–352. [Google Scholar] [CrossRef]
- Alam, M.S.; Hossain, M.A.; Shafiullah, M.; Islam, A.; Choudhury, M.S.H.; Faruque, M.O.; Abido, M.A. Renewable Energy Integration with DC Microgrids: Challenges and Opportunities. Electr. Power Syst. Res. 2024, 234, 110548. [Google Scholar] [CrossRef]
- Saleh, M.; Esa, Y.; Mhandi, Y.; Brandauer, W.; Mohamed, A. Design and Implementation of CCNY DC Microgrid Testbed. In Proceedings of the 2016 IEEE Industry Applications Society Annual Meeting, Portland, OR, USA, 2–6 October 2016; pp. 1–7. [Google Scholar] [CrossRef]
- Hossain, E.; Kabalci, E.; Bayindir, R.; Perez, R. Microgrid Testbeds around the World: State of Art. Energy Convers. Manag. 2014, 86, 132–153. [Google Scholar] [CrossRef]
- Shiles, J.; Wong, E.; Rao, S.; Sanden, C.; Zamani, M.A.; Davari, M.; Katiraei, F. Microgrid Protection: An Overview of Protection Strategies in North American Microgrid Projects. In Proceedings of the 2017 IEEE Power & Energy Society General Meeting, Chicago, IL, USA, 16–20 July 2017; pp. 1–5. [Google Scholar] [CrossRef]
- Memon, D.A.; Ali, K.H.; Memon, A.A.; Ansari, J.A.; Badar, J.; Alharbi, M.; Banatwala, A.Z.; Kumar, M. Comparative Analysis and Implementation of DC Microgrid Systems versus AC Microgrid Performance. Front. Energy Res. 2024, 12, 1370547. [Google Scholar] [CrossRef]
- Fairley, P. DC versus AC: The Second War of Currents Has Already Begun [in My View]. IEEE Power Energy Mag. 2012, 10, 103–104. [Google Scholar] [CrossRef]
- Liu, X.; Wang, P.; Loh, P.C. A Hybrid AC/DC Micro-Grid. In Proceedings of the 2010 Conference Proceedings IPEC, Singapore, 27–29 October 2010; pp. 746–751. [Google Scholar] [CrossRef]
- Elsayed, A.T.; Mohamed, A.A.; Mohammed, O.A. DC Microgrids and Distribution Systems: An Overview. Electr. Power Syst. Res. 2015, 119, 407–417. [Google Scholar] [CrossRef]
- Bayati, N.; Hajizadeh, A.; Soltani, M. Protection in DC Microgrids: A Comparative Review. IET Smart Grid 2018, 1, 66–75. [Google Scholar] [CrossRef]
- Rao, G.K.; Jena, P. Fault Detection in DC Microgrid Based on the Resistance Estimation. IEEE Syst. J. 2021, 16, 1009–1020. [Google Scholar] [CrossRef]
- Mortezapour, V.; Lesani, H. Hybrid AC/DC Microgrids: A Generalized Approach for Autonomous Droop-Based Primary Control in Islanded Operations. Int. J. Electr. Power Energy Syst. 2017, 93, 109–118. [Google Scholar] [CrossRef]
- Unamuno, E.; Barrena, J.A. Hybrid AC/DC Microgrids—Part I: Review and Classification of Topologies. Renew. Sustain. Energy Rev. 2015, 52, 1251–1259. [Google Scholar] [CrossRef]
- Bodi, F.; Lim, E.H. 380/400V DC Powering Option. In Proceedings of the 2011 IEEE 33rd International Telecommunications Energy Conference (INTELEC), Amsterdam, The Netherlands, 9–13 October 2011; pp. 1–8. [Google Scholar] [CrossRef]
- Prabhala, V.A.; Baddipadiga, B.P.; Fajri, P.; Ferdowsi, M. An Overview of Direct Current Distribution System Architectures & Benefits. Energies 2018, 11, 2463. [Google Scholar] [CrossRef]
- Hamanah, W.M.; Abido, M.A.; Alhems, L.M. Optimum Sizing of Hybrid PV, Wind, Battery and Diesel System Using Lightning Search Algorithm. Arab. J. Sci. Eng. 2020, 45, 1871–1883. [Google Scholar] [CrossRef]
- Beheshtaein, S.; Cuzner, R.M.; Forouzesh, M.; Savaghebi, M.; Guerrero, J.M. DC Microgrid Protection: A Comprehensive Review. IEEE J. Emerg. Sel. Top. Power Electron. 2019, 1. [Google Scholar] [CrossRef]
- Mobarrez, M. DC Microgrids: Architectures, Control and Economic Analysis; North Carolina State University: Raleigh, NC, USA, 2018. [Google Scholar]
- Bharti, D.; De, M. Planning Framework for Optimal Resource Utilization Strategy in Microgrid. Arab. J. Sci. Eng. 2020, 45, 1927–1947. [Google Scholar] [CrossRef]
- Ensermu, G.; Bhattacharya, A.; Panigrahy, N. Real-Time Simulation of Smart DC Microgrid with Decentralized Control System Under Source Disturbances. Arab. J. Sci. Eng. 2019, 44, 7173–7185. [Google Scholar] [CrossRef]
- Alam, S.; Al-ismail, F.S.; Masiur, S.; Hossain, A. Planning and Protection of DC Microgrid: A Critical Review on Recent Developments. Eng. Sci. Technol. Int. J. 2023, 41, 101404. [Google Scholar] [CrossRef]
- Kumar, D.; Zare, F.; Ghosh, A. DC Microgrid Technology: System Architectures, AC Grid Interfaces, Grounding Schemes, Power Quality, Communication Networks, Applications, and Standardizations Aspects. IEEE Access 2017, 5, 12230–12256. [Google Scholar] [CrossRef]
- Javed, W.; Chen, D.; Farrag, M.E.; Xu, Y. System Configuration, Fault Detection, Location, Isolation and Restoration: A Review on LVDC Microgrid Protections. Energies 2019, 12, 1001. [Google Scholar] [CrossRef]
- Chandra, A.; Singh, G.K.; Pant, V. Protection Techniques for DC Microgrid—A Review. Electr. Power Syst. Res. 2020, 187, 106439. [Google Scholar] [CrossRef]
- Talaq, M.A.; Almuhaini, M.; Qadhi, H. Bin Renewable Energy Sources Contribution to Short Circuit Current. In Proceedings of the 2023 IEEE PES 15th Asia-Pacific Power and Energy Engineering Conference (APPEEC), Chiang Mai, Thailand, 6–9 December 2023; pp. 1–5. [Google Scholar] [CrossRef]
- Shah, H.; Chakravorty, J.; Chothani, N.G. Protection Challenges and Mitigation Techniques of Power Grid Integrated to Renewable Energy Sources: A Review. Energy Sources Part A Recover. Util. Environ. Eff. 2023, 45, 4195–4210. [Google Scholar] [CrossRef]
- Gomes, M.; Coelho, P.; Moreira, C. Microgrid Protection Schemes. Microgrids Des. Implement. 2018, 311–336. [Google Scholar] [CrossRef]
- Salomonsson, D.; Söder, L.; Sannino, A. Protection of Low-Voltage DC Microgrids. IEEE Trans. Power Deliv. 2009, 24, 1045–1053. [Google Scholar] [CrossRef]
- Meghwani, A.; Srivastava, S.C.; Chakrabarti, S. A New Protection Scheme for DC Microgrid Using Line Current Derivative. In Proceedings of the 2015 IEEE Power & Energy Society General Meeting, Denver, CO, USA, 26–30 July 2015; pp. 1–5. [Google Scholar] [CrossRef]
- Liu, W.; Chau, K.T.; Tian, X.; Wang, H.; Hua, Z. Smart Wireless Power Transfer—Opportunities and Challenges. Renew. Sustain. Energy Rev. 2023, 180, 113298. [Google Scholar] [CrossRef]
- Jo, S.; Li, G.; Kim, D. Design of Power Supply Based on Inductive Power Transfer System for Medium Voltage Direct Current Sensor. Electronics 2023, 12, 4702. [Google Scholar] [CrossRef]
- Auxiliary, A.; Circuit, P.; Regulations, A.O. An Auxiliary Passive Circuit and Control Design for Wireless Power Transfer Systems in DC Microgrids with Zero Voltage. Energies 2023, 16, 694. [Google Scholar] [CrossRef]
- Satpathi, K.; Thukral, N.; Ukil, A.; Zagrodnik, M.A. Directional protection scheme for MVDC shipboard power system. In Proceedings of the IECON 2016-42nd Annual Conference of the IEEE Industrial Electronics Society, Florence, Italy, 23–26 October 2016; pp. 3840–3847. [Google Scholar]
- Huang, A.Q. Medium-Voltage Solid-State Transformer: Technology for a Smarter and Resilient Grid. IEEE Ind. Electron. Mag. 2016, 10, 29–42. [Google Scholar] [CrossRef]
- Bineshaq, A.; Hossain, I.; Binqadhi, H.; Salem, A.; Abido, M.A. Design and Control of Two-Stage DC-AC Solid-State Transformer for Remote Area and Microgrid Applications. Sustainability 2023, 15, 7345. [Google Scholar] [CrossRef]
- Wang, D.; Emhemed, A.; Norman, P.; Burt, G. Evaluation of Existing DC Protection Solutions on an Active LVDC Distribution Network under Different Fault Conditions. CIRED Open Access Proc. J. 2017, 2017, 1112–1116. [Google Scholar] [CrossRef]
- Cervero, D.; Fotopoulou, M.; Muñoz-cruzado, J.; Rakopoulos, D.; Stergiopoulos, F.; Nikolopoulos, N.; Voutetakis, S.; Sanz, J.F. Solid State Transformers: A Critical Review of Projects with Relevant Prototypes and Demonstrators. Electronics 2023, 12, 931. [Google Scholar] [CrossRef]
- Debnath, S.; Qin, J.; Bahrani, B.; Saeedifard, M.; Barbosa, P. Operation, Control, and Applications of the Modular Multilevel Converter: A Review. IEEE Trans. Power Electron. 2015, 30, 37–53. [Google Scholar] [CrossRef]
- Ansari, J.A.; Liu, C.; Khan, S.A. MMC Based MTDC Grids: A Detailed Review on Issues and Challenges for Operation, Control and Protection Schemes. IEEE Access 2020, 8, 168154–168165. [Google Scholar] [CrossRef]
- Rao, G.K.; Jena, P.; Member, S. A Novel Fault Identification and Localization Scheme for Bipolar DC Microgrid. IEEE Trans. Ind. Informatics 2023, 19, 11752–11764. [Google Scholar] [CrossRef]
- Park, J.D.; Candelaria, J. Fault Detection and Isolation in Low-Voltage Dc-Bus Microgrid System. IEEE Trans. Power Deliv. 2013, 28, 779–787. [Google Scholar] [CrossRef]
- Microgrid, S.D.C. Detection and Classification For. IEEE Trans. Ind. Informatics 2023, 19, 11730–11741. [Google Scholar] [CrossRef]
- Bayati, N.; Baghaee, H.R.; Savaghebi, M.; Hajizadeh, A.; Soltani, M.N.; Lin, Z. DC Fault Current Analyzing, Limiting, and Clearing in DC Microgrid Clusters. Energies 2021, 14, 6337. [Google Scholar] [CrossRef]
- Salehimehr, S.; Brenna, M. A Novel Machine Learning-Based Approach for Fault Detection and Location in Low-Voltage DC Microgrids. Sustainability 2024, 16, 2821. [Google Scholar] [CrossRef]
- Monadi, M.; Zamani, M.A.; Candela, J.I.; Luna, A.; Rodriguez, P. Protection of AC and DC Distribution Systems Embedding Distributed Energy Resources: A Comparative Review and Analysis. Renew. Sustain. Energy Rev. 2015, 51, 1578–1593. [Google Scholar] [CrossRef]
- Wang, D.; Emhemed, A.A.S.; Burt, G.M. Improved Voltage-Based Protection Scheme for an LVDC Distribution Network Interfaced by a Solid State Smart Transformer. IET Gener. Transm. Distrib. 2019, 13, 4821–4829. [Google Scholar] [CrossRef]
- Fletcher, S.D.A.; Norman, P.J.; Galloway, S.J.; Burt, G.M. Determination of Protection System Requirements for DC Unmanned Aerial Vehicle Electrical Power Networks for Enhanced Capability and Survivability. IET Electr. Syst. Transp. 2011, 1, 137–147. [Google Scholar] [CrossRef]
- Jayamaha, D.K.J.S.; Lidula, N.W.A.; Rajapakse, A.D. Protection and Grounding Methods in DC Microgrids: Comprehensive Review and Analysis. Renew. Sustain. Energy Rev. 2020, 120, 109631. [Google Scholar] [CrossRef]
- Yang, J.; Fletcher, J.E.; O’Reilly, J. Short-Circuit and Ground Fault Analyses and Location in VSC-Based DC Network Cables. IEEE Trans. Ind. Electron. 2012, 59, 3827–3837. [Google Scholar] [CrossRef]
- Mirsaeidi, S.; Mat Said, D.; Wazir Mustafa, M.; Hafiz Habibuddin, M.; Ghaffari, K. Progress and Problems in Micro-Grid Protection Schemes. Renew. Sustain. Energy Rev. 2014, 37, 834–839. [Google Scholar] [CrossRef]
- Amleh, N.; AlMuhaini, M.; Khalid, M. Impact of Smart Restoration and Energy Storage Systems on the Reliability of Electric Microgrid. Arab. J. Sci. Eng. 2020, 45, 1911–1925. [Google Scholar] [CrossRef]
- Li, W.; Monti, A.; Ponci, F. Fault Detection and Classification in Medium Voltage Dc Shipboard Power Systems with Wavelets and Artificial Neural Networks. IEEE Trans. Instrum. Meas. 2014, 63, 2651–2665. [Google Scholar] [CrossRef]
- Hernandez, J.C.; Sutil, F.S.; Vidal, P.G. Protection of a Multi-terminal DC Compact Node Feeding Electric Vehicles on Electric Railway Systems, Secondary Distribution Networks, and PV Systems. Turk. J. Electr. Eng. Comput. Sci. 2016, 24, 3123–3143. [Google Scholar] [CrossRef]
- Baran, M.E.; Mahajan, N.R. Overcurrent Protection on Voltage-Source-Converter-Based Multi-terminal DC Distribution Systems. IEEE Trans. Power Deliv. 2007, 22, 406–412. [Google Scholar] [CrossRef]
- Qi, L.; Antoniazzi, A.; Raciti, L. DC Distribution Fault Analysis, Protection Solutions, and Example Implementations. IEEE Trans. Ind. Appl. 2018, 54, 3179–3186. [Google Scholar] [CrossRef]
- Wen, W.; Li, B.; Li, B.; Liu, H.; He, J.; Ma, J.; Li, Y. Analysis and Experiment of a Micro-Loss Multi-Port Hybrid DCCB for MVDC Distribution System. IEEE Trans. Power Electron. 2019, 34, 7933–7941. [Google Scholar] [CrossRef]
- Gnana Swathika, O.V.; Hemamalini, S. Prims-Aided Dijkstra Algorithm for Adaptive Protection in Microgrids. IEEE J. Emerg. Sel. Top. Power Electron. 2016, 4, 1279–1286. [Google Scholar] [CrossRef]
- Teimourzadeh, S.; Aminifar, F.; Davarpanah, M.; Guerrero, J.M. Macroprotections for Microgrids: Toward a New Protection Paradigm Subsequent to Distributed Energy Resource Integration. IEEE Ind. Electron. Mag. 2016, 10, 6–18. [Google Scholar] [CrossRef]
- Fletcher, S.D.A.; Norman, P.J.; Galloway, S.J.; Crolla, P.; Burt, G.M. Optimizing the Roles of Unit and Non-Unit Protection Methods within DC Microgrids. IEEE Trans. Smart Grid 2012, 3, 2079–2087. [Google Scholar] [CrossRef]
- Bidram, B.A.; Reno, M.J.; Ali, S.; Khalil, G. Trends in Dc Microgrids. IEEE Electrif. Mag. 2024, 12, 33–47. [Google Scholar] [CrossRef]
- Meghwani, A.; Srivastava, S.C.; Chakrabarti, S. Local Measurement-Based Technique for Estimating Fault Location in Multi-Source DC Microgrids. IET Gener. Transm. Distrib. 2018, 12, 3305–3313. [Google Scholar] [CrossRef]
- Shareef, R.; Mahmood, T.; Tariq, F. Enhanced Local Measurement Based Online Fault Location Technique for Low Voltage DC Distribution Network. In Proceedings of the 2022 5th International Conference on Energy Conservation and Efficiency (ICECE), Lahore, Pakistan, 16–17 March 2022; pp. 1–6. [Google Scholar]
- Cairoli, P.; Dougal, R.A.; Lentijo, K. Coordination between supply power converters and contactors for fault protection in multi-terminal MVDC distribution systems. Electr. Ship Technol. Symp. 2013, 499, 22–24. [Google Scholar]
- Saleh, K.A.; Hooshyar, A.; El-Saadany, E.F. Hybrid Passive-Overcurrent Relay for Detection of Faults in Low-Voltage DC Grids. IEEE Trans. Smart Grid 2017, 8, 1129–1138. [Google Scholar] [CrossRef]
- Sharma, S.; Tripathy, M.; Wang, L. A Novel Fault Detection and Classification Scheme for DC Microgrid Based on Transient Reactor Voltage with Localized Back-up Scheme. Int. J. Electr. Power Energy Syst. 2022, 142, 108275. [Google Scholar] [CrossRef]
- Meghwani, A.; Srivastava, S.C.; Chakrabarti, S. A Non-Unit Protection Scheme for DC Microgrid Based on Local Measurements. IEEE Trans. Power Deliv. 2017, 32, 172–181. [Google Scholar] [CrossRef]
- Meghwani, A.; Gokaraju, R.; Srivastava, S.C.; Chakrabarti, S. Local Measurements-Based Backup Protection for DC Microgrids Using Sequential Analyzing Technique. IEEE Syst. J. 2019, 14, 1159–1170. [Google Scholar] [CrossRef]
- Mohanty, R.; Pradhan, A.K. Protection of Smart DC Microgrid with Ring Configuration Using Parameter Estimation Approach. IEEE Trans. Smart Grid 2018, 9, 6328–6337. [Google Scholar] [CrossRef]
- Emhemed, A.A.S.; Fong, K.; Fletcher, S.; Burt, G.M. Validation of Fast and Selective Protection Scheme for an LVDC Distribution Network. IEEE Trans. Power Deliv. 2017, 32, 1432–1440. [Google Scholar] [CrossRef]
- Mohanty, R.; Pradhan, A.K. A Superimposed Current Based Unit Protection Scheme for DC Microgrid. IEEE Trans. Smart Grid 2018, 9, 3917–3919. [Google Scholar] [CrossRef]
- Ahmadi, S.; Sadeghkhani, I.; Shahgholian, G.; Fani, B.; Guerrero, J.M. Protection of LVDC Microgrids in Grid-Connected and Islanded Modes Using Bifurcation Theory. IEEE J. Emerg. Sel. Top. Power Electron. 2019, 9, 2597–2604. [Google Scholar] [CrossRef]
- Monadi, M.; Gavriluta, C.; Luna, A.; Candela, J.I.; Rodriguez, P. Centralized Protection Strategy for Medium Voltage DC Microgrids. IEEE Trans. Power Deliv. 2017, 32, 430–440. [Google Scholar] [CrossRef]
- Fletcher, S.D.A.; Norman, P.J.; Fong, K.; Galloway, S.J.; Burt, G.M. High-Speed Differential Protection for Smart DC Distribution Systems. IEEE Trans. Smart Grid 2014, 5, 2610–2617. [Google Scholar] [CrossRef]
- Dhar, S.; Patnaik, R.K.; Dash, P.K. Fault Detection and Location of Photovoltaic Based DC Microgrid Using Differential Protection Strategy. IEEE Trans. Smart Grid 2018, 9, 4303–4312. [Google Scholar] [CrossRef]
- Cairoli, P.; Dougal, R.A. Fault Detection and Isolation in Medium-Voltage DC Microgrids: Coordination between Supply Power Converters and Bus Contactors. IEEE Trans. Power Electron. 2018, 33, 4535–4546. [Google Scholar] [CrossRef]
- Bayati, N.; Baghaee, H.R.; Hajizadeh, A.; Soltani, M. Localized Protection of Radial DC Microgrids with High Penetration of Constant Power Loads. IEEE Syst. J. 2020, 15, 4145–4156. [Google Scholar] [CrossRef]
- Yang, Y.; Huang, C.; Xu, Q. A Fault Location Method Suitable for Low-Voltage DC Line. IEEE Trans. Power Deliv. 2020, 35, 194–204. [Google Scholar] [CrossRef]
- Jia, K.; Li, M.; Bi, T.S.; Yang, Q.X. A Voltage Resonance-Based Single-Ended Online Fault Location Algorithm for DC Distribution Networks. Sci. China Technol. Sci. 2016, 59, 721–729. [Google Scholar] [CrossRef]
- Ikhide, M.; Tennakoon, S.B.; Ha, H.; Griffiths, A.L.; Subramanian, S.; Adamczyk, A.J. A Transient and Non-Unit-Based Protection Technique for DC Grids Based on the Rate-of-Change (R-o-C) of the Fault Induced Travelling Wave Components. Sustain. Energy Grids Netw. 2019, 17, 100195. [Google Scholar] [CrossRef]
- Zhang, C.; Song, G.; Yang, L.; Dong, X. Non-Unit Travelling Wave Protection Method for Dc Transmission Line Using Waveform Correlation Calculation. IET Gener. Transm. Distrib. 2020, 14, 2263–2270. [Google Scholar] [CrossRef]
- Wu, J.; Li, H.; Wang, G.; Liang, Y. An Improved Traveling-Wave Protection Scheme for LCC-HVDC Transmission Lines. IEEE Trans. Power Deliv. 2017, 32, 106–116. [Google Scholar] [CrossRef]
- Jafarian, P.; Sanaye-Pasand, M. A Traveling-Wave-Based Protection Technique Using Wavelet/Pca Analysis. IEEE Trans. Power Deliv. 2010, 25, 588–599. [Google Scholar] [CrossRef]
- Jamali, S.Z.; Bukhari, S.B.A.; Khan, M.O.; Mehdi, M.; Noh, C.H.; Gwon, G.H.; Kim, C.H. Protection Scheme of a Last Mile Active LVDC Distribution Network with Reclosing Option. Energies 2018, 11, 1093. [Google Scholar] [CrossRef]
- Saleh, K.A.; Hooshyar, A.; El-Saadany, E.F. Ultra-High-Speed Traveling-Wave-Based Protection Scheme for Medium-Voltage DC Microgrids. IEEE Trans. Smart Grid 2019, 10, 1440–1451. [Google Scholar] [CrossRef]
- Saleh, K.; Hooshyar, A.; El-saadany, E.F. Fault Detection and Location in Medium-Voltage DC Microgrids Using Travelling-Wave Reflections. IET Renew. Power Gener. 2020, 14, 571–579. [Google Scholar] [CrossRef]
- Montoya, R.; Poudel, B.P.; Bidram, A.; Reno, M.J. DC Microgrid Fault Detection Using Multiresolution Analysis of Traveling Waves. Int. J. Electr. Power Energy Syst. 2022, 135, 107590. [Google Scholar] [CrossRef]
- Nagam, S.S.; Panda, R.K.; Mohapatra, A.; Anand, S. Gaussian Process Regression Based Fault Location in DC Microgrid. In Proceedings of the 2020 IEEE Texas Power and Energy Conference (TPEC), College Station, TX, USA, 6–7 February 2020; pp. 1–6. [Google Scholar]
- Pan, P.; Mandal, R.K. Learning Approach Based DC Arc Fault Location Classification in DC Microgrids. Electr. Power Syst. Res. 2022, 208, 107874. [Google Scholar] [CrossRef]
- Karmacharya, I.M.; Gokaraju, R. Fault Location in Ungrounded Photovoltaic System Using Wavelets and ANN. IEEE Trans. Power Deliv. 2018, 33, 549–559. [Google Scholar] [CrossRef]
- Yang, Q.; Li, J.; Le Blond, S.; Wang, C. Artificial Neural Network Based Fault Detection and Fault Location in the DC Microgrid. Energy Procedia 2016, 103, 129–134. [Google Scholar] [CrossRef]
- Guomin, L.; Yingjie, T.; Changyuan, Y.; Yinglin, L.; Jinghan, H. Deep Learning-Based Fault Location of DC Distribution Networks. J. Eng. 2019, 2019, 3301–3305. [Google Scholar] [CrossRef]
- Pugliese, H.; Von Kannewurff, M. Discovering DC: A Primer on Dc Circuit Breakers, Their Advantages, and Design. IEEE Ind. Appl. Mag. 2013, 19, 22–28. [Google Scholar] [CrossRef]
- Tang, L.; Ooi, B.T. Locating and Isolating DC Faults in Multi-Terminal DC Systems. IEEE Trans. Power Deliv. 2007, 22, 1877–1884. [Google Scholar] [CrossRef]
- Dewan, L. Advances in Renewable Energy and Sustainable Environment; Lecture Notes in Electrical Engineering 667; Springer: Berlin/Heidelberg, Germany, 2019; ISBN 9789811553127. [Google Scholar]
- Cuzner, R.; MacFarlin, D.; Clinger, D.; Rumney, M.; Castles, G. Circuit Breaker Protection Considerations in Power Converter-Fed Dc Systems. In Proceedings of the IEEE Electric Ship Technologies Symposium, Baltimore, MD, USA, 20–22 April 2009; ESTS 2009. pp. 360–367. [Google Scholar]
- Franck, C.M. HVDC Circuit Breakers: A Review Identifying Future Research Needs. IEEE Trans. Power Deliv. 2011, 26, 998–1007. [Google Scholar] [CrossRef]
- Pei, X.; Cwikowski, O.; Vilchis-Rodriguez, D.S.; Barnes, M.; Smith, A.C.; Shuttleworth, R. A Review of Technologies for MVDC Circuit Breakers. In Proceedings of the IECON 2016—42nd Annual Conference of the IEEE Industrial Electronics Society, Florence, Italy, 23–26 October 2016; pp. 3799–3805. [Google Scholar] [CrossRef]
- Schultz, T.; Herzog, P.; Franck, C.M. Interruption Limits of Mechanical Circuit Breakers and Circuit Upgrades for Current Injection in HVDC Circuit Breakers. High Volt. 2020, 5, 334–342. [Google Scholar] [CrossRef]
- Anselmo, I.S.; Rashid, M.H. Solid-State Circuit Breakers for D.C. Microgrid Applications. In Proceedings of the International Conference on Electrical, Communication, and Computer Engineering (ICECCE), Istanbul, Turkey, 12–13 June 2020; pp. 1–4. [Google Scholar]
- Shen, Z.J.; Sabui, G.; Miao, Z.; Shuai, Z. Wide-Bandgap Solid-State Circuit Breakers for DC Power Systems: Device and Circuit Considerations. IEEE Trans. Electron Devices 2015, 62, 294–300. [Google Scholar] [CrossRef]
- Almutairy, I. Solid State Circuit Breaker Protection Devices for DC Microgrid in Review. In Proceedings of the 2016 5th International Conference on Electronic Devices, Systems and Applications (ICEDSA), Ras Al Khaimah, United Arab Emirates, 6–8 December 2016; pp. 1–3. [Google Scholar] [CrossRef]
- Pang, T.; Rahman, M.F.; Manjrekar, M.D. A Ground Clamped Solid-State Circuit Breaker for DC Distribution Systems. In Proceedings of the 2020 IEEE Energy Conversion Congress and Exposition (ECCE), Detroit, MI, USA, 11–15 October 2020; pp. 989–994. [Google Scholar] [CrossRef]
- Sano, K.; Takasaki, M. A Surgeless Solid-State DC Circuit Breaker for Voltage-Source-Converter-Based HVDC Systems. IEEE Trans. Ind. Appl. 2014, 50, 2690–2699. [Google Scholar] [CrossRef]
- Shukla, A.; Demetriades, G.D. A Survey on Hybrid Circuit-Breaker Topologies. IEEE Trans. Power Deliv. 2015, 30, 627–641. [Google Scholar] [CrossRef]
- Callavik, M.; Blomberg, A.; Häfner, J.; Jacobson, B. The hybrid HVDC breaker. ABB Grid Syst. Tech. Pap. 2012, 361, 143–152. Available online: https://www.ingegneriaelettrica.net/documenti/ABB_hybrid-hvdc-breaker.pdf (accessed on 4 July 2024).
- Bingjian, Y.; Yang, G.; Xiaoguang, W.; Zhiyuan, H.; Longlong, C.; Yunhai, S. A Hybrid Circuit Breaker for DC-Application. In Proceedings of the 2015 IEEE First International Conference on DC Microgrids (ICDCM), Atlanta, GA, USA, 7–10 June 2015; pp. 187–192. [Google Scholar] [CrossRef]
- Corzine, K.A.; Ashton, R.W. A New Z-Source DC Circuit Breaker. IEEE Trans. Power Electron. 2012, 27, 2796–2804. [Google Scholar] [CrossRef]
- I, V.R.; Banavath, S.N.; Thamballa, S. Modified Z-Source DC Circuit Breaker with Enhanced Performance during Commissioning and Reclosing. IEEE Trans. Power Electron. 2021, 37, 910–919. [Google Scholar] [CrossRef]
- Zhou, Z.; Jiang, J.; Ye, S.; Yang, D.; Jiang, J. Novel Bidirectional O-Z-Source Circuit Breaker for DC Microgrid Protection. IEEE Trans. Power Electron. 2020, 36, 1602–1613. [Google Scholar] [CrossRef]
- I, V.R.; Naik, B.S.; Sreekanth, T. Modified Z-Source DC Circuit Breaker with Zero Negative Current in the Load. In Proceedings of the 2021 IEEE 12th Energy Conversion Congress & Exposition-Asia (ECCE-Asia), Singapore, 24–27 May 2021; pp. 1548–1553. [Google Scholar] [CrossRef]
- Subramaniam, K.; Illindala, M.S. Intelligent Three Tie Contactor Switch Unit-Based Fault Detection and Isolation in Dc Microgrids. IEEE Trans. Ind. Appl. 2020, 56, 95–105. [Google Scholar] [CrossRef]
- Qin, J.; Saeedifard, M.; Rockhill, A.; Zhou, R. Hybrid Design of Modular Multilevel Converters for HVDC Systems Based on Various Submodule Circuits. IEEE Trans. Power Deliv. 2015, 30, 385–394. [Google Scholar] [CrossRef]
- Cairoli, P.; Rodrigues, R.; Zheng, H. Fault Current Limiting Power Converters for Protection of DC Microgrids. In Proceedings of the SoutheastCon 2017, Concord, NC, USA, 30 March–2 April 2017. [Google Scholar] [CrossRef]
- Lu, D.D.C.; Soon, J.L.; Verstraete, D. Derivation of Dual-Switch Step-down DC/DC Converters with Fault-Tolerant Capability. IEEE Trans. Power Electron. 2016, 31, 6064–6068. [Google Scholar] [CrossRef]
- Shulin, L.; Jian, L.; Yang, Y.; Zhong, J. Design of Intrinsically Safe Buck DC/DC Converters. In Proceedings of the 2005 International Conference on Electrical Machines and Systems, Nanjing, China, 27–29 September 2005; Volume 2, pp. 1327–1331. [Google Scholar] [CrossRef]
- Xiao, Z. An Instantaneously Triggered Short-Circuit Protection Architecture for Boost Switching DC/DC Converters. IEEE Trans. Power Electron. 2018, 33, 5677–5685. [Google Scholar] [CrossRef]
- Li, B.; Lv, H.; Wen, W.; Liu, H.; Zhang, Z.; Li, G.; Li, B.; Wang, Y. Continuous Operation of LVDC Source/Load under DC Faults in MMC-DC Distribution Systems. Electr. Power Syst. Res. 2021, 194, 107065. [Google Scholar] [CrossRef]
- Chen, C.; Adam, G.P.; Finney, S.; Fletcher, J.; Williams, B. H-Bridge Modular Multilevel Converter: Control Strategy for Improved DC Fault Ride-through Capability without Converter Blocking. IET Power Electron. 2015, 8, 1996–2008. [Google Scholar] [CrossRef]
- López, M.; Rodríguez, A.; Blanco, E.; Saeed, M.; Martínez, Á.; Briz, F. Design and Implementation of the Control of an MMC-Based Solid State Transformer. In Proceedings of the 2015 IEEE 13th International Conference on Industrial Informatics (INDIN), Cambridge, UK, 22–24 July 2015; pp. 1583–1590. [Google Scholar] [CrossRef]
- Binqadhi, H.M.; Hossain, I.; Bineshaq, A. Fault Current Control of Three-Phase Dual Active Bridge DC—DC Converter Employing Modified Asymmetrical Duty Cycle Control Modulation. IEEE Access 2024, 12, 87348–87360. [Google Scholar] [CrossRef]
- De Doncker, R.W.A.A.; Divan, D.M.; Kheraluwala, M.H. A Three-Phase Soft-Switched High-Power-Density DC/DC Converter for High-Power Applications. IEEE Trans. Ind. Appl. 1991, 27, 63–73. [Google Scholar] [CrossRef]
- Hu, J.; Cui, S.; De Doncker, R.W. DC Fault Ride-Through of a Three-Phase Dual-Active Bridge Converter for DC Grids. In Proceedings of the 2018 International Power Electronics Conference (IPEC-Niigata 2018-ECCE Asia), Niigata, Japan, 20–24 May 2018; pp. 2250–2256. [Google Scholar] [CrossRef]
- Hu, J.; Stieneker, M.; Joebges, P.; De Doncker, R.W. Intelligent DC-DC Converter Based Substations Enable Breakerless MVDC Grids. In Proceedings of the 2018 IEEE Electronic Power Grid (eGrid), Charleston, SC, USA, 12–14 November 2018. [Google Scholar] [CrossRef]
Disclaimer/Publisher’s Note: The statements, opinions and data contained in all publications are solely those of the individual author(s) and contributor(s) and not of MDPI and/or the editor(s). MDPI and/or the editor(s) disclaim responsibility for any injury to people or property resulting from any ideas, methods, instructions or products referred to in the content. |
© 2024 by the authors. Licensee MDPI, Basel, Switzerland. This article is an open access article distributed under the terms and conditions of the Creative Commons Attribution (CC BY) license (https://creativecommons.org/licenses/by/4.0/).