A Wind-Storage Combined Frequency Regulation Control Strategy Based on Improved Torque Limit Control
Abstract
1. Introduction
1.1. Background and Motivation
1.2. Literature Review
1.2.1. The Control Strategies of DFIG Participating in Primary Frequency Regulation
1.2.2. Application of Battery Energy Storage Systems (BESSs) in Grid Frequency Regulation
1.3. Proposed Method and Contributions
- (1)
- The ITLC proposed in this paper can more effectively play the potential of rotor kinetic energy. It can improve the frequency response of the system.
- (2)
- During the speed recovery phase of ITLC, the BESS can adjust its output according to the SOC, shorten the time required for the speedy recovery, and avoid SFD.
- (3)
- A SOC recovery control strategy is considered, and SOC can be restored automatically when it is not in good condition. It can extend the life of the battery.
1.4. Organization of the Paper
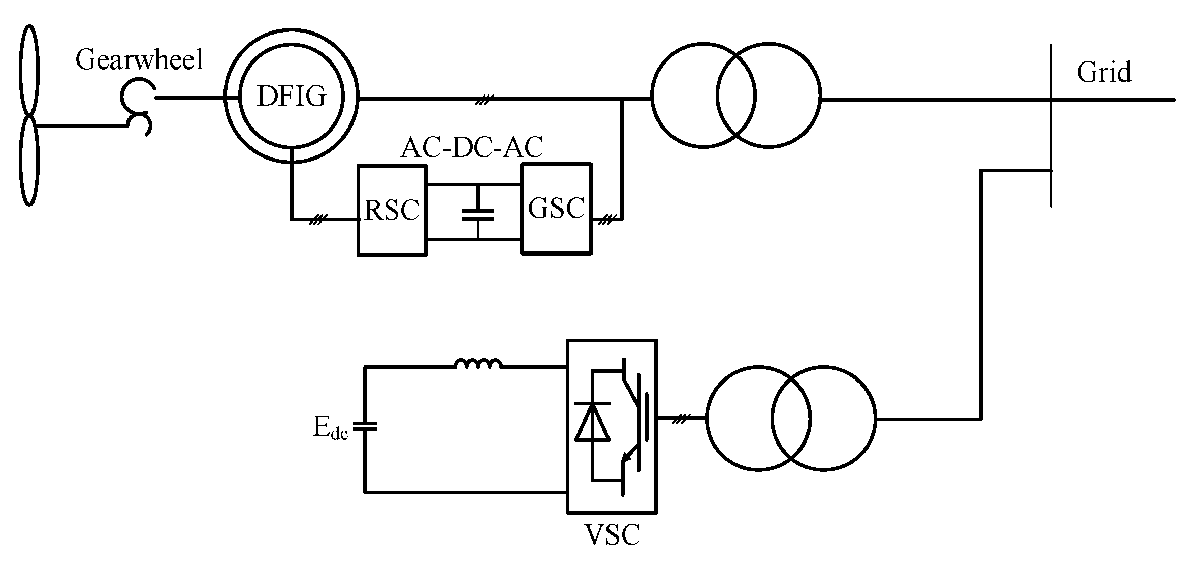
2. Modeling and Inertia Analysis of DFIG and BESS
2.1. Modeling of DFIG and BESS
2.2. Inertia Analysis
3. Improved Torque Limit Control Strategy
3.1. The Torque Limit of DFIG
3.2. Implementation Methods
3.2.1. Stage I: Deceleration Phase
3.2.2. Stage II: Acceleration Phase
- (1)
- It ensures the DFIG will not stall and improves SFD. Equation (19) ensures that the rotor’s kinetic energy released by DFIG at point C does not exceed 70% of the total available kinetic energy. It can prevent the active output of DFIG decreases too fast, resulting in insufficient frequency support for the system and SFD.
- (2)
- It can effectively increase the frequency nadir in different frequency responses. When the frequency changes, the DFIG provides constant power support before the frequency drops to nadir. This method can automatically adjust the time for DFIG to provide constant power support for different frequency responses.
- (3)
- By designing such a stage that the active power reference value decreases with time, the active power reference value can be reduced by up to 0.05 p.u. It can increase the difference between the DFIG’s mechanical power and the DFIG’s reference power, improving the rotor speed’s recovery speed. This method can avoid the SFD caused by the sudden drop of the DFIG’s active power output.
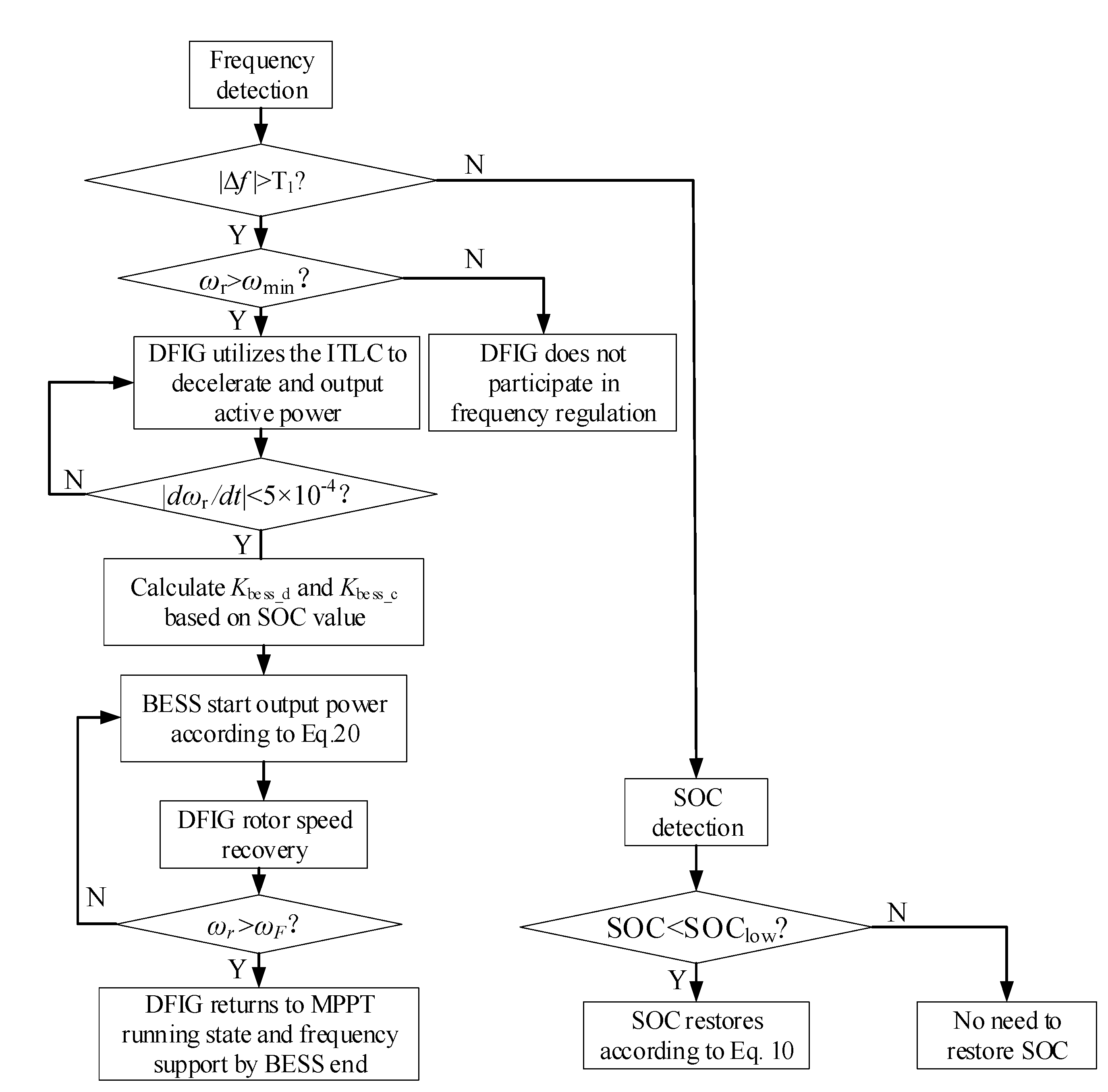
4. Wind-Storage Combined Frequency Regulation Control Strategy
4.1. Battery Energy Storage System and Its Control
4.2. Wind-Storage Combined Control Strategy
- (1)
- Active power support control of DFIG. When the system active power shortage occurs and the frequency falls out of the dead zone, DFIG uses ITLC to adjust the active output to achieve rapid throughput of the rotor inertia and provide support for the system frequency.
- (2)
- BESS auxiliary speed recovery control. When the DFIG active power support process ends, and the speed meets the convergence condition, the BESS starts to output power according to Equation (26) if the SOC of BESS is in good condition. It can compensate for the active power shortage caused by the DFIG’s speed recovery and accelerate the recovery speed
- (3)
- BESS recovery output control. When the system frequency is in good condition but the SOC of the BESS is low, the BESS resumes its output according to (27).
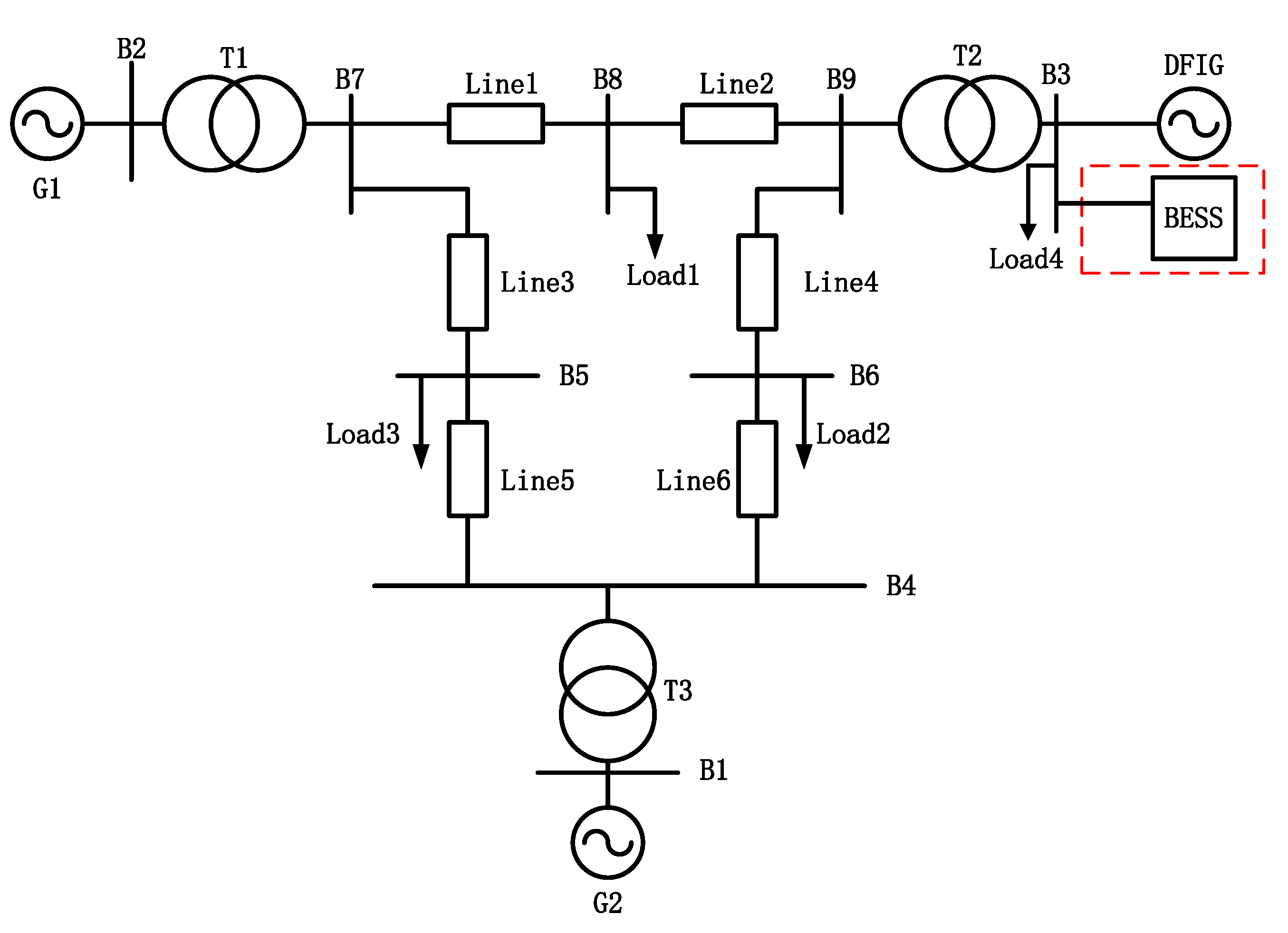
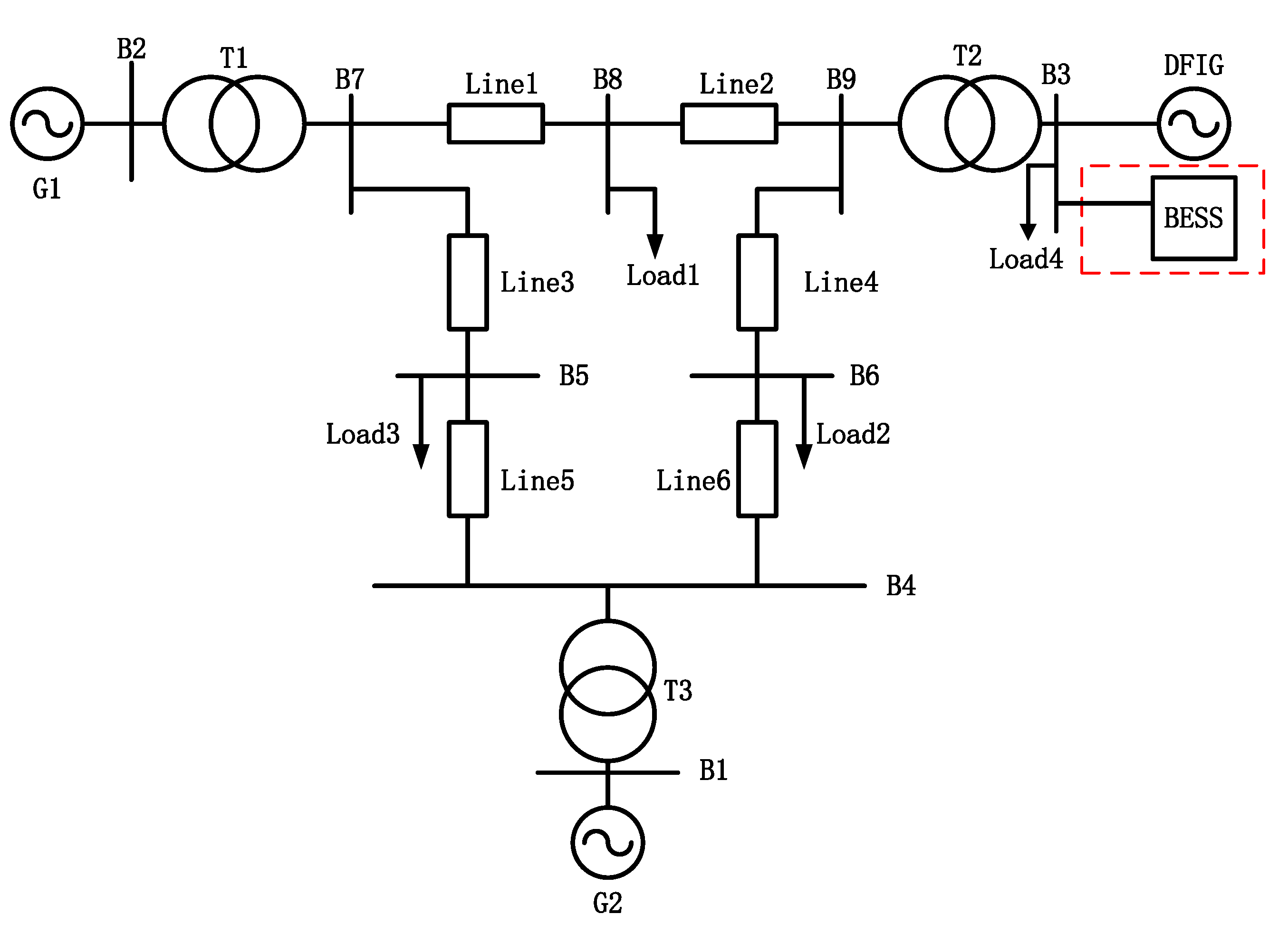
5. Simulation and Analysis
5.1. Simulation Analysis of ITLC
5.1.1. Scenario 1: Different Wind Speeds
5.1.2. Scenario 2: Different Penetration Rate
5.2. Simulation Analysis of Wind-Storage Combined Control Strategy
- Case 1:
- Low wind power penetration level (15.8%)
- Case 2:
- High wind power penetration level (38.9%)
- Case 3:
- Variable wind speed condition
6. Conclusions and Future Directions
Author Contributions
Funding
Institutional Review Board Statement
Informed Consent Statement
Data Availability Statement
Conflicts of Interest
Appendix A
| Classification | Parameter | Value |
|---|---|---|
| Synchronous generator | Rated voltage Vn | 18 kV |
| Rated power Pn | 100 MW | |
| Stator resistance Rs | 0.00285 p.u. | |
| Straight shaft synchronous reactance Xd | 0.896 p.u. | |
| Straight axis transient synchronous reactance X’d | 0.12 p.u. | |
| Diract-axis sub-transient synchronous reactance X’’d | 0.12 p.u. | |
| Quadrature axis synchronous reactance Xq | 0.896 p.u. | |
| Quadrature axis sub-transient synchronous reactance X’’q | 0.12 p.u. | |
| Inertial time constant H | 6.4 s | |
| Damping coefficent D | 0 | |
| Transformer | Rated voltage Vn1:Vn2 | 18 kV:220 kV |
| Rated capacity Sn | 100 MVA | |
| Equivalent resistance RT | 0.002 p.u. | |
| Equivalent inductance LT | 0.0625 p.u. | |
| Magnetizing inductance LmT | 10 p.u. | |
| Load | Load 1 | 100 MW |
| Load 2 | 30 MW | |
| Load 3 | 116.15 MW |
| Vn [V] | Pn [MW] | ωnom [rad/s] | T [s] | Rs [p.u.] | Ls [p.u.] | Rr [p.u.] | Lr [p.u.] | Lm [p.u.] | H [s] |
|---|---|---|---|---|---|---|---|---|---|
| 575 | 1.5 | 157.08 | 0.02 | 0.007 | 0.171 | 0.005 | 0.15 | 2.9 | 5.04 |
References
- Garmroodi, M.; Verbič, G.; Hill, D.J. Frequency Support from Wind Turbine Generators with a Time-Variable Droop Characteristic. IEEE Tran. Sustain. Energy 2018, 9, 676–684. [Google Scholar] [CrossRef]
- Global Wind Report 2018. Available online: https://gwec.net/global-wind-report-2018 (accessed on 15 March 2019).
- Li, H.; Zhang, X.; Wang, Y. Virtual Inertia Control of DFIG-based Wind Turbines Based on the Optimal Power Tracking. Proc. Chin. Soc. Electr. Eng. 2012, 32, 32–39. [Google Scholar]
- Yang, D.; Kim, J.; Kang, Y.C.; Zhang, N.; Hong, J. Temporary Frequency Support of a DFIG for High Wind Power Penetration. IEEE Trans. Power Syst. 2018, 5, 3428–3437. [Google Scholar] [CrossRef]
- Tang, X.; Miao, F.; Qi, Z. Survey on frequency control of wind power. Proc. Chin. Soc. Electr. Eng. 2014, 34, 4304–4314. [Google Scholar]
- Bao, Y.-Q.; Yang, L. On deloading control strategies of wind generators for system frequency regulation. Int. Trans. Electr. Energy Syst. 2015, 25, 623–635. [Google Scholar] [CrossRef]
- Zhang, X.; Chen, Y.; Wang, Y.; Zha, X.; Yue, X. Deloading Power Coordinated Distribution Method for Frequency Regulation by Wind Farms Considering Wind Speed Differences. IEEE Access 2019, 9, 122573–122582. [Google Scholar] [CrossRef]
- Vidyanandan, K.V.; Senroy, N. Primary frequency regulation by deloaded wind turbines using variable droop. IEEE Trans. Power Syst. 2013, 5, 837–846. [Google Scholar] [CrossRef]
- de Almeida, R.G.; Pecas Lopes, J.A. Participation of Doubly Fed Induction Wind Generators in System Frequency Regulation. IEEE Trans. Power Syst. 2007, 8, 944–950. [Google Scholar] [CrossRef]
- Dreidy, M.; Mokhlis, H.; Mekhilef, S. Inertia response and frequency control techniques for renewable energy sources: A review. Renew. Sustain. Energy Rev. 2017, 69, 144–155. [Google Scholar] [CrossRef]
- Morren, J.; Haan, S.W.; Kling, W.L. Wind turbines emulating inertia and supporting primary frequency control. IEEE Trans. Power Syst. 2006, 1, 433–434. [Google Scholar] [CrossRef]
- Tarnowski, G.C.; Kjar, P.C.; Sorensen, P.E. Variable speed wind turbines capability for temporary over-production. In Proceedings of the Power Energy Society General Meeting, Calgary, AB, Canada, 26–30 July 2009; pp. 1–7. [Google Scholar]
- Liu, K.; Qu, Y.; Kim, H.; Song, H. Avoiding Frequency Second Dip in Power Unreserved Control during Wind Power Rotational Speed Recovery. IEEE Trans. Power Syst. 2018, 5, 3097–3106. [Google Scholar] [CrossRef]
- Kang, M.; Kim, K.; Muljadi, E. Frequency Control Support of a Doubly-Fed Induction Generator Based on the Torque Limit. IEEE Trans. Power Syst. 2016, 11, 4575–4583. [Google Scholar] [CrossRef]
- Poullikkas, A. A comparative overview of large-scale battery systems for electricity storage. Renew. Sustain. Energy Rev. 2013, 27, 778–788. [Google Scholar] [CrossRef]
- Delille, G.; François, B.; Malarange, G. Dynamic frequency control support: A virtual inertia provided by distributed energy storage to isolated power systems. In Proceedings of the 2010 IEEE PES Innovative Smart Grid Technologies Conference Europe (ISGT Europe), Gothenberg, Sweden, 11–13 October 2010; pp. 1–8. [Google Scholar] [CrossRef]
- Qu, L.; Qiao, W. Constant Power Control of DFIG Wind Turbines with Supercapacitor Energy Storage. IEEE Trans. Ind. Appl. 2011, 1–2, 359–367. [Google Scholar] [CrossRef]
- Dang, J.; Seuss, J.; Suneja, L.; Harley, R.G. SOC feedback control for wind and ESS hybrid power system frequency regulation. In Proceedings of the 2012 IEEE Power Electronics and Machines in Wind Applications, Denver, CO, USA, 21 January 2012; pp. 1–7. [Google Scholar] [CrossRef]
- Miao, L.; Wen, J.; Xie, H.; Yue, C.; Lee, W. Coordinated Control Strategy of Wind Turbine Generator and Energy Storage Equipment for Frequency Support. IEEE Trans. Ind. Appl. 2015, 7–8, 2732–2742. [Google Scholar] [CrossRef]
- Wu, Z.; Gao, W.; Zhang, H.; Yan, S.; Wang, X. Coordinated Control Strategy of Battery Energy Storage System and PMSG-WTG to Enhance System Frequency Regulation Capability. IEEE Trans. Sustain. Energy 2017, 7, 1330–1343. [Google Scholar] [CrossRef]
- Zhao, J.; Li, M.; He, X.; Zhu, R. Control strategy of wind-storage combined frequency regulation based on torque limit control. Trans. Chin. Elec. Soc. 2019, 34, 4982–4990. [Google Scholar]
- Abir, A.; Mehdi, D. Control of permanent-magnet generators applied to variable-speed wind-energy. In Proceedings of the 2017 International Conference on Green Energy Conversion Systems (GECS), Hammamet, Tunisia, 23–25 March 2017; pp. 1–6. [Google Scholar] [CrossRef]
- MathWorks, Battery-Implement Generic Battery Model. Available online: http://www.mathworks.com/help/physmod/sps/powersys/ref/battery.html?s_tid=gn_loc_drop (accessed on 2 March 2021).
- Wang, X. Assessment of system frequency support effect of PMSG-WTG using torque-limit-based inertial control. In Proceedings of the 2016 IEEE Energy Conversion Congress and Exposition (ECCE), Milwaukee, WI, USA, 18–22 September 2016; pp. 1–6. [Google Scholar] [CrossRef]

















| Control Methods | Frequency Nadir (Hz) | Rotor’s Recovery Time (s) | Over-Shoot During Frequency Recovery (Hz) |
|---|---|---|---|
| original system | 49.56 | No | 0.06 |
| ITLC | 49.79 | 39 | No |
| Proposed combined control | 49.79 | 30 | 0.02 |
| Control Methods | Frequency Nadir (Hz) | Rotor’s Recovery time (s) | Over-Shoot During Frequency Recovery (Hz) |
|---|---|---|---|
| original system | 49.20 | no | 0.07 |
| ITLC | 49.48 | 110 | 0.01 |
| Proposed combined control | 49.48 | 77 | 0.01 |
| Control Methods | Frequency Nadir (Hz) | Rotor’s Recovery Time (s) | Over-Shoot During Frequency Recovery (Hz) |
|---|---|---|---|
| original system | 49.30 | no | 0.05 |
| ITLC | 49.49 | 35 | 0.02 |
| Proposed combined control | 49.49 | 26 | No |
Publisher’s Note: MDPI stays neutral with regard to jurisdictional claims in published maps and institutional affiliations. |
© 2021 by the authors. Licensee MDPI, Basel, Switzerland. This article is an open access article distributed under the terms and conditions of the Creative Commons Attribution (CC BY) license (http://creativecommons.org/licenses/by/4.0/).
Share and Cite
Hu, B.; Tang, F.; Liu, D.; Li, Y.; Wei, X. A Wind-Storage Combined Frequency Regulation Control Strategy Based on Improved Torque Limit Control. Sustainability 2021, 13, 3765. https://doi.org/10.3390/su13073765
Hu B, Tang F, Liu D, Li Y, Wei X. A Wind-Storage Combined Frequency Regulation Control Strategy Based on Improved Torque Limit Control. Sustainability. 2021; 13(7):3765. https://doi.org/10.3390/su13073765
Chicago/Turabian StyleHu, Benxi, Fei Tang, Dichen Liu, Yu Li, and Xiaoqing Wei. 2021. "A Wind-Storage Combined Frequency Regulation Control Strategy Based on Improved Torque Limit Control" Sustainability 13, no. 7: 3765. https://doi.org/10.3390/su13073765
APA StyleHu, B., Tang, F., Liu, D., Li, Y., & Wei, X. (2021). A Wind-Storage Combined Frequency Regulation Control Strategy Based on Improved Torque Limit Control. Sustainability, 13(7), 3765. https://doi.org/10.3390/su13073765

