Anti-Collision Path Planning and Tracking of Autonomous Vehicle Based on Optimized Artificial Potential Field and Discrete LQR Algorithm
Abstract
1. Introduction
- Section 2 details the collision-avoidance system description and framework, and analyzes autonomous obstacle avoidance and path-planning theory, as well as research based on the optimization of artificial potential field method for autonomous driving vehicles.
- In Section 3, the vehicle dynamics model is proposed to provide theoretical support for the path tracking controller.
- In Section 4, the tracking control principle of the DLQR algorithm is analyzed.
2. Path Planning for Autonomous Obstacle-Avoidance Based on an Improved APF Algorithm
2.1. Collision-Avoidance System Description and Framework
2.2. Road Potential Field Model
2.2.1. Hazardous Potential Fields at Road Boundaries
2.2.2. Safe Distance Protection Model
2.3. Classical Artificial Potential Field Method
2.3.1. Target Point Gravitational Field
2.3.2. Obstacle Vehicle Repulsion Field
2.4. Optimization of the Artificial Potential Field Method
2.4.1. Boosted Repulsive Field Function: Distance Adjustment Enhanced
2.4.2. Sub-Target Virtual Point Intervention
2.4.3. Sub-Target Virtual Potential Field Attraction Function
3. Vehicle Dynamics Modeling
3.1. Conditional Assumptions
- Exceptional road quality enables the vehicle to execute motion confined to a plane, parallel to the road surface, in pure two-dimensional dynamics;
- Given the rigidity of the vehicle, considerations for suspension system impacts are omitted;
- The left and right wheel angles do not alter when the vehicle rotates with the front wheels;
- How the vehicle tires are coupled longitudinally and laterally is not taken into account;
- The impact of aerodynamics is disregarded;
- The transfer of the vehicle load is disregarded;
- In order to streamline the study, the bicycle model is created while taking into account the characteristics of the reference path, as illustrated in Figure 5.
3.2. Vehicle Kinematics Modeling
3.3. Simplified Model of Vehicle Dynamics
4. Path Tracking for Autonomous Vehicles Based on DLQR Control Algorithm
4.1. Path Tracking Control Architecture
4.2. Calculation of Error Parameters
4.3. Feed-Forward Control
4.4. Forecasting System
4.5. Optimal DLQR Control
5. Simulation Verification of Optimized APF-Based Autonomous Vehicle Path Planning for Obstacle Avoidance
5.1. Experimental Parameter Presetting
5.2. Simulation Experiment Analysis
5.3. Conclusion of the Simulation Experiment
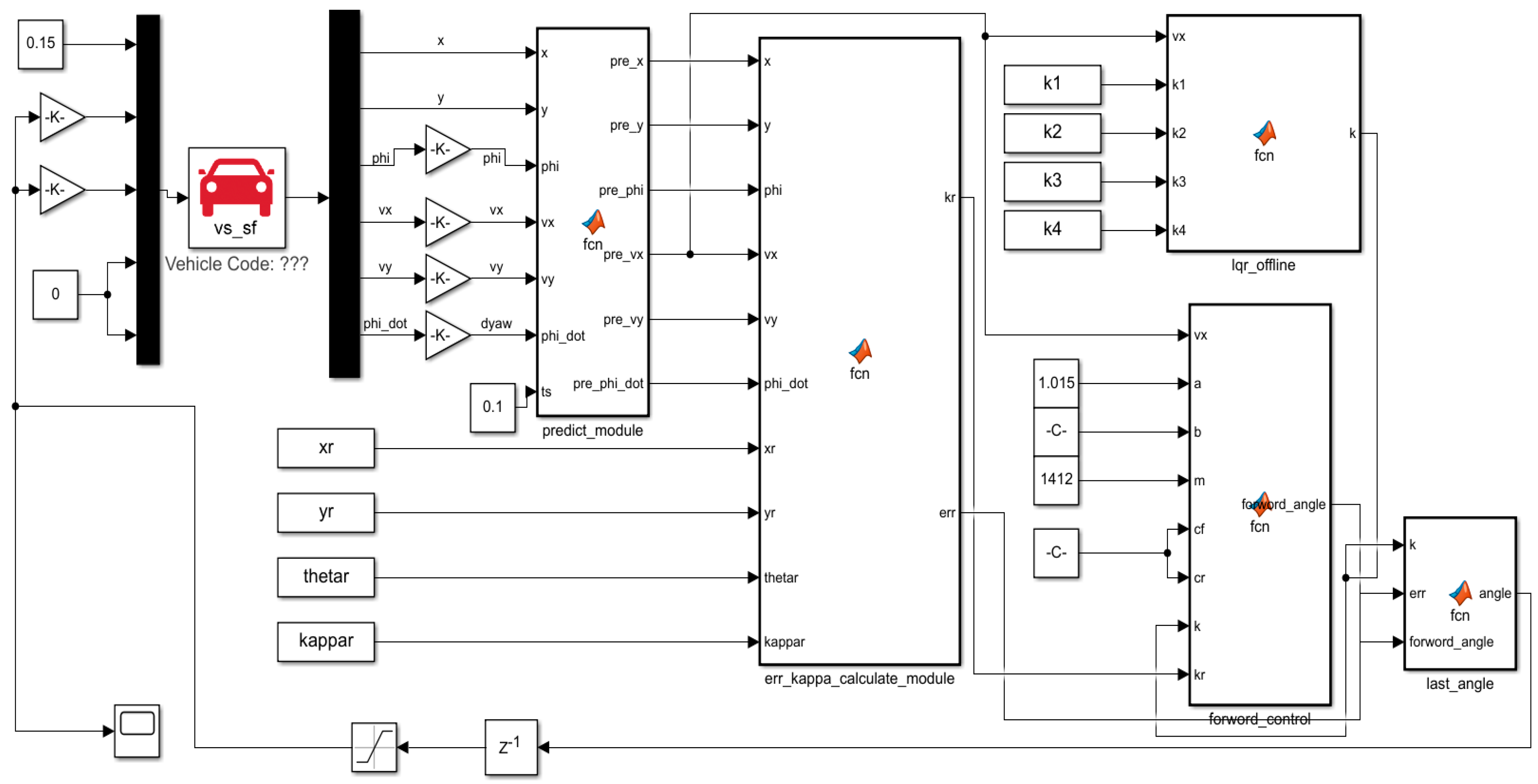
6. Joint CarSim and Simulink for Path Tracking Experiment Simulation
6.1. Joint Simulation Platform
6.2. Tracking Control Algorithm Architecture
6.3. Visual Analysis of Obstacle Avoidance Simulation in Different Obstacle Scenarios Before and After Optimization by Artificial Potential Field Method
6.3.1. Visual Analysis Before and After Optimization
6.3.2. The Obstacle Avoidance Performance of the Algorithm Is Visually Verified in the Mixed Scene of Dynamic and Static Obstacles
6.4. Simulation Data Analysis Before and After Optimization of Tracking Control Under Different Speed Parameters
6.4.1. Comparison of Experimental Values Before and After Vehicle Lateral Steering Angle Optimization
6.4.2. Vehicle Lateral Slippage Angle Optimization Before and After Comparison
6.4.3. Numerical Comparison of the Pre- and Post-Optimization of Vertical Support Force of Front- and Rear-Wheel Steering
7. Conclusions
Author Contributions
Funding
Data Availability Statement
Conflicts of Interest
References
- Xu, X.; Hu, W.; Dong, H.; Wang, Y.; Xiao, L.Y.; Li, P.H. Review of key technologies for autonomous vehicle test scenario construction. Automot. Eng. 2021, 43, 610–619. [Google Scholar]
- Dudziak, A.; Stoma, M.; Kuranc, A.; Caban, J. Assessment of Social Acceptance for Autonomous Vehicles in Southeastern Poland. Energies 2021, 14, 5778. [Google Scholar] [CrossRef]
- Hwang, M.H.; Lee, G.S.; Kim, E.; Kim, H.W.; Yoon, S.; Talluri, T.; Cha, H.R. Regenerative braking control strategy based on AI algorithm to improve driving comfort of autonomous vehicles. Appl. Sci. 2023, 13, 946. [Google Scholar] [CrossRef]
- Nelson, S.P. Challenges and Technologies: The Human Friendly Vehicle in 2030 and Beyond; Freescale Semiconductor, Inc.: Mansfield, TX, USA, 2009. [Google Scholar]
- Fagnant, D.J.; Kockelman, K. Preparing a nation for autonomous vehicles: Opportunities, barriers and policy recommendations. Transp. Res. Part A Policy Pract. 2015, 77, 167–181. [Google Scholar] [CrossRef]
- Folsom, T.C. Social ramifications of autonomous urban land vehicles. In Proceedings of the 2011 IEEE International Symposium on Technology and Society (ISTAS), Chicago, IL, USA, 23–25 May 2011; pp. 1–6. [Google Scholar]
- Millard-Ball, A. Pedestrians, autonomous vehicles, and cities. J. Plan. Educ. Res. 2018, 38, 6–12. [Google Scholar] [CrossRef]
- Xu, Z.; Zhang, K.; Min, H.; Wang, Z.; Zhao, X.; Liu, P. What drives people to accept automated vehicles? Findings from a field experiment. Transp. Res. Part C Emerg. Technol. 2018, 95, 320–334. [Google Scholar] [CrossRef]
- Le Vine, S.; Zolfaghari, A.; Polak, J. Autonomous cars: The tension between occupant experience and intersection capacity. Transp. Res. Part C Emerg. Technol. 2015, 52, 1–14. [Google Scholar] [CrossRef]
- Chen, L.; Liu, C.; Shi, H.; Gao, B. New robot planning algorithm based on improved artificial potential field. In Proceedings of the 2013 Third International Conference on Instrumentation, Measurement, Computer, Communication and Control, Shenyang, China, 21–23 September 2013; pp. 228–232. [Google Scholar]
- Tang, Z.; Ji, J.; Wu, M.; Fang, J.C.; Chen, M.Z. Vehicles path planning and tracking based on an improved artificial potential field method. J. Southwest Univ. Nat. Sci. Ed. 2018, 40, 174–182. [Google Scholar]
- An, L.-F.; Chen, T.; Cheng, A.-G.; Fang, W. Simulation on the path planning of intelligent vehicles based on artificial potential field algorithm. Automot. Eng. 2017, 39, 1451–1456. [Google Scholar]
- Xiu, C.; Hui, C. A research on local path planning for autonomous vehicles based on improved APF method. Automot. Eng. 2013, 35, 808–811. [Google Scholar]
- Lee, J.; Nam, Y.; Hong, S. Random force based algorithm for local minima escape of potential field method. In Proceedings of the 2010 11th International Conference on Control Automation Robotics & Vision, Singapore, 7–10 December 2010; pp. 827–832. [Google Scholar]
- Song, X.; Pan, L.; Cao, H. Local path planning for vehicle obstacle avoidance based on improved intelligent water drops algorithm. Automot. Eng. 2016, 38, 185–191. [Google Scholar]
- Wang, X.; Liu, M.; Ci, Y.; Yang, Y. Effectiveness of driver’s bounded rationality and speed guidance on fuel-saving and emissions-reducing at a signalized intersection. J. Clean. Prod. 2021, 325, 129343. [Google Scholar] [CrossRef]
- Jianhua, L.; Jianguo, Y.; Huaping, L.; Peng, G.; Meng, G. Robot global path planning based on ant colony optimization with artificial potential field. Nongye Jixie Xuebao/Trans. Chin. Soc. Agric. Mach. 2015, 46, 18–27. [Google Scholar]
- Liu, Y.; Zhang, W.-G.; Li, G.-W. Study on path planning based on improved PRM method. Jisuanji Yingyong Yanjiu 2012, 29, 63628171. [Google Scholar]
- Zheng, Y.; Shao, X.; Chen, Z.; Zhang, J. Improvements on the virtual obstacle method. Int. J. Adv. Robot. Syst. 2020, 17, 1729881420911763. [Google Scholar] [CrossRef]
- Matoui, F.; Boussaid, B.; Abdelkrim, M.N. Distributed path planning of a multi-robot system based on the neighborhood artificial potential field approach. Simulation 2019, 95, 637–657. [Google Scholar] [CrossRef]
- Yue, M.; Ning, Y.; Guo, L.; Zhao, J. A WIP vehicle control method based on improved artificial potential field subject to multi-obstacle environment. Inf. Technol. Control 2020, 49, 320–334. [Google Scholar] [CrossRef]
- Zhang, L.X.; Wu, G.Q.; Guo, X.X. Path Tracking Using Linear Time varying Model Predictive Control for Autonomous Vehicle. J. Tongji Univ. Nat. Sci. 2016, 44, 1595–1603. [Google Scholar]
- Chang, L.T.; Tao, H.J.; Lei, G.L.; Guang, L.X.; Ping, B.X. Agricultural machine path tracking method based on fuzzy adaptive pure pursuit model. Nongye Jixie Xuebao = Trans. Chin. Soc. Agric. Mach. 2013, 44, 205–210. [Google Scholar]
- Lee, S.-H.; Lee, Y.O.; Kim, B.-A.; Chung, C.C. Proximate model predictive control strategy for autonomous vehicle lateral control. In Proceedings of the 2012 American control conference (ACC), Montreal, QC, Canada, 27–29 June 2012; pp. 3605–3610. [Google Scholar]
- Zhou, L.H.; Shi, P.L.; Jiang, J.X. Simulation research on vehicle stability control based on collision avoidance trajectory tracking. J. Shandong Univ. Technol. (Nat. Sci. Ed.) 2021, 35, 75–81. [Google Scholar]
- Wu, L.; Ci, Y.; Sun, Y.; Qi, W. Research on Joint Control of On-ramp Metering and Mainline Speed Guidance in the Urban Expressway based on MPC and Connected V ehicles. J. Adv. Transp. 2020, 2020, 7518087. [Google Scholar] [CrossRef]
- Morales, S.; Magallanes, J.; Delgado, C.; Canahuire, R. LQR trajectory tracking control of an omnidirectional wheeled mobile robot. In Proceedings of the 2018 IEEE 2nd Colombian Conference on Robotics and Automation (CCRA), Barranquilla, Colombia, 1–3 November 2018; pp. 1–5. [Google Scholar]
- Chen, J.; Li, L.; Song, J. A study on vehicle stability control based on LTV-MPC. Automot. Eng. 2016, 38, 308–316. [Google Scholar]
- Schildbach, G.; Borrelli, F. Scenario model predictive control for lane change assistance on highways. In Proceedings of the 2015 IEEE Intelligent Vehicles Symposium (IV), Seoul, Republic of Korea, 28 June–1 July 2015; pp. 611–616. [Google Scholar]
- Carvalho, A.; Gao, Y.; Lefevre, S.; Borrelli, F. Stochastic predictive control of autonomous vehicles in uncertain environments. In Proceedings of the 12th International Symposium on Advanced Vehicle Control, Tokyo, Japan, 22–26 September 2014. [Google Scholar]
- Carvalho, A.; Lefévre, S.; Schildbach, G.; Kong, J.; Borrelli, F. Automated driving: The role of forecasts and uncertainty—A control perspective. Eur. J. Control 2015, 24, 14–32. [Google Scholar] [CrossRef]
- Gao, Y.; Gray, A.; Tseng, H.E.; Borrelli, F. A tube-based robust nonlinear predictive control approach to semiautonomous ground vehicles. Veh. Syst. Dyn. 2014, 52, 802–823. [Google Scholar] [CrossRef]
- Gao, Y.; Lin, T.; Borrelli, F.; Tseng, E.; Hrovat, D. Predictive control of autonomous ground vehicles with obstacle avoidance on slippery roads. In Proceedings of the Dynamic Systems and Control Conference, Cambridge, MA, USA, 12–15 September 2010; pp. 265–272. [Google Scholar]
- Ji, J.; Ji, P.; Peng, H. Design of 3D virtual dangerous potential field for vehicle active collision avoidance. Automot. Eng. Mag. 2016, 38, 1065–1071. [Google Scholar]
- Ji, J.; Khajepour, A.; Melek, W.W.; Huang, Y. Path planning and tracking for vehicle collision avoidance based on model predictive control with multiconstraints. IEEE Trans. Veh. Technol. 2016, 66, 952–964. [Google Scholar] [CrossRef]
- Zhang, Z.; Zheng, L.; Li, Y.; Zeng, P.; Liang, Y. Structured road-oriented motion planning and tracking framework for active collision avoidance of autonomous vehicles. Sci. China Technol. Sci. 2021, 64, 2427–2440. [Google Scholar] [CrossRef]
- Chen, T.; Zhang, P.; Gao, S.; Zhang, Q. Research on the dynamic target distribution path planning in logistics system based on improved artificial potential field method-fish swarm algorithm. In Proceedings of the 2018 Chinese Control and Decision Conference (CCDC), Shenyang, China, 9–11 June 2018; pp. 4388–4391. [Google Scholar]
























| Parameter | Value | Unit |
|---|---|---|
| Mass above suspension | 1020 | kg |
| Animator’s canvas width | 1718 | mm |
| Inertia against yaw motion | 1020 | Kg·m2 |
| Axle base | 2330 | mm |
| Wheel center elevation | 310 | mm |
| Elevation of the center of gravity | 375 | mm |
| Traditional Artificial Potential Field Method | Optimized Artificial Potential Field Method | |||
|---|---|---|---|---|
| Speed (km/h) | Peak Steering Angle Required for Lateral Movement of Vehicle (deg) | Fluctuation Range of Steering Angle Required for Lateral Movement of Vehicle (deg) | Peak Steering Angle Required for Lateral Movement of Vehicle (deg) | Fluctuation Range of Steering Angle Required for Lateral Movement of Vehicle (deg) |
| 40 | 11° | 0~7° | 5° | 0~3° |
| 50 | 13° | 0~9° | 7° | 0~5° |
| 60 | 15° | 0~11° | 10° | 0~7° |
| Traditional Artificial Potential Field Method | Optimized Artificial Potential Field Method | |||
|---|---|---|---|---|
| Speed (km/h) | The Peak of the Sideslip Angle in the Lateral Movement of Vehicle (deg) | Fluctuation Range of Sideslip Angle During Lateral Movement of Vehicle (deg) | The Peak of the Sideslip Angle in the Lateral Movement of Vehicle (deg) | Fluctuation Range of Sideslip Angle During Lateral Movement of Vehicle (deg) |
| 40 | 12° | 0~12° | 7° | 0~6° |
| 50 | 13° | 0~13° | 9° | 0~8° |
| 60 | 14° | 0~14° | 11° | 0~10° |
| Traditional Artificial Potential Field Method | Optimized Artificial Potential Field Method | |||
|---|---|---|---|---|
| Speed (km/h) | Peak Vertical Support Force of Front and Rear Wheels in Lateral Movement of Vehicle (N) | Lower Limit of Vertical Support Force Fluctuation of Front and Rear Wheels in Lateral Movement of Vehicle (N) | Peak Vertical Support Force of Front and Rear Wheels in Lateral Movement of Vehicle (N) | Lower Limit of Vertical Support Force Fluctuation of Front and Rear Wheels in Lateral Movement of Vehicle (N) |
| 40 | 4100 | 400 | 5100 | 1400 |
| 50 | 4300 | 200 | 5600 | 1300 |
| 60 | 4500 | 0 | 6050 | 950 |
Disclaimer/Publisher’s Note: The statements, opinions and data contained in all publications are solely those of the individual author(s) and contributor(s) and not of MDPI and/or the editor(s). MDPI and/or the editor(s) disclaim responsibility for any injury to people or property resulting from any ideas, methods, instructions or products referred to in the content. |
© 2024 by the authors. Published by MDPI on behalf of the World Electric Vehicle Association. Licensee MDPI, Basel, Switzerland. This article is an open access article distributed under the terms and conditions of the Creative Commons Attribution (CC BY) license (https://creativecommons.org/licenses/by/4.0/).
Share and Cite
Zhang, C.; Chen, Z.; Li, X.; Zhao, T. Anti-Collision Path Planning and Tracking of Autonomous Vehicle Based on Optimized Artificial Potential Field and Discrete LQR Algorithm. World Electr. Veh. J. 2024, 15, 522. https://doi.org/10.3390/wevj15110522
Zhang C, Chen Z, Li X, Zhao T. Anti-Collision Path Planning and Tracking of Autonomous Vehicle Based on Optimized Artificial Potential Field and Discrete LQR Algorithm. World Electric Vehicle Journal. 2024; 15(11):522. https://doi.org/10.3390/wevj15110522
Chicago/Turabian StyleZhang, Chaoxia, Zhihao Chen, Xingjiao Li, and Ting Zhao. 2024. "Anti-Collision Path Planning and Tracking of Autonomous Vehicle Based on Optimized Artificial Potential Field and Discrete LQR Algorithm" World Electric Vehicle Journal 15, no. 11: 522. https://doi.org/10.3390/wevj15110522
APA StyleZhang, C., Chen, Z., Li, X., & Zhao, T. (2024). Anti-Collision Path Planning and Tracking of Autonomous Vehicle Based on Optimized Artificial Potential Field and Discrete LQR Algorithm. World Electric Vehicle Journal, 15(11), 522. https://doi.org/10.3390/wevj15110522

