Abstract
In order to investigate the cutting mechanical characteristics of Caragana korshinskii (C.k.) branches and explore the optimal combination of cutting parameters to support the subsequent equipment development, this paper explores the relationship between branch diameter D, average cutting speed v, wedge angle β, slip cutting angle α, cutting height h, cutting gap t, moisture content M and peak cutting force by using a homemade swing-cut branch cutting test bench with peak cutting force of branches as the target value under unsupported and supported cutting methods, respectively, through single-factor tests. Based on the single-factor test, v, β, α and t were selected as the test factors, and a multi-factor test was conducted with the peak cutting force as the target. Test result: The best combination of unsupported cutting in the range of multi-factor test is v for 3.315 m·s−1, β for 20°, α for 20°, when the peak cutting force is 95.690 N. Supported cutting multi-factor test range to get the best combination of v for 3.36 m·s−1, β for 20°, α for 20°, t for 1.38 mm, when the peak cutting force is 53.082 N. The errors of the predicted peak cutting force and the measured peak cutting force of the obtained model were 1.3% and 3.9%, respectively, which prove that the cutting parameters were optimized reliably. This research can provide a theoretical basis for subsequent development the C.k. harvesting equipment.
1. Introduction
Caragana korshinskii (C.k.) is a deciduous shrub, mainly distributed in sandy soil areas such as Loess Plateau and Hexi Corridor in western China [1,2,3], with the advantages of ecological adaptability, well-developed root system, strong water absorption capacity, and strong resistance to adversity [4,5]. It plays an important role in windbreak, sand fixation, water conservation and soil structure improvement in the western region of China [6,7,8]. According to its biological characteristics and planting agronomic requirements, it is subjected to stumping operations once every 3 to 5 years, otherwise its growth will be slowed down until natural death [9,10,11]. However, the sand and gravel scattered in the growing environment of the C.k. makes the cutting tools susceptible to wear and increase power consumption during stumping process [12], which decreases productivity and tool life [13,14,15]. Therefore, it is of great practical significance to optimize the parameters of the C.k. stumping device and explore the key factors affecting the peak cutting force to improve the operational efficiency and reduce the production cost.
In stubble harvesting machinery, the cutting type are classified according to the support method: supported cutting and unsupported cutting [16,17,18]. There are few relevant studies for the C.k. branches supported cutting, mainly in economic crops such as longan branches, apple branches, sugarcane and ramie. For example, Wu L et al. [19] used orthogonal tests to investigate the effects of relevant parameters such as longan branch diameter, cutting speed and cutting gap on the cutting effect. Kang F et al. [20] conducted cutting tests on apple branches by simulating actual cutting conditions on a homemade reciprocating cutting test bench to analyze the effects of various factors on the cutting force and to explore the optimal cutting parameters. Mathanker SK et al. [21] investigated the effect of cutting speed and wedge angle on cutting power consumption using an impact cutting test stand, and the results showed that the cutting power consumption was minimized when the cutting speed was 7.9 m·s−1 and the tool edge angle was 60°. Huang J et al. [22] explored the effects of forward speed, cutting speed and chain convey speed on cutting efficiency using the central composite design theory, and carried out multi-objective optimization based on response indicators. Abdallah R et al. [23] selected different cutting angles and wedge angles for chipping tests on fir and concluded that the effect of chipping angle on chipping force was nonlinear. Esgici R. [24] selected wedge angle, knife type and branch diameter as independent variables and relied on these parameters to investigate their effects on cutting force, cutting intensity and cutting energy. The results showed that the cutting force and cutting energy of the knife increased with the increase of the cotton stalk diameter, and the cutting force and cutting energy decreased with the increase of the knife blade angle. The research of unsupported cutting is mainly using circular saw wedge rotary cutting, and less research for flail knife rotary cutting. For example, Liu Z et al. [25] used a homemade sawing test bench to establish a multiple mathematical regression model with sawing speed, feed rate and number of teeth of the saw wedge as the influencing factors and sawing power and sawing surface quality fraction as the objective functions for the test. Zhang C et al. [26] designed a test bench for measuring the power consumption of natural rubber sawing and investigated the effects of saw wedge diameter, number of saw wedge teeth, cutting motor speed and feed rate on the cutting power consumption of saw-cutting type rubber cutting device. Meng Y et al. [27] conducted sawing simulation tests on mulberry branches and explored the optimal working parameters based on numerical simulation of orthogonal tests. Warguła L et al. [28] used different cutting mechanisms to cut wood. The unsupported double-cylinder cutting mechanism consumed less energy than the supported disc cutting mechanism and the supported drum cutting mechanism, and the maximum efficiency of the unsupported double-cylinder cutting mechanism was 0.88 t/h. The peak cutting force varies with different parameters such as cutting type, branch diameter, average cutting speed and tool angle [29,30,31]. Therefore, the peak cutting force needs to be optimized by taking the cutting parameters into account.
At present, the research on the cutting performance of the C.k. branches mainly focus on the simulation of the cutting process and the investigation of the effect of cutting motion parameters and tool combination method on the peak cutting force using a universal testing machine. For example, Liu Z et al. [32] proposed a method to apply topological optimization theory for cutting. According to the comparison of the simulated cutting conditions before and after double-action cutting, the optimized stress is more uniform, the peak cutting force is reduced, and the stubble retention is significantly improved. Fen C et al. [33] explored the key factors of their effects on the peak cutting force by using wedge angle, slip-cutting angle and cutting angle as test factors on a universal testing machine, which are important for reducing the cutting force of branches, reducing the cutting power consumption and improving the cutting quality. However, the universal testing machine can only perform low-speed cutting tests, which cannot reflect the actual cutting working conditions. Therefore, the paper takes the C.k. branches as the research object and simulates the actual cutting conditions in the field on a homemade pendulum cutting test bench to investigate the effects of branch diameter, average cutting speed, wedge angle, slip cutting angle, cutting height, cutting gap and moisture content test factors on the peak cutting force under the unsupported and supported cutting methods, so as to explore the optimal cutting parameters and provide the theoretical basis for the subsequent prototype development.
2. Material and Methods
2.1. Preparation of the Branches
The sampling site was Maerzhuang C.k. plantation in Yanchi County, Ningxia, China, geographically located at 38°2′29″ N and 107°22′54″ E, measured by Huawei nova 7 SE compass. Te selected branches were taken at a distance of 50 mm from the roots, the branches were basically straight, free from diseases, insects and obvious defects, with a length of about 200 mm, and the collected the C.k. branches were divided into eight groups according to the growth years (1–8a) and placed in a constant temperature preservation box.
2.2. Overall Structure of Cutting Test Bench
According to the working principle of unsupported cutting and supported cutting, the pendulum cutting branch cutting test bench is designed as shown in Figure 1. The cutting test bench consists of three parts: cutting device, branch support device and measurement and control system.
Figure 1.
Schematic diagram of the structure of the pendulum-cutting test bench. 1. Support frame; 2. Branch fixture; 3. Cutting tool; 4. Foot-standing sensor; 5. Posture Euler angle sensor; 6. Counterweight block; 7. Pendulum 8. Table frame; 9. Transmitter; 10. Data acquisition card; 11. power supply; 12. Notebook.
The cutting device consists of a pendulum, counterweight block, cutting tool and a table frame. The cutting tool is divided into dynamic knife and fixed knife. The supported cutting is done by the moving knife and fixed knife together, and the unsupported cutting is done by the moving knife alone on the branch (Figure 2). The moving knife is connected to the end of the pendulum through the foot-standing sensor NA4 to measure the branch shear force, and the branch is cut by the swing of the pendulum. The Attitude Euler Angle Sensor HWT901B is mounted on the side of the pendulum to measure the angle at which the pendulum deviates from vertical position. The mass of the counterweight and the release angle of the pendulum control the cutting speed of the moving knife. The branch support device includes a branch fixture and a moving support frame to adjust the cutting position of the branch relative to the cutting tool by moving the support frame. The measurement and control system consists of a laptop computer, the foot-standing sensor NA4, the attitude Euler angle sensor HWT905, the MCC-1608G multifunctional data acquisition card, the transmitter and 24 V DC power supply.
Figure 2.
Cutting type.
2.3. Test Bench Cutting Parameters
2.3.1. Tool Parameters
Referring to the previous research on stubble cutters and related slip-cutting theory [34,35], the cutting tool for branches is designed with the structural parameters shown in Figure 3. The moving knife and the fixed knife support seat are provided with a central hole and an arc-shaped sliding groove, respectively, and the blade turns the cutting tool with the central hole as the pivot point.
Figure 3.
Tool parameters. (a) slip cutting angle. (b) wedge angle. (c) Cutting gap. (d) Cutting height.
2.3.2. Cutting Speed
After adding the counterweight block at the end of the pendulum, ignoring the effect of the cutting impulse, the cutting blade reaches the lowest point in the instant of the cutting process can be regarded as uniform linear motion. As the mass of the moving blade is much smaller than the counterweight mass, ignore its impact on the cutting process. The cutting speed of the moving blade is controlled by the mass of the counterweight block and the angle of deviation of the pendulum from the vertical direction.
According to the moment of the inertia on the axis of rotation, the law of conservation of energy, the relationship between the angle θ of the pendulum deviation from the vertical position and the cutting speed v can be obtained as follows:
where θ is the angle of pendulum deviation from vertical position, °; l is the length of pendulum, mm; l1 is the length of cutting point of cutting blade from rotation axis, mm; l2 is the length of the mass center of the counterweight from the rotation axis, mm; m1 is the mass of pendulum, kg; m2 is the mass of counterweight block, kg.
2.4. Data Acquisition
The data acquisition card MCC-1608G was used to record the measured values of the foot-standing sensor when the cutting test bench was running at no load and cutting branches, and the subtraction of the two was the cutting force of the C.k. branches. A Canon LEGRIA R86 digital video camera was used to record the cutting process of the branches, and the quality of the cut surface was observed using the captured images of the cut sections.
After the cutting test was completed, the cut sections of the sheared branches were coated with petroleum jelly and sealed with plastic wrap for preservation and labeling. The branch specimens were weighed and measured again after drying at 103 ± 2 °C for 8 h; after that, they were measured every 2 h, and the drying was considered to be completed before and after not more than 0.002 g [20,35]. The moisture content of the branches was determined to be 25.6% to 29.7% during the test period.
where M is moisture content of the branches, %. is the mass of the branches after drying, g. is mass of the branches before drying, g.
2.5. Experimental Factors
In the stubble cycle of C.k. (3–5 years), while most branches usually do not exceed 10 mm, in order to study the relationship between branch diameter and peak cutting force more completely, the range of branch diameter D in the single-factor experiment was 4–14 mm and set to six levels; when conducting other group tests, branch diameter was taken as 9–10 mm. When the cutting speed is large, there is an operational risk, so in the single-factor test of average cutting speed, the average cutting speed is taken as 2.37–3.76 m·s−1 and set to six levels; when the single-factor test of other groups is conducted, the average cutting speed is 3.36 m·s−1. From the slip-cutting theory [20,36], it is known that when the slip cutting angle is greater than 20°, branches will produce the phenomenon of external slip, so the slip cutting angle is set to 5°, 10°, 15° and 20° in the single-factor experiment of tool slip cutting angle for a total of four levels; when the other groups of single-factor tests are conducted, the slip-cutting angle is taken as 20° to ensure that the minimum cutting force is obtained. Comprehensive consideration of the wedge edge strength and blade life will be the relationship between the tool wedge angle single-factor experiment wedge angle set to 20°, 25°, 30°, 35°—a total of four levels [37,38]; when conducting the other single-factor test, the wedge angle was 25°. Referring to previous studies [3,19], the cutting gap was set from 0.1 to 3 mm and set to four levels in the single-factor test of cutting gap; when conducting other group tests, the cutting gap is taken as 1 mm. According to the biological characteristics of C.k., the stubble retention height is usually required to be no more than 8 cm from the ground to facilitate the sprouting rate of branches [4,5]. Therefore, the cutting height was set to 10–80 mm in the single-factor test, and set to 10 levels; when the other group tests were conducted, the cutting height was set to 50 mm.
3. Results and Discussion
3.1. Experimental Design
3.1.1. Single-Factor Test
To investigate the effects of various factors on the cutting force of the C.k. branches during the unsupported and supported cutting process. Using the peak cutting force F as the test index, the branch diameter D, average cutting speed v, wedge angle β, slip cutting angle α, cutting height h, cutting gap t and moisture content M were designed as single-factor tests, and each test was repeated five times. The factors and levels of the single-factor test are shown in Table 1. The unsupported cut is performed by the moving knife alone on the branch. Therefore, the effect of cutting gap on the peak cutting force is not considered in the unsupported cutting test.
Table 1.
Single-Factor Test Factors and Levels.
3.1.2. Multi-Factor Test
Unsupported Cutting
Based on the results of the single-factor test for unsupported cutting, a 3-factor, 3-level multi-factor test was designed based on the central composite design principle [39] with peak cutting force as the target value and cutting speed, wedge angle, and slip cutting angle as variables (Table 2), each test was repeated five times. The branch diameter D was 9–10 mm, the cutting height was 50 mm, and the branch moisture content was 27.5–29.2%.
Table 2.
Factors and Levels of the Unsupported Cutting Multi-Factor Test.
Supported Cutting
Based on the results of the single-factor test for supported cutting, a four-factor, three-level multi-factor test was designed with peak cutting force as the target value and cutting speed, wedge angle, slip cutting angle and cutting clearance as variables (Table 3), and each test was repeated five times. The branch diameter D was 9–10 mm, the cutting height was 50 mm, and the branch moisture content was 26.7%–29.7%.
Table 3.
Factors and Levels of the Supported Cutting Multi-Factor Test.
3.2. Relationship between Branch Diameter and Growth Year
From Figure 4, it can be concluded that the overall diameter of the C.k. branches gradually increased with the growth year, which is in line with the conventional perception. The growth rate of branch diameter was more obvious in the years of the C.k. growth from 2 to 6a. When the growth year was greater than 6a, the growth rate was essentially flat. During the stubble cycle (3–5a) of the C.k., their diameters range from 5 to 8 mm.
Figure 4.
Relationship between branch diameter and growth year.
3.3. Single-Factor Test Results and Analysis
3.3.1. Effect of Branch Diameter on Peak Cutting Force
Under the condition that other test factors are certain, the peak cutting force increases gradually as the diameter increases and the number of fibers being cut increases. In the unsupported cutting approach, the peak cutting force tends to be relatively flat with increasing diameter, as shown in Figure 5.
Figure 5.
Relationship between the C.k. branch diameter and peak cutting force. Note: average cutting speed is 3.36 m·s−1; wedge angle is 25°; slip cutting angle is 20°; cutting gap is 1 mm; cutting height is 5 cm; moisture content is 26.4%–29.2%.
As shown in Figure 6, the branch cutting process was recorded by the camera and it was found that the section of the unsupported cut was elliptical and skewed at an angle to the axis of the branch (chipping angle), while the section of the supported cut was circular and perpendicular to the axis of the branch. At a certain branch diameter, the peak cutting force is relatively small during unsupported cutting. Due to the unsupported cutting process, the shear force will cause the branch to bend, so that the cutting direction of the blade has a certain angle with the direction of the branch axis, so that the cross-sectional area increases and the peak cutting force decreases.
where A is the cross-sectional area of the shear surface of the branch, N; θ is the chipping angle, °; τ is the shear strength, Pa.
Figure 6.
(a,b) show the cut cross section of the branch at a diameter of 9.6 mm, respectively.
3.3.2. Effect of Average Cutting Speed on Peak Cutting Force
The relationship between the average cutting speed and the peak cutting force is shown in Figure 7. Overall, with the gradual increase of cutting speed, the peak cutting force gradually decreases, and the decreasing trend is gradually flat.
Figure 7.
Relationship between average cutting speed and peak cutting force. Note: branch diameter is 9–10 mm; wedge angle is 25°; slip cutting angle is 25°; cutting gap is 1 mm; cutting height is 5 cm; moisture content is 25.6%–28.9%.
During unsupported cutting, when the cutting speed increases, the chipping angle does not change significantly (Figure 8a), it makes the peak cutting force change value relatively small. While the supported cutting process, as shown in Figure 8b, the cutting direction of the wedge is always perpendicular to the direction of the axis of the branch (cross-cutting). When the cutting speed gradually increases, the branch transfer deformation time at the cutting point is shortened, it results in a gradual decrease in peak cutting force. When the cutting speed continues to increase, the branch transfer deformation time no longer changes significantly and the decrease trend is relatively flat [40].
Figure 8.
The state of the branch under different cutting methods.
3.3.3. Effect of Wedge Angle on Peak Cutting Force
The peak cutting force was positively correlated with the tool wedge angle (Figure 9). At certain other parameters, when the tool wedge angle increases, the cutting resistance of the tool increases and the peak cutting force also increases gradually, and the force analysis is shown in Figure 10. In the unsupported cutting process, the trend of increase in peak cutting force is relatively flat due to the relatively small trend of change in the chipping angle with the tool wedge angle.
Figure 9.
Relationship between tool wedge angle and peak cutting force. Note: branch diameter is 9–10 mm, average cutting speed is 3.36 m·s−1, slip cutting angle is 20°, cutting gap is 1 mm, cutting height is 5 cm, moisture content is 24.8%–27.3%.
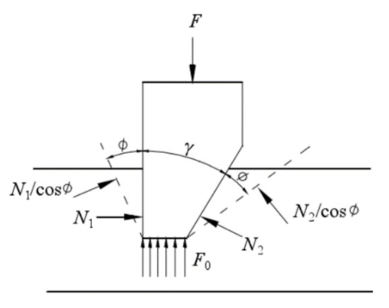
Figure 10.
Force analysis of tool cutting process.
The tool edge is a one-sided wedge angle, and when the cutting tool cuts into the branch, the equilibrium conditions in the horizontal and vertical directions are:
where N1, N2 is the positive pressure when the wedge surface squeezes the branch; the wedge angle of the tool is γ, the friction angle is Φ; F is the cutting force of the tool edge; F0 is the resistance perpendicular to the tool edge cut into the branch.
As shown in Figure 11, the blade with 5°, 10° and 15° wedge angles all suffered different degrees of wear damage during the test. Therefore, the tool edge strength and tool life need to be taken into account when designing optimized cutting tools.
Figure 11.
Tool wear.
3.3.4. Effect of Slip Cutting Angle on Peak Cutting Force
The peak cutting force decreases with increasing tool slip cutting angle (Figure 12). Since the tool is subjected to a positive pressure perpendicular to the edge and a lateral force parallel to the edge when cutting the branch, the relative slip between the branch and the edge increases when the slip cutting angle increases, thus enhancing the cutting action of the edge on the branch and reducing the peak cutting force (Figure 13). In contrast, during unsupported cutting, the trend of reduction of peak cutting force is relatively flat due to the relatively small trend of variation of chipping angle with tool wedge angle [37].
Figure 12.
Relationship between tool slip cutting angle and peak cutting force. Note: branch diameter is 9–10 mm; wedge angle is 25°; average cutting speed is 3.36 m·s−1; cutting gap is 1 mm; cutting height is 5 cm; moisture content is 25.3%–28.7%.
Figure 13.
Sliding cut principle.
Slip cutting can be effective in reducing the cutting force to a certain extent. As shown in Figure 13, when α = 0°, the direction of motion of the cutting tool is perpendicular to its edge, at which point the cut is cross-cut. When 0° < α < φ (φ is the friction angle between the cutting tool and the stalk), the relative velocity of the branch and the edge is 0, which is called no-slip cutting at this time. When α > φ, the branch is subjected to both positive pressure perpendicular to the edge and lateral force parallel to the edge, and when the branch moves relative to the edge, it is called slip cutting.
If the cutting tool cuts across (α = 0°) the branch, the wedge angle γ is obtained from the geometric relationship:
When the cutting tool slides through the branch, the dynamic wedge angle γ1 can be obtained from the geometric relationship as
When the slip-cutting angle α increases, the dynamic wedge angle γ1 decreases, the cutting resistance becomes smaller, the more energy-saving cutting. Harvester in harvesting branches, do not allow the slip-cutting angle α is greater than the friction angle φ, on the one hand, cutting cannot ensure that the cutting tool will hold the material, can’t complete the normal cutting operation; On the other hand, the branch is easily squeezed in a certain area, the branch cut burr, and it is easy to cause uneven force on the tool and serious local wear. When the tool slip-cutting angle was 20°, some of the branches slipped outward during the supported cutting process, which was generally consistent with the experimental phenomena in reference [20].
3.3.5. Effect of Cutting Height on Peak Cutting Force
In the supported cutting test, the cutting direction was always perpendicular to the direction of the branch axis, and the cutting height had no significant effect on the peak cutting force, which was about 162 N. During the unsupported average cutting speed single-factor test, it was found through the camera pictures that the shear force would cause the branches to bend. To further investigate the effect of bending degree on the peak cutting force during unsupported cutting, the cutting height one-factor test was designed.
The peak cutting force is smaller with increasing cutting height (Figure 14). Since the branch will be subjected to both shear force F1 and branch cross-sectional axial force F2 under the cutting force F, the deflection angle gradually increases with the increase of cutting height, so that the peak cutting force gradually decreases.
Figure 14.
Cutting height versus peak cutting force. Note: branch diameter is 9–10 mm; wedge angle is 25°; average cutting speed is 3.36 m·s−1; slip cutting angle is 20°; cutting height is 5 cm, moisture content is 26.8%–28.9%.
When the cutting height is greater than 8 cm, the stress and bending moment at the fixed end of the branch is maximum (Figure 15), causing the branch to break from the root. The cutting sections for different cutting heights are shown in Figure 16.
Figure 15.
Branch unsupported cutting force diagram.
Figure 16.
Cutting section with different cutting heights under unsupported cutting.
3.3.6. The Effect of Cutting Gap on Peak Cutting Force
The peak cutting force tends to decrease and then increase as the cutting gap increases for a certain number of other parameters (Figure 17). When the cutting gap is less than a certain value, the branch shear zone ratio is larger, the fracture zone is smaller and the peak cutting force required is larger. When the cutting gap is greater than a certain value, the proportion of shear zone decreases, the proportion of fracture zone increases, and the required peak cutting force is relatively large. Only when the shear zone and fracture zone overlap (i.e., when the cutting gap is about 1 mm), the peak cutting force is minimal and the quality of the cut section is good, with no tearing and flat stubble. The cut sections at different cutting clearances are shown in Figure 18.
Figure 17.
Relationship between cutting gap and peak cutting force. Note: branch diameter is 9–10 mm; wedge angle is 25°; cutting speed is 3.36 m·s−1; slip cutting angle is 20°; cutting height is 5 cm; moisture content is 25.8%–28.2%.
Figure 18.
Cutting section with different cutting gaps during supported cutting.
3.3.7. The Effect of Cutting Gap on Peak Cutting Force
The average moisture content of the freshly collected branches was 28.9%. After the branches were placed for 3, 8 and 16 days, the average moisture content of the branches was measured to be 22.6%, 18.2% and 10.5%, respectively. The moisture content single factor test was conducted at these four moisture contents.
Figure 19 shows the relationship between branch moisture content and peak cutting force. The peak cutting force decreases with increasing moisture content of the branches during supported cutting. As the water content of branches decreases and dry matter increases, their ultimate stress increases [20,38]. When the moisture content of the branch is around 16.2%, as shown in point A in Figure 19, the branch breaks from the root due to the poor toughness of the branch during the unsupported cutting process (Figure 20). Therefore, it is recommended that the C.k. stubble should be flattened in a season when the moisture content of the branches is high.
Figure 19.
Relationship between moisture content and peak cutting force. Note: branch diameter is 9–10 mm; wedge angle is 25°; cutting speed is 3.36 m·s−1; slip cutting angle is 20°; cutting height is 5 cm.
Figure 20.
Unsupported cutting (moisture content of 16.2%).
3.4. Multi-Factor Test Results and Analysis
3.4.1. Unsupported Cutting Multi-Factor Test
Results from Experiment
The unsupported cutting multi-factor test protocol and results were shown in Table 4. A quadratic polynomial regression was fitted to the test results in Table 4 using Design-Expert 11 software to obtain the peak cutting force prediction model, as shown in Equation (7).
F = 119.13 − 6.48v + 8.87β − 1.21α + 1.85 v·β + 0.7887 v·α + 1.54β·α + 5.76 v2 − 5.13β2 − 3.68α2
Table 4.
Design Scheme and Response Results of Unsupported Cutting Test.
Regression Analysis
Regression ANOVA was performed on the unsupported cutting multi-factor test results and the peak cutting force prediction model, and the results are shown in Table 5. The significant P value of the model was 0.0001 (<0.01), indicating a highly significant effect. The p-value of the lack of fit term was 0.2616 (>0.05), indicating the presence of no lack of fit factors.
Table 5.
Regression Equation ANOVA.
The model coefficient of determination R2 = 0.9858 indicates that the model can analyze the degree of influence of each factor with predicting the optimal value within the range of test values. Factors v, β, v2, β2 in the model are highly significant terms (p < 0.01). v·β, β·α, α2 were significant terms (p < 0.05). The rest were non-significant terms (p > 0.05). The analysis shows that the degree of influence on the unsupported peak cutting force is, in descending order, the tool wedge angle β, the average cutting speed v and the slip cutting angle α.
By stepwise regression analysis, excluding the insignificant term, the model was built to obtain:
F = 119.13 − 6.48v + 8.87β − 1.21α + 1.85 v·β + 1.54v·α + 5.76 v2 − 5.13β2 − 3.68α2
The effect of the interaction of the factors on the unsupported peak cutting force is shown in Figure 21. The peak cutting force decreases with the increase of average cutting speed and slip cutting angle, and the decreasing trend is gradually flat; with the increase of tool wedge angle, the peak cutting force gradually increases, which is basically consistent with the conclusion of single-factor test.

Figure 21.
Response surface of interaction to peak cutting force (unsupported cutting). (a) Response surface under the interaction of Average cutting speed and Wedge angle. (b) Contour plot under the interaction of Average cutting speed and Wedge angle. (c) Response surface under the interaction of Average cutting speed and Slip cutting angle. (d) Contour plot under the interaction of Average cutting speed and Slip cutting angle. (e) Response surface under the interaction of Slip cutting angle and Wedge angle. (f) Contour plot under the interaction of Slip cutting angle and Wedge angle.
Parameter Optimization and Experimental Validation
With the minimum value of the peak cutting force as the optimization target, the conditions for the optimal solution of the constraint are obtained according to the actual working conditions and the analysis results:
The regression equation was optimized using Design-Expert 11 software to obtain the best combination: average cutting speed v of 3.315 m·s−1, wedge angle β of 20° and slip cutting angle α of 20°, when the peak cutting force is 95.690 N.
According to the optimal parameters obtained from the response surface test optimization analysis, the average peak cutting force actually measured on the cutting test bench was 94.45 N, with an error value of 1.3% from the predicted value, and the model was reliable.
3.4.2. Supported Cutting Multi-Factor Test
Results from Experiment
Using Design-Expert 11 software to fit the data in Table 6 with multiple regression analysis, a quadratic polynomial response surface regression model of the supported peak cutting force on the four independent variables of average cutting speed v, tool wedge angle β, slip cutting angle α and cutting clearance t is established, and the model is:
F = 188.93 − 28.13v + 87.49β − 9.78α + 7.01t − 11.26 v·β + 1.52 v·α − 1.15 v·t − 0.5344β·α + 0.7156β·t − 0.4381α·t + 0.0589 v2 − 16.59β2 − 7.94α2 + 17.79 t2
Table 6.
Supported Cutting Test Design Scheme and Response Results.
Analysis of variance was performed on the above model and the results were shown in Table 7. The p = 0.0001 of the regression model indicated that the regression model type was highly significant (p < 0.01), the p−value of the misfit term was 0.1188 (>0.05) and the model misfit is not significant, indicating that the model is reasonable.
Table 7.
Analysis of Variance of Regression Equations.
In the model, v, β, α, and v·β are highly significant terms (p < 0.01); t and t2 are significant terms (p < 0.05); the rest are insignificant terms (p > 0.05). The analysis shows that the degree of influence on the supported peak cutting force in descending order is the tool wedge angle β, average cutting speed v, slip cutting angle α and cutting clearance t. The effect of the insignificant regression term on the model was removed and the model was further optimized to obtain:
F = 184.46 − 28.13v + 87.49β − 9.78α + 7.01t − 11.26v·β + 0.3981t2
According to the experimental results in Table 7, the effects of average cutting speed, tool wedge angle, slip cutting angle, cutting gap and their interactions on the target values can be obtained and the response surface plotted using Design−Expert 11 software (Figure 22). The peak cutting force decreases with the increase of average cutting speed and slip cutting angle; with the increase of tool wedge angle, the peak cutting also increases gradually; with the increase of cutting gap, the peak cutting force decreases first and then increases, and the peak cutting force reaches the minimum value when the cutting gap is 1 mm, which is consistent with the conclusion of single-factor test.


Figure 22.
Response surface of interaction to peak cutting force (supported cutting). (a) Response surface under the interaction of Wedge angle and Average cutting speed. (b) Contour plot under the interaction of Wedge angle and Average cutting speed. (c) Response surface under the interaction of Slip cutting angle and Average cutting speed. (d) Contour plot under the interaction of Slip cutting angle and Average cutting speed. (e) Response surface under the interaction of Cutting gap and Average cutting speed. (f) Contour plot under the interaction of Cutting gap and Average cutting speed. (g) Response surface under the interaction of Cutting gap and Wedge angle. (h) Contour plot under the interaction of Cutting gap and Wedge angle. (i) Response surface under the interaction of Cutting gap and Sliding cutting angle. (j) Contour plot under the interaction of Cutting gap and Sliding cutting angle. (k) Response surface under the interaction of Slip cutting angle and Wedge angle. (l) Contour plot under the interaction of Slip cutting angle and Wedge angle.
Parameter Optimization and Experimental Validation
With the minimum value of the peak cutting force as the optimization target, the conditions for the optimal solution of the constraint are obtained according to the actual working conditions and the analysis results:
The regression equation was optimized using Design−Expert 11 software to obtain the best combination of a cutting speed v of 3.36 m·s−1, a tool wedge angle β of 20°, a slip cutting angle α of 20°, and a cutting gap of 1.38 mm. The peak cutting force at this point was 53.082 N.
According to the optimal parameters obtained from the response surface test optimization analysis, the average peak cutting force actually measured in the cutting test bench is 55.12 N, with an error value of 3.9% from the predicted value, and the model is reliable.
4. Conclusions
(a) The team made a home-made swing-cut branch cutting test bench to investigate the relationship between branch diameter, average cutting speed, tool wedge angle, tool slip cutting angle, cutting height, moisture content and peak cutting force by single-factor test with peak cutting force of the C.k. branches as the test index in unsupported and supported cutting process. Test result: (1) During the unsupported and supported cutting process, the peak cutting force increases gradually with the increase of branch diameter and tool wedge angle. The peak cutting force decreases with the increase of average cutting speed, slip cutting angle and moisture content. (2) In the single-factor test of cutting height, the average peak cutting force of supported cutting does not vary significantly with cutting height; while the peak cutting force of unsupported cutting gradually decreases with increasing cutting height. (3) In the single-factor test of cutting gap, the peak cutting force tended to decrease first and then increase, and the peak cutting force was the smallest at the cutting gap of 1 mm. (4) The peak cutting force of supported cuts decreased with increasing branch moisture content in a single-factor test of moisture content. In the unsupported cutting process, when the moisture content of the branch was less than 16.2%, the branch breaks from the root due to the poor toughness of the branch.
(b) Comparative analysis shows that when the average cutting speed is determined, the branch diameter, cutting height and branch moisture content have significant effects on the peak cutting force of unsupported cutting, and the fracture quality is poor; while the branch diameter, tool wedge angle, cutting gap, slip cutting angle and moisture content have significant effects on the peak cutting force of supported cutting, and the fracture quality is better. Therefore, unsupported cutting is generally suitable for applications with low requirements for fracture quality, low cutting height and high moisture content of branches; supported cutting is generally suitable for applications with high requirements for fracture quality, variable cutting height and precise control of peak cutting force.
(c) The error between the predicted peak cutting force and the measured peak cutting force of the model obtained from the multi-factor test of unsupported cutting is 1.3%, which indicates that the regression model is reliable; the order of the influence on the peak cutting force of unsupported cutting is average cutting speed, tool wedge angle and slip cutting angle from the largest to the smallest. The best combination was obtained within the test range: cutting speed v was 3.315 m·s−1, tool wedge angle β was 20°, slip cutting angle α was 20° and the peak cutting force was 95.690N at this time.
The error between the predicted peak cutting force and the measured peak cutting force of the model obtained from the supported cutting multi-factor test was 3.9%, indicating that the model fit was good; the order of influence on the supported peak cutting force from largest to smallest was tool wedge angle, average cutting speed, slip cutting angle and cutting gap. The best combination within the experimental range was obtained as follows: cutting speed v was 3.36 m·s−1, tool wedge angle β was 20°, slip cutting angle α was 20° and cutting gap was 1.38 mm. The peak cutting force was 53.082N at this time.
(d) The cutting speed of the pendulum cutting test bench developed by our team is much higher than that of the universal testing machine, and the test environment is closer to the actual operating environment than the finite element software simulation and analysis, so the measured peak cutting force is more in line with the actual situation, which can provide a theoretical basis for the subsequent development of low-power and high-efficiency prototypes.
Author Contributions
Conceptualization, Y.G. and F.K.; methodology, Y.G. and S.T.; software, Y.G.; validation, J.K., and Y.W.; formal analysis, Y.G. and F.K.; investigation, F.K. and Y.W.; resources, F.K.; data curation, J.K.; writing—original draft preparation, Y.G.; supervision, Y.W. and S.T. All authors have read and agreed to the published version of the manuscript.
Funding
This research was funded by NingXia key research and development program (Grant No. 2019BBF02009).
Institutional Review Board Statement
Not applicable.
Informed Consent Statement
Not applicable.
Data Availability Statement
Test methods and data are available from the authors upon request.
Conflicts of Interest
The authors declare no conflict of interest.
References
- Yan, Y.; Liu, W.; Wang, J.; Yu, W.; Luo, H.; Liu, W. A dynamic monetary valuation perspective for carbon sequestration: Effect on biomass utilization strategy of Caragana plantation as an illustration. Ecol. Indic. 2021, 128. [Google Scholar] [CrossRef]
- Wang, X.; Liang, P.; Zhao, M.; Feng, J.; Liu, Y. Analysis of Nutritional Compositions and Amino Acid Compositions of 6 Common Psammophytes in Alxa Left Banner, Inner Mongolia. Spectrosc. Spect. Anal. 2019, 39, 204–209. [Google Scholar] [CrossRef]
- Li, W.; Zhang, S.; Zhang, T.; Shen, Y.; Han, L.; Peng, Z.; Xie, Z.; Zhong, C.; Jia, S. Bacterial cellulose production from ethylenediamine pretreated Caragana korshinskii Kom. Ind. Crop Prod. 2021, 164. [Google Scholar] [CrossRef]
- Huo, J.; Shi, Y.; Zhang, H.; Hu, R.; Huang, L.; Zhao, Y.; Zhang, Z. More sensitive to drought of young tissues with weak water potential adjustment capacity in two desert shrubs. Sci. Total Environ. 2021, 790. [Google Scholar] [CrossRef] [PubMed]
- Jiang, B.; Zhou, Y.; Wang, T.; Li, F. Nutritive value and ruminal degradation of seven Chinese herbs as forage for Tan sheep. Bioengineered 2020, 11, 1159–1169. [Google Scholar] [CrossRef] [PubMed]
- Waseem, M.; Nie, Z.F.; Yao, G.Q.; Hasan, M.; Xiang, Y.; Fang, X.W. Dew absorption by leaf trichomes in Caragana korshinskii: An alternative water acquisition strategy for withstanding drought in arid environments. Physiol Plantarum 2021, 172, 528–539. [Google Scholar] [CrossRef]
- Yu, J.; Liu, F.; Tripathi, B.M.; Steinberger, Y. Changes in the composition of soil bacterial and fungal communities after revegetation with Caragana microphylla in a desertified semiarid grassland. J. Arid Environ. 2020, 182. [Google Scholar] [CrossRef]
- Ma, F.; Zhou, Z.; Li, S.; Ai, Z.; Xiao, G.; Jia, Y.; Xu, T.; Denton, M.D. Patterns of foliar and soil nitrogen isotope composition of Caragana microphylla, a leguminous shrub species in the semi-arid regions of northern China. Biogeochemistry 2019, 146, 257–269. [Google Scholar] [CrossRef]
- Liu, Z.; Wang, D.; Zhai, G.; Liu, G.; Zhang, N.; Hao, X. Design and experiment on reciprocating double knife shrub harvester. Trans. Chin. Soc. Agric. Mach. 2013, 44 (Suppl. 2), 102–106. [Google Scholar] [CrossRef]
- Liu, Z.; Wang, D.; Hao, X.; Liu, G.; Zhang, N.; Wang, Z. Design and experiment on self-propelled shrub cutter. Trans. Chin. Soc. Agric. Mach. 2010, 41 (Suppl. 1), 95–98. [Google Scholar] [CrossRef]
- Qiu, S.; Guo, Y.; Zheng, D. Dynamic simulation of disc saw cutter system of caragana korshinskii harvester. Trans. Chin. Soc. Agric. Mach. 2014, 45, 72–79. [Google Scholar] [CrossRef]
- Qi, W.; Guo, Y. Study on the soil water content and physiological properties after stumping Caragana korshinskii at the farming-pastoral ecotone of Inner Mongolia. Basic Clin. Pharmacol. 2020, 1263, 11. [Google Scholar]
- Nati, C.; Spinelli, R. How blade wear of chippers can affect fuel consumption and wood chip size distribution. In Proceedings of the For Est engeneering: Meeting the Needs of the Society and the Environment; FORMEC 2010, Padova, Italia, 11–14 July 2010; pp. 11–14. [Google Scholar]
- Spinelli, R.; Magagnotti, N. Using disposable chipper knives to decrease wood fuel processing cost. Fuel. Process. Technol. 2014, 126, 415–419. [Google Scholar] [CrossRef]
- Spinelli, R.; Glushkov, S.; Markov, I. Managing chipper knife wear to increase chip quality and reduce chipping cost. Biomass Bioenergy 2014, 62, 117–122. [Google Scholar] [CrossRef]
- Magenau, E.; Kiesel, A.; Clifton-Brown, J.; Lewandowski, I. Influence of cutting height on biomass yield and quality of miscanthus genotypes. GCB Bioenergy 2021, 13, 1675–1689. [Google Scholar] [CrossRef]
- Hou, J.; Bai, J.; Yao, E.; Zhu, H. Design and Parameter Optimization of Disc Type Cutting Device for Castor Stem. IEEE Access 2020, 8, 191152–191162. [Google Scholar] [CrossRef]
- Du, Z.; Hu, Y.; Wang, S. Simulation and Experiment of Reciprocating Cutter Kinematic of Portable Tea Picking Machine. Trans. Chin. Soc. Agric. Mach. 2018, 49, 221–226. [Google Scholar] [CrossRef]
- Wu, L.; Yang, Z.; Duan, J.; Wang, L.; Wang, W.; Liu, J. Experiment on influencing factors of cutting force of blades of trim tool for longan branch. Trans. Chin. Soc. Agric. Eng. 2012, 28, 8–14. [Google Scholar] [CrossRef]
- Kang, F.; Tong, S.; Zhang, H.; Li, W.; Chen, Z.; Zheng, Y. Analysis and experiments of reciprocating cutting parameters for apple tree branches. Trans. Chin. Soc. Agric. Eng. 2020, 36, 9–16. [Google Scholar] [CrossRef]
- Mathanker, S.K.; Grift, T.E.; Hansen, A.C. Effect of blade oblique angle and cutting speed on cutting energy for energycane stems. Biosyst. Eng. 2015, 133, 64–70. [Google Scholar] [CrossRef]
- Huang, J.; Tian, K.; Zhang, B.; Liu, H.; Chen, Q.; Li, X.; Shen, C.; Ji, A. Design and parameters optimization for cutting-conveying mechanism of ramie combine harvester. Int. J. Agric. Biol. Eng. 2020, 13, 94–103. [Google Scholar] [CrossRef]
- Abdallah, R.; Auchet, S.; Meausoone, P.J. A dynamic measurement of a disc chipper cutting forces. Biomass Bioenerg 2014, 64, 269–275. [Google Scholar] [CrossRef]
- Esgici, R. The effect of knife type on cutting characteristics of cotton stalk. Fresen. Environ. Bull. 2020, 29, 2772. [Google Scholar]
- Liu, Z.; Ma, Z.; Pei, C.; Sui, G.; Ji, Z. Sawing Test Analysis and Reliability Verification of Salix. Zhangjiajie. In Proceedings of the 2019 International Conference on Quality, Reliability, Risk, Maintenance, and Safety Engineering (QR2MSE), Zhangjiajie, China, 6–9 August 2019; pp. 41–50. Available online: https://doi.org/10.1109/QR2MSE46217.2019.9021219.
- Zhang, C.; Sheng, X.; Zhang, S.; Gao, J.; Yuan, T.; Zhang, J.; Li, W. Experiment of influence factors on sawing power consumption for natural rubber mechanical tapping. Trans. Chin. Soc. Agric. Eng. 2018, 34, 32–37. [Google Scholar] [CrossRef]
- Meng, Y.; Wei, J.; Wei, J.; Chen, H.; Cui, Y. An ANSYS/LS-DYNA simulation and experimental study of circular saw blade cutting system of mulberry cutting machine. Comput. Electron. Agric. 2019, 157, 38–48. [Google Scholar] [CrossRef]
- Wargula, L.; Kukla, M.; Wieczorek, B.; Krawiec, P. Energy consumption of the wood size reduction processes with employment of a low-power machines with various cutting mechanisms. Renew. Energy 2021, 181, 630–639. [Google Scholar] [CrossRef]
- Wargula, L.; Krawiec, P. The research on the characteristic of the cutting force while chipping of the Caucasian Fir (Abies Nordmanniana) with a single-shaft wood chipper. IOP Conf. Series. Mater. Sci. Eng. 2020, 776, 12012. [Google Scholar] [CrossRef]
- Wargula, L.; Adamiec, J.M.; Waluś, K.J.; Krawiec, P. The characteristics analysis of torque and rotation speed of working unit of branch grinder—Introductory research. MATEC Web Conf. 2018, 157, 1021. [Google Scholar] [CrossRef][Green Version]
- Wargula, L.; Kukla, M.; Krawiec, P.; Wieczorek, B. Impact of Number of Operators and Distance to Branch Piles on Woodchipper Operation. Forests 2020, 11, 598. [Google Scholar] [CrossRef]
- Liu, Z.; Ma, Z.; Sui, G.; Zou, D.; Ji, Z.; Li, G. Optimization design and reliability analysis of salix cutting tools based on finite element method. Int. J. Perform. Eng. 2019, 15, 441–453. [Google Scholar] [CrossRef]
- Fen, C.; Gao, Z.; Yu, G.; Liu, Y. Effect of cutting machine parameters on salix branch’s peak cutting force. J. For. Environ. 2019, 39, 107–112. [Google Scholar]
- Ghahraei, O.; Ahmad, D.; Khalina, A.; Suryanto, H.; Othman, J. Cutting Tests of Kenaf Stems. Trans. ASABE 2011, 54, 51–56. [Google Scholar] [CrossRef]
- Zhang, C.; Chen, L.; Xia, J.; Zhang, J. Effects of blade sliding cutting angle and stem level on cutting energy of rice stems. Int. J. Agric. Biol. Eng. 2019, 12, 75–81. [Google Scholar] [CrossRef]
- Pang, S. On the theory of sliding cutting and the choice of its angle. J. Huazhong Agric. Coll. 1982, 2, 64–69. [Google Scholar]
- Liu, J.; Zhao, D.; Zhao, J. Study of the Cutting Mechanism of Oil Tree Peony Stem. Forests 2020, 11, 760. [Google Scholar] [CrossRef]
- Zhang, Y.; Cui, Q.; Guo, Y.; Li, H. Experiment and Analysis of Cutting Mechanical Properties of Millet Stem. Trans. Chin. Soc. Agric. Mach. 2019, 50, 146–155. [Google Scholar] [CrossRef]
- Jiang, Q.; He, Z.; Wang, Y.; Wang, J. Optimizing the working performance of a boat-type tractor using central composite rotatable design and response surface method. Comput. Electron. Agric. 2021, 181. [Google Scholar] [CrossRef]
- Shen, C.; Zhang, B.; Li, X.; Yin, G.; Chen, Q.; Xia, C. Bench cutting tests and analysis for harvesting hemp stalk. Int. J. Agric. Biol. Eng. 2017, 10, 56–67. [Google Scholar] [CrossRef]
Publisher’s Note: MDPI stays neutral with regard to jurisdictional claims in published maps and institutional affiliations. |
© 2021 by the authors. Licensee MDPI, Basel, Switzerland. This article is an open access article distributed under the terms and conditions of the Creative Commons Attribution (CC BY) license (https://creativecommons.org/licenses/by/4.0/).