Grid Connection of a Squirrel-Cage Induction Generator Excited by a Partial Power Converter
Abstract
1. Introduction
- Direct connection of the unexcited generator to the grid;
2. Proposed Methods of Grid Connection of Induction Generator
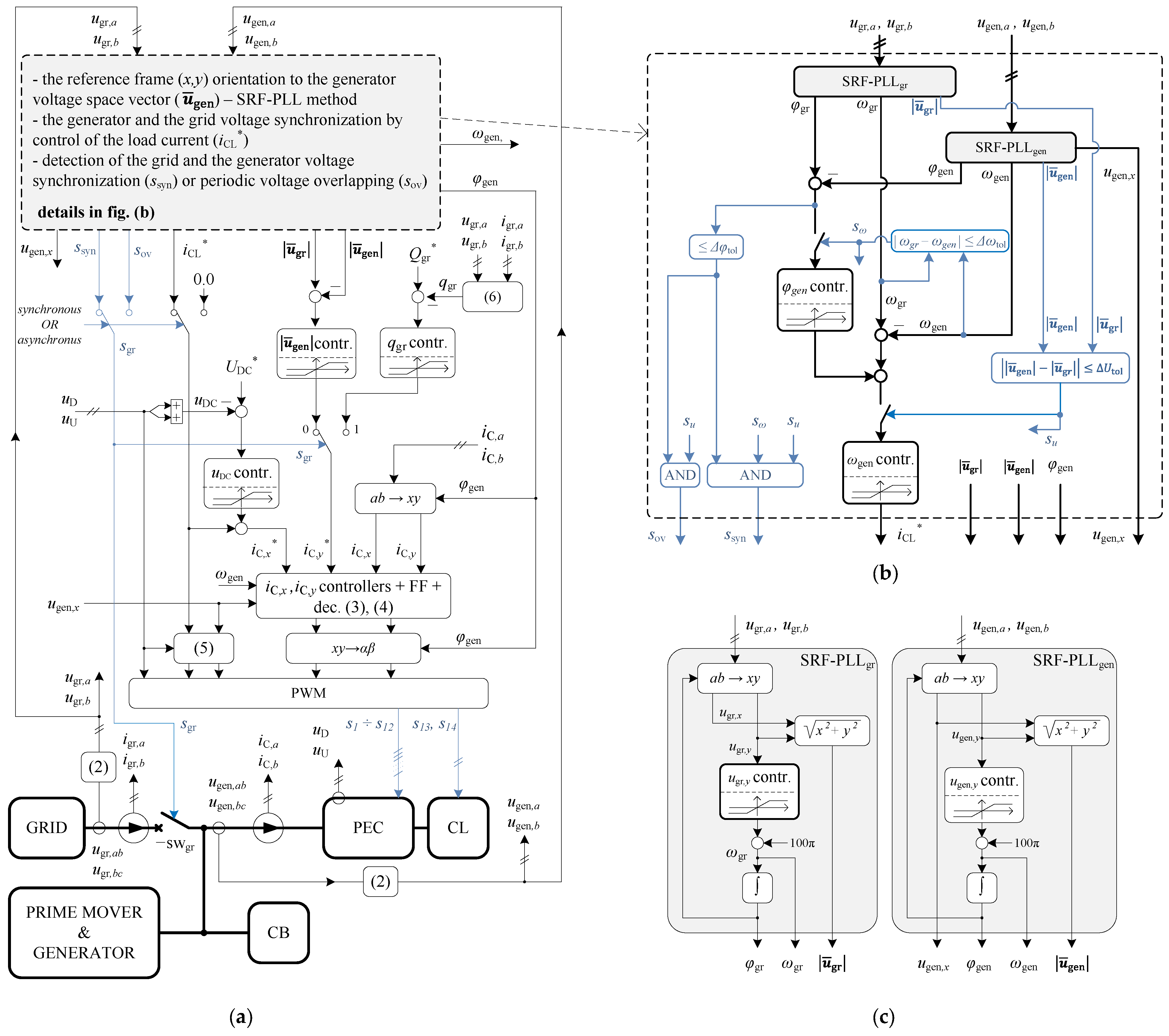
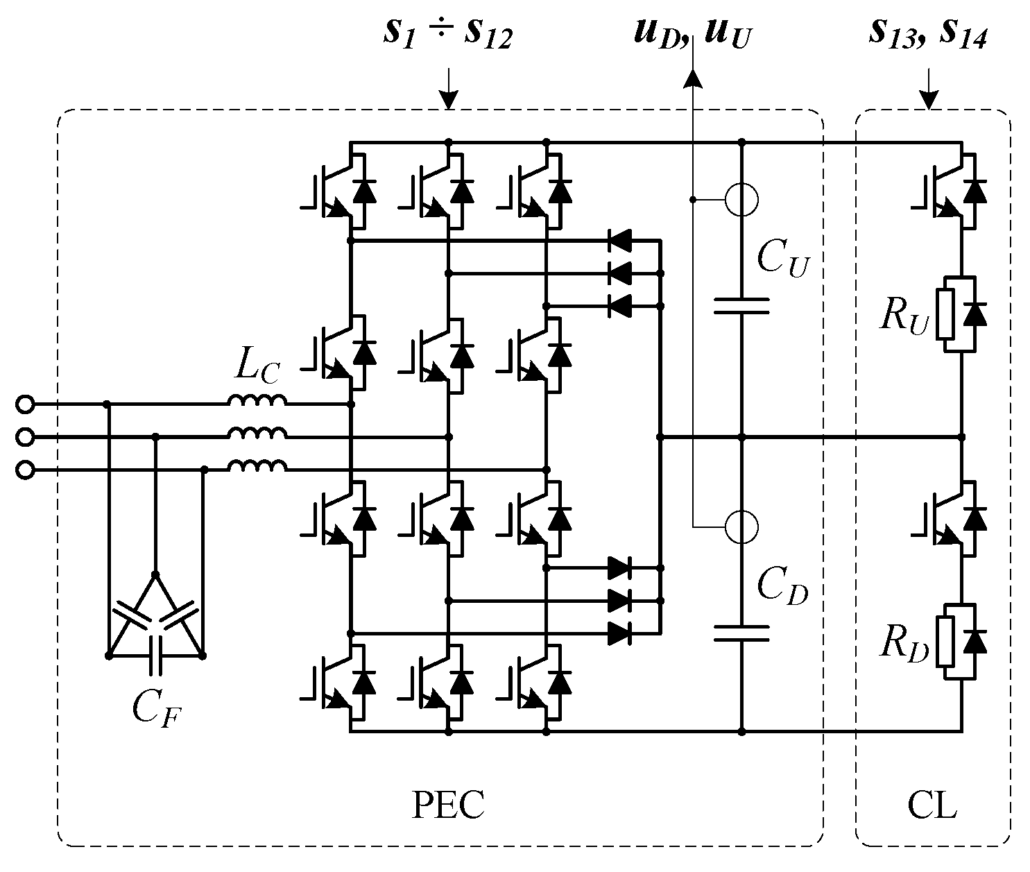
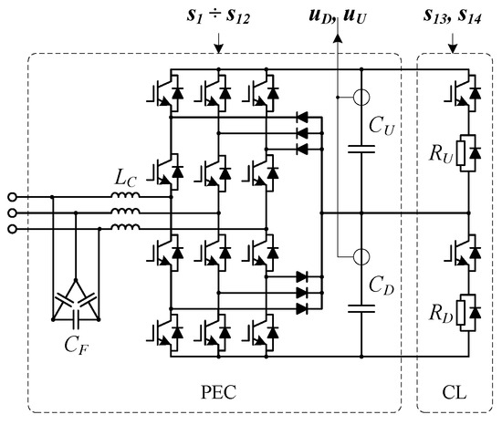
3. System Description
Control System
4. Capacitance Consideration for the Capacitor Bank
5. Experiment Description
6. Laboratory Tests Results
7. Conclusions
Author Contributions
Funding
Data Availability Statement
Conflicts of Interest
List of Symbols and Acronyms
| pole pairs of the induction generator | |
| capacitor in the capacitor bank for support excitation | |
| , | capacitors in the DC-link of the power converter |
| filtering capacitor in the AC side of the power converter | |
| maximum value of the capacitance, which can satisfy the reactive power demand of the generator | |
| maximum value of the capacitance, which does not cause self-excitation | |
| , | duty cycle of the gating signals of the braking chopper transistors |
| switching frequency of the power converter | |
| nominal value of the generator current | |
| , | converter currents: a and b phases, respectively |
| , | x and y coordinates of the converter current space vector |
| , | reference values of x and y coordinates of the converter current space vector |
| reference value of the load current | |
| , | x and y coordinates of the grid current space vector, respectively |
| magnetising current in the induction machine | |
| , | gain and integration time of the PI current controllers, respectively |
| inductance in the filtering chokes in the AC side of the power converter | |
| leakage stator inductance | |
| magnetising inductance | |
| minimum value of the generator’s reactive power taken from the grid under different active power | |
| q component of instantaneous grid power | |
| reference value of q component of instantaneous grid power | |
| , | resistors for dissipation energy in lower and upper braking choppers, respectively |
| – | gating signals of transistors in the power converter and braking choppers |
| gating signal to close grid power switch | |
| synchronisation signal for asynchronous connection algorithm | |
| synchronisation signal for synchronous connection algorithm | |
| generator switch | |
| capacitor bank switch | |
| converter switch | |
| grid switch | |
| torque of a prime mover | |
| maximum torque of a prime mover | |
| , | reference values of x and y coordinates of the converter voltage space vector |
| , | voltages on the DC-link capacitors CD and CU, respectively |
| DC-link voltage | |
| reference value of DC-link voltage | |
| RMS line-to-line value of generator grid phase voltage | |
| , | generator voltage space vector |
| length of the generator voltage space vector | |
| , | generator phase voltages: a and b phases, respectively |
| , | x and y coordinates of the generator voltage space vector |
| RMS line-to-line value of grid phase voltage | |
| grid voltage space vector | |
| length of the grid voltage space vector | |
| , | grid phase voltages: a and b phases, respectively |
| , | x and y coordinates of the grid voltage space vector |
| tolerance of the phases of the generator and grid voltage vectors | |
| tolerance of the lengths of the generator and grid voltage vectors | |
| tolerance of the angular frequencies of the generator and grid voltages | |
| angle of generator vector voltage | |
| angle of grid vector voltage | |
| angular frequency of generator voltage | |
| angular frequency of grid voltage | |
| maximum angular frequency of the induction generator | |
| angular speed of prime mover | |
| maximum angular speed of prime mover | |
| CB | capacitor bank |
| CL | controlled load |
| FF | feedforward |
| PEC | power electronic converter |
| PM | prime mover |
| “ contr.” | controller of the grid reactive power |
| SCIG | squirrel-cage induction generator |
| SRF-PLLgen | Synchronous Reference Frame Phase-Locked Loop algorithm adopted for generator voltages |
| SRF-PLLgr | Synchronous Reference Frame Phase-Locked Loop algorithm adopted for grid voltages |
| “ contr.” | controller of the DC-link voltage |
| contr.” | controller of the generator voltage amplitude |
| “ contr.” | controller of the y component of the generator voltage vector |
| “ contr.” | controller of the y component of the grid voltage vector |
| “ contr.” | controller of the phase of generator voltage |
| “ contr.” | controller of the angular frequency of generator voltage |
References
- Gębczyk, K.; Grąkowski, Ł. Analysis of the autonomous operation of an induction generator working in a small hydropower plant. Przeglad Elektrotechniczny. 2019, 95, 76–79. [Google Scholar] [CrossRef]
- Trairat, P.; Somkun, S.; Kaewchum, T.; Suriwong, T.; Maneechot, P.; Panpho, T.; Wansungnern, W.; Banthuek, S.; Prasit, B.; Kiatsiriroat, T. Grid Integration of Livestock Biogas Using Self-Excited Induction Generator and Spark-Ignition Engine. Energies 2023, 16, 4963. [Google Scholar] [CrossRef]
- Silva, E.O.; Vanço, W.E.; Guimarães, G.C. A Technical and Economic Project Analysis of Asynchronous Technology in Distributed Generation Using Methane Gas from Pig Farms. IEEE Access 2020, 8, 36140–36153. [Google Scholar] [CrossRef]
- Gorski, D.A. Analysis of squirrel-cage induction generator start-up supported by reactive power compensator. COMPEL-Int. J. Comput. Math. Electr. Electron. Eng. 2020, 39, 265–278. [Google Scholar] [CrossRef]
- German-Galkin, S.; Tarnapowicz, D. Tests of the Ship’s Cage Induction Generator with the DC Electrical Network. In Proceedings of the 19th International Conference on Mechatronics, Mechatronika, Prague, 2–4 December 2020. [Google Scholar]
- Mihet-Popa, L.; Blaabjerg, F.; Boldea, I. Wind Turbine Generator Modeling and Simulation Where Rotational Speed is the Controlled Variable. IEEE Trans. Ind. Appl. 2004, 40, 3–10. [Google Scholar] [CrossRef]
- Varalakshmi, K.; Bharathi, K.; Himaja, T. Study of Soft-Starter based Induction Generator for Wind Energy Conversion System. In Proceedings of the 2021 Asian Conference on Innovation in Technology (ASIANCON), Pune, India, 27–29 August 2021. [Google Scholar]
- Prapurt, N.; Kinnares, V. Single-Phase Grid Connected Induction Generator with Soft Starting and Power Quality Improvement. In Proceedings of the 25th International Conference on Electrical Machines and Systems (ICEMS), Chiang Mai, Thailand, 29 November–2 December 2022. [Google Scholar]
- Yamada, H.; Hanamoto, T. A Novel Method of Suppressing Inrush Currents of Squirrel-cage Induction Machine using Matrix Converter in Wind Power Generation Systems. In Proceedings of the International Conference on Renewable Energy Research and Applications ICRERA 2012, Nagasaki, Japan, 11–14 November 2012. [Google Scholar]
- Sikorski, A.; Kuzma, A. Cooperation of induction squirrel-cage generator with grid connected AC/DC/AC converter. Bull. Pol. Acad. Sci. 2009, 57, 317–322. [Google Scholar] [CrossRef]
- Kasprowicz, A.B.; Husev, O.; Strzelecki, R. Induction Generator with Direct Control and a Limited Number of Measurements on the Side of the Converter Connected to the Power Grid. Energies 2023, 16, 63. [Google Scholar] [CrossRef]
- Mostafa, M.A.; El-Hay, E.A.; Elkholy, M.M. An overview and case study of recent low voltage ride through methods for wind energy conversion system. Renew. Sustain. Energy Rev. 2023, 183, 113521. [Google Scholar] [CrossRef]
- Gorski, D.A.; Iwanski, G. Asynchronous grid connection of a cage induction generator excited by a power electronic converter. IEEE Trans. Energy Convers. 2021, 36, 63–70. [Google Scholar] [CrossRef]
- Gorski, D.A.; Balkowiec, T.; Koczara, W. Grid Connection of a Converter Controlled Squirrel-Cage Induction Generator. In Proceedings of the 2018 7th International Conference on Renewable Energy Research and Applications (ICRERA), Paris, France, 14–17 October 2018; pp. 348–353. [Google Scholar]
- Reddy, G.M.; Manohar, T.G. Multi Level Inverter Based STATCOM for Grid Connected Wind Energy Conversion System. Int. J. Renew. Energy Res. 2017, 7, 80–87. [Google Scholar]
- Boulouiha, H.M.; Allali, A.; Laouer, M.; Tahri, A.; Denai, M.; Draou, A. Direct torque control of multilevel SVPWM inverter in variable speed SCIG-based wind energy conversion system. Renew. Energy 2015, 80, 140–152. [Google Scholar] [CrossRef]
- Tępiński, J.; Wiśniewski, J.; Koczara, W. Reactive power compensator of hydro induction generator. In Proceedings of the 7th International Conference and Exhibition on Ecological Vehicles and Renewable Energies EVER 2012, Monte Carlo, Monaco, 22–25 March 2012. [Google Scholar]
- Wiśniewski, J.; Koczara, W. Follow-up control of variable reactive power of cage induction generator driven by wind turbine. In Proceedings of the 8th International Conference and Exhibition on Ecological Vehicles and Renewable Energies EVER 2013, Monte Carlo, Monaco, 27–30 March 2013; pp. 1–6. [Google Scholar]
- Teodorescu, R.; Liserre, M.; Rodriguez, P. Grid Synchronization in Three-Phase Power Converters. In Grid Converters for Photovoltaic and Wind Power Systems; John Wiley & Sons: Chichester, UK, 2011. [Google Scholar]
- Guo, X.-Q.; Wu, W.-Y.; Gu, H.-R. Phase locked loop and synchronization methods for grid interfaced converters: A review. Przeglad Elektrotechniczny. 2011, 182–187. [Google Scholar]
- Benysek, G.; Pasko, M. Power Theories Applications to Control Active Compensators. In Power Theories for Improved Power Quality; Springer: London, UK, 2012. [Google Scholar]
- Simoes, M.G.; Farret, F.A. Modeling and Analysis with Induction Generators, 3rd ed.; CRC Press: Boca Raton, FL, USA, 2015. [Google Scholar]
- Krishna, V.B.M.; Sandeep, V.; Murthy, S.S.; Yadlapati, K. Experimental investigation on performance comparison of self excited induction generator and permanent magnet synchronous generator for small scale renewable energy applications. Renew. Energy 2022, 195, 431–441. [Google Scholar] [CrossRef]












| Connection System Type | Direct Connection | Soft-Start | Back-to-Back Converter | Parallel Converter | Parallel Partial Power Converter |
|---|---|---|---|---|---|
| Power electronic component of the system | No extra elements | Soft-start circuit | Two-stage converter (AC/DC and DC/AC) | Single-stage converter (AC/DC) | Single-stage converter (AC/DC) |
| Converter power rating value | - | - | Apparent power of the generator (the highest value) | Reactive generator power (medium value) | Part of reactive generator power (low value) |
| Capacitor bank | Required | Required | Not required | Not required | Partially required |
| Inrush grid current at the generator connection | High | Limited | None | None | None |
| Reactive power regulation | No, requires additional system | No, requires additional system | Yes | Yes | Yes |
| Possibility of operation with broken converter | Yes | Yes | No | Yes, with bad PF | Yes, with moderate PF |
| Prime mover operation speed range | Fixed speed, above synchronous | Fixed speed, above synchronous | Full range | Fixed speed, above synchronous | Fixed speed, above synchronous |
| System Components | Symbol | Parameter | Value |
|---|---|---|---|
| Induction Machine used as Generator | PN | Rated mechanical power | 7.5 kW |
| nN | Rated speed | 1450 rpm | |
| UN | Rated voltage (L-L, RMS) | 220 V | |
| IN | Rated current (RMS) | 27.1 A | |
| fN | Rated frequency | 50 Hz | |
| η | Efficiency | 0.86 | |
| PF | Power factor | 0.84 | |
| Laboratory Transformer | SN | Rated apparent power | 10 kVA |
| UPN/USN | Rated primary/secondary voltage (RMS) | 500/230 V | |
| IPN/ISN | Rated primary/secondary current (RMS) | 11.5/25 A | |
| %Z | Percentage impedance | 3.23% | |
| Main Transformer | SN | Rated apparent power | 1000 kVA |
| UPN/USN | Rated primary/secondary voltage (RMS) | 15/0.4 kV | |
| %Z | Percentage impedance | 5.74% | |
| Grid | Ugr,N | Nominal laboratory grid voltage | 185 V |
| Power Electronic Converter | fS | Switching frequency | 10 kHz |
| CD, CU | Capacitance of the DC-link capacitors | 2.2 mF | |
| LC | Converter chokes inductance | 1.8 mH | |
| IC,N | Rated current (RMS) | 16 A | |
| Rated current (RMS)—reduced power converter, software limited | 8 A | ||
| CF | Capacitance of filtering capacitors | 10 uF | |
| Capacitor Bank | CCB | Capacitance | 60 uF |
| Controlled Load | RU, RD | Braking chopper resistance | 10 Ω |
| System Component | Symbol | Parameter | Value for Optimal System Design (220 V) | Value for the Test Setup (185 V) | Unit |
|---|---|---|---|---|---|
| Generator (Induction Machine) | Ugen,r | Rated voltage, assumed for the generator operation mode | 220 | 185 | V |
| Sgen,r | Apparent power capability of the induction machine calculated for generator operation mode | 10.38 | 8.73 | kVA | |
| Pgen,r | Active power capability of the induction machine calculated for generator operation mode | 8.72 | 7.3 | kW | |
| Qgen,r | Reactive power capability of the induction machine calculated for generator operation mode | 5.63 | 4.74 | kvar | |
| Grid | Ugr,N | Nominal grid voltage | 220 | 185 | V |
| Power Electronic Converter | QC | Reactive power capability at given operating voltage | 5.72 | 4.81 | kvar |
| Reduced Power Electronic Converter (software-limited ratings) | Q’C | Reactive power capability at given operating voltage | 3.05 | 2.56 | kvar |
| Filtering Capacitors | Qf | Reactive power at given operating voltage | 0.45 | 0.32 | kvar |
| Capacitor Bank | QCB | Reactive power at given operating voltage | 2.74 | 1.94 | kvar |
| Line–Line Voltage Ugen | Capacitance Cmax1 | Capacitance Cmax2 | Applied Total Capacitances (CF + CCB) |
|---|---|---|---|
| 220 V | 100 µF | 74 µF | 70 µF |
| 185 V | 120 µF | 74 µF | 70 µF |
| Case No. | Generator Connection Method | System Configuration | |||
|---|---|---|---|---|---|
| Configuration Name | Converter | Controlled Load | Capacitor Bank | ||
| 1 | Direct | Typical | No | No | No |
| 2 | Synchronised | Introduced in [14] | Yes | Yes | No |
| 3 | Synchronised | Proposed | Reduced Size | Yes | Yes |
| 4 | Asynchronous | Introduced in [13] | Yes | No | No |
| 5 | Asynchronous | Proposed | Reduced Size | No | Yes |
Disclaimer/Publisher’s Note: The statements, opinions and data contained in all publications are solely those of the individual author(s) and contributor(s) and not of MDPI and/or the editor(s). MDPI and/or the editor(s) disclaim responsibility for any injury to people or property resulting from any ideas, methods, instructions or products referred to in the content. |
© 2025 by the authors. Licensee MDPI, Basel, Switzerland. This article is an open access article distributed under the terms and conditions of the Creative Commons Attribution (CC BY) license (https://creativecommons.org/licenses/by/4.0/).
Share and Cite
Górski, D.A.; Dziechciaruk, G.; Iwański, G. Grid Connection of a Squirrel-Cage Induction Generator Excited by a Partial Power Converter. Energies 2025, 18, 368. https://doi.org/10.3390/en18020368
Górski DA, Dziechciaruk G, Iwański G. Grid Connection of a Squirrel-Cage Induction Generator Excited by a Partial Power Converter. Energies. 2025; 18(2):368. https://doi.org/10.3390/en18020368
Chicago/Turabian StyleGórski, Dominik A., Grzegorz Dziechciaruk, and Grzegorz Iwański. 2025. "Grid Connection of a Squirrel-Cage Induction Generator Excited by a Partial Power Converter" Energies 18, no. 2: 368. https://doi.org/10.3390/en18020368
APA StyleGórski, D. A., Dziechciaruk, G., & Iwański, G. (2025). Grid Connection of a Squirrel-Cage Induction Generator Excited by a Partial Power Converter. Energies, 18(2), 368. https://doi.org/10.3390/en18020368

