COSS Losses in Resonant Converters
Abstract
1. Introduction
2. COSS Hysteresis Measurement
2.1. Datasheet Information About COSS and Switching Losses
2.2. Circuits for COSS Hysteresis Tracing
2.2.1. Power Amplifier Sawyer–Tower Circuit
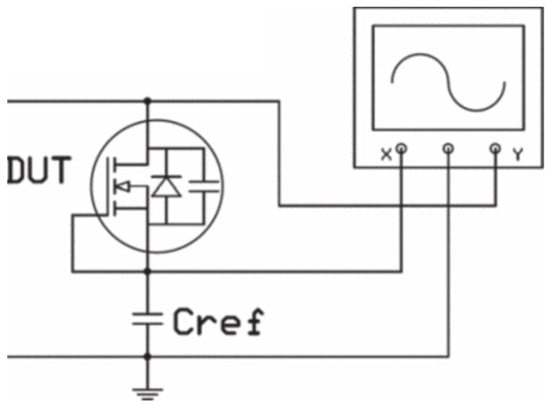
2.2.2. Half-Bridge Sawyer–Tower Circuit
2.2.3. Resonant Sawyer–Tower Circuit
3. Analysis of Coss Losses Under ZVS Operating Conditions
3.1. Coss Losses Evaluation
3.2. Analysis of Circuit Quantities’ Impact on Coss Losses
4. Physical Reasons for Coss Hysteresis Losses
4.1. SuperJunction MOSFETs
4.2. Wide-Bandgap Devices
5. Conclusions and Future Trends
Funding
Conflicts of Interest
References
- Ahmed, M.H.; de Rooij, M.A.; Wang, J. High-Power Density, 900-W LLC Converters for Servers Using GaN FETs: Toward Greater Efficiency and Power Density in 48 V to 6\/12 V Converters. IEEE Power Electron. 2019, 6, 40–47. [Google Scholar] [CrossRef]
- Alatai, S.; Salem, M.; Ishak, D.; Das, H.S.; Alhuyi Nazari, M.; Bughneda, A.; Kamarol, M. A Review on State-of-the-Art Power Converters: Bidirectional, Resonant, Multilevel Converters and Their Derivatives. Appl. Sci. 2021, 11, 10172. [Google Scholar] [CrossRef]
- Zeng, Y.; Yi, Y.; Liu, P. An Improved Investigation into the Effects of the Temperature-Dependent Parasitic Elements on the Losses of SiC MOSFETs. Appl. Sci. 2020, 10, 7192. [Google Scholar] [CrossRef]
- Mortazavizadeh, S.A.; Palazzo, S.; Amendola, A.; De Santis, E.; Di Ruzza, D.; Panariello, G.; Sanseverino, A.; Velardi, F.; Busatto, G. High Frequency, High Efficiency, and High Power Density GaN-Based LLC Resonant Converter: State-of-the-Art and Perspectives. Appl. Sci. 2021, 11, 11350. [Google Scholar] [CrossRef]
- Mahesh, M.; Vinoth Kumar, K.; Abebe, M.; Udayakumar, L.; Mathankumar, M. A review on enabling technologies for high power density power electronic applications. Mater. Today Proc. 2020, 46, 3888–3892. [Google Scholar] [CrossRef]
- Musumeci, S.; Cristaldi, D.; Portoghese, F. Super-junction power MOSFET in half bridge DC-DC zero-voltage converter for energy conversion management. In Proceedings of the International Conference on Clean Electrical Power (ICCEP), Taormina, Italy, 16–18 June 2015; pp. 755–760. [Google Scholar] [CrossRef]
- Truong, C.T.; Choi, S.J. A More Accurate ZVS Criterion for Resonant Converters. In Proceedings of the International Power Electronics Conference (IPEC-Himeji 2022-ECCE Asia), Himeji, Japan, 15–19 May 2022; pp. 2264–2267. [Google Scholar] [CrossRef]
- Bai, S.; Pantic, Z.; Lukic, S. A comparison study of control strategies for ZVS resonant converters. In Proceedings of the IECON 2010—36th Annual Conference on IEEE Industrial Electronics Society, Glendale, AZ, USA, 7–10 November 2010; pp. 256–262. [Google Scholar] [CrossRef]
- Fedison, J.B.; Harrison, M.J.; Zimmanck, D.R. Coss related energy loss in power MOSFETs used in zero-voltage-switched applications. In Proceedings of the IEEE Applied Power Electronics Conference and Exposition—APEC 2014, Fort Worth, TX, USA, 16–20 March 2014; pp. 150–156. [Google Scholar] [CrossRef]
- Fedison, J.B.; Harrison, M.J. COSS hysteresis in advanced superjunction MOSFETs. In Proceedings of the IEEE Applied Power Electronics Conference and Exposition (APEC), Long Beach, CA, USA, 20–24 March 2016; pp. 247–252. [Google Scholar] [CrossRef]
- Tong, Z.; Roig, J.; Neyer, T.; Plummer, J.D.; Rivas, J.M. Origins of Soft-Switching Coss Losses in SiC Power MOSFETs and Diodes for Resonant Converter Applications. IEEE J. Emerg. Sel. Topics Power Electron. 2021, 9, 4082–4095. [Google Scholar] [CrossRef]
- Guacci, M.; Heller, M.; Neumayr, D.; Bortis, D.; Kolar, J.W.; Deboy, G.; Ostermaier, C.; Haberlen, O. On the Origin of the Coss-Losses in Soft-Switching GaN-on-Si Power HEMTs. IEEE J. Emerg. Sel. Top. Power Electron. 2019, 7, 679–694. [Google Scholar] [CrossRef]
- Zulauf, G.; Tong, Z.; Plummer, J.D.; Rivas-Davila, J.M. Active Power Device Selection in High- and Very-High-Frequency Power Converters. IEEE Trans. Power Electron. 2019, 34, 6818–6833. [Google Scholar] [CrossRef]
- Datasheet STW70N60DM6. Available online: https://www.st.com/resource/en/datasheet/stw70n60dm6.pdf (accessed on 6 May 2025).
- Chen, R.; Lin, M.; Huang, X.; Wang, F.; Tolbert, L.M. An Improved Turn-on Switching Transient Model of 10 kV SiC MOSFET. In Proceedings of the IEEE Applied Power Electronics Conference and Exposition (APEC), Houston, TX, USA, 20–24 March 2022; pp. 1–8. [Google Scholar] [CrossRef]
- Zhuang, J.; Zulauf, G.; Roig, J.; Plummer, J.D.; Rivas, J.M. Small- and Large-Signal Dynamic Output Capacitance and Energy Loss in GaN-on-Si Power HEMTs. IEEE Trans. Electron Devices 2021, 68, 1819–1826. [Google Scholar] [CrossRef]
- Bottaro, E.A.; Rizzo, S.A. An Overview of Strengths and Weaknesses in Using MOSFET Experience for Modeling GaN HEMT. Energies 2023, 16, 6574. [Google Scholar] [CrossRef]
- International Rectifier. A More Realistic Characterization of Power MOSFET Output Capacitance Coss. Available online: https://www.alldatasheet.com/datasheet-pdf/view/820818/IRF/AN-1001.html (accessed on 6 May 2025).
- TOSHIBA. Power MOSFET Electrical Characteristics. Available online: https://toshiba.semicon-storage.com/info/application_note_en_20230209_AKX00063.pdf?did=13415 (accessed on 6 May 2025).
- Halder, T. Hard and Soft Switching Geometries for Operations of the MOSFET Used for the SMPS. In Proceedings of the Devices for Integrated Circuit (DevIC), Kalyani, India, 19–20 May 2021; pp. 1–6. [Google Scholar] [CrossRef]
- Mohammed, S.A.Q.; Jung, J. A State-of-the-Art Review on Soft-Switching Techniques for DC–DC, DC–AC, AC–DC, and AC–AC Power Converters. IEEE Trans. Ind. Inform. 2021, 17, 6569–6582. [Google Scholar] [CrossRef]
- Perera, N.; Kampitsis, G.; van Erp, R.; Ancay, J.; Jafari, A.; Nikoo, M.S.; Matioli, E. Analysis of Large-Signal Output Capacitance of Transistors Using Sawyer-Tower Circuit. IEEE J. Emerg. Sel. Top. Power Electron. 2021, 9, 3647–3656. [Google Scholar] [CrossRef]
- Perera, N.; Jafari, A.; Nela, L.; Kampitsis, G.; Nikoo, M.S.; Matioli, E. Output-Capacitance Hysteresis Losses of Field-Effect Transistors. In Proceedings of the 2020 IEEE 21st Workshop on Control and Modeling for Power Electronics (COMPEL), Aalborg, Denmark, 9–12 November 2020; pp. 1–8. [Google Scholar] [CrossRef]
- Bura, D.; Plum, T.; Baringhaus, J.; De Doncker, R. Hysteresis Losses in the Output Capacitance of Wide Bandgap and Super-junction Transistors. In Proceedings of the 20th European Conference on Power Electronics and Applications (EPE’18 ECCE Europe), Riga, Latvia, 17–21 September 2018; pp. 1–9. [Google Scholar]
- Zulauf, G.; Liang, W.; Surakitbovorn, K.; Rivas, J. Output capacitance losses in 600 V GaN power semiconductors with large voltage swings at high- and very-high-frequencies. In Proceedings of the IEEE 5th Workshop on Wide Bandgap Power Devices and Applications (WiPDA), Albuquerque, NM, USA, 30 October–1 November 2017; pp. 352–359. [Google Scholar] [CrossRef]
- Zulauf, G.; Park, S.; Liang, W.; Surakitbovorn, K.N.; Rivas, J. COSS Losses in 600 V GaN Power Semiconductors in Soft-Switched, High- and Very-High-Frequency Power Converters. IEEE Trans. Power Electron. 2018, 33, 10748–10763. [Google Scholar] [CrossRef]
- Zulauf, G.; Rivas, J.M. COSS losses in silicon superjunction MOSFETs across constructions and generations. In Proceedings of the IEEE 30th International Symposium on Power Semiconductor Devices and ICs (ISPSD), Chicago, IL, USA, 13–17 May 2018; pp. 136–139. [Google Scholar] [CrossRef]
- Zhu, H.; Zong, Y.; AlNuaimee, Y.; Codjia, Y.; Matioli, E. Soft-Switching CO Hysteresis Losses in GaN HEMTs: A Resonant-Sawyer-Tower Measurement Method. IEEE Trans. Power Electron. 2024, 39, 15709–15719. [Google Scholar] [CrossRef]
- Raciti, A.; Rizzo, S.A.; Salerno, N.; Susinni, G.; Scollo, R.; Scuto, A.; Musumeci, S.; Armando, E. Modeling of the Power Losses due to Coss in SJ MOSFETs Submitted to ZVS: Identification of the Passive Parameters by a Genetic Algorithm. In Proceedings of the IECON 2018—44th Annual Conference of the IEEE Industrial Electronics Society, Washington, DC, USA, 21–23 October 2018; pp. 1321–1326. [Google Scholar] [CrossRef]
- Raciti, A.; Rizzo, S.A.; Salerno, N.; Susinni, G.; Scollo, R.; Scuto, A. Modeling the Hysteresis Power Losses of the Output Parasitic Capacitance in Super Junction MOSFETs. In Proceedings of the International Symposium on Power Electronics, Electrical Drives, Automation and Motion (SPEEDAM), Amalfi, Italy, 20–22 June 2018; pp. 527–532. [Google Scholar] [CrossRef]
- Rogina, M.R.; Rodriguez, A.; Lamar, D.G.; Roig, J.; Gomez, G.; Vanmeerbeek, P. Analysis of Intrinsic Switching Losses in Superjunction MOSFETs Under Zero Voltage Switching. Energies 2020, 13, 1124. [Google Scholar] [CrossRef]
- Liang, K.; Hornbuckle, M.; Rivas-Davila, J. A Compact, Automated Sawyer-Tower System for Characterization of the High-Frequency, Soft-Switching Coss Loss of Wide Bandgap Devices. In Proceedings of the IEEE Applied Power Electronics Conference and Exposition (APEC), Atlanta, GA, USA, 16–20 March 2025; pp. 363–369. [Google Scholar] [CrossRef]
- Samizadeh Nikoo, M.; Jafari, A.; Perera, N.; Matioli, E. Measurement of Large-Signal COSS and COSS Losses of Transistors Based on Nonlinear Resonance. IEEE Trans. Power Electron. 2020, 35, 2242–2246. [Google Scholar] [CrossRef]
- Nikoo, M.S.; Jafari, A.; Perera, N.; Yildirim, H.K.; Matioli, E. Investigation on Output Capacitance Losses in Superjunction and GaN-on-Si Power Transistors. In Proceedings of the IEEE 9th International Power Electronics and Motion Control Conference (IPEMC2020-ECCE Asia), Nanjing, China, 29 November–2 December 2020; pp. 48–51. [Google Scholar] [CrossRef]
- Song, Q.; Zhang, R.; Li, Q.; Zhang, Y. A Simple and Accurate Method to Characterize Output Capacitance Losses of GaN HEMTs. In Proceedings of the IEEE Energy Conversion Congress and Exposition (ECCE), Detroit, MI, USA, 9–13 October 2022; pp. 1–6. [Google Scholar] [CrossRef]
- Thermal Effects and Junction Temperature Evaluation of Power MOSFETs. Available online: https://www.st.com/resource/en/application_note/dm00241971-thermal-effects-and-junction-temperature-evaluation-of-power-mosfets-stmicroelectronics.pdf (accessed on 6 May 2025).
- Scuto, A.; Sorrentino, G.; Ventimiglia, M.; Belverde, G. Analysis of MOSFET Switching Losses in Resonant Converters Using Electrical and Thermal Measurements and Loss Trends with MOSFET Size Variation. In Proceedings of the PCIM Europe 2024, International Exhibition and Conference for Power Electronics, Intelligent Motion, Renewable Energy and Energy Management, Nürnberg, Germany, 11–16 June 2024; pp. 2916–2924. [Google Scholar] [CrossRef]
- Lin, Z. Study on the Intrinsic Origin of Output Capacitor Hysteresis in Advanced Superjunction MOSFETs. IEEE Electron Device Lett. 2019, 40, 1297–1300. [Google Scholar] [CrossRef]
- Roig, J.; Bauwens, F. Origin of Anomalous COSS Hysteresis in Resonant Converters with Superjunction FETs. IEEE Trans. Electron Devices 2015, 62, 3092–3094. [Google Scholar] [CrossRef]
- Lin, Z.; Wang, Z.; Zeng, W.; Li, P.; Hu, S.; Zhou, J.; Tang, F. Electrothermal Analysis of the Charge–Discharge Related Energy Loss of the Output Capacitance in OFF-State Superjunction MOSFETs. IEEE Trans. Electron Devices 2021, 68, 4582–4586. [Google Scholar] [CrossRef]
- Li, X.; Tan, B.; Huang, A.Q.; Zhang, B.; Zhang, Y.; Deng, X.; Li, Z.; She, X.; Wang, F.; Huang, X. Impact of Termination Region on Switching Loss for SiC MOSFET. IEEE Trans. Electron Devices 2019, 66, 1026–1031. [Google Scholar] [CrossRef]
- Wang, W.; Liang, Y.; Zhang, M.; Lin, F.; Wen, F.; Wang, H. Mechanism Analysis of Dynamic On-State Resistance Degradation for a Commercial GaN HEMT Using Double Pulse Test. Electronics 2021, 10, 1202. [Google Scholar] [CrossRef]
- Udabe, A.; Baraia, I.; Diez, D.G. Gallium Nitride Power Devices: A State of the Art Review. IEEE Access 2023, 11, 48628–48650. [Google Scholar] [CrossRef]
- Zhuang, J.; Zulauf, G.; Rivas, J. Substrate Bias Effect on E-Mode GaN-on-Si HEMT Coss Losses. In Proceedings of the IEEE 6th Workshop on Wide Bandgap Power Devices and Applications (WiPDA), Atlanta, GA, USA, 31 October–2 November 2018; pp. 130–133. [Google Scholar] [CrossRef]
- Zhuang, J.; Zulauf, G.; Roig, J.; Plummer, J.D.; Rivas-Davila, J. An Investigation into the Causes of COSS Losses in GaN-on-Si HEMTs. In Proceedings of the 20th Workshop on Control and Modeling for Power Electronics (COMPEL), Toronto, ON, Canada, 17–20 June 2019; pp. 1–7. [Google Scholar] [CrossRef]































| Circuit | Measurement Range Analyzed So Far | Reproducibility | Sensitivity | Feasibility in the Lab |
|---|---|---|---|---|
| PASTC | VDS amplitude and frequency upper limits determined by the power amplifier (until 800 V and 35 MHz) | High Controlled and stable signal ensures repeatable conditions | Medium to High Depending on the power amplifier bandwidth and the signal amplitude | Medium Moderate realization difficulty. Results are limited by power amplifier specifications Large size of power amplifier could be problematic |
| HBSTC | VDS until 600 V and frequency range between 100 kHz and 3.8 MHz | Low to Medium Parasitics and component tolerances affect repeatability Operating conditions reiteration is not easy | High Dynamic characterization under realistic high switching conditions | Low to Medium Necessary PCB, driver, and overall converter proper design |
| RSTC | VDS until 400 V and frequency until 10 MHz | Low to Medium Parasitics and component tolerances affect repeatability Control condition repeatability is not easy | High Good for fast voltage swings | Low to Medium Need proper design circuit and control implementation |
| Work | Device Technology | Analysis | Tool for Hysteresis Losses Estimation | Key Outcomes |
|---|---|---|---|---|
| [10,27] | Si-SJ | Experimental | PASTC | EDISS increases with VDS amplitude |
| [12] | GaN | VDS-ID waveforms | ||
| [13,45] | Si-SJ, SiC, GaN | PASTC | ||
| [22,25] | GaN | PASTC | ||
| [28] | GaN | RSTC | ||
| [31] | Si-SJ | VDS-ID waveforms | ||
| [33] | GaN | VDS waveform | ||
| [34] | Si-SJ, SiC, GaN | IL inductor current | ||
| [26] | GaN | Experimental | PASTC | EDISS increases with dv/dt EDISS increases with VDS amplitude |
| [11,41] | SiC | Experimental and TCAD simulation | PASTC/HBSTC | EDISS increases with dv/dt Losses occur in termination regions |
| [24] | Si-SJ, SiC, GaN | Experimental | HBSTC | EDISS increases with VDS amplitude and inductor peak current GaN HEMT devices present the smallest losses |
| [38,39,40] | Si-SJ | TCAD simulation | VDS-ID waveforms | TFEG mitigates EDISS EDISS increases with dv/dt |
| [44] | GaN | Experimental | PASTC | EDISS increases with VDS amplitude EDISS decreases for higher imposed temperatures |
Disclaimer/Publisher’s Note: The statements, opinions and data contained in all publications are solely those of the individual author(s) and contributor(s) and not of MDPI and/or the editor(s). MDPI and/or the editor(s) disclaim responsibility for any injury to people or property resulting from any ideas, methods, instructions or products referred to in the content. |
© 2025 by the authors. Licensee MDPI, Basel, Switzerland. This article is an open access article distributed under the terms and conditions of the Creative Commons Attribution (CC BY) license (https://creativecommons.org/licenses/by/4.0/).
Share and Cite
Samperi, G.; Laudani, A.; Salerno, N.; Scuto, A.; Ventimiglia, M.; Rizzo, S.A. COSS Losses in Resonant Converters. Energies 2025, 18, 3312. https://doi.org/10.3390/en18133312
Samperi G, Laudani A, Salerno N, Scuto A, Ventimiglia M, Rizzo SA. COSS Losses in Resonant Converters. Energies. 2025; 18(13):3312. https://doi.org/10.3390/en18133312
Chicago/Turabian StyleSamperi, Giuseppe, Antonio Laudani, Nunzio Salerno, Alfio Scuto, Marco Ventimiglia, and Santi Agatino Rizzo. 2025. "COSS Losses in Resonant Converters" Energies 18, no. 13: 3312. https://doi.org/10.3390/en18133312
APA StyleSamperi, G., Laudani, A., Salerno, N., Scuto, A., Ventimiglia, M., & Rizzo, S. A. (2025). COSS Losses in Resonant Converters. Energies, 18(13), 3312. https://doi.org/10.3390/en18133312

