Abstract
Grid converters play a central role in renewable energy conversion. Among all inverter topologies, the current source inverter (CSI) provides many advantages and is, therefore, the focus of ongoing research. This review demonstrates how CSIs can play a pivotal role in ensuring the seamless conversion of solar-generated energy with the electricity grid, thereby facilitating stable and reliable integration. This study extensively investigates various categories of single-stage CSI photovoltaic inverters, categorizing them into two-level, three-level, and multi-level architectures. Furthermore, these inverters are classified based on construction attributes, power factor, and total harmonic distortion values to assess their compliance with the standards, such as IEEE 1547 and IEC 61727. This review also delves into diverse control strategies for seamless grid integration. This comprehensive assessment serves as a resource for researchers in the field, enabling them to effectively choose the most suitable CSI for their specific applications. Additionally, it offers a quick reference point to steer research endeavors toward refining the integration of CSIs within photovoltaic systems.
1. Introduction
In recent years, photovoltaic (PV) systems have gained significant attention as a renewable energy solution, contributing to the global efforts towards sustainable development and combating climate change. Central to the efficient functioning of these systems are inverters, which play a crucial role in converting the direct current (DC) generated by solar panels into alternating current (AC) that can be used to power electrical devices and feed energy back into the grid [1,2]. The rapid growth of PV systems as a clean and sustainable energy solution has sparked immense interest in improving the components of these systems, due to its main properties:
- Inherent short-circuit protection;
- Low current and voltage harmonics.
One of the topologies that has gained an increasing importance in the field of PV systems is the current source inverter (CSI). CSIs offer several advantages over other inverter technologies, making them a popular choice for both residential and utility-scale PV installations. Interconnected systems are categorized according to the quantity of power processing stages, utilization of transformers, transformerless configurations, and the type of commutation. Consequently, topologies relying on the number of stages in energy processing are classified into single- and multistage systems, as illustrated in Figure 1.
Figure 1.
Types of PV inverters: (a) single stage, (b) multi stage.
The single-stage CSI is a straightforward and cost-effective solution, suitable for small-scale PV installations. It offers higher efficiency but may require additional filtering to address voltage harmonics. On the other hand, multi-stage CSI allows for more flexibility and control over the output waveform, making it a preferred choice for larger PV systems where power quality is crucial. However, it involves more complex circuitry and has a slightly lower overall efficiency due to additional conversion stages. The choice between single-stage and multi-stage CSI depends on the specific requirements and priorities of the PV system application. This article aims to provide a comprehensive overview of CSIs, highlighting their key features, benefits, and applications within the context of PV systems, and to provide a comprehensive introduction to CSIs, focusing on their significance in the conversion of solar energy from photovoltaic cells to the electrical grid.
2. CSI Topologies in Photovoltaic Systems
Photovoltaic systems are rapidly advancing as a reliable and sustainable source of energy [3]. To ensure efficient power conversion and integration with the grid, the choice of the inverter topology plays a critical role. Among the various inverter technologies available [4], CSI has gained significant attention due to its unique features and advantages. The CSI basic scheme has an inductor in series between the DC input and the power switches and aims for the CSI current to be continuous (Figure 2).
Figure 2.
DC-link current waveform in one switching period.
The output current in the CSI is obtained by:
where is the amplitude modulation index and is the input current.
This paper presents an in-depth analysis of different CSI topologies in photovoltaic systems, exploring their design, operation, and performance characteristics. The focus is on comparing and evaluating popular CSI topologies, in terms of their efficiency, power quality, reliability, and grid compatibility. The findings of this study provide valuable insights for researchers and engineers in selecting the most suitable CSI topology for specific photovoltaic system requirements, enabling optimal energy conversion and integration into the electrical grid. The types of CSI can be divided into two macro-categories, single-stage and multi-stage, each with strengths and weaknesses (Table 1):
Table 1.
Differences between single-stage and multi-stage CSI.
Below are more details on “Single-stage” and “Multi-stage configurations:
2.1. Single-Stage CSI
Single-stage CSI: The single-stage CSI is a straightforward and efficient solution for converting DC power from PV arrays into AC power suitable for grid connection. In this configuration, a single conversion stage is employed to perform the direct conversion process, eliminating the need for additional intermediate stages. The key components of a single-stage CSI system typically include a current source inverter and a control unit. The current source inverter is responsible for converting the DC current from the PV panels into a controlled AC current. The control unit regulates the switching of the power semiconductors in the inverter to achieve the desired AC voltage and frequency. The simplicity of the single-stage design makes it cost-effective and suitable for small- to medium-scale PV installations. One of the significant advantages of the single-stage CSI is its higher overall efficiency. Since there are no additional conversion stages, the energy losses associated with each stage are minimized, resulting in improved efficiency. This feature makes the single-stage CSI an attractive choice for applications where maximizing energy conversion efficiency is crucial. However, a potential drawback of the single-stage CSI is its susceptibility to voltage harmonics in the output waveform. The direct conversion process may introduce higher levels of harmonics, which can affect power quality and lead to issues with the connected grid. To address this concern, additional filtering or advanced control techniques may be implemented to mitigate harmonics and maintain compliance with grid codes and standards. Consequently, we can summarize that the advantages are:
- Simplicity of control and design: Single-stage CSI uses a single conversion stage to convert DC power from the PV array to AC power for grid connection. It employs a direct conversion approach without additional intermediate stages;
- Fault-tolerance: CSI has high fault-tolerance, as the DC-link inductor limits overcurrent;
- Lower cost: it requires fewer components, making it relatively simpler in design and lower in cost;
- Suitable for smaller systems: Well-suited for smaller-scale PV installations. Due to the absence of additional conversion stages, single-stage CSI generally exhibits higher efficiency to low power levels, compared to multi-stage inverters.
The disadvantages for a single-stage CSI are:
- Efficiency: may have lower efficiency, especially at high power levels;
- Harmonics: Single-stage CSI may produce more voltage harmonics in the output waveform, leading to potential power quality issues. Additional filtering or control techniques may be needed to mitigate harmonics.
- Limited scalability: less suitable for high-power applications.
Single-stage CSI is particularly suitable for residential and small commercial PV systems, where simplicity and cost-effectiveness are essential considerations. Its efficiency and reliability make it a practical choice for converting solar energy into usable AC power. As with any inverter technology, proper system design, installation, and maintenance are crucial to ensure optimal performance and longevity of the single-stage CSI in PV applications.
2.2. Multi-Stage CSI
The multi-stage CSI: The multi-stage CSI is a sophisticated and versatile solution for converting DC power from photovoltaic (PV) arrays into AC power suitable for grid connection [5]. Unlike the single-stage CSI, this configuration involves multiple conversion stages to achieve the desired voltage and current levels, offering greater flexibility and control over the output waveform. In a multi-stage CSI, additional components such as DC-DC converters or intermediate DC bus systems are integrated into the system. These components help in voltage transformation and conditioning before the final conversion to AC power. The multi-stage approach allows for customization and optimization of the conversion process, making it suitable for various PV system sizes and grid requirements. The multi-stage CSI typically consists of multiple inverters or converters working in tandem. Each stage performs a specific function, such as boosting the voltage to a higher level or regulating the current flow, before passing it on to the next stage. Advanced control algorithms govern the operation of each stage, ensuring seamless integration and efficient energy conversion. One of the primary advantages of the multi-stage CSI is its ability to achieve better power quality. The control over the output waveform allows for the reduction in voltage harmonics and improvement in overall power factor, meeting grid codes and standards more effectively. This feature makes the multi-stage CSI particularly suitable for larger PV systems, where maintaining a high power quality is essential to avoid grid disturbances and ensure seamless integration with the utility grid. However, the multi-stage CSI’s added complexity results in a higher system cost compared to the single-stage CSI. The additional components and control systems increase the initial investment, making it more suitable for medium- to large-scale PV installations, where the benefits of power quality and customization justify the higher upfront expenses. Consequently we can summarize that the advantages are:
- Efficiency: Enhanced efficiency, especially at high power levels. For low power levels, a multi-stage CSI may experience slightly lower efficiency due to additional conversion losses. However, advanced control strategies can help optimize efficiency;
- Scalability: Highly scalable for various power levels;
- Harmonics: The use of multiple stages allows for more control over the output waveform, potentially reducing voltage harmonics. Multi-stage inverters can implement more sophisticated control algorithms to achieve better power quality;
- Grid Compatibility: enhanced grid compatibility with reduced filtering requirements.
The disadvantages for a multi-stage CSI are:
- Configuration: Multi-stage CSI employs multiple conversion stages between the PV array and the grid connection. It can use a combination of converters or inverters to achieve the desired voltage and current levels;
- Complexity: Multi-stage CSI requires additional components such as DC-DC converters [6] or intermediate DC bus systems. This results in a more complex design and higher system cost;
- Grid Compatibility: enhanced grid compatibility with reduced filtering requirements.
In conclusion, the multi-stage CSI is a robust and versatile choice for converting solar energy into AC power. Its ability to optimize power quality and customize the energy conversion process makes it an excellent option for larger PV systems and applications with strict grid requirements. Proper system design, integration, and control are essential to harness the full potential of the multi-stage CSI and ensure its reliable and efficient performance in PV installations.
In general, the main advantages and disadvantages of CSIs can be summarized in the two tables. The advantages are in Table 2.
Table 2.
Advantages of CSIs.
The disadvantages are in Table 3.
Table 3.
Disadvantages of CSIs.
2.3. Single-Stage CSI Topologies
In this paper, we will mainly deal with single-stage CSI topologies. The main topologies used in CSIs are:
- Two-level;
- Three-level;
- Multilevel.
Two-level CSI is a fundamental topology employed in PV systems to convert the direct current generated by solar panels into alternating current suitable for grid integration. This inverter topology plays a crucial role in enabling the seamless and efficient utilization of solar energy for both residential and commercial applications. In a two-level CSI for PV systems, the core principle involves using a single controlled current source to generate a two-level voltage waveform. The simplicity and cost-effectiveness of this topology make it an attractive choice for small-scale PV systems. However, the two-level CSI also presents certain challenges, particularly in terms of voltage harmonics in the output waveform. The direct conversion process can introduce higher levels of harmonics, potentially affecting the quality of power being fed back into the grid. This has prompted the development of advanced control techniques and filtering strategies to mitigate harmonics and ensure compliance with grid standards. Despite its limitations, the two-level CSI remains a widely adopted solution due to its straightforward design and reliability.
Three-level CSI stands as a significant advancement in the field of PV systems, offering enhanced power conversion capabilities and improved grid integration. This inverter topology plays a pivotal role in bridging the gap between the DC output from solar panels and the AC required for seamless connection to the electrical grid. In a three-level CSI for PV applications, the central concept revolves around using three independently controlled current sources to generate a three-level voltage waveform. This innovative approach is a departure from the traditional two-level topology and aims to mitigate certain challenges associated with voltage harmonics and power quality. These devices are orchestrated to create three distinct voltage levels, allowing for a more refined output waveform compared to the standard two-level topology. The result is a reduction in voltage harmonics and an overall enhancement in power quality which directly contributes to grid stability and compliance. By producing a smoother AC voltage waveform with fewer harmonics, this topology reduces the potential for grid disturbances and enhances the overall efficiency of the PV system. This makes the three-level CSI particularly suitable for medium- to large-scale PV installations where grid integration and power quality are paramount. However, it is important to acknowledge that the three-level CSI’s increased complexity comes with certain challenges, including advanced control strategies and potential cost considerations. Nevertheless, ongoing research and technological advancements continue to address these challenges, further improving the performance and reliability of these topologies.
Multilevel CSIs find application in medium–high power photovoltaic systems, where the improvement in energy quality and the reduction in harmonic distortion are essential. These topologies efficiently handle low DC input voltages, making them suitable for PV systems with varying sunlight conditions. The benefits are higher power conversion efficiency, reduced switching losses, and less electromagnetic interference. However, these topologies are not without drawbacks. They often involve greater complexity in control algorithms and circuit design, potentially leading to higher initial costs. Accurate calibration of voltage levels and careful selection of switching devices are essential to ensure optimum performance.
Within this framework, two distinct configurations emerge: the CSI with a transformer and the CSI without a transformer, each offering unique advantages and considerations.
- CSI with a transformer: An isolation transformer is introduced between the inverter and the grid connection. This transformer serves a dual purpose: galvanic isolation and voltage transformation. Galvanic isolation enhances safety by preventing ground loop issues and ensuring system reliability. Additionally, the transformer enables voltage level adjustment, making it adaptable to diverse grid voltage standards and regional requirements. This configuration is well-suited for applications where safety, grid compatibility, and voltage transformation are critical concerns;
- CSI transformerless: This eliminates the need for an isolation transformer. This design choice streamlines the system by reducing overall complexity, weight, and potential efficiency losses associated with transformer-based solutions. The absence of a transformer contributes to higher overall efficiency, making this configuration appealing for PV systems prioritizing energy conversion efficiency and cost-effectiveness. However, the absence of galvanic isolation necessitates careful consideration of insulation coordination and safety measures.
Both configurations exhibit merits and trade-offs that should be evaluated based on the specific needs of the PV system and the grid integration requirements. The choice between the CSI with and without a transformer hinges on factors such as safety considerations, grid regulations, power quality demands, and cost considerations (Table 4).
Table 4.
Comparison of CSIs with transformer and transformerless.
The decision to integrate a transformer or opt for a transformerless design influences the system’s safety, efficiency, and adaptability to different grid conditions [22].
Each topology of PV inverters for CSI has its strengths and weaknesses, and the choice depends on factors such as the scale of the PV system, power quality requirements, grid regulations, and cost considerations. Understanding these different topologies is essential for designing efficient and reliable PV systems that meet specific application needs.
2.3.1. Two-Level CSI
The two-level CSI is the simplest topology, where a single controlled current source generates a two-level voltage waveform. Two-level CSIs are known for their simplicity and cost-effectiveness, rendering them suitable for small- to medium-scale PV installations. However, they might produce appreciable voltage harmonics, which can influence power quality and grid compliance. Both single-phase and three-phase [23] configurations can be found in the literature. A comparative evaluation of single-phase and three-phase CSIs for grid interfacing was explored for the grid interconnection of distributed and renewable energy systems [24].
Some examples of two-level CSIs (single-phase) are given below:
- Two-level CSI with H-Bridge: This is one of the most common configurations for single-phase two-level inverters. It uses four switching devices arranged in an H-bridge, consisting of two upper and two lower arms to create the desired AC voltage output. The two upper arms are connected to each other and share a positive point, while the two lower arms are also connected to each other and share a negative point. The control signal is applied to the switching devices to create an alternating voltage waveform at the output line (Figure 3). The H-bridge topology is commonly used in medium- to large-sized PV systems;
Figure 3. Two-level CSI (single-phase).The states of a two-level CSI are shown in Table 5.
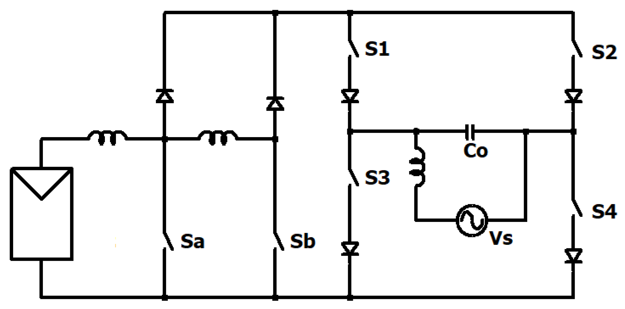
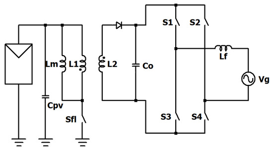
Table 5. States of a two-level CSI. - Two-level CSI with only one neutral point: This configuration uses two controlled current sources (A and B) and a single neutral point shared between them. Switching devices are used to connect and disconnect current sources with the neutral point in a synchronous manner, generating a two-level voltage waveform at the output line. An example of improvement in the basic transformerless topology is called CSI5 and is presented in [18,25]. This topology is the one shown in Figure 4. First, it includes an additional leg with a single switch, effectively minimizing conduction losses during times when power is not being transferred to the output. Secondly, the design of the DC link enables the inverter to leverage the voltage-boosting capability of the current source inverter, allowing it to utilize low voltage PV arrays as input sources.
Figure 4. A transformerless CSI5 for a grid-connected SPV system.
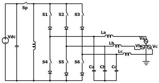
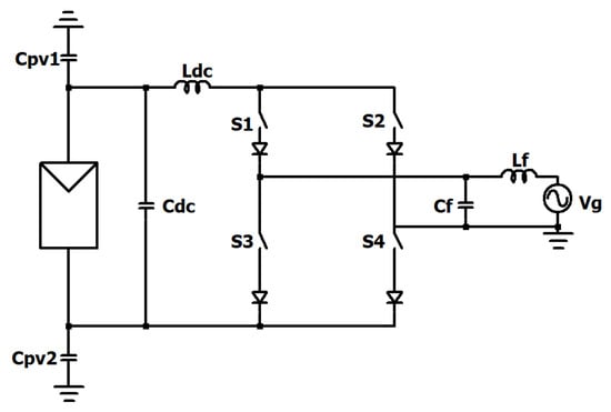
The most used two-level three-phase CSIs is shown in Figure 5:
Figure 5.
Two-level CSI (three-phase).
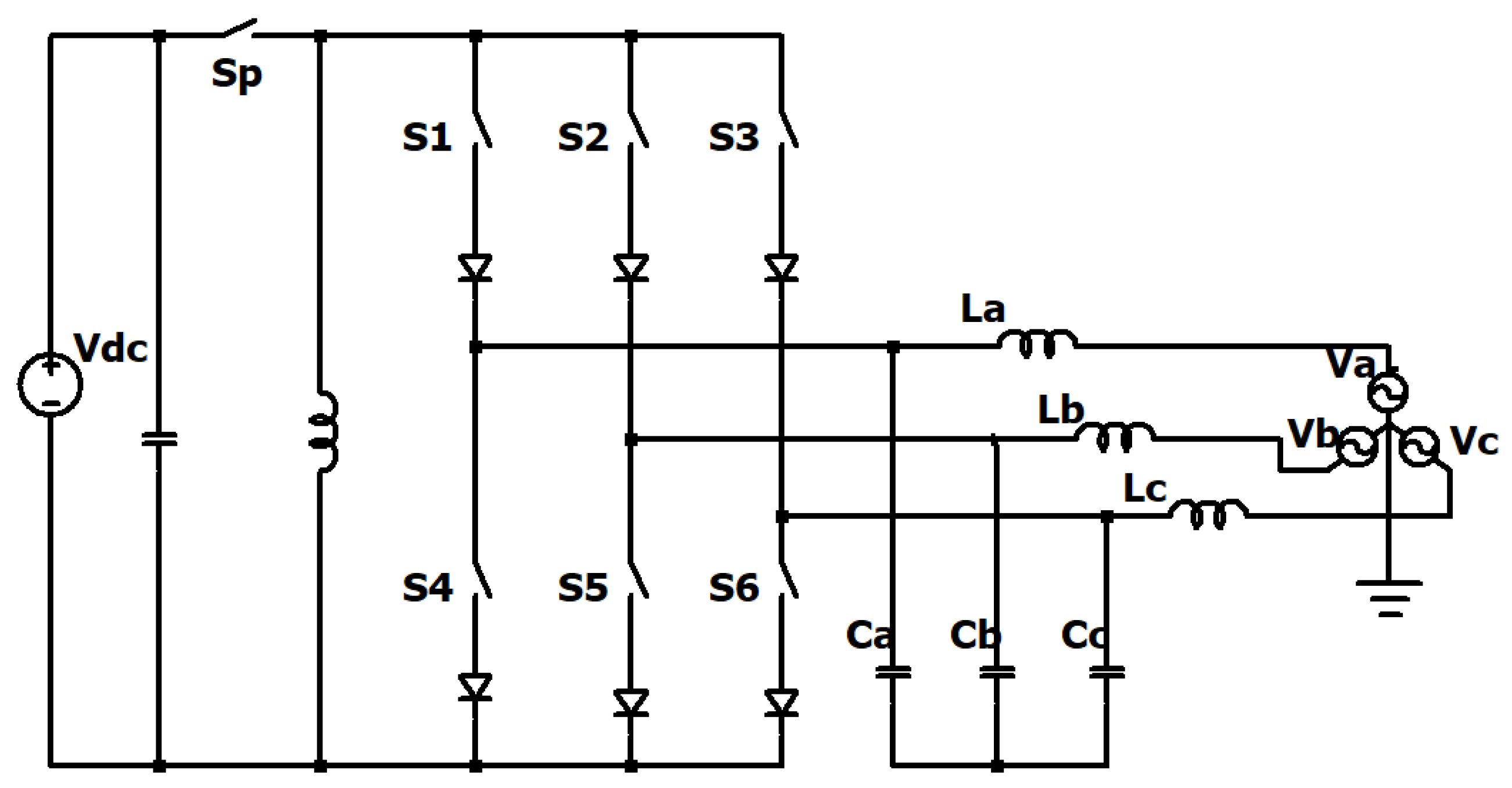
- Two-level CSIs with floating neutral points: This configuration uses three independently controlled current sources (A, B, and C) and three floating neutral points [26]. Each current source is switched to provide positive, zero, or negative voltages on the output line with respect to the floating neutral points [27]. It uses six switching devices arranged in an half-bridge, consisting of three upper and three lower arms to create the desired three-phase AC voltage output (Figure 5).The most used modulation technique is space vector modulation (SVM) [28], based on pulse-width modulation (PWM). The fundamental principle of SVM is that a reference output current represents the three three-phase output currents which are assumed constant in the sampling period Tc, and is the sum of two adjacent active states and a zero state (Table 6).
Table 6. SVM states.
These are some examples of two-level current source inverters, but there are other variations and configurations possible. Two-level topologies are simpler than three-level topologies, but can produce a voltage waveform that is less smooth and has more harmonics. The choice of topology depends on the specifics of the PV system and the needs of the application.
2.3.2. Three-Level CSI
Three-level CSI is an advanced topology designed to improve power quality and reduce voltage harmonics compared to its two-level counterpart. It employs three independently controlled current sources, each responsible for generating positive, neutral, or negative voltage levels. This arrangement allows the three-level CSI to produce a higher-quality AC voltage waveform with fewer harmonics. While more complex than the two-level CSI, three-level inverters are preferred for medium- to large-scale PV systems, where power quality is crucial.
Three-level CSIs can be built using different configurations and combinations of components. Some examples of three-level CSIs are given below:
- Single-phase CSI with a neutral point: Figure 6 shows a circuit with an additional leg similar to CSI5. This solution reduces conduction losses as well as significantly reducing earth leakage current. Both of these topologies are used for transformerless PV applications [29].
Figure 6. CSI5 single-phase system with additional zero state. - Three-level CSI with a neutral point: In this configuration, three controlled current sources (A, B, and C) are connected to each other and share a common neutral point (Figure 7). Switching devices are used to connect and disconnect current sources with neutral points in a synchronous manner, thus generating a three-level voltage waveform. This topology requires an isolation transformer to separate the DC voltage side of the circuit from the AC side.
Figure 7. Three-level CSI with neutral point.
The three-phase and tri-state buck-boost integrated inverter for solar applications presented in [30] employs a modified SVM technique to control the operation of the inverter, as shown in Figure 8.
Figure 8.
Three-phase tri-state inverter buck-boost CSI.
The use of the special characteristics of tri-state operation coupled with a modified SVM allows the inverter to have a significant degree of freedom for controller design, i.e., the input and output can be independently controlled. Furthermore, in this inverter, for connection to the electrical grid, there are no electrolytic power capacitors, which translates into a considerable advantage for the useful life of the structure.
A three-phase current inverter modified for modular photovoltaic applications where each switch has a diode [31] is shown in Figure 9.
Figure 9.
Three-phase current inverter with additional leg and backwards diodes.
For the above four leg topology, it is controlled via SVM using a Maximum Power Point Tracking (MPPT) as input, as shown by the following block diagram (Figure 10).
Figure 10.
Block diagram of SVM using MPPT as input.
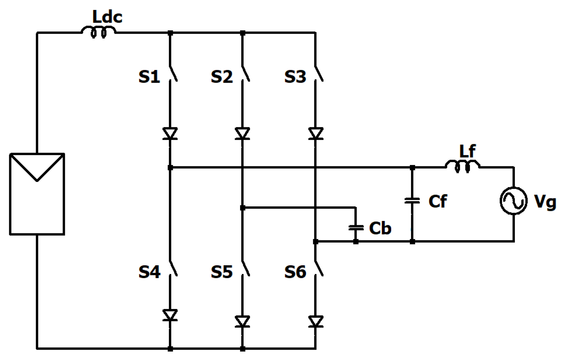
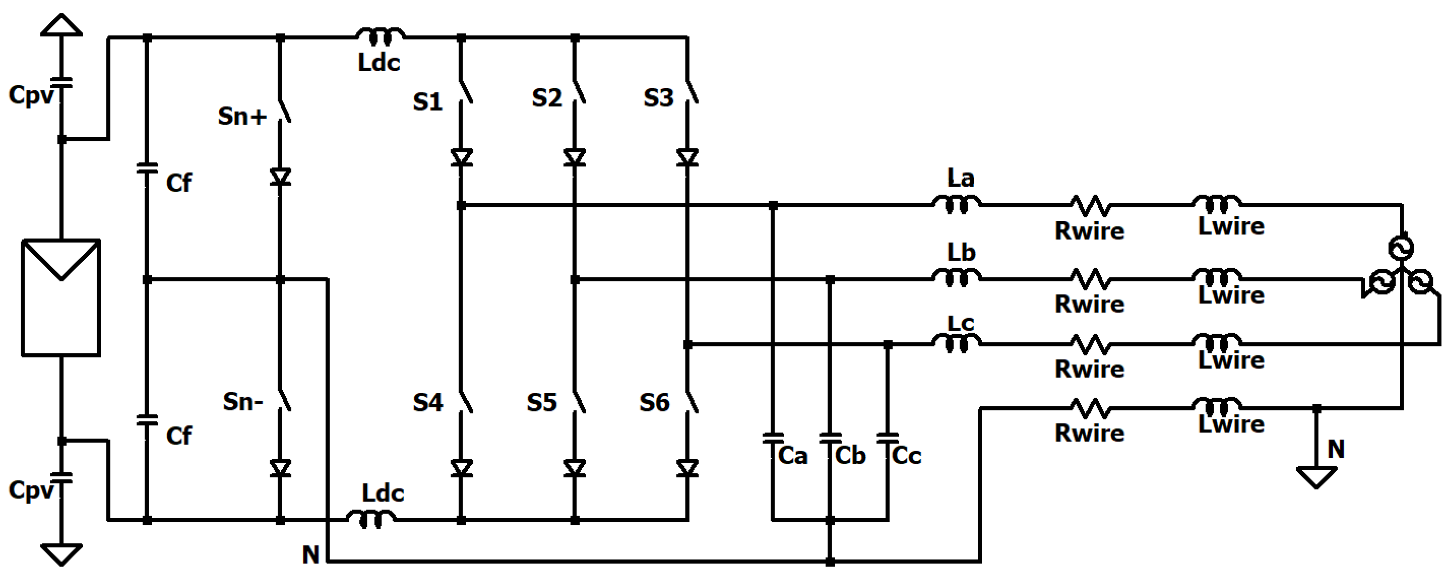
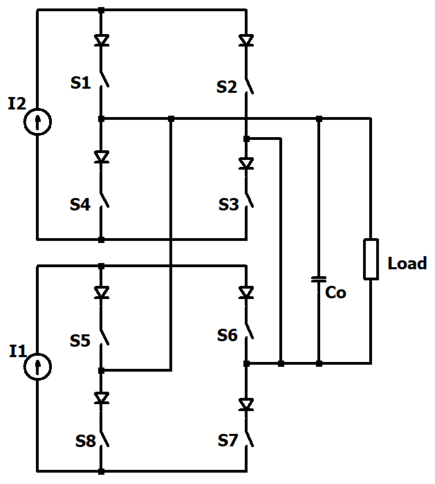
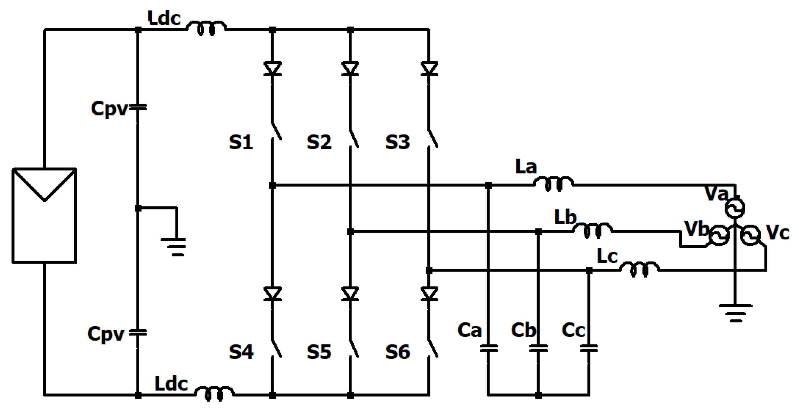
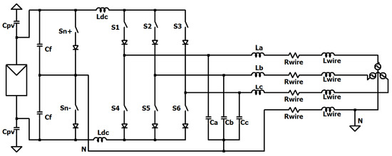
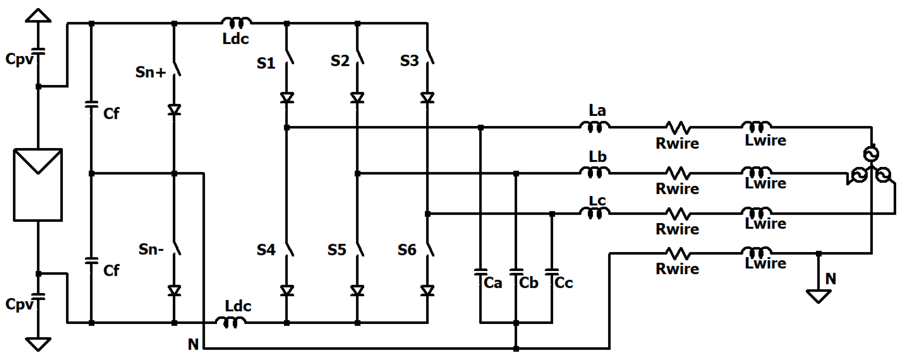
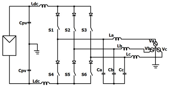
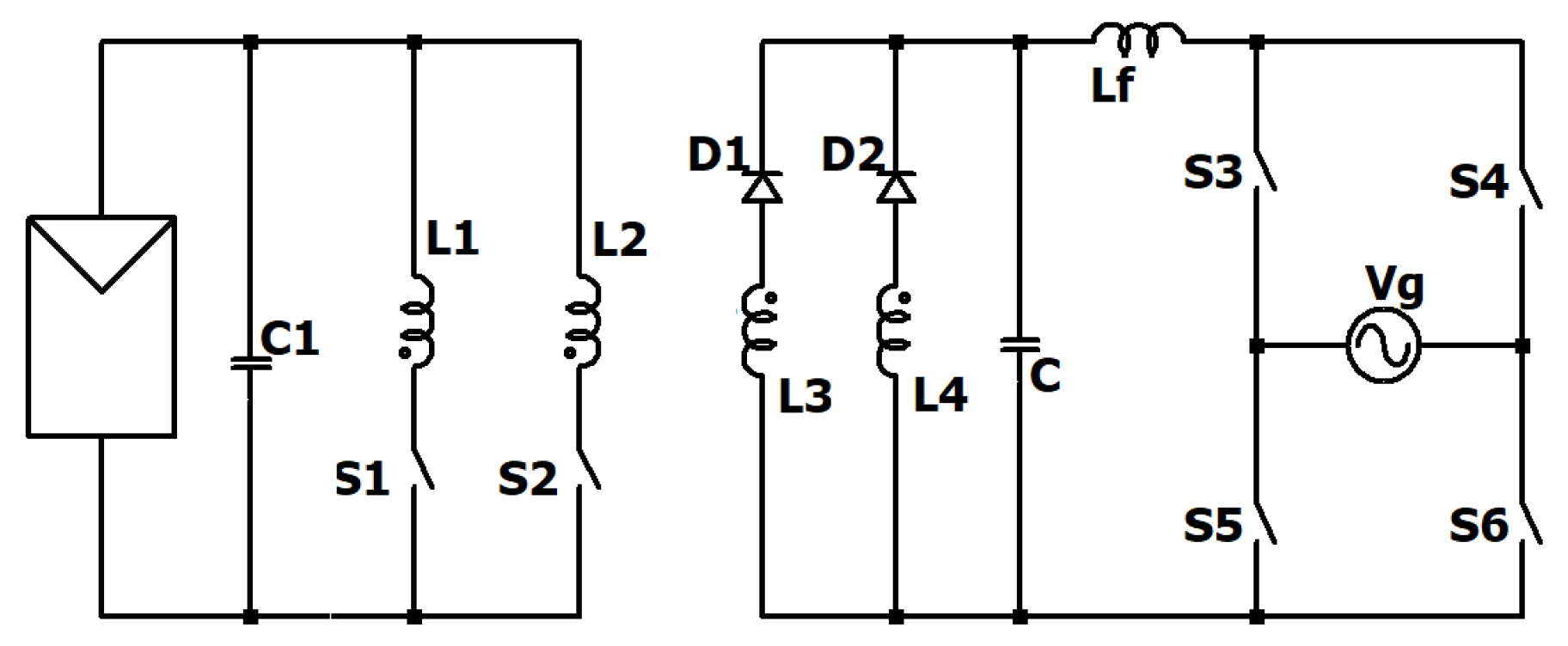
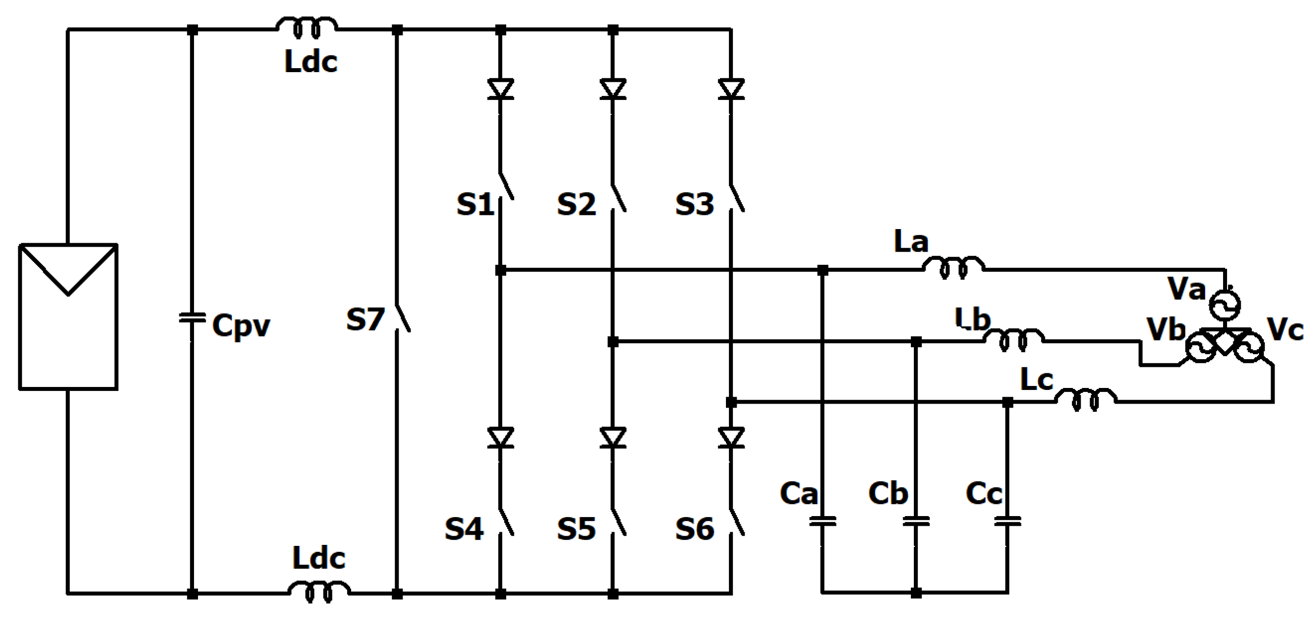
A comparative study of three- and four-leg AC inverters for solar photovoltaic applications was carried out between the four-leg topology, as shown in Figure 11 and a standard three-phase CSI [32]. The four-legged variant demonstrates a dramatic reduction in total harmonic distortion (THD) compared to the three-legged counterpart. The comparison was conducted using the Space Vector Pulse Width Modulation (SVPWM) technique.
Figure 11.
Grid-connected four-leg CSI with integrated return path.
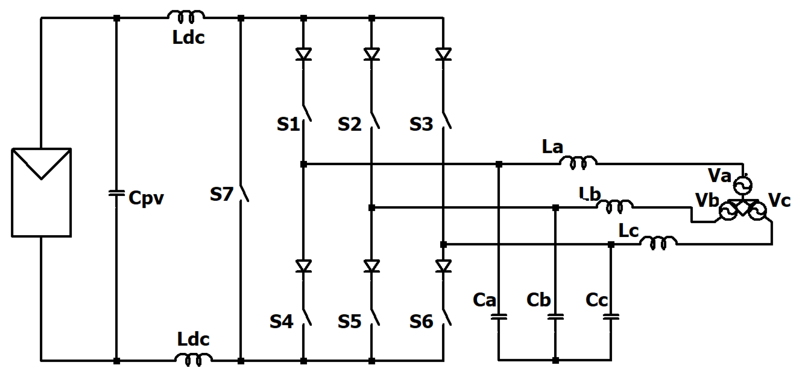
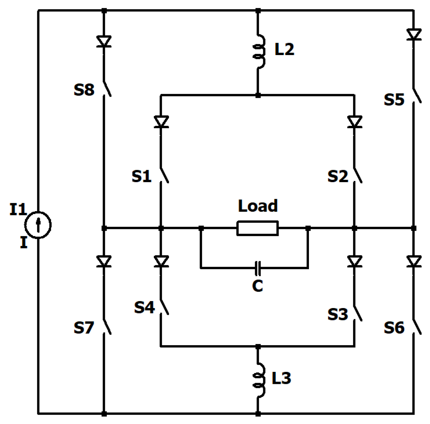
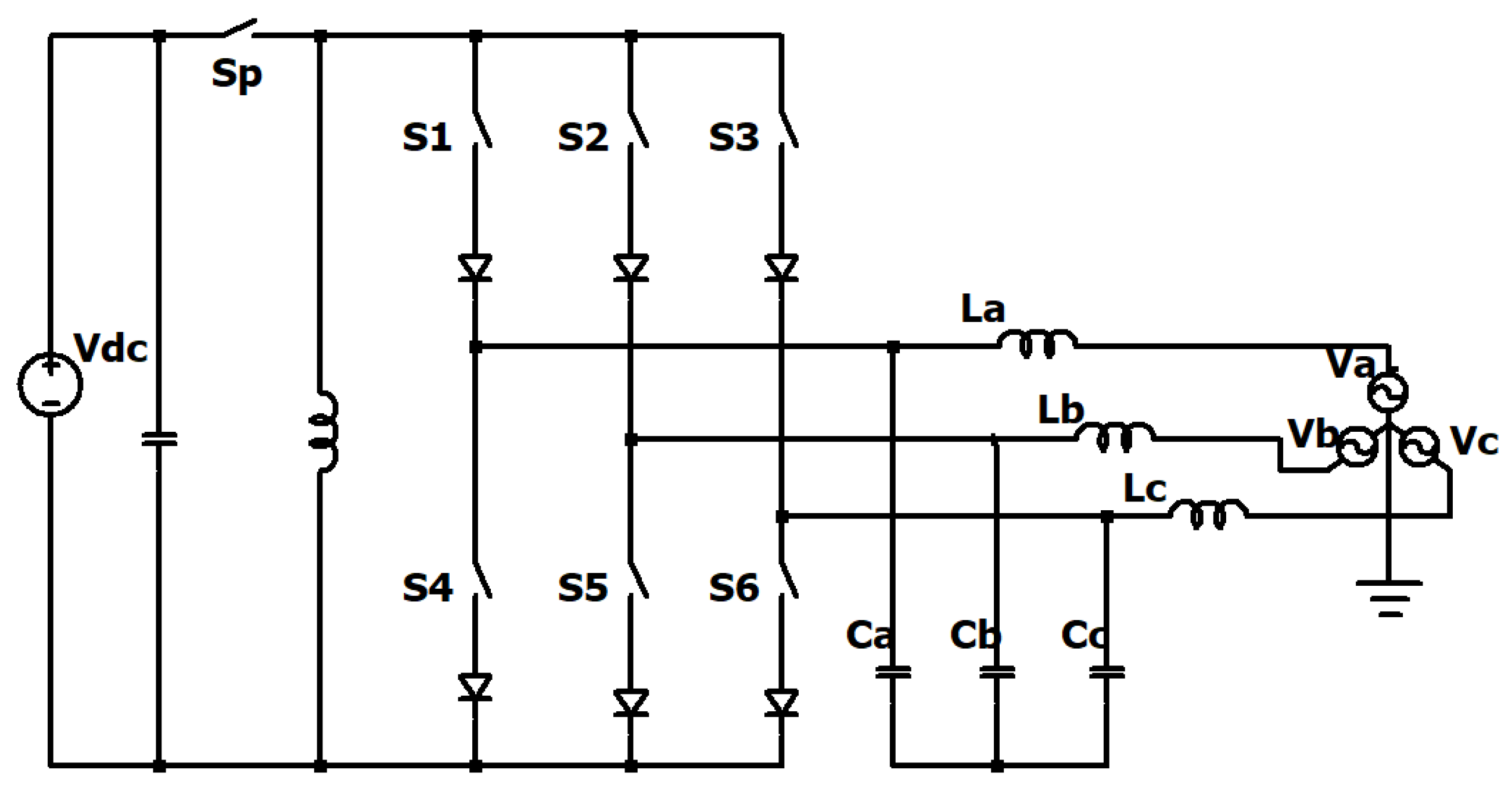
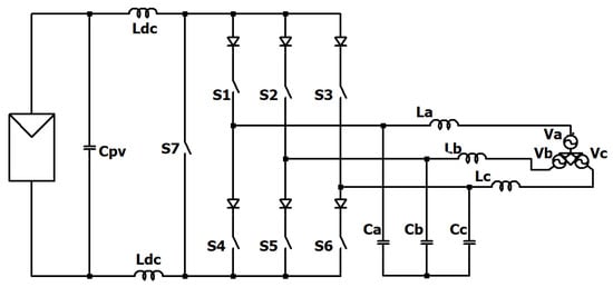
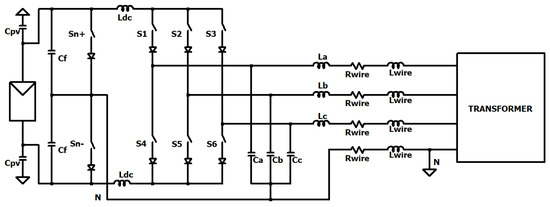
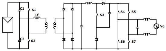
The four-leg CSI transformerless solution with direct connection to the grid [20], discussed above, can be used effectively on a transformer sub-station, as shown in Figure 12.
Figure 12.
Four-leg CSI with integrated return path connected to transformer.
Both of these examples achieve an output voltage with three distinct levels, reducing voltage harmonics and improving wave quality compared to two-level inverters. The choice of topology will depend on the specifics of the application and the needs of the PV system.
2.3.3. Multilevel CSI Topologies
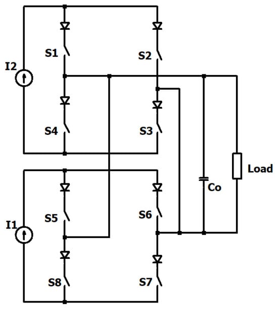
To overcome the disadvantages of CSI, Current Multilevel (CML), better known as Multilevel CSI topologies (MCSI), was introduced. The MCSI [33] combines the characteristics of CSI and exhibits reduced switching losses and a lower voltage slew rate (dv/dt). Consequently, this proves to be advantageous for applications demanding high-voltage capabilities with low harmonic currents [21]. The current-cells work by generating intermediate level currents for multilevel output current waveform generation. The number of the DC current sources is n, which is equal to the number of the smoothing inductors in the circuit. The amplitudes of the parallel DC current sources in the proposed multilevel CSIs are I/n, which are smaller than the amplitude of the DC current source in the three-level H-Bridge CSI. A five-level CSI is obtained by connecting a single current-cell and a seven-level CSI configuration is achieved by connecting two current-cells with the H-Bridge CSI, and so forth.
The relation of the level number of the output current waveform can be expressed as:
where M is the level number of the output current waveform, and N is the number of the current-cell circuits.
Again, MCSI circuits can be made for single-phase or three-phase grids.
A single phase grid-connected MCSI based on a boost converter is given in [34] and in Figure 13:
Figure 13.
Two-cell boost single-phase MCSI.
This work presents a boost-type current multilevel inverter topology and its application to the energy processing of single-phase grid-connected PV systems. Up to five levels can be synthesized in the output current waveform with this topology, employing either low-frequency or sinusoidal PWM switching. The structure allows the high power factor operation of a photovoltaic system, feeding into the grid an almost sinusoidal current, with reduced conducted and radiated electromagnetic interference (EMI).
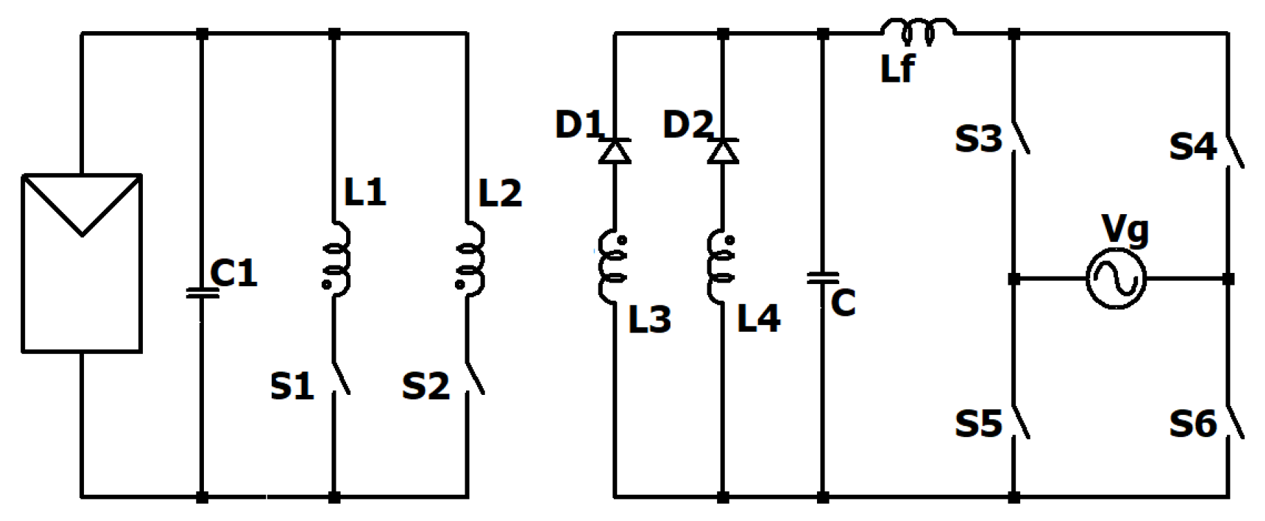
A conventional method to generate the multilevel current waveforms is by paralleling some H-Bridge CSIs [35], as shown in Figure 14. CSI topologies based on a multilevel H-bridge present a reduced number of switching devices [36,37] and use a PWM for current.
Figure 14.
Five-level paralleled H-Bridge single-phase CSI topology.
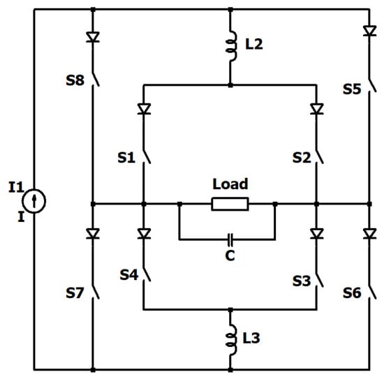
In three-phase systems, when extending full-bridge buck-boost CSI to five-level CSI, the difficulty in circuit design is the isolation of the DC link between two bridges, such as directly cascaded CSI. Using a single source, the buck-boost derived five-level current source inverter uses two additional switches, labeled SW and SW′, which are used to effectively isolate the DC lines, preventing unnecessary current recirculation between the two circuits (Figure 15). For a buck-boost topology three-phase system [38]:
Figure 15.
Five-level buck-boost three-phase topology.
Note that SW and SW′ should turn on or off simultaneously with the same conductive duty ratio so as to charge inductor L1 and L2 simultaneously.
Another typical five-level H-bridge (single-phase) is shown in Figure 16.
Figure 16.
Multicell CSI.
This topology can synthesize an output current waveform with up to five levels, using line frequency switching, or up to three levels, using PWM switching [36].
In general for multilevel inverters, phase shift carrier-based synchronized sine wave PWM techniques (PSPWM) can be used. The basic technique lies in phase-shifting the carriers using Sine Pulse Width Modulation (SPWM) to improve the energy quality [39]. Phase shift carrier-based techniques use additional current sources to create a staircase-like voltage waveform, resulting in reduced harmonic distortion and improved efficiency.
Multi-Level CSIs are particularly advantageous for high-power applications and large grid-connected PV systems.
2.3.4. Other Topologies
In addition to the topologies described above there are other topologies for single-phase/three-phase systems with two/three levels. For convenience, they have been divided into single-phase and three-phase.
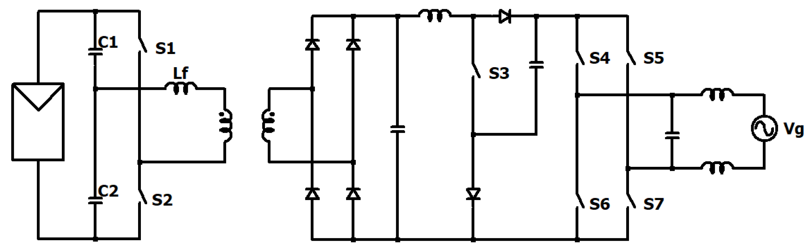
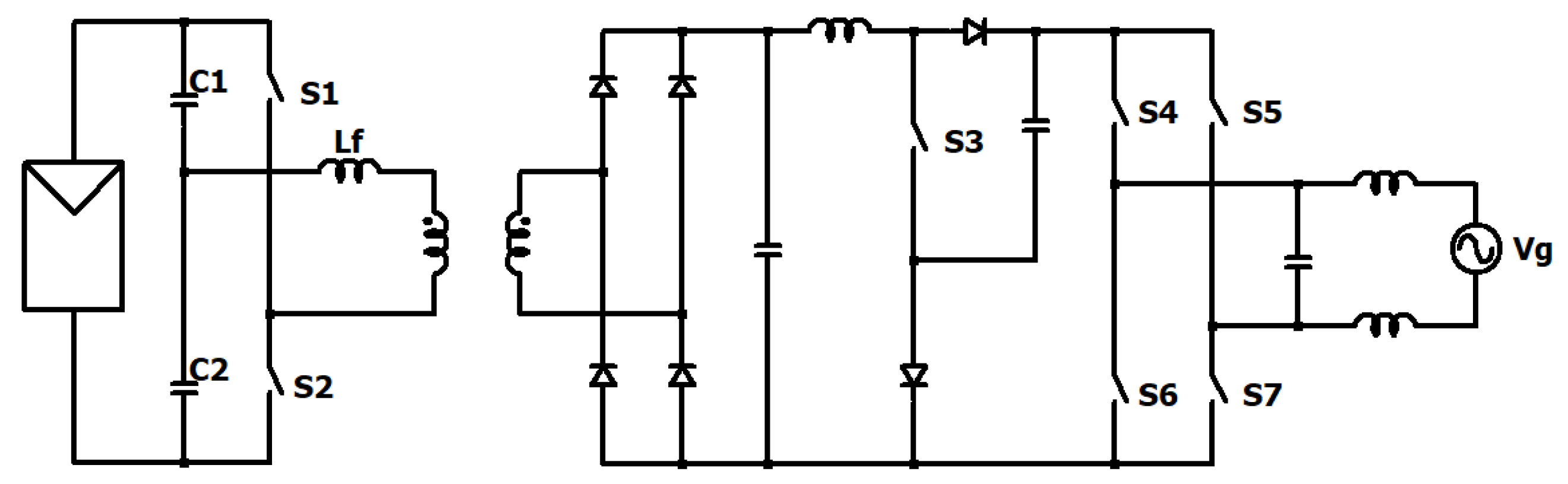
- Single-phase: A single-stage buck-boost PV system [40,41] is depicted in Figure 17. This topology can be employed in conjunction with a tuned resonant filter for a CSI H-bridge inverter [42].
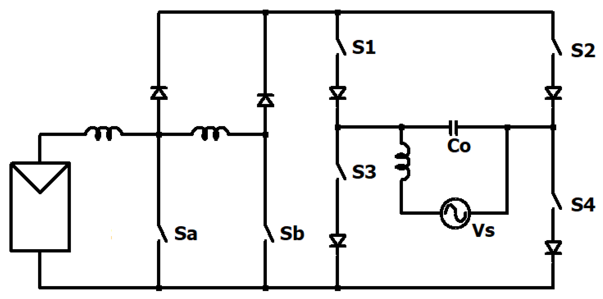
- A single-phase current source solar inverter with a reduced-size DC link introduces a three-leg single-phase topology that ensures a constant instantaneous power transfer across the bridge [16]. This operational approach effectively cancels out certain harmonic components of the current ripple, thereby reducing the required DC link shown in Figure 18.
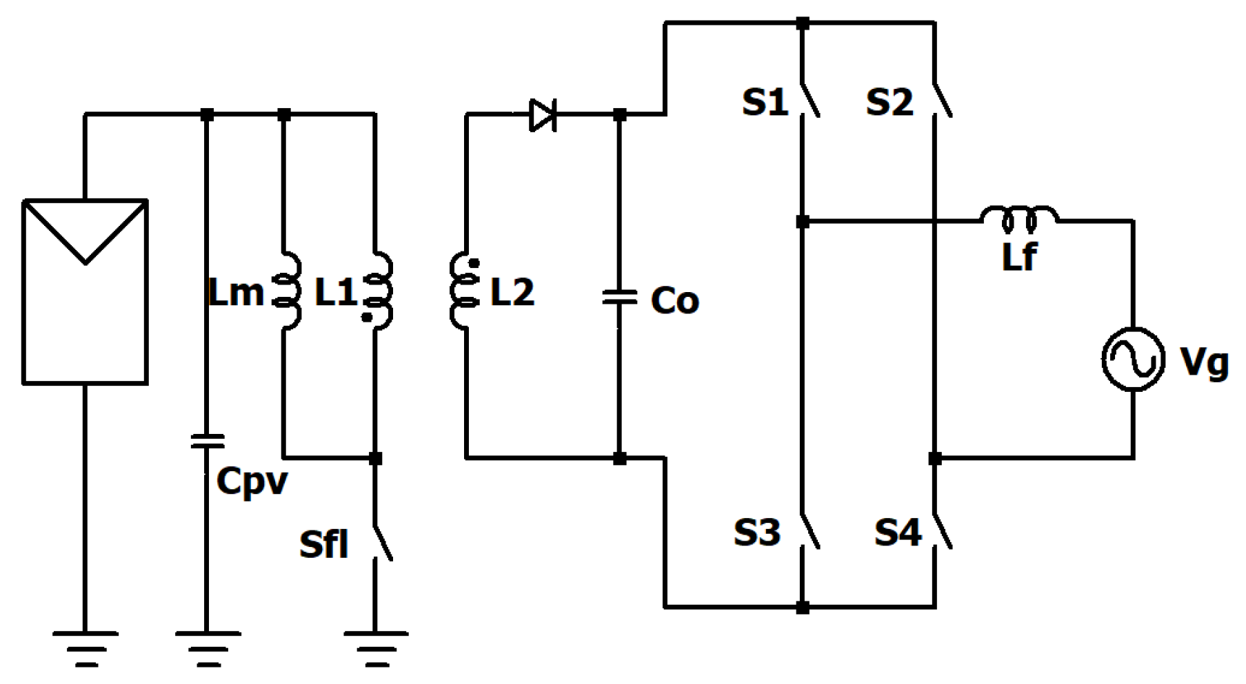
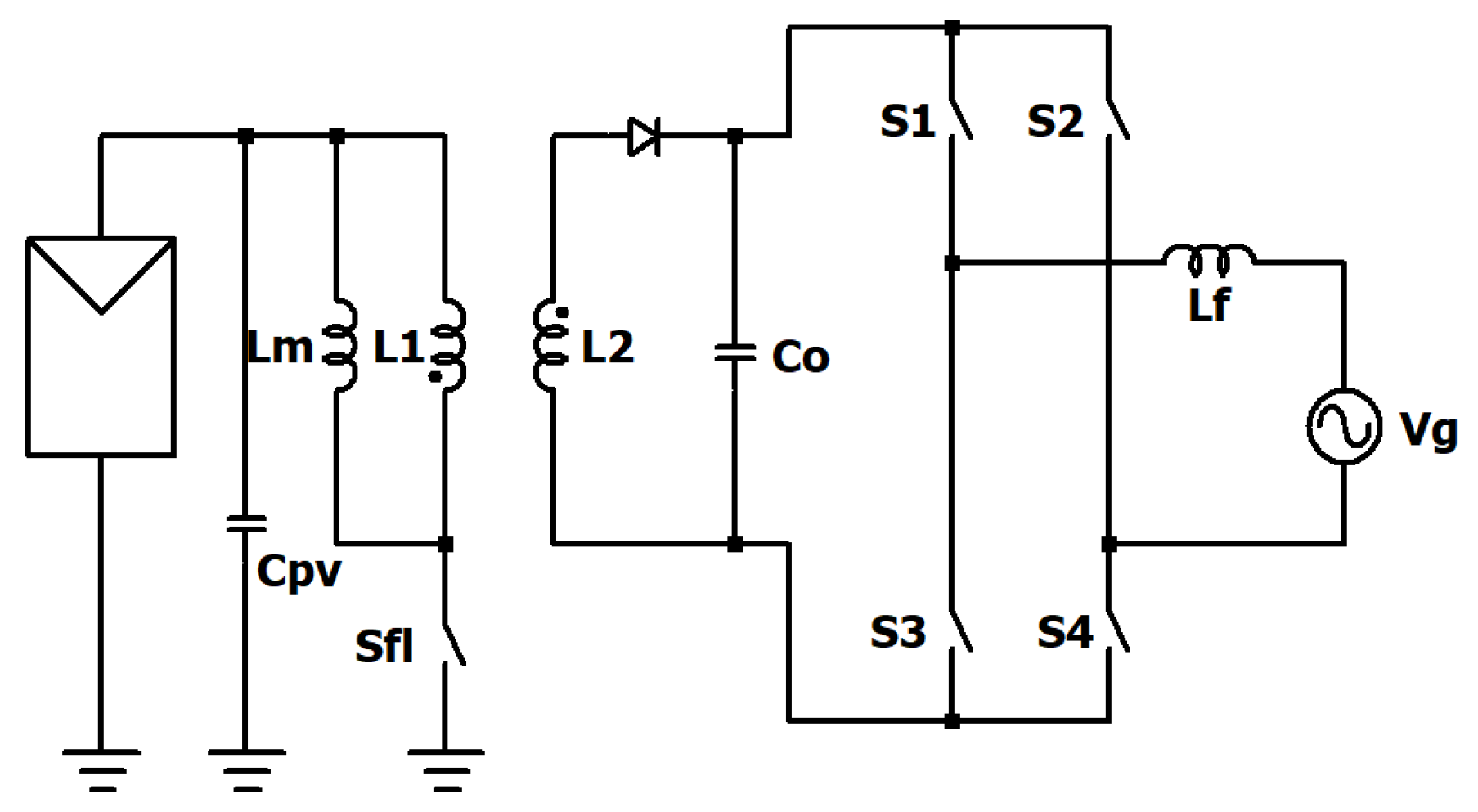
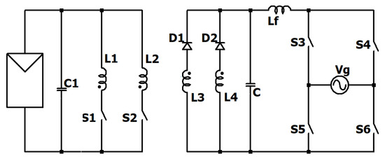
- Another utilized topology is the pseudo-single-stage flyback current source inverter [11] for grid-connected PV applications (Figure 19). The key advantage is evidently the galvanic isolation and enhanced voltage boost capability [10].
- An optimal control method for interleaved, grid-connected photovoltaic flyback microinverters (Figure 20) was investigated to achieve high efficiency across a wide range of loads [43].
Figure 17.
Buck-boost single stage CSI.
Figure 17.
Buck-boost single stage CSI.

Figure 18.
Single-phase CSI with reduced-size DC link.
Figure 18.
Single-phase CSI with reduced-size DC link.

Figure 19.
Flyback CSI.
Figure 19.
Flyback CSI.

Figure 20.
Flyback microinverter.
Figure 20.
Flyback microinverter.

- The paper also assesses the benefits of operating in Discontinuous Current Mode (DCM) over Boundary Conduction Mode (BCM). It was demonstrated that operating in DCM consistently provides higher efficiencies with this converter topology (Table 7).
Table 7. Efficiency of DCM vs. BCM. - The PV microinverter presented in [44] utilizes the LLC resonant converter as a step-up stage, decoupled from the solar panel. The switch S3 serves the dual purpose of a short-circuit generator and a current path, depending on the voltage . Additionally, the two diodes are employed to cover all possible current paths (Figure 21).
Figure 21. Microinverter based on LLC topology.
Three-phase CSIs are employed to convert the DC output from solar panels into three-phase AC suitable for grid connection or powering three-phase loads. Similar to the single-phase CSI, the three-phase CSI operates as a current source, regulating the output current independently of the load impedance [45]. This topology offers advantages such as low harmonic distortion, improved efficiency, and enhanced power quality. By introducing additional voltage levels, the three-phase CSI reduces voltage stress on switching devices, resulting in lower switching losses and increased efficiency. This topology generates stepped voltage waveforms, synthesizing a higher quality sinusoidal output that meets grid code requirements and ensures smooth integration of solar power into the utility grid. The wider operating voltage range of three-phase CSI enables efficient power extraction from PV modules under varying solar irradiance conditions, enhancing system flexibility and adapting to the demands of three-phase loads.
3. Comparative Analysis
Understanding the characteristics, advantages, and disadvantages of each CSI topology is essential for selecting the most appropriate configuration for a given photovoltaic system. Factors such as system size, power requirements, cost considerations, and grid integration requirements should be carefully evaluated to determine the optimal choice (Table 8).
Table 8.
Characteristics of CVI converters (DC-AC).
4. Performance of CSIs in Photovoltaic Systems
Inverter performance is critical in determining the overall efficiency and effectiveness of PV systems. Among various inverter technologies, CSIs have emerged as a reliable solution for converting DC power from solar panels into AC power suitable for grid connection. This article aims to comprehensively examine the performance of CSIs in photovoltaic systems, highlighting important parameters such as conversion efficiency, stability, energy quality, power factor, dynamic response, and variation management of solar radiation.
- Efficiency is a critical performance metric for CSIs, as it directly impacts the energy conversion process. CSIs are known for their high conversion efficiencies, resulting in minimal power losses during the DC to AC conversion. Factors contributing to their efficiency include advanced control algorithms, optimized switching techniques, and low conduction and switching losses. High-efficiency CSIs ensure maximum power generation from the PV system, thereby maximizing the overall system performance and energy yield;
- Stability is a critical performance parameter for CSIs, ensuring their reliable and consistent operation. By maintaining stable voltage and frequency levels, CSIs contribute to a robust and secure grid integration. Advanced control strategies, including grid synchronization techniques and voltage regulation algorithms, enable CSIs to adapt to varying operating conditions and maintain stability even under fluctuating solar irradiance levels. Dynamic modeling and stability analysis of a three-phase PWM-based CSI for standalone applications, based on an analytical and experimental investigation, verify that the examined topology can effectively operate as a boost converter with a /Vdc ratio exceeding 3, while ensuring a THD below 5% [49]. This characteristic is particularly advantageous for applications utilizing low voltage DC links;
- Power quality: Maintaining high-power quality is essential for PV systems to ensure reliable and stable operation. CSIs excel in this aspect by offering superior power quality features. Their precise current control capability allows for low harmonic distortion and reactive power compensation, ensuring compliance with grid standards and reducing the risk of grid disturbances. One of the techniques for reactive power control of the grid-connected photovoltaic microinverter is based on third-harmonic injection [7] to achieve better overall power quality (Figure 22).
Figure 22. Reactive power control of grid-connected photovoltaic microinverter based on third-harmonic injection.The circuit is controlled by a phase-locked loop (PLL)-based controller as shown in Figure 23.
Figure 23. Control PLL based on third-harmonic injection.Additionally, CSIs exhibit an excellent dynamic response, enabling seamless load adaptation and grid synchronization. A particular single stage solar inverter using a unique active filter that replicates the behavior of a conventional second order LC mains filter was presented in [50]. This solution (Figure 24) offers the flexibility to adjust the cutoff frequency, allowing emulation of the desired reactance for efficient filtering. Additionally, the proposed system incorporates active closed-loop filtration to continuously monitor and improve power quality. An active power filter for grid connection that uses a shunt active power filter that can be used even when the PV array is not sending energy to the grid was proposed in [51]. The control is used simultaneously by MPPT and harmonic compensation.
Figure 24. Three-phase current source shunt active power filter with solar photovoltaic grid interface.The compensation of the harmonics introduced by the network takes place through the introduction of a reactive power q and the two passive elements, and , can be controlled via a switching strategy to act as an active LC filter, as in Table 9. To improve the control of the active power shunt filter connected to a photovoltaic system is to directly control the power by selecting the combination of switches to be applied based on a switch [52]. We can summarize that the potential solutions for reducing harmonics in current source inverters are:
Table 9. Potential solutions for harmonics reduction in CSIs.These potential solutions address the challenge of reducing harmonics in CSIs and improving the quality of the output voltage. The choice of solution(s) to implement will depend on specific system requirements, performance objectives, and constraints in the photovoltaic or other applications using CSIs; - Power factor: Maintaining a high power factor is crucial for efficient power transmission and utilization. CSIs offer excellent power factor control, ensuring a near unity power factor during grid connection. By actively managing the power factor, CSIs improve system efficiency and minimize losses, enhancing the overall performance of the PV system;
- Dynamic response of CSIs refers to their ability to quickly and accurately respond to load changes and variations in solar irradiance levels. CSIs exhibit excellent dynamic response characteristics, allowing them to adapt to rapid changes in load demand and maintain stable grid integration. Their fast response time and advanced control algorithms enable smooth transitions and reliable operation under dynamic conditions;
- Management of solar irradiance variations: CSIs are designed to handle variations in solar irradiance levels effectively. Through advanced MPPT algorithms, they optimize the power output from solar panels, maximizing energy harvest even under varying solar conditions. This effective management of solar irradiance variations ensures optimal performance and energy production throughout the day;
- Grid integration: The seamless integration of PV systems with the electrical grid is a key performance requirement. CSIs facilitate smooth grid integration through their ability to regulate voltage and frequency, support reactive power control, and provide anti-islanding protection. By actively interacting with the grid, CSIs ensure stable and reliable operation, minimizing the risk of grid instability or disruptions. This feature is particularly important in utility-scale PV systems where grid compliance and grid support functionalities are essential. An article presents and examines a prototype of a Silicon Carbide (SiC) current source inverter CSI that analyzes the switching performance of legs constructed with SiC MOSFETs [53,54] and a non-SiC diode in series, as well as legs equipped with SiC MOSFETs and a SiC Schottky diode in series [17]. The research findings indicate that the parasitic capacitance of the series diode significantly impacts the switching performance, limiting the achievable switching frequencies. The prototype described in this paper is designed for three-phase operation;
- Reliability and durability: The performance of CSIs is also influenced by their reliability and durability. These inverters are designed with robust components, thermal management systems, and advanced protection mechanisms to withstand various environmental conditions, such as temperature variations and humidity. Reliability features, including fault detection and protection against voltage spikes metal-oxide-semiconductor varistors (MOVs) or current surges [55], contribute to the long-term performance and durability of CSIs in photovoltaic systems. A reliability study of CSI and Voltage Source Inverter (VSI) systems connected to a transformerless power grid [19] concludes that the CSI topology is the most reliable. Furthermore, among the CSI topologies, the four-leg one has a reliability greater than 98% (Table 10).
Table 10. Reliability of CSI and VSI systems.
A comparative analysis of PV-powered VSI and CSI converters argues that for gradual load changes, the CSI performs worse than other types of inverters in maintaining power quality if the load is variable [56]. But, this might not be a problem in grid-connected CSIs, since the load can be adjusted more gradually. Based on an analysis of the performance of the three-phase inverter in the solar PV system under dynamic load conditions, it is evident that the power quality of the CSI is inferior to that of the VSI [57]. Efficiency-wise CSI microinverters still tend to have efficiencies below 98%, as most conventional single-phase PV inverters use switching frequencies below 20 kHz [58]. Compared to the VSI, the CSI has the intrinsic drawback of not being able to withstand the open circuit faults present. Unlike VSI, where an open circuit fault can be detected and managed relatively easily, CSI are challenging in this regards. In a CSI, the current source input implies that when an open circuit fault occurs, the inverter cannot inherently limit or control the output voltage. This limitation can result in overvoltage conditions, posing risks to connected equipment and the grid. Additionally, it can lead to reduced system efficiency and compromised power quality.
5. Control of CSIs in Photovoltaic Systems
The control strategies employed in CSIs in PV systems focus more on techniques such as MPPT control, predictive control strategies, and more (Figure 25).
Figure 25.
Block diagram single inverter.
Potential solutions for control mechanism optimization in CSIs are:
- Current sensing and monitoring: Implementing precise current sensing and monitoring techniques is crucial in CSIs. Real-time current measurements can detect open circuit faults promptly. When an open circuit fault is detected, the inverter can respond by reducing its output voltage, limiting the risk of overvoltage conditions;
- Active voltage control: Advanced control algorithms can be employed to actively manage the output voltage of CSIs. By modulating the switching patterns of the inverter in response to system conditions, the voltage output can be controlled within safe limits, even in the presence of open circuit faults;
- Feedback mechanisms incorporate feedback mechanisms that continuously assess the output voltage and current. These feedback loops can adjust the operation of the inverter to ensure that the voltage remains within predefined boundaries, reducing the risk of overvoltage;In Figure 26 M is the modulation index, and the current control loop operates significantly faster than the voltage control loop;
Figure 26. Dual-loop control system: current and voltage. - Fault detection algorithms develop fault detection algorithms specifically designed for CSIs. These algorithms can quickly identify open circuit faults and trigger protective actions to prevent overvoltage. They can also distinguish between genuine faults and transient conditions.
The challenges introduced by PV applications can be addressed through a combination of advanced control strategies, current sensing, feedback mechanisms and protection devices, sa summarizd in Table 11. Preventing open circuit failures and dealing with overvoltage problems is indeed a problem worthy of attention, and continuous research and innovation in power electronics continues to provide solutions to improve the reliability and safety of CSI-based systems.
Table 11.
Potential solutions for control mechanism optimization in CSIs.
These potential solutions aim to optimize the control mechanisms in CSIs, enabling improved performance, power quality, and grid integration. The choice of solutions to implement should be based on specific system requirements, objectives, and the complexity of the application in which CSI are deployed. As far as the control of the converter is concerned, different techniques can be used:
- MPPT control is a key control technique used in CSIs to optimize the PV array output power. MPPT algorithms continuously monitor operating conditions and dynamically adjust the operating point to extract maximum power from the solar arrays. Various MPPT algorithms, such as Perturb and Observe (P&O), Incremental Conductance (IC), and Fractional Open Circuit Voltage (FOCV), are commonly employed in CSIs to ensure efficient energy conversion, as in Figure 27.
Figure 27. Control system of MPPT with single inverter. - Predictive control strategies offer advanced control capabilities for CSIs in PV systems. Model Predictive Control (MPC) and Direct Predictive Control (DPC) are examples of predictive control techniques used to optimize the performance of CSIs. These strategies use mathematical models of the system and predictive algorithms to make control decisions in real time, ensuring optimal power extraction, rapid response to changing conditions and improved stability. Using MPPT control data, the three state vectors for an SVM modulation in a three-phase CSI can be calculated [46]. In [15], an artificial neural network-based fuzzy logic controller (FLC) [59], coupled with a nonlinear sliding mode control (SMC) for power grid connection demonstrates the capability to achieve lower THD compared to the SMC approach.
Furthermore, an FLC controller can be used to quickly locate the MPPT [42] and demonstrates the ability to meet network requirements. The control structure of the system consists of an MPPT, a current loop and a voltage loop to improve the system performance during normal and variable conditions, and a PLL for grid connection Figure 28.
Figure 28.
Block diagram of the FLC-based MPPT.
Different MPPT methods, such as P&O, IC, SMC and FLC, applied to a two-stage grid-connected PV system, show different THD. From a comparison on the THD level of the currents injected into the connection network, the FLC and SMC-based MPPT methods, the injected current’s THD was 1.34% and 1.99% [60].
Ref. [61] proposes a technique that generates SPWM using Clarke–Park transformations applied to the desired output current waveform allows for combining the desired amplitude with waveform data to generate the modulating wave for SPWM. In addition, the CSI can be used in three-level voltage boost converters that use three-level logic SPWM [62]. Controlling CSIs in PV systems presents some challenges that must be addressed for optimal performance. One challenge is the mitigation of grid voltage fluctuations and harmonic distortions caused by the operation of CSIs. Advanced control algorithms and filtering techniques can be implemented to solve these problems and maintain high power quality. Considering that CSIs exhibit slower response to load variations and generally produce higher THD when operating with variable loads, a nonlinear control strategy for single-phase PWM current source inverters can better address dynamic control shortcomings. An adaptive control strategy that updates gain values based on feedback data, aiming to better compensate for load variations, is presented in [63]. Another challenge of PV converters is managing partial shading conditions, which can lead to multiple maximum power points and inefficient power extraction. The optimization of the discrete-time PI controller for a single-phase grid-connected current source inverter involves sizing the controller by approximating the behavior of the inverter. One way is to approximate it as an LC filter during the initial tuning stage. Subsequently, the controller gains are calculated based on the desired crossover frequency and phase margin [64]. Furthermore, the control of CSIs in PV systems requires robust fault detection and protection mechanisms to ensure system reliability and safety. Comprehensive fault detection algorithms and reliable protective measures can be implemented to mitigate risks and prevent equipment damage. Additionally, coordinating communication and control between multiple inverters in a PV system poses challenges, especially in large-scale installations. Advanced control architectures and communication protocols enable effective coordination and ensure optimized system performance.
6. Integration of CSIs in Photovoltaic Systems
Integrating CSIs into photovoltaic systems presents challenges and strategies for interfacing with PV modules, energy storage systems, monitoring and control mechanisms, and more. The most relevant ones are:
- Interface with PV modules: Effective interface between CSIs and PV modules is crucial for optimized power conversion and energy extraction. Challenges may arise from module-level variations, partial shading conditions, or differences in maximum power points. Advanced techniques such as distributed maximum power point tracking (DMPPT) [65], module-level power electronics, and innovative bypass diode configurations can address these challenges. These solutions enable CSIs to efficiently interface with PV modules and extract maximum energy, ensuring optimal system performance;
- Integration with energy storage systems: The integration of Energy Storage Systems (ESSs) with PV systems is gaining traction to enable efficient energy management and grid support. CSIs can be tailored to facilitate seamless integration with ESSs. Challenges in ESS integration include bidirectional power flow, battery management, and control coordination. Advanced control algorithms, bidirectional power converters, and communication protocols enable CSIs to effectively interface with ESSs, allowing for optimized energy utilization, peak shaving, and grid ancillary services;
- Monitoring and control systems: Reliable monitoring and control systems are essential for efficient operation, performance evaluation, and fault detection in PV systems with CSIs. Challenges involve real-time data acquisition, system diagnostics, and remote control capabilities. Advanced monitoring and control solutions, such as supervisory control and data acquisition (SCADA) systems, IoT-based technologies, and predictive maintenance algorithms, offer comprehensive monitoring, precise control, and effective system management. These solutions enhance the performance and reliability of PV systems with CSIs;
- Regulatory and grid connection requirements: Integrating CSIs into PV systems requires compliance with regulatory and grid connection standards. These standards may include grid codes, safety regulations, and certification requirements. Challenges arise in meeting grid compliance, anti-islanding protection, and grid support functionalities. CSIs should incorporate protection mechanisms, voltage and frequency control algorithms, and communication protocols to ensure compliance with regulatory and grid connection requirements. Adhering to these standards ensures safe and reliable operation while supporting the stability and integrity of the electrical grid.
7. Interaction with the Electrical Grid
In photovoltaic systems, the interaction between inverters and the electrical grid is a critical aspect that determines the seamless integration of solar energy. This article examines the interaction of CSIs with the electrical grid in photovoltaic systems, addressing challenges and exploring solutions related to grid synchronization, power quality management, power fluctuations, grid connection standards, and more [66,67]. Additionally, compliance with grid regulations and standards is emphasized to ensure safe and reliable operation.
- Grid synchronization: The synchronization of CSIs with the electrical grid is vital for seamless operation and grid compliance. Challenges can arise due to variations in grid voltage, frequency, and phase angle. Advanced control algorithms and grid synchronization techniques, such as PLL algorithms and synchronization filters, enable CSIs to accurately synchronize with the grid. These solutions ensure stable and reliable grid connection, facilitating power injection and supporting grid stability;
- Power quality management: Managing power quality is crucial to meet grid standards and ensure the smooth operation of electrical devices. CSIs play a key role in maintaining high power quality by minimizing harmonic distortion, voltage fluctuations, and reactive power issues. Robust filtering techniques, power factor control algorithms, and active/reactive power management capabilities enable CSIs to deliver clean and reliable power to the grid, complying with power quality norms;
- Power fluctuations management: Photovoltaic systems can experience power fluctuations due to varying solar irradiance levels or system disturbances. CSIs should effectively manage these fluctuations to ensure stable power supply to the grid. Advanced control strategies, such as power ramp rate control, energy storage integration, and grid support functionalities, help mitigate power fluctuations. These solutions enable CSIs to provide smooth power output, enhancing grid stability and minimizing the impact of intermittent solar power generation;
- Grid connection standards and compliance: CSIs must adhere to specific grid connection standards and regulations (Table 12) to ensure safe and reliable operation. Compliance with standards, such as IEEE 1547 and IEC 61727 [68], and grid codes set by local utility authorities, is essential. CSIs should incorporate features like anti-islanding protection, fault detection mechanisms, and communication protocols to meet the requirements of grid connection standards. This ensures that PV systems with CSIs operate in accordance with grid guidelines and maintain grid stability during various operating conditions.
Table 12. Standard for grid connection of PV inverters.
The interaction of CSIs with the electrical grid in photovoltaic systems is a complex process that requires careful consideration of grid synchronization, power quality management, power fluctuations, and compliance with grid connection standards.
8. Recent Developments and Future Trends
The field of CSIs has witnessed remarkable progress in recent years, driven by a growing demand for efficient and grid-friendly photovoltaic (PV) systems. These advances are instrumental in enhancing the performance, reliability, and integration of CSIs within modern energy landscapes. This section highlights some of the latest developments, trends, and emerging technologies in the realm of CSIs.
- Multilevel topologies: One significant trend in the CSI domain is the increasing adoption of multilevel topologies. Multilevel CSIs, such as five-level and seven-level inverters, have gained prominence due to their ability to generate cleaner output voltage waveforms with significantly reduced harmonics. These topologies leverage a greater number of voltage levels, offering advantages in terms of power quality, efficiency, and grid compatibility. Recent research has focused on optimizing the control strategies for multilevel CSIs, further improving their performance and making them a preferred choice for medium to large-scale PV installations;
- Integration with advanced power devices offers exciting possibilities for CSIs in PV systems. Emerging technologies, such as wide-bandgap semiconductors (e.g., silicon carbide, gallium nitride (GaN) [8]), can enhance the efficiency and power density of CSIs. Their superior switching characteristics, reduced losses, and higher operating temperatures open new avenues for miniaturization, higher power ratings, and improved reliability of CSIs;
- Intelligent control algorithms, driven by artificial intelligence and machine learning techniques, present an exciting opportunity for enhancing the performance and adaptability of CSIs. These algorithms can optimize system operation, improve MPPT algorithms, enhance fault detection and protection mechanisms, and enable predictive maintenance. By leveraging real-time data, intelligent control algorithms can maximize energy extraction, enhance power quality, and ensure grid compatibility;
- Energy storage integration: The integration of energy storage systems (ESSs) with CSIs is a promising area for future research. Efficient management of energy storage enables increased self-consumption, peak shaving, and grid support services. Future developments can focus on advanced control strategies for bidirectional power flow, improved battery management techniques, and optimized charge/discharge algorithms. The seamless integration of CSIs with ESSs can enable greater energy autonomy, enhanced system flexibility, and improved resilience;
- Utilization of innovative materials: Exploring innovative materials for the components of CSIs presents opportunities for improved performance and reliability. Research can focus on the development of lightweight, high-temperature resistant materials for power electronic components, advanced thermal management systems, and enhanced packaging technologies. These advancements can contribute to reduced system costs, increased power density, and improved overall efficiency of CSI inverters;
- Smart grid integration: CSIs are playing a pivotal role in smart grid integration. Advanced control algorithms and communication protocols are being developed to enable CSIs to operate as intelligent grid assets. This allows for enhanced grid support functions, such as voltage and frequency regulation, fault ride-through capabilities, and active power filtering. These developments are vital for the seamless incorporation of renewable energy sources into the grid and ensuring grid stability;
- Market opportunities and regulatory implications: Future research and development efforts for CSIs must consider market opportunities and regulatory implications. As the demand for renewable energy increases, photovoltaic systems and CSIs are expected to witness significant growth. Research can explore market trends, identify emerging applications (e.g., electric vehicle charging infrastructure, smart grids), and address regulatory challenges associated with grid connection standards, safety requirements, and compliance with evolving norms.
In conclusion, the latest advances in CSIs are shaping the landscape of photovoltaic and renewable energy systems. Multilevel topologies, smart grid integration, wide bandgap semiconductors, predictive control, and energy storage integration are key areas driving innovation in CSI technology. As these developments continue, CSIs are poised to play a pivotal role in the transition to cleaner and more sustainable energy systems.
9. Conclusions
The evolving landscape of renewable energy demands a thorough comprehension of CSI performance, control strategies, and their seamless integration into photovoltaic systems. In this context, CSIs assume a pivotal role in enabling efficient energy conversion and grid integration. These inverters bridge the gap between the different DC outputs of photovoltaic panels and the consistent AC requirements of the electrical grid. Their function extends beyond ensuring power quality; they also bolster the stability and dependability of the entire energy ecosystem. To assess these parameters, the various topologies of CSI converters were examined and subsequently summarized in the review for swift reference. Nevertheless, despite acknowledging the advancements made in harnessing the potential of CSIs, persisting challenges necessitate additional research and development. These challenges encompass reducing harmonics, optimizing control mechanisms, and enhancing cost-effectiveness.
Author Contributions
Conceptualization, F.M., G.R. and R.G.; methodology, G.R. and R.G.; formal analysis, G.R. and R.G.; investigation, G.R. and R.G.; resources, R.L.D.S., G.R. and R.G.; data curation, G.R. and R.G.; writing original draft preparation, G.R. and R.G.; writing review and editing, F.M., G.R. and R.G.; visualization, F.M., R.L.D.S., R.G. and G.R.; supervision, F.M., R.L.D.S., R.G. and G.R.; funding acquisition, F.M. All authors have read and agreed to the published version of the manuscript.
Funding
This research received no external funding.
Data Availability Statement
The data presented in this study are available on request from the corresponding author.
Conflicts of Interest
The authors declare no conflict of interest.
Abbreviations
The following abbreviations are used in this manuscript:
| AC | Alternating Current |
| BCM | Boundary Conduction Mode |
| CML | Current Multilevel |
| CSI | Current Source Inverter |
| DC | Direct Current |
| DCM | Discontinuous Current Mode |
| DMPPT | Distributed Maximum Power Tracking |
| DPC | Direct Predictive Control |
| EMI | Electromagnetic Interference |
| FLC | Fuzzy Logic Controller |
| ESS | Energy Storage System |
| FOCV | Fractional Open Circuit Voltage |
| GaN | Gallium Nitride |
| IC | Incremental Conductance |
| LC | Filter (Inductor-Capacitor) |
| LLC | Resonant converter (Inductor-Inductor-Capacitor) |
| MCSI | Multilevel CSI topologies |
| MOVs | Metal Oxide Semiconductor Varistors |
| MPC | Model Predictive Control |
| MPPT | Maximum Power Point Tracking |
| NPC | Neutral Point Clamped |
| PLL | Phase Locked Loop |
| PWM | Pulse Width Modulation |
| PSPWM | Phase-Shifted Pulse Width Modulation |
| PV | Photovoltaic |
| P&O | Perturb and Observe |
| SCADA | Supervisory Control and Data Acquisition |
| SMC | Sliding Mode Control |
| SPV | Solar Photovoltaic |
| SPWM | Sine Pulse Width Modulation |
| SVPWM | Space Vector Pulse Width Modulation |
| SVM | Space Vector Modulation |
| SiC | Silicon Carbide |
| THD | Total Harmonic Distortion |
| VSI | Voltage Source Inverter |
References
- Kolantla, D.; Mikkili, S.; Pendem, S.R.; Desai, A.A. Critical review on various inverter topologies for PV system architectures. IET Renew. Power Gener. 2020, 14, 3418–3438. [Google Scholar] [CrossRef]
- Kouro, S.; Leon, J.I.; Vinnikov, D.; Franquelo, L.G. Grid-connected photovoltaic systems: An overview of recent research and emerging PV converter technology. IEEE Ind. Electron. Mag. 2015, 9, 47–61. [Google Scholar] [CrossRef]
- Dogga, R.; Pathak, M. Recent trends in solar PV inverter topologies. Sol. Energy 2019, 183, 57–73. [Google Scholar] [CrossRef]
- Variath, R.; Andersen, M.; Nielsen, O.N.; Hyldgard, A. A review of module inverter topologies suitable for photovoltaic systems. In Proceedings of the 2010 Conference Proceedings IPEC, Singapore, 27–29 October 2010. [Google Scholar] [CrossRef]
- Zaid, S.A.; Albalawi, H.; AbdelMeguid, H.; Alhmiedat, T.A.; Bakeer, A. Performance improvement of H8 transformerless grid-tied inverter using model predictive control considering a weak grid. Processes 2022, 10, 1243. [Google Scholar] [CrossRef]
- Balato, M.; Costanzo, L.; Marino, P.; Rubino, G.; Rubino, L.; Vitelli, M. High performance non isolated interleaved switched inductance converter for PV sources. In Proceedings of the 2015 International Conference on Clean Electrical Power ICCEP, Taormina, Italy, 16–18 June 2015. [Google Scholar] [CrossRef]
- Noori, F.T.; Hassan, T.K. Reactive power control of grid-connected photovoltaic micro-inverter based on third-harmonic injection. Int. J. Power Electron. Drive Syst. IJPEDS 2021, 12, 2169. [Google Scholar] [CrossRef]
- Nguyen, V.S.; Catellani, S.; Bier, A.; Martin, J.; Zara, H.; Aime, J. A compact high-efficiency GaN based 400W solar micro inverter in ZVS operation. In PCIM Europe Digital Days 2020; International Exhibition and Conference for Power Electronics, Intelligent Motion, Renewable Energy and Energy Management; VDE: Berlin, Germany, 2020; pp. 1–7. [Google Scholar]
- Bier, A.; Nguyen, V.S.; Catellani, S.; Martin, J. Control of a two-stage, single-phase grid-tied, GaN based solar micro-inverter. In Proceedings of the 2020 22nd European Conference on Power Electronics and Applications EPE ECCE Europe, Lyon, France, 7–11 September 2020. [Google Scholar] [CrossRef]
- Abdel-Rahim, O.; Funato, H.; Haruna, J. Pseudo single stage flyback current source inverter for grid connected PV applications. In Proceedings of the IECON 2015-41st Annual Conference of the IEEE Industrial Electronics Society, Yokohama, Japan, 9–12 November 2015; pp. 1–6. [Google Scholar] [CrossRef]
- Bielskis, E.; Baskys, A.; Valiulis, G. Controller for the grid-connected microinverter output current tracking. Symmetry 2020, 12, 112. [Google Scholar] [CrossRef]
- Biswas, M.; Biswas, S.P.; Islam, M.R.; Rahman, M.A.; Muttaqi, K.M.; Muyeen, S.M. A new transformer-less single-phase photovoltaic inverter to improve the performance of grid-connected solar photovoltaic systems. Energies 2022, 15, 8398. [Google Scholar] [CrossRef]
- Chang, C.H.; Chen, Y.F. A transformer-less buck-boost grid-tied inverter with low leakage-current and high voltage-gain. Appl. Sci. 2021, 11, 3625. [Google Scholar] [CrossRef]
- Darwish, A.; Abdelsalam, A.K.; Massoud, A.M.; Ahmed, S. Single phase grid connected current source inverter: Mitigation of oscillating power effect on the grid current. In Proceedings of the IET Conference on Renewable Power Generation (RPG 2011), Edinburgh, UK, 6–8 September 2011; pp. 1–7. [Google Scholar] [CrossRef]
- Nabgha, A.S.M.; Ouassaid, M. Fuzzy logic and sliding mode control for a grid-connected current source inverter photovoltaic system. In Proceedings of the 2018 6th International Renewable and Sustainable Energy Conference IRSEC, Rabat, Morocco, 5–8 December 2018. [Google Scholar] [CrossRef]
- Bush, C.R.; Wang, B. A single-phase current source solar inverter with reduced-size DC link. In Proceedings of the 2009 IEEE Energy Conversion Congress and Exposition, San Jose, CA, USA, 20–24 September 2009. [Google Scholar] [CrossRef]
- Martin, J.; Bier, A.; Catellani, S.; Alves-Rodrigues, L.G.; Barruel, F. A high efficiency 5.3kW current source inverter CSI prototype using 1.2kV silicon carbide SiC bi-directional voltage switches in hard switching. In Proceedings of the PCIM Europe 2016, Nuremberg, Germany, 10–12 May 2016; pp. 1–8. [Google Scholar]
- Prabha, S.; Kcr, N. A transformer less current source inverter for grid-connected SPV system. In Proceedings of the 2019 IEEE International WIE Conference on Electrical and Computer Engineering, Bangalore, India, 15–16 November 2019. [Google Scholar] [CrossRef]
- Potdukhe, K.C.; Munshi, A.P.; Munshi, A.A. Reliability prediction of new improved current source inverter CSI topology for transformer-less grid connected solar system. In Proceedings of the 2015 IEEE Power, Communication and Information Technology Conference PCITC, Bhubaneswar, India, 15–17 October 2015. [Google Scholar] [CrossRef]
- Anand, S.; Gundlapalli, S.K.; Fernandes, B.G. Transformer less grid feeding current source inverter for solar photovoltaic system. IEEE Trans. Ind. Electron. 2014, 61, 5334–5344. [Google Scholar] [CrossRef]
- Yang, B.; Li, W.; Gu, Y.; Cui, W.; He, X. Improved transformerless inverter with common-mode leakage current elimination for a photovoltaic grid-connected power system. IEEE Trans. Power Electron. 2012, 27, 752–762. [Google Scholar] [CrossRef]
- Islam, M.; Mekhilef, S.; Hasan, M. Single phase transformerless inverter topologies for grid-tied photovoltaic system: A review. Renew. Sustain. Energy Rev. 2015, 45, 69–86. [Google Scholar] [CrossRef]
- Huang, K.H.; Chao, K.H.; Sun, Z.Y.; Ho, C.Y. Design and implementation of three-phase smart inverter of the photovoltaic power generation systems. Appl. Sci. 2022, 13, 294. [Google Scholar] [CrossRef]
- Sahan, B.; Araújo, S.V.; Nöding, C.; Zacharias, P. Comparative evaluation of three-phase current source inverters for grid interfacing of distributed and renewable energy systems. IEEE Trans. Power Electron. 2011, 26, 2304–2318. [Google Scholar] [CrossRef]
- Migliazza, G.; Lorenzani, E.; Immovilli, F.; Buticchi, G. Single phase current source inverter with reduced ground leakage current for photovoltaic applications. Electronics 2020, 9, 1618. [Google Scholar] [CrossRef]
- She, M.; Zheng, X. Analysis on the monopolar three-phase solar grid-connected current source inverter. In Proceedings of the 2013 Fourth International Conference on Digital Manufacturing, Shinan, China, 29–30 June 2013. [Google Scholar] [CrossRef]
- Cancelliere, P.; Colli, V.; Stefano, R.D.; Marignetti, F. Modeling and control of a zero-current-switching DC/AC current-source inverter. IEEE Trans. Ind. Electron. 2007, 54, 2106–2119. [Google Scholar] [CrossRef]
- Colli, V.; Cancelliere, P.; Marignetti, F.; Stefano, R.D. Voltage control of current source inverters. IEEE Trans. Energy Convers. 2006, 21, 451–458. [Google Scholar] [CrossRef]
- Danapour, N.; Akbari, E.; Tarafdar-Hagh, M. A review on the power circuit topologies of current source inverters in photovoltaic applications. Iran. J. Electr. Electron. Eng. 2022, 18, 2404. [Google Scholar] [CrossRef]
- Brito, M.; Sampaio, L.; Melo, G.; Canesin, C.A. Three-phase tri-state buck-boost integrated inverter for solar applications. IET Renew. Power Gener. 2015, 9, 557–565. [Google Scholar] [CrossRef]
- Lorenzani, E.; Immovilli, F.; Migliazza, G.; Frigieri, M.; Bianchini, C.; Davoli, M. CSI7: A modified three-phase current-source inverter for modular photovoltaic applications. IEEE Trans. Ind. Electron. 2017, 64, 5449–5459. [Google Scholar] [CrossRef]
- Jayanth, K.G.; Boddapati, V.; Geetha, R.S. Comparative study between three-leg and four-leg current-source inverter for solar PV application. In Proceedings of the 2018 International Conference on Power, Instrumentation, Control and Computing PICC, Thrissur, India, 18–20 January 2018. [Google Scholar] [CrossRef]
- Vazquez, N.; Lopez, H.; Hernandez, C.; Vazquez, E.; Osorio, R.; Arau, J. A different multilevel current-source inverter. IEEE Trans. Ind. Electron. 2010, 57, 2623–2632. [Google Scholar] [CrossRef]
- Vázquez, N.; del Carmen García, L.; Hernández, C.; Vázquez, E.; López, H.; Cervantes, I.; Iturria, J. A grid-connected multilevel current source inverter and its protection for grid-disconnection. Int. J. Photoenergy 2013, 2013, 575309. [Google Scholar] [CrossRef]
- Suroso, S.; Siswantoro, H. Study of novel parallel H-bridge and common-emitter current-source inverters for photovoltaic power conversion system. Int. J. Power Electron. Drive Syst. 2022, 13, 500. [Google Scholar] [CrossRef]
- Barbosa, P.G.; Braga, H.A.C.; Rodrigues, M.D.C.B.; Teixeira, E.C. Boost current multilevel inverter and its application on single-phase grid-connected photovoltaic systems. IEEE Trans. Power Electron. 2006, 21, 1116–1124. [Google Scholar] [CrossRef]
- Noguchi, T. New H-bridge multilevel current-source PWM inverter with reduced switching device count. In Proceedings of the 2010 International Power Electronics Conference-ECCE ASIA, Sapporo, Japan, 21–24 June 2010; pp. 1228–1235. [Google Scholar] [CrossRef]
- Gao, F.; Loh, P.C.; Blaabjerg, F.; Vilathgamuwa, D.M. Pulse width modulated buck-boost five-level current source inverters. In Proceedings of the Twenty-Third Annual IEEE Applied Power Electronics Conference and Exposition, Austin, TX, USA, 24–28 February 2008; pp. 469–475. [Google Scholar] [CrossRef]
- Sahoo, S.K.; Bhattacharya, T. Phase-shifted carrier-based synchronized sinusoidal PWM techniques for a cascaded H-bridge multilevel inverter. IEEE Trans. Power Electron. 2017, 33, 513–524. [Google Scholar] [CrossRef]
- Jain, S.; Agarwal, V. A single-stage grid connected inverter topology for solar PV systems with maximum power point tracking. IEEE Trans. Power Electron. 2007, 22, 1928–1940. [Google Scholar] [CrossRef]
- Mohammad Noor, S.; Omar, A.; Mahzan, N.; Ibrahim, I. A review of single-phase single stage inverter topologies for photovoltaic system. In Proceedings of the 2013 IEEE 4th Control and System Graduate Research Colloquium, Shah Alam, Malaysia, 19–20 August 2013; pp. 69–74. [Google Scholar] [CrossRef]
- Alajmi, B.N.; Ahmed, K.H.; Adam, G.P.; Williams, B.W. Single-phase single-stage transformer less grid-connected PV system. IEEE Trans. Power Electron. 2013, 28, 2664–2676. [Google Scholar] [CrossRef]
- Zhang, Z.; He, X.F.; Liu, Y.F. An optimal control method for photovoltaic grid-tied-interleaved flyback microinverters to achieve high efficiency in wide load range. IEEE Trans. Power Electron. 2013, 28, 5074–5087. [Google Scholar] [CrossRef]
- Watanabe, H.; Itoh, J.-i.; Koike, N.; Nagai, S. PV micro-inverter topology using LLC resonant converter. Energies 2019, 12, 3106. [Google Scholar] [CrossRef]
- Colli, V.D.; Cancelliere, P.; Marignetti, F.; Stefano, R.D. Influence of voltage and current source inverters on low-power induction motors. IEE Proc.-Electr. Power Appl. 2005, 152, 1311. [Google Scholar] [CrossRef]
- Exposto, B.; Rodrigues, R.; Pinto, J.G.; Monteiro, V.; Pedrosa, D.; Afonso, J.L. Predictive control of a current-source inverter for solar photovoltaic grid interface. In Proceedings of the 2015 9th International Conference on Compatibility and Power Electronics CPE, Costa da Caparica, Portugal, 24–26 June 2015. [Google Scholar] [CrossRef]
- Saiprakashi, C.; Rao, V. Grid feeding current source inverter for solar photovoltaic system with fuel cells. Int. J. Sci. Eng. Technol. Res. 2015, 4, 4713–4720. [Google Scholar]
- Dash, P.P.; Kazerani, M. A multilevel current-source inverter based grid-connected photovoltaic system. In Proceedings of the 2011 North American Power Symposium, Boston, MA, USA, 4–6 August 2011. [Google Scholar] [CrossRef]
- Singh, A.; Kaviani, A.K.; Mirafzal, B. On dynamic models and stability analysis of three-phase phasor PWM-based CSI for stand-alone applications. IEEE Trans. Ind. Electron. 2015, 62, 2698–2707. [Google Scholar] [CrossRef]
- Mariappan, B.; Fernandes, B.G.; Ramamoorty, M. A novel single-stage solar inverter using hybrid active filter with power quality improvement. In Proceedings of the IECON 2014—40th Annual Conference of the IEEE Industrial Electronics Society, Dallas, TX, USA, 29 October–1 November 2014. [Google Scholar] [CrossRef]
- Exposto, B.; Monteiro, V.; Pinto, J.G.; Pedrosa, D.; Melendez, A.A.N.; Afonso, J.L. Three-phase current-source shunt active power filter with solar photovoltaic grid interface. In Proceedings of the 2015 IEEE International Conference on Industrial Technology ICIT, Seville, Spain, 17–19 March 2015. [Google Scholar] [CrossRef]
- Krama, A.; Zellouma, L.; Rabhi, B. Improved control of shunt active power filter connected to a photovoltaic system using technique of direct power control. In Proceedings of the 2016 8th International Conference on Modelling, Identification and Control, Algiers, Algeria, 15–17 November 2016. [Google Scholar] [CrossRef]
- Catellani, S.; Bier, A.; Martin, J.; Alves-Rodrigues, L.G.; Barruel, F. Characterization of 1.2kV silicon carbide SiC semiconductors in hard switching mode for three-phase current source inverter csi prototyping in solar applications. In Proceedings of the PCIM Europe 2015; International Exhibition and Conference for Power Electronics, Intelligent Motion, Renewable Energy and Energy Management, Nuremberg, Germany, 19–20 May 2015; pp. 155–162. [Google Scholar]
- Yang, X.; Zhao, Z.; Wang, C.; Xu, J.; Liu, K.; Qiu, J. Analysis and parameter design of SiC-based current source inverter (CSI). World Electr. Veh. J. 2022, 13, 187. [Google Scholar] [CrossRef]
- Rubino, L.; Rubino, G.; Marino, P.; Di Noia, L.P.; Rizzo, R. Universal circuit breaker for pv power plants. In Proceedings of the 2017 6th International Conference on Clean Electrical Power (ICCEP), Santa Margherita Ligure, Italy, 27–29 June 2017; pp. 750–755. [Google Scholar] [CrossRef]
- Prasad, M.; Akella, A.K. Comparative analysis of PV fed VSI, CSI and ZSI based UPQC for mitigation of voltage sags and harmonics. Int. J. Renew. Energy Res. 2017, 7, 668–675. [Google Scholar] [CrossRef]
- Satapathy, L.M.; Kumar, N.; Dehury, S.; Pradhan, B.; Saif, M. Performance analysis of three-phase inverter in solar PV system under dynamic load condition. In Proceedings of the 2018 Second International Conference on Intelligent Computing and Control Systems ICICCS, Madurai, India, 14–15 June 2018. [Google Scholar] [CrossRef]
- Yenan Chen, D.M.X. Review of soft-switching topologies for single-phase photovoltaic inverters. IEEE Trans. Power Electron. 2021, 37, 1926–1944. [Google Scholar] [CrossRef]
- Mosalam, H.A.; Amer, R.A.; Morsy, G. Fuzzy logic control for a grid-connected PV array through Z-source-inverter using maximum constant boost control method. Ain Shams Eng. J. 2018, 9, 2931–2941. [Google Scholar] [CrossRef]
- Soumana, R.A.; Saulo, M.J.; Muriithi, C.M. Comparison of MPPT techniques on THD current in a grid-connected photovoltaic system. In Proceedings of the 2022 4th Global Power, Energy and Communication Conference GPECOM, Nevsehir, Turkey, 14–17 June 2022. [Google Scholar] [CrossRef]
- Wang, Z.; Miao, Z.; Fan, L.; Yazdani, A. Weak grid operation of a grid-following current-sourced PV solar system. In Proceedings of the 2021 North American Power Symposium NAPS, College Station, TX, USA, 14–16 November 2021. [Google Scholar] [CrossRef]
- Kazerani, M.; Zhang, Z.C.; Ooi, B.T. Linearly controllable boost voltages from tri-level PWM current-source inverter. IEEE Trans. Ind. Electron. 1995, 42, 72–77. [Google Scholar] [CrossRef]
- Komurcugil, H. Nonlinear control strategy for single-phase PWM current-source inverters. In Proceedings of the 2009 35th Annual Conference of IEEE Industrial Electronics, Porto, Portugal, 3–5 November 2009. [Google Scholar] [CrossRef]
- Jayalath, S.; Hanif, M. Controller tuning for a single phase grid-connected current source inverter. In Proceedings of the 2015 IEEE 2nd International Future Energy Electronics Conference IFEEC, Taipei, Taiwan, 1–4 November 2015. [Google Scholar] [CrossRef]
- Capasso, C.; Rubino, G.; Rubino, L.; Veneri, O. Power architectures for the integration of photovoltaic generation systems in DC-microgrids. Energy Procedia 2019, 159, 34–41. [Google Scholar] [CrossRef]
- Radwan, A.A.A.; Mohamed, Y.A.R.I. Power synchronization control for grid-connected current-source inverter-based photovoltaic systems. IEEE Trans. Energy Convers. 2016, 31, 1023–1036. [Google Scholar] [CrossRef]
- Guo, X.; Yang, Y.; Zhang, X. Advanced control of grid-connected current source converter under unbalanced grid voltage conditions. IEEE Trans. Ind. Electron. 2018, 65, 9225–9233. [Google Scholar] [CrossRef]
- Wu, Y.K.; Lin, J.H.; Lin, H.J. Standards and guidelines for grid-connected photovoltaic generation systems: A review and comparison. IEEE Trans. Ind. Appl. 2017, 53, 3205–3216. [Google Scholar] [CrossRef]
Disclaimer/Publisher’s Note: The statements, opinions and data contained in all publications are solely those of the individual author(s) and contributor(s) and not of MDPI and/or the editor(s). MDPI and/or the editor(s) disclaim responsibility for any injury to people or property resulting from any ideas, methods, instructions or products referred to in the content. |
© 2023 by the authors. Licensee MDPI, Basel, Switzerland. This article is an open access article distributed under the terms and conditions of the Creative Commons Attribution (CC BY) license (https://creativecommons.org/licenses/by/4.0/).























