A Comprehensive Review of Fault Diagnosis and Prognosis Techniques in High Voltage and Medium Voltage Electrical Power Lines
Abstract
:1. Introduction
- Overvoltages: In this case, the mains voltage exceeds the nominal design value. Based on the nature of the causes, they can be divided into internal and external.
- -
- External: They are mainly caused by direct lightning strikes that determine the so-called overvoltages of atmospheric origin. The biggest damage they can cause is the failure of the insulation of one or more components. The loss of insulation is serious as it can produce short-circuits in which a large amount of energy is dissipated and this can lead to explosions. Usually, to prevent damage to the insulation of electrical components, they are rated for voltages several times greater than the nominal ones, in order to guarantee a high margin of safety. The detection of a transient overvoltage resulting from lightning is a crucial aspect. Traditional logging and online monitoring systems had limitations such as low sampling rates and inadequate electric structures that made it difficult to capture the transient overvoltage signal accurately. Today, thanks to the higher frequencies of electronic devices, this drawback has been partially overcome. Furthermore, to overcome these challenges, a novel non-contact capacitor-based overvoltage transducer has been developed in [13]. This research was also conducted to study the decoupling technique between different phases.
- -
- Internal: They are caused by the closing and opening operations of circuits and, therefore, they are also called switching overvoltages. They can also be determined by rapid load variations or from resonance phenomena. Finally, surges can be caused by faults, such as accidental contacts and insulation losses. These overvoltages can exceed nominal values by a few times and generally have a duration of the order of milliseconds. In this field, important considerations are reported in [14], where the validation of power system component models for use in switching transient studies is performed. The authors consider the overvoltage data extracted from 230 kV lines and provide a summary of the switching tests and the main results derived from field measurements.
- Overcurrents: In this case, the mains current exceeds the nominal design value. Depending on the causes that generate them, they can be divided into permanent, transient, and fault overcurrents.
- -
- Caused by transient overloads: They are mainly due to operations such as starting asynchronous motors, which involve inrush currents up to ten times higher than the nominal ones and last a few seconds, or the insertion of vacuum transformers, which can involve currents up to three times larger than the rated ones and that last a short time. Both of these overcurrent causes are linked to transient phenomena; it is therefore not appropriate to adopt protections for the line that leads to the opening of the branch in which the overcurrent circulates. This operation would be harmful, as it causes an unnecessary outage of service.
- -
- Caused by permanent overloads: They occur when there are loads that draw higher power to that used in the dimensioning of the line. They involve a slow heating of the conductors and, when this thermal overload is prolonged for a long time, it is necessary to break the circuit. Overload mitigation will be particularly important in future power grids that incorporate distributed and fluctuating renewable energies. Ref. [15] proposes a distributed corrective control scheme to solve transmission line overload issues. The scheme introduces a linearized AC power flow model, which compensates for the linearization error through a closed loop of power flow control. The correct management of overload situations becomes more complex in the case of the high integration of renewable energy sources and, consequently, it is necessary to introduce a new computational method to correctly organize the protection actions [16,17].
- -
- Caused by faults: When an accidental electrical connection occurs between two points normally at different potentials, a low impedance mesh is created, called a fault loop, in which a short-circuit current circulates. This current has a much larger root mean square (RMS) value than the nominal one. Normally, a short-circuit can occur due to a lack of insulation caused by accidental contacts, rain, and overheating produced by long overloads, but more frequently from overvoltages that cause the striking of arcs between points with different potential. Many different types of short-circuits can occur in electrical lines and, for each of them, specific protections must be adopted [18,19,20]. In particular, the evolution of power supply systems involves the introduction of new devices according to the standard protection systems. For example, ref. [21] discusses the use of a saturated iron core active super-conducting fault current limiter (SISFCL) to handle high levels of fault current in smart distribution networks. When a short-circuit fault occurs in several locations, the SISFCL can reduce the fault current to an acceptable level. The paper briefly describes the operating principle and current limiting characteristics of an active SISFCL, as well as its impact on conventional protective relays.
- Discrimination: This represents the ability of the protection system to decide whether to intervene or not in the event of a specific operating condition being detected. For example, anomalous situations may occur due to faults on other parts of the line (protected by other systems) which do not immediately require the circuit to be opened.
- Stability: This is a measure of the system’s ability not to intervene under certain conditions, such as transient overloads and failures protected by other systems.
- Sensitivity: This is the system’s ability to detect fault conditions close to the nominal situation. The correct design of the protections allows, for example, for the detection of the short-circuit current that circulates in the furthest point from the protection itself.
- Operating time: This is the total time that elapses from the beginning of the fault to the sending of the trip signal from the relay to the circuit breaker. The intervention times must be low enough to ensure the safety of the system, equipment, and personnel, but the use of intentional time delays in protection systems allows for high levels of discrimination.
2. State of the Art on Diagnostic and Prognostic Systems
2.1. Protection Devices
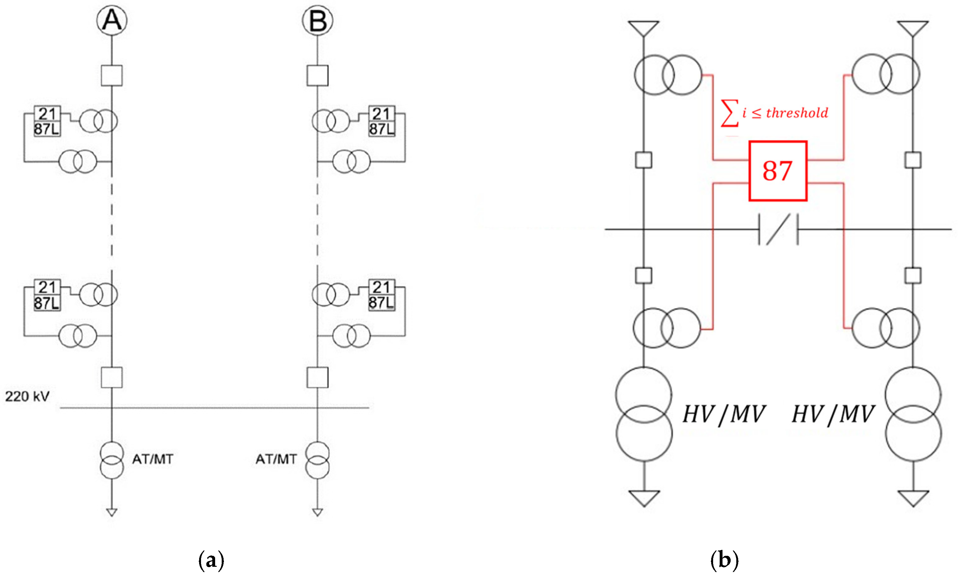
2.1.1. Protections in High-Voltage Lines
2.1.2. Protections in Medium-Voltage Lines
2.2. Prognostic Systems
2.2.1. Prognostic Systems in High-Voltage Lines
2.2.2. Prognostic Systems in Medium-Voltage Lines
- Thermal imaging (TI): it is a non-contact method of detecting insulation degradation that involves taking thermal images of the cable and its components. This technique is based on the fact that insulation degradation results in increased heat generation, which can be detected through thermography [62,63,64].
- Electrical impedance spectroscopy (EIS): it is a non-destructive testing technique which consists of measuring the impedance of the cable insulation as a function of frequency. The technique defines the insulation resistance, which can be used to detect insulation degradation [65].
2.2.3. Partial Discharge Measurements
- (1)
- An initial electron must exist for the ionization avalanche;
- (2)
- The electric field at the specific point must be greater than the inception field.
- Preparation: the cable is prepared for testing by isolating it from the electrical system and installing high-frequency coupling capacitors at both ends of the cable.
- Coupling: the high-frequency signals generated by the PD are coupled into the cable using the coupling capacitors.
- Signal amplification: the coupled signals are amplified using a high-frequency amplifier to make them easier to detect.
- Signal detection: the amplified signals are then detected using a PD detector, which is typically a high-frequency oscilloscope or a PD analyzer.
- Data analysis: the PD measurement data are analyzed to determine the location, type, and severity of the PD.
2.2.4. Thermal Imaging
2.2.5. Electrical Impedance Spectroscopy
- Preparation: The cable must be cleaned and insulated to ensure that the measurements are accurate and reliable. The cable must also be disconnected from any other electrical systems and grounded.
- Connecting the measurement system: The measurement system must be connected to the cable. This is typically achieved by attaching electrodes to the cable at specific points. The measurement system consists of an AC voltage source, a current measuring device, and a data acquisition system.
- Applying the AC voltage: The AC voltage is applied to the cable and the resulting current is measured. The voltage amplitude and frequency can be varied to obtain information about the cable’s electrical properties over a range of frequencies.
- Data collection and analysis: The data collected from the measurement system is analyzed to obtain the impedance of the cable as a function of frequency. The impedance data can be used to calculate various electrical properties of the cable, such as the resistance, capacitance, and inductance.
2.2.6. Acoustic Emission Testing
- Cable preparation: the cable must be taken out of service and cleaned.
- Transducer placement: acoustic emission transducers must be placed on the cable in order to detect any acoustic signals emitted by the cable during the testing process.
- Excitation: a high-frequency or impulse excitation is applied to the cable in order to induce partial discharges or other faults within the cable.
- Signal detection: the acoustic emission transducers detect the acoustic signals emit-ted by the cable and send the signals to a data acquisition system for analysis.
- Data analysis: the acoustic signals collected during the test are analyzed using spe-cialized software to determine the location, magnitude, and duration of any cable problems.
2.2.7. Dielectric Response Spectrometry
- Preparation: the cable must be taken out of service.
- Connections: The cable or insulation sample is connected to the testing equipment, which consists of a frequency response analyzer and a high-voltage amplifier.
- Voltage application: the frequency response analyzer outputs sinusoidally shaped voltages at different levels up to two times the service voltage in a frequency range from 100 Hz to 0.1 mHz. The voltage is then amplified in the high-voltage amplifier and measured through a high-voltage divider.
- Data acquisition: The measurement data are recorded as a frequency-dependent complex capacitance (). These data include the ordinary capacitance () and the dielectric loss component (), both expressed in pF.
- Analysis: the data are analyzed to determine the loss angle ().
3. Main Developments in the Field of Diagnostic and Prognostic Systems
3.1. New Approaches for the Protection of Electrical Power Lines
3.1.1. New Protections in High-voltage Lines
3.1.2. New Protections in Medium-Voltage Lines
- In the standard version, if the switching devices of the secondary substations cannot interrupt the fault currents, the protection trip occurs in the primary substation, while the FPIs of the secondary substations detect the presence and location of the fault. The information from the FPIs is made available to the control center of the primary substations via the RTUs of the secondary substations and, consequently, the opening of the IMSs is commanded at the ends of the faulty section. Subsequently, the protection in the primary substation is closed again, isolating the part of the network characterized by the fault. This operation obviously entails the loss of the availability of the entire line, until the switch is closed again, after the fault has been eliminated. The limit of the aforementioned faulty branch search algorithms determines a duration of the outage of a few minutes (indicatively, a time of 180 s can be considered).
- In modern electricity networks, there are secondary substations equipped with switching devices capable of interrupting the fault currents and characterized by the recloser function. They are coordinated according to the logic of time selectivity with the protection in the primary substation. Therefore, the reclosers that detect the fault trip before the protection in the primary substation, putting only a part of the medium-voltage network out of service. Clearly, this allows disservice in the branches not affected by the fault to be avoided and, in general, allows the limitation the total recovery times.
3.2. New Prognostic Approaches for Electrical Power Lines
3.2.1. New Prognostic Systems for High-Voltage Lines
3.2.2. New Prognostic Systems for Medium-Voltage Lines
4. Discussion
5. Conclusions
Author Contributions
Funding
Conflicts of Interest
Appendix A
- Coordination constraint:
- where tj is the operation time of the back-up relays, ti is that of the primary relays, and CTI is the coordination time interval which generally falls in the range 0.1–0.5 s.
- Relay operating time bounds:
- This constraint is introduced because relays require a certain time to operate and they must not be too slow. In (A4), the lower and upper limits are the maximum and minimum allowed time values.
- Constraint on time multiplier setting (TMS):
- This constraint is introduced to set the TMS into the range provided by the manufacturer of the relays. Generally, the range of TMS is between 0.1 and 1.1 s in steps of 0.1.
- Constraint on plug setting:
- The relay plug setting should be higher than the normal current of the line () and lower than the maximum fault current ().
- Constraint due to the operating characteristics of relays:
- where is defined as the ratio between the line current and the CT. This is the most common formulation for this type of constraint and it can be used in (A2).
References
- Dewangan, F.; Abdelaziz, A.Y.; Biswal, M. Load Forecasting Models in Smart Grid Using Smart Meter Information: A Review. Energies 2023, 16, 1404. [Google Scholar] [CrossRef]
- Al-Saadi, M.; Al-Greer, M.; Short, M. Reinforcement Learning-Based Intelligent Control Strategies for Optimal Power Management in Advanced Power Distribution Systems: A Survey. Energies 2023, 16, 1608. [Google Scholar] [CrossRef]
- Hussain, S.; El-Bayeh, C.Z.; Lai, C.; and Eicker, U. Multi-Level Energy Management Systems Toward a Smarter Grid: A Review. IEEE Access 2021, 9, 71994–72016. [Google Scholar] [CrossRef]
- Rind, Y.M.; Raza, M.H.; Zubair, M.; Mehmood, M.Q.; Massoud, Y. Smart Energy Meters for Smart Grids, an Internet of Things Perspective. Energies 2023, 16, 1974. [Google Scholar] [CrossRef]
- Simion, C.-P.; Verdeș, C.-A.; Mironescu, A.-A.; Anghel, F.-G. Digitalization in Energy Production, Distribution, and Consumption: A Systematic Literature Review. Energies 2023, 16, 1960. [Google Scholar] [CrossRef]
- Mahela, O.P.; Khosravy, M.; Gupta, N.; Khan, B.; Alhelou, H.H.; Mahla, R.; Patel, N.; Siano, P. Comprehensive overview of multi-agent systems for controlling smart grids. CSEE J. Power Energy Syst. 2022, 8, 115–131. [Google Scholar] [CrossRef]
- Fabrício, M.A.; Behrens, F.H.; Bianchini, D. Monitoring of Industrial Electrical Equipment Using IoT. IEEE Lat. Am. Trans. 2020, 18, 1425–1432. [Google Scholar] [CrossRef]
- Wang, S.; Zhou, L.; Wang, T.; Chen, T.; Wang, Y. Fast protection strategy for DC transmission lines of MMC-based MT-HVDC grid. Chin. J. Electr. Eng. 2021, 7, 83–92. [Google Scholar] [CrossRef]
- de Villiers, W.; Cloete, J.H.; Wedepohl, L.M.; Burger, A. Real-Time Sag Monitoring System for High-Voltage Overhead Transmission Lines Based on Power-Line Carrier Signal Behavior. IEEE Trans. Power Deliv. 2008, 23, 389–395. [Google Scholar] [CrossRef]
- Klyushkin, N.G.; Lachugin, V.F. A Statistical Overview of Fault Location Methods and Problems in Calculating and Locating Faults in 110 kV (and Higher) Power Transmission Lines. Power Technol. Eng. 2020, 54, 250–254. [Google Scholar] [CrossRef]
- Chen, B. Fault Statistics and Analysis of 220-kV and above Transmission Lines in a Southern Coastal Provincial Power Grid of China. IEEE Open Access J. Power Energy 2020, 7, 122–129. [Google Scholar] [CrossRef]
- Prévé, C. Protection of Electrical Networks; Wiley: Hoboken, NJ, USA, 2006. [Google Scholar]
- Chen, S.; Wang, H.; Du, L.; Li, J. Research on a New Type of Overvoltages Monitoring Sensor and Decoupling Technology. IEEE Trans. Appl. Supercond. 2014, 24, 1–4. [Google Scholar] [CrossRef]
- Martinez, J.A.; Goldsworthy, D.; Horton, R. Switching Overvoltage Measurements and Simulations—Part I: Field Test Overvoltage Measurements. IEEE Trans. Power Deliv. 2014, 29, 2502–2509. [Google Scholar] [CrossRef]
- He, Q.; Ding, L.; Kong, Z.-M.; Hu, P.; Guan, Z.-H. Distributed Scheme for Line Overload Mitigation with Linearized AC Power Flow. IEEE Trans. Circuits Syst. II Express Briefs 2022, 69, 2877–2881. [Google Scholar] [CrossRef]
- Zhang, X.; Wang, X.; Li, Z.; Huang, J.; Zhang, Y. Optimization of Impedance-Accelerated Inverse-Time Over-Current Protection Based on Improved Quantum Genetic Algorithm. Energies 2023, 16, 1119. [Google Scholar] [CrossRef]
- Ding, Z.; Yu, K.; Wang, C.; Lee, W.-J. Transmission Line Overload Risk Assessment Considering Dynamic Line Rating Mechanism in a High-Wind-Penetrated Power System: A Data-Driven Approach. IEEE Trans. Sustain. Energy 2022, 13, 1112–1122. [Google Scholar] [CrossRef]
- Al Talaq, M.; Al-Muhaini, M. Optimal Coordination of Time Delay Overcurrent Relays for Power Systems with Integrated Renewable Energy Sources. Energies 2022, 15, 6749. [Google Scholar] [CrossRef]
- Noghabi, A.S.; Sadeh, J.; Mashhadi, H.R. Considering Different Network Topologies in Optimal Overcurrent Relay Coordination Using a Hybrid GA. IEEE Trans. Power Deliv. 2009, 24, 1857–1863. [Google Scholar] [CrossRef]
- Henville, C.F. Combined use of definite and inverse time overcurrent elements assists in transmission line ground relay coordination. IEEE Trans. Power Deliv. 1993, 8, 925–932. [Google Scholar] [CrossRef]
- Li, B.; Li, C.; Guo, F.; Xin, Y. Overcurrent Protection Coordination in a Power Distribution Network with the Active Superconductive Fault Current Limiter. IEEE Trans. Appl. Supercond. 2014, 24, 1–4. [Google Scholar] [CrossRef]
- Chen, Y.Q.; Fink, O.; Sansavini, G. Combined Fault Location and Classification for Power Transmission Lines Fault Diagnosis with Integrated Feature Extraction. IEEE Trans. Ind. Electron. 2018, 65, 561–569. [Google Scholar] [CrossRef]
- Kordestani, M.; Saif, M.; Orchard, M.E.; Razavi-Far, R.; Khorasani, K. Failure Prognosis and Applications—A SurveyRecent Literature. IEEE Trans. Reliab. 2021, 70, 728–748. [Google Scholar] [CrossRef]
- Gers, J.M.; Holmes, E.J. Protection of Electricity Distribution Networks, 3rd ed.; IET Digital Library: London, UK, 2011. [Google Scholar]
- Melhem, Z. Electricity Transmission, Distribution and Storage Systems; Elsevier: Amsterdam, The Netherlands, 2013. [Google Scholar]
- Katiraei, F.; Iravani, M.R. Power Management Strategies for a Microgrid with Multiple Distributed Generation Units. IEEE Trans. Power Syst. 2006, 21, 1821–1831. [Google Scholar] [CrossRef]
- Shafiu, A.; Bopp, T.; Chilvers, I.; Strbac, G. Active management and protection of distribution networks with distributed generation. In Proceedings of the IEEE Power Engineering Society General Meeting, Denver, CO, USA, 6–10 June 2004; Volume 1, pp. 1098–1103. [Google Scholar] [CrossRef]
- Girgis, A.; Brahma, S. Effect of distributed generation on protective device coordination in distribution system. In Proceedings of the LESCOPE 01. 2001 Large Engineering Systems Conference on Power Engineering. Conference Proceedings. Theme: Powering Beyond 2001 (Cat. No.01ex490); Halifax, NS, Canada, 11–13 July 2001, IEEE: Piscataway, NJ, USA, 2001; pp. 115–119. [Google Scholar] [CrossRef]
- Manditereza, P.T.; Bansal, R. Renewable distributed generation: The hidden challenges—A review from the protection perspective. Renew. Sustain. Energy Rev. 2016, 58, 1457–1465. [Google Scholar] [CrossRef]
- Rosato, A.; Panella, M.; Araneo, R.; Andreotti, A. A Neural Network Based Prediction System of Distributed Generation for the Management of Microgrids. IEEE Trans. Ind. Appl. 2019, 55, 7092–7102. [Google Scholar] [CrossRef]
- Pouryekta, A.; Ramachandaramurthy, V.K.; Mithulananthan, N.; Arulampalam, A. Islanding Detection and Enhancement of Microgrid Performance. IEEE Syst. J. 2018, 12, 3131–3141. [Google Scholar] [CrossRef]
- Mishra, A.; Jena, P. A Scheduled Intentional Islanding Method Based on Ranking of Possible Islanding Zone. IEEE Trans. Smart Grid 2021, 12, 1853–1866. [Google Scholar] [CrossRef]
- Eftekharnejad, S.; Heydt, G.T.; Vittal, V. Optimal Generation Dispatch with High Penetration of Photovoltaic Generation. IEEE Trans. Sustain. Energy 2015, 6, 1013–1020. [Google Scholar] [CrossRef]
- Li, X.; Wang, L.; Yan, N.; Ma, R. Cooperative Dispatch of Distributed Energy Storage in Distribution Network with PV Generation Systems. IEEE Trans. Appl. Supercond. 2021, 31, 1–4. [Google Scholar] [CrossRef]
- Ding, T.; Wang, Z.; Qu, M.; Wang, Z.; Shahidehpour, M. A Sequential Black-Start Restoration Model for Resilient Active Distribution Networks. IEEE Trans. Power Syst. 2022, 37, 3133–3136. [Google Scholar] [CrossRef]
- Zhao, J.; Zhang, Q.; LIU, Z.; WU, X. A Distributed Black-Start Optimization Method for Global Transmission and Distribution Network. IEEE Trans. Power Syst. 2021, 36, 4471–4481. [Google Scholar] [CrossRef]
- Furse, C.M.; Kafal, M.; Razzaghi, R.; Shin, Y.-J. Fault Diagnosis for Electrical Systems and Power Networks: A Review. IEEE Sens. J. 2021, 21, 888–906. [Google Scholar] [CrossRef]
- Ferreira, V.H.; Zanghi, R.; Fortes, M.Z.; Sotelo, G.G.; Silva, R.B.M.; Souza, J.C.S.; Guimarães, C.H.C.; Gomes, S. A survey on intelligent system application to fault diagnosis in electric power system transmission lines. Electr. Power Syst. Res. 2016, 136, 135–153. [Google Scholar] [CrossRef]
- Jakaria, A.H.M.; Rahman, M.A.; Gokhale, A. Resiliency-Aware Deployment of SDN in Smart Grid SCADA: A Formal Synthesis Model. IEEE Trans. Netw. Serv. Manag. 2021, 18, 1430–1444. [Google Scholar] [CrossRef]
- IEEE Std C37.2-2022 (Revision of IEEE Std C37.2-2008); IEEE Standard for Electrical Power System Device Function Numbers, Acronyms, and Contact Designations. IEEE: Piscataway, NJ, USA, 2022; pp. 1–63. [CrossRef]
- Sevov, L.; Khan, U.; Zhang, Z. Enhancing Power Transformer Differential Protection to Improve Security and Dependability. IEEE Trans. Ind. Appl. 2017, 53, 2642–2649. [Google Scholar] [CrossRef]
- Dambhare, S.; Soman, S.A.; Chandorkar, M.C. Adaptive Current Differential Protection Schemes for Transmission-Line Protection. IEEE Trans. Power Deliv. 2009, 24, 1832–1841. [Google Scholar] [CrossRef]
- Peng, F.; Gao, H.; Huang, J.; Guo, Y.; Liu, Y.; Zhang, Y. Power Differential Protection for Transformer Based on Fault Component Network. IEEE Trans. Power Deliv. 2023, 38, 2464–2477. [Google Scholar] [CrossRef]
- Darwish, H.A.; Taalab, M.I.; Ahmed, E.S. Investigation of power differential concept for line protection. IEEE Trans. Power Deliv. 2005, 20, 617–624. [Google Scholar] [CrossRef]
- Liu, S.; Wang, B.; Zhao, Y.; Zhang, L.L.; Jiang, L. Novel Differential Protection Approach of UHV AC Transmission Lines Based on Tellegen’s Quasi-Power Theorem. IEEE Trans. Power Deliv. 2022, 37, 1264–1274. [Google Scholar] [CrossRef]
- Vazquez, E.; Castruita, J.; Chacon, O.L.; Conde, A. A New Approach Traveling-Wave Distance Protection—Part I: Algorithm. IEEE Trans. Power Deliv. 2007, 22, 795–800. [Google Scholar] [CrossRef]
- Sinclair, A.; Finney, D.; Martin, D.; Sharma, P. Distance Protection in Distribution Systems: How It Assists with Integrating Distributed Resources. IEEE Trans. Ind. Appl. 2014, 50, 2186–2196. [Google Scholar] [CrossRef]
- Prenc, R.; Rojnić, M.; Franković, D.; Vlahinić, S. On the Development of Overcurrent Relay Optimization Problem for Active Distribution Networks. Energies 2022, 15, 6528. [Google Scholar] [CrossRef]
- Gatta, F.M. Impianti Elettrici; Esculapio: Bologna, Italy, 2014. [Google Scholar]
- Kim, M.-H.; Li, S.-H.; Kim, J.-C. Improvement of Recloser-Fuse Operations and Coordination in a Power Distribution System with SFCL. IEEE Trans. Appl. Supercond. 2011, 21, 2209–2212. [Google Scholar] [CrossRef]
- Wright, L.; Ayers, L. Mitigation of Undesired Operation of Recloser Controls Due to Distribution Line Inrush. IEEE Trans. Ind. Appl. 2017, 53, 80–87. [Google Scholar] [CrossRef]
- Halevidis, C.D.; Karagiannopoulos, C.G.; Bourkas, P.D. Thermal Effect of the Recloser Operation Cycle on Bare Overhead Conductors. IEEE Trans. Power Deliv. 2012, 27, 568–574. [Google Scholar] [CrossRef]
- Available online: https://www.terna.it/it (accessed on 24 October 2023).
- Ouyan, J.; Zhou, C. Overhead line monitoring model based on the long-distance transmission network. In Proceedings of the 2013 8th International Conference on Computer Science & Education, Colombo, Sri Lanka, 26–28 April 2013; pp. 76–79. [Google Scholar] [CrossRef]
- Braga, G.E.; Junqueira, R.M.R. Methodology for Planning Tower Leg Foundations Corrosion Maintenance of Overhead Transmission Lines Based on GIS. IEEE Trans. Power Deliv. 2016, 31, 1601–1608. [Google Scholar] [CrossRef]
- IEEE Std 1283-2004; IEEE Guide for Determining the Effects of High-Temperature Operation on Conductors, Connectors, and Accessories. IEEE: Piscataway, NJ, USA, 2013; pp. 1–95.
- Velásquez, R.M.A.; Lara, J.V.M. Methodology for Overhead Line Conductor Remaining Life Aging infrastructure and asset management. In Proceedings of the 2018 IEEE PES Transmission & Distribution Conference and Exhibition—Latin America (T&D-LA), Lima, Peru, 18–21 September 2018; pp. 1–5. [Google Scholar] [CrossRef]
- Barthold, L.O. The Prospect of Live-Line Overhead Conductor Replacement. IEEE Trans. Power Deliv. 2010, 25, 1834–1838. [Google Scholar] [CrossRef]
- Nattrass, D.A. Partial discharge. XVII. The early history of partial discharge research. IEEE Electr. Insul. 1993, 9, 27–31. [Google Scholar] [CrossRef]
- Zhang, X.; Pang, B.; Liu, Y.; Liu, S.; Xu, P.; Li, Y.; Liu, Y.; Qi, L.; Xie, Q. Review on Detection and Analysis of Partial Discharge along Power Cables. Energies 2021, 14, 7692. [Google Scholar] [CrossRef]
- Wild, M.; Tenbohlen, S.; Gulski, E.; Jongen, R.; de Vries, F. Practical aspects of PD localization for long length power cables. In Proceedings of the 2013 IEEE Electrical Insulation Conference (EIC), Ottawa, ON, Canada, 2–5 June 2013; pp. 499–503. [Google Scholar] [CrossRef]
- Szczegielniak, T.; Kusiak, D.; Jabłoński, P. Thermal Analysis of the Medium Voltage Cable. Energies 2021, 14, 4164. [Google Scholar] [CrossRef]
- Ruan, J.; Zhan, Q.; Tang, L.; Tang, K. Real-Time Temperature Estimation of Three-Core Medium-Voltage Cable Joint Based on Support Vector Regression. Energies 2018, 11, 1405. [Google Scholar] [CrossRef]
- Shams, F.; Omar, M.; Usman, M.; Khan, S.; Larkin, S.; Raw, B. Thermal Imaging of Utility Power Lines: A Review. In Proceedings of the 2022 International Conference on Engineering and Emerging Technologies (ICEET), Kuala Lumpur, Malaysia, 27–28 October 2022; pp. 1–4. [Google Scholar] [CrossRef]
- Mo, S.; Zhang, D.; Li, Z.; Wan, Z. The Possibility of Fault Location in Cross-Bonded Cables by Broadband Impedance Spectroscopy. IEEE Trans. Dielectr. Electr. Insul. 2021, 28, 1416–1423. [Google Scholar] [CrossRef]
- Lundgaard, L.E.; Hansen, W. Acoustic method for quality control and in-service periodic monitoring of medium voltage cable terminations. In Proceedings of the Conference Record of the 1998 IEEE International Symposium on Electrical Insulation (Cat. No.98CH36239), Arlington, VA, USA, 7–10 June 1998; Volume 1, pp. 130–133. [Google Scholar] [CrossRef]
- Witos, F.; Olszewska, A.; Opilski, Z.; Lisowska-Lis, A.; Szerszeń, G. Application of Acoustic Emission and Thermal Imaging to Test Oil Power Transformers. Energies 2020, 13, 5955. [Google Scholar] [CrossRef]
- Werelius, P.; Tharning, P.; Eriksson, R.; Holmgren, B.; Gafvert, U. Dielectric spectroscopy for diagnosis of water tree deterioration in XLPE cables. IEEE Trans. Dielectr. Electr. Insul. 2001, 8, 27–42. [Google Scholar] [CrossRef]
- Werelius, P.; Holmgren, B.; Gafvert, U. Diagnosis of medium voltage XLPE cables by high voltage dielectric spectroscopy. In ICSD’98. Proceedings of the 1998 IEEE 6th International Conference on Conduction and Breakdown in Solid Dielectrics (Cat. No.98CH36132), Vasteras, Sweden, 22–25 June 1998; IEEE: Piscataway, NJ, USA, 1998; pp. 79–84. [Google Scholar] [CrossRef]
- Sikorski, W.; Walczak, K.; Gil, W.; Szymczak, C. On-Line Partial Discharge Monitoring System for Power Transformers Based on the Simultaneous Detection of High Frequency, Ultra-High Frequency, and Acoustic Emission Signals. Energies 2020, 13, 3271. [Google Scholar] [CrossRef]
- Rybarz, J.; Borucki, S.; Kunicki, M.; Kucińska-Landwójtowicz, A.; Wajnert, D. Influence of the Cable Accessories Installing Method on the Partial Discharge Activity in Medium Voltage Cables. Energies 2022, 15, 4216. [Google Scholar] [CrossRef]
- Singsathien, J.; Suwanasri, T.; Suwanasri, C.; Ruankon, S.; Fuangpian, P.; Namvong, W.; Saengsaikaew, P.; Khotsang, W. Partial discharge detection and localization of defected power cable using HFCT and UHF sensors. In Proceedings of the 2017 14th International Conference on Electrical Engineering/Electronics, Computer, Telecommunications and Information Technology (ECTI-CON), Phuket, Thailand, 27–30 June 2017; pp. 505–508. [Google Scholar] [CrossRef]
- Seo, I.-J.; Khan, U.A.; Hwang, J.-S.; Lee, J.-G.; Koo, J.-Y. Identification of Insulation Defects Based on Chaotic Analysis of Partial Discharge in HVDC Superconducting Cable. IEEE Trans. Appl. Supercond. 2015, 25, 1–5. [Google Scholar] [CrossRef]
- Shafiq, M.; Hussain, G.A.; Kütt, L.; Lehtonen, M. Effect of geometrical parameters on high frequency performance of Rogowski coil for partial discharge measurements. Measurement 2014, 49, 126–137. [Google Scholar] [CrossRef]
- Std 400.3-2006; IEEE Guide for Partial Discharge Testing of Shielded Power Cable Systems in a Field Environment. IEEE: Piscataway, NJ, USA, 2007; pp. 1–44.
- Hoduń, P.; Borecki, M. Reliability Assessment of MV Power Connections. Energies 2021, 14, 6965. [Google Scholar] [CrossRef]
- Luo, J.H.; Shi, J.K.; Cao, J.; Yuan, J. Study on surface discharge of composite dielectric in XLPE power cable joints. In Proceedings of the Electrical Insulation Conference and Electrical Manufacturing & Coil Winding Conference, Cincinnati, OH, USA, 18 October 2001. [Google Scholar]
- Albarracin, R.; Rodriguez-Serna, J.M.; Masud, A.A. Finite-element-analysis models for numerical simulation of partial discharges in spherical cavities within solid dielectrics: A review and a novel method. High Volt. 2020, 5, 556–568. [Google Scholar]
- Eyring, H. Dielectric breakdown of solids (Whitehead, S.). J. Chem. Educ. 1952, 29, 108. [Google Scholar] [CrossRef]
- Hikita, M.; Yamada, K.; Nakamura, A.; Mizutani, T.; Oohasi, A.; Ieda, M. Measurements of partial discharges by computer and analysis of partial discharge distribution by the Monte Carlo method. IEEE Trans. Electr. Insul. 1990, 25, 453–468. [Google Scholar] [CrossRef]
- Mcallister, I.W. Electric field theory and the fallacy of void capacitance. IEEE Trans. Electr. Insul. 1991, 26, 458–459. [Google Scholar] [CrossRef]
- Crichton, G.C.; Karlsson, P.W.; Pedersen, A. Partial discharges in ellipsoidal and spheroidal voids. IEEE Trans. Electr. Insul. 1989, 24, 335–342. [Google Scholar] [CrossRef]
- Mami, M.S.; Kksal, M. Remark on the lumped parameter modeling of transmission lines. Electr. Mach. Power Syst. 2000, 28, 565–575. [Google Scholar]
- Suyaroj, N.; Premrudeepreechacharn, S.; Watson, N.R. Transient state estimation with the Bergeron transmission line model. Turk. J. Electr. Eng. Comput. Sci. 2017, 25, 806–819. [Google Scholar] [CrossRef]
- Abdullah, H.; Uwe, S. A full frequency-dependent cable model for the calculation of fast transients. Energies 2017, 10, 1158. [Google Scholar]
- Wagenaars, P.; Wouters, P.; van derWielen, P.C.J.M.; Steennis, E.F. Measurement of transmission line parameters of three-core power cables with common earth screen. IET Sci. Meas. Technol. 2010, 4, 146–155. [Google Scholar] [CrossRef]
- Du, Z.; Willett, P.K.; Mashikian, M.S. Performance limits of PD location based on time-domain reflectometry. IEEE Trans. Dielectr. Electr. Insul. 1997, 4, 182–188. [Google Scholar] [CrossRef]
- Robles, G.; Shafiq, M.; Martínez-Tarifa, J.M. Multiple Partial Discharge Source Localization in Power Cables through Power Spectral Separation and Time-Domain Reflectometry. IEEE Trans. Instrum. Meas. 2019, 68, 4703–4711. [Google Scholar] [CrossRef]
- Snell, J.; Renowden, J. Improving results of thermographic inspections of electrical transmission and distribution lines. In Proceedings of the 2000 IEEE ESMO—2000 IEEE 9th International Conference on Transmission and Distribution Construction, Operation and Live-Line Maintenance Proceedings. ESMO 2000 Proceedings. Global ESMO 2000. The Pow; Montreal, QC, Canada, 8–12 October 2000, IEEE: Piscataway, NJ, USA, 2000; pp. 135–144. [Google Scholar] [CrossRef]
- Ohki, Y.; Yamada, T.; Hirai, N. Diagnosis of cable aging by broadband impedance spectroscopy. In Proceedings of the 2011 Annual Report Conference on Electrical Insulation and Dielectric Phenomena, Cancun, Mexico, 16–19 October 2011; pp. 24–27. [Google Scholar] [CrossRef]
- Zhou, Z.; Zhang, D.; He, J.; Li, M. Local degradation diagnosis for cable insulation based on broadband impedance spectroscopy. IEEE Trans. Dielectr. Electr. Insul. 2015, 22, 2097–2107. [Google Scholar] [CrossRef]
- Avellan, A.; Werelius, P.; Eriksson, R. Frequency domain response of medium voltage XLPE cable terminations and its influence on cable diagnostics. In Proceedings of the Conference Record of the 2000 IEEE International Symposium on Electrical Insulation (Cat. No.00CH37075), Anaheim, CA, USA, 5 April 2000; pp. 105–108. [Google Scholar] [CrossRef]
- Yong, H.; Minyou, C.; Jinqian, Z. High impedance fault identification method of the distribution network based on discrete wavelet transformation. In Proceedings of the 2011 International Conference on Electrical and Control Engineering, Yichang, China, 16–18 September 2011; pp. 2262–2265. [Google Scholar] [CrossRef]
- Li, W.; Liu, Y.; Li, Y.; Guo, F. Series Arc Fault Diagnosis and Line Selection Method Based on Recurrent Neural Network. IEEE Access 2020, 8, 177815–177822. [Google Scholar] [CrossRef]
- Ding, S.; Zhang, P.; Ding, E.; Naik, A.; Deng, P.; Gui, W. On the application of PCA technique to fault diagnosis. Tsinghua Sci. Technol. 2010, 15, 138–144. [Google Scholar] [CrossRef]
- Chen, H.; Jiang, B.; Lu, N.; Mao, Z. Deep PCA Based Real-Time Incipient Fault Detection and Diagnosis Methodology for Electrical Drive in High-Speed Trains. IEEE Trans. Veh. Technol. 2018, 67, 4819–4830. [Google Scholar] [CrossRef]
- Zhao, H.; Zheng, J.; Xu, J.; Deng, W. Fault Diagnosis Method Based on Principal Component Analysis and Broad Learning System. IEEE Access 2019, 7, 99263–99272. [Google Scholar] [CrossRef]
- Zolfaghari, M.; Chabanlo, R.M.; Abedi, M.; Shahidehpour, M. A Robust Distance Protection Approach for Bulk AC Power System Considering the Effects of HVDC Interfaced Offshore Wind Units. IEEE Syst. J. 2018, 12, 3786–3795. [Google Scholar] [CrossRef]
- Nengling, T.; Chen, C. A New Weak Fault Component Reactance Distance Relay Based on Voltage Amplitude Comparison. IEEE Trans. Power Deliv. 2008, 23, 87–93. [Google Scholar] [CrossRef]
- Liang, Y.; Li, W.; Lu, Z.; Xu, G.; Wang, C. A New Distance Protection Scheme Based on Improved Virtual Measured Voltage. IEEE Trans. Power Deliv. 2020, 35, 774–786. [Google Scholar] [CrossRef]
- Hu, Y.; Novosel, D.; Saha, M.M.; Leitloff, V. An adaptive scheme for parallel-line distance protection. IEEE Trans. Power Deliv. 2022, 17, 105–110. [Google Scholar] [CrossRef]
- Wang, Y.; Wang, Y.; Ma, N.; Zeng, R.; Wang, Z. Waveform-Similarity-Based Protection Scheme for AC Transmission Lines of MMC-HVDC System with Offshore Wind Farms. Energies 2022, 15, 9107. [Google Scholar] [CrossRef]
- Wang, Q.; Ma, J.; Shang, L.; Chen, S. Analysis of the Effects of Grid-Connected Charging/Discharging Stations on Relay Protection. Energies 2022, 15, 9065. [Google Scholar] [CrossRef]
- Bakkar, M.; Bogarra, S.; Córcoles, F.; Aboelhassan, A.; Wang, S.; Iglesias, J. Artificial Intelligence-Based Protection for Smart Grids. Energies 2022, 15, 4933. [Google Scholar] [CrossRef]
- Milosevic, B.; Begovic, M. Nondominated sorting genetic algorithm for optimal phasor measurement placement. In Proceedings of the 2003 IEEE Power Engineering Society General Meeting (IEEE Cat. No.03CH37491), Toronto, ON, Canada, 13–17 July 2003; pp. 69–75. [Google Scholar] [CrossRef]
- Xu, J.; Wen, M.H.F.; Li, V.O.K.; Leung, K.-C. Optimal PMU placement for wide-area monitoring using chemical reaction optimization. In Proceedings of the 2013 IEEE PES Innovative Smart Grid Technologies Conference (ISGT), Washington, DC, USA, 24–27 February 2013; pp. 1–6. [Google Scholar] [CrossRef]
- Reddy, K.S.K.; Rao, D.A.K.; Kumarraja, A.; Varma, B.R.K. Implementation of Integer Linear Programming and Exhaustive Search algorithms for optimal PMU placement under various conditions. In Proceedings of the 2015 IEEE Power, Communication and Information Technology Conference (PCITC), Bhubaneswar, India, 15–17 October 2015; pp. 850–855. [Google Scholar] [CrossRef]
- Huang, L.; Sun, Y.; Xu, J.; Gao, W.; Zhang, J.; Wu, Z. Optimal PMU Placement Considering Controlled Islanding of Power System. IEEE Trans. Power Syst. 2014, 29, 742–755. [Google Scholar] [CrossRef]
- Chatterjee, S.; Saha Roy, B.K.; Ghosh, P.K. Optimal Placement of PMU Considering Practical Costs in Wide Area Network. In Proceedings of the 2017 14th IEEE India Council International Conference (INDICON), Roorkee, India, 15–17 December 2017; pp. 1–6. [Google Scholar] [CrossRef]
- Manousakis, N.M.; Korres, G.N. Optimal Allocation of Phasor Measurement Units Considering Various Contingencies and Measurement Redundancy. IEEE Trans. Instrum. Meas. 2020, 69, 3403–3411. [Google Scholar] [CrossRef]
- Zhu, X.; Wen, M.H.F.; Li, V.O.K.; Leung, K.-C. Optimal PMU-Communication Link Placement for Smart Grid Wide-Area Measurement Systems. IEEE Trans. Smart Grid 2019, 10, 4446–4456. [Google Scholar] [CrossRef]
- IEEE Std C37.248-2017; IEEE Guide for Common Format for Naming Intelligent Electronic Devices (COMDEV). IEEE: Piscataway, NJ, USA, 2018; pp. 1–44. [CrossRef]
- Kumar, S.; Abu-Siada, A.; Das, N.; Islam, S. Reverse Blocking Over Current Busbar Protection Scheme Based on IEC 61850 Architecture. IEEE Trans. Ind. Appl. 2023, 59, 2225–2233. [Google Scholar] [CrossRef]
- Ma, J.; Ma, W.; Yan, X.; Wang, Z. A New Adaptive Backup Protection Scheme Based on Intelligent Electronic Devices. Can. J. Electr. Comput. Eng. 2015, 38, 77–88. [Google Scholar] [CrossRef]
- Ma, J.; Ma, W.; Yan, X.; Wang, Z. A New Adaptive Voltage Protection Scheme for Distribution Network with Distributed Generations. Can. J. Electr. Comput. Eng. 2013, 36, 142–151. [Google Scholar] [CrossRef]
- Barra, P.H.A.; Coury, D.V.; Fernandes, R.A.S. A survey on adaptive protection of microgrids and distribution systems with distributed generators. Renew. Sustain. Energy Rev. 2020, 118, 109524. [Google Scholar] [CrossRef]
- Laouamer, M.; Kouzou, A.; Mohammedi, R.D.; Tlemçani, A. Optimal PMU Placement in Power Grid Using Sine Cosine Algorithm. In Proceedings of the 2018 International Conference on Applied Smart Systems (ICASS), Medea, Algeria, 24–25 November 2018; pp. 1–5. [Google Scholar] [CrossRef]
- Sampaio, F.C.; Tofoli, F.L.; Melo, L.S.; Barroso, G.C.; Sampaio, R.F.; Leão, R.P.S. Smart Protection System for Microgrids with Grid-Connected and Islanded Capabilities Based on an Adaptive Algorithm. Energies 2023, 16, 2273. [Google Scholar] [CrossRef]
- Iamandi, A.; Arghira, N.; Constantin, I.C.; Iliescu, S.S. The Influence of Digital Communications in Protection Schemes. In Proceedings of the 2019 22nd International Conference on Control Systems and Computer Science (CSCS), Bucharest, Romania, 28–30 May 2019; pp. 363–368. [Google Scholar] [CrossRef]
- Sheng, S.; Chan, W.L.; Li, K.K.; Xianzhong, D.; Xiangjun, Z. Context Information-Based Cyber Security Defense of Protection System. IEEE Trans. Power Deliv. 2007, 22, 1477–1481. [Google Scholar] [CrossRef]
- Queiroz, A.R.S.; Senger, E.C.; de Oliveira, M.F.; Kumpulainen, L.; Chávez, R. Reducing Arc Flash Incident Energy Level in an Offshore Gas Production Unit Using Intelligent Electronic Devices—A Case Study. IEEE Trans. Ind. Appl. 2015, 51, 129–133. [Google Scholar] [CrossRef]
- Bindi, M.; Corti, F.; Aizenberg, I.; Grasso, F.; Lozito, G.M.; Luchetta, A.; Piccirilli, M.C.; Reatti, A. Machine Learning-Based Monitoring of DC-DC Converters in Photovoltaic Applications. Algorithm 2022, 15, 74. [Google Scholar] [CrossRef]
- Wang, L.; Zhao, Q.; Liang, D. Fault Diagnosis of UHVDC Transmission Line Based on Deep Neural Network. In Proceedings of the 2022 IEEE/IAS Industrial and Commercial Power System Asia (I&CPS Asia), Shanghai, China, 8–11 July 2022; pp. 445–450. [Google Scholar] [CrossRef]
- Hayder, A.N.; Saidi, L. Applications of Artificial Neural Networks with Input and Output Degradation Data for Renewable Energy Systems Fault Prognosis. In Proceedings of the 2021 12th International Renewable Energy Congress (IREC), Hammamet, Tunisia, 26–28 October 2021; pp. 1–6. [Google Scholar] [CrossRef]
- Bortoni, E.C.; Santos, L.; Bastos, G.S. A Model to Extract Wind Influence from Outdoor IR Thermal Inspections. IEEE Trans. Power Deliv. 2013, 28, 1969–1970. [Google Scholar] [CrossRef]
- Wanderley Neto, E.T.; Da Costa, E.G.; Maia, M.J.A. Influence of Emissivity and Distance in High Voltage Equipments Thermal Imaging. In Proceedings of the 2006 IEEE/PES Transmission & Distribution Conference and Exposition: Latin America, Caracas, Venezuela, 15–18 August 2006; pp. 1–4. [Google Scholar] [CrossRef]
- Comte, C.; Lacasse, R. Applicability of resistance and temperature measurements for the characterization of full tension compression splices. In Proceedings of the 2003 IEEE 10th International Conference on Transmission and Distribution Construction, Operation and Live-Line Maintenance, 2003. 2003 IEEE ESMO., Orlando, FL, USA, 6–10 April 2003; pp. 95–102. [Google Scholar] [CrossRef]
- de Paulis, F.; Olivieri, C.; Orlandi, A.; Giannuzzi, G.; Bassi, F.; Morandini, C.; Fiorucci, E.; Bucci, G. Exploring Remote Monitoring of Degraded Compression and Bolted Joints in HV Power Transmission Lines. IEEE Trans. Power Deliv. 2016, 31, 2179–2187. [Google Scholar] [CrossRef]
- Belardi, R.; Bindi, M.; Grasso, F.; Luchetta, A.; Manetti, S.; Piccirilli, M.C. A complex Neural Classifier for the Fault Prognosis and Diagnosis of Overhead Electrical Lines. In IOP Conference Series: Earth and Environmental Science, 2020 International Conference on Advanced Electrical and Energy Systems 18–21 August 2020, Osaka, Japan; IOP Publishing Ltd.: Bristol, UK, 2020; Volume 582. [Google Scholar] [CrossRef]
- Bindi, M.; Aizenberg, I.; Belardi, R.; Grasso, F.; Luchetta, A.; Manetti, S.; Piccirilli, M.C. Neural Network-Based Fault Diagnosis of Joints in High Voltage Electrical Lines. Adv. Sci. Technol. Eng. Syst. J. 2020, 5, 488–498. [Google Scholar] [CrossRef]
- Aizenberg, I. Complex-Valued Neural Networks with Multi-Valued Neurons; Springer: Berlin/Heidelberg, Germany, 2011. [Google Scholar]
- Fontana, G.; Luchetta, A.; Manetti, S.; Piccirilli, M.C. An unconditionally sound algorithm for testability analysis in linear time invariant electrical networks. Int. J. Circuit Theory Appl. 2016, 44, 1308–1340. [Google Scholar] [CrossRef]
- Aizenberg, I.; Bindi, M.; Grasso, F.; Luchetta, A.; Manetti, S.; Piccirilli, M.C. Testability Analysis in Neural Network Based Fault Diagnosis of DC-DC Converter. In Proceedings of the 2019 IEEE 5th International Forum on Research and Technology for Society and Industry (RTSI), Florence, Italy, 9–12 September 2019; pp. 265–268. [Google Scholar] [CrossRef]
- Sturchio, A.; Fioriti, G.; Pompili, M.; Cauzillo, B. Failure rates reduction in SmartGrid MV underground distribution cables: Influence of temperature. In Proceedings of the 2014 AEIT Annual Conference—From Research to Industry: The Need for a More Effective Technology Transfer (AEIT), Trieste, Italy, 18–19 September 2014; pp. 1–6. [Google Scholar] [CrossRef]
- Sturchio, A.; Fioriti, G.; Salusest, V.; Calcara, L.; Pompili, M. Thermal behavior of distribution MV underground cables. In Proceedings of the 2015 AEIT International Annual Conference (AEIT), Naples, Italy, 14–16 October 2015; pp. 1–5. [Google Scholar] [CrossRef]
- Aizenberg, I.; Belardi, R.; Bindi, M.; Grasso, F.; Manetti, S.; Luchetta, A.; Piccirilli, M.C. Failure Prevention and Malfunction Localization in Underground Medium Voltage Cables. Energies 2021, 14, 85. [Google Scholar] [CrossRef]
- Conte, G. Manuale di Impianti Elettrici; HOEPLI: Milan, Italy, 2009. [Google Scholar]
- IEEE Std 400.2-2013; IEEE Guide for Field Testing of Shielded Power Cable Systems Using Very Low Frequency (VLF) (Less than 1 Hz). IEEE: New York, NY, USA, 2013.
- Bindi, M.; Grasso, F.; Luchetta, A.; Piccirilli, M.C. A New Application of Power Line Communication Technologies: Prognosis of Failure in Underground Cables. In Proceedings of the 2022 International Conference on Electrical, Computer, Communications and Mechatronics Engineering (ICECCME), Maldives, Maldives, 16–18 November 2022; pp. 1–6. [Google Scholar] [CrossRef]
- Cataliotti, A.; Daidone, A.; Tine, G. A Medium-Voltage Cables Model for Power-Line Communication. IEEE Trans. Power Deliv. 2009, 24, 129–135. [Google Scholar] [CrossRef]
- Meng, J.; Yue, M.; Diallo, D. Nonlinear extension of battery constrained predictive charging control with transmission of Jacobian matrix. Int. J. Electr. Power Energy Syst. 2023, 146, 108762. [Google Scholar] [CrossRef]
- Lare, P.; Sarabi, S.; Delpha, C.; Nasr, A.; Diallo, D. Stator winding Inter-turn short-circuit and air gap eccentricity fault detection of a Permanent Magnet-Assisted Synchronous Reluctance Motor in Electrified vehicle. In Proceedings of the 2021 24th International Conference on Electrical Machines and Systems (ICEMS), Gyeongju, Republic of Korea, 31 October–3 November 2021; pp. 932–937. [Google Scholar] [CrossRef]
- Mousavi Gargari, S.; Wouters, P.A.A.F.; van der Wielen, P.C.J.M.; Steennis, E.F. Partial discharge parameters to evaluate the insulation condition of on-line located defects in medium voltage cable networks. IEEE Trans. Dielectr. Electr. Insul. 2011, 18, 868–877. [Google Scholar] [CrossRef]
- So, C.W.; Li, K.K.; Lai, K.T.; Fung, K.Y. Application of genetic algorithm for overcurrent relay coordination. In Proceedings of the Sixth International Conference on Developments in Power System Protection (Conf. Publ. No. 434), Nottingham, UK, 25–27 March 1997; pp. 66–69. [Google Scholar] [CrossRef]
- Bedekar, P.P.; Bhide, S.R. Optimum Coordination of Directional Overcurrent Relays Using the Hybrid GA-NLP Approach. IEEE Trans. Power Deliv. 2011, 26, 109–119. [Google Scholar] [CrossRef]
- Amraee, T. Coordination of Directional Overcurrent Relays Using Seeker Algorithm. IEEE Trans. Power Deliv. 2012, 27, 1415–1422. [Google Scholar] [CrossRef]
- Moirangthem, J.; Krishnanand, K.R.; Dash, S.S.; Ramaswami, R. Adaptive differential evolution algorithm for solving non-linear coordination problem of directional overcurrent relays. IET Gener. Transm. Distrib. 2013, 7, 329–336. [Google Scholar] [CrossRef]
- Lee, C.-H.; Chen, C.-R. Using Genetic Algorithm for Overcurrent Relay Coordination in Industrial Power System. In Proceedings of the 2007 International Conference on Intelligent Systems Applications to Power Systems, Kaohsiung, Taiwan, 5–8 November 2007; pp. 1–5. [Google Scholar] [CrossRef]
- Purwar, E.; Vishwakarma, D.N.; Singh, S.P. A Novel Constraints Reduction-Based Optimal Relay Coordination Method Considering Variable Operational Status of Distribution System with DGs. IEEE Trans. Smart Grid 2019, 10, 889–898. [Google Scholar] [CrossRef]
- Yang, H.T.; Chang, W.Y.; Huang, C.L. A new neural networks approach to on-line fault section estimation using information of protective relays and circuit breakers. IEEE Trans. Power Deliv. 1994, 9, 220–230. [Google Scholar] [CrossRef]
- Osman, A.H.; Abdelazim, T.; Malik, O.P. Transmission line distance relaying using on-line trained neural networks. IEEE Trans. Power Deliv. 2005, 20, 1257–1264. [Google Scholar] [CrossRef]
- Cardoso, G.; Rolim, J.G.; Zurn, H.H. Application of neural-network modules to electric power system fault section estimation. IEEE Trans. Power Deliv. 2004, 19, 1034–1041. [Google Scholar] [CrossRef]
- Kiaei, I.; Lotfifard, S. Fault Section Identification in Smart Distribution Systems Using Multi-Source Data Based on Fuzzy Petri Nets. IEEE Trans. Smart Grid 2020, 11, 74–83. [Google Scholar] [CrossRef]
- Jamali, S.; Bahmanyar, A.; Borhani-Bahabadi, H. A fast and accurate fault location method for distribution networks with dg using genetic algorithms. In Proceedings of the 2015 Smart Grid Conference (SGC), Tehran, Iran, 22–23 December 2015; pp. 110–114. [Google Scholar] [CrossRef]
- Bedekar, P.P.; Bhide, S.R.; Kale, V.S. Fault section estimation in power system using neuro-genetic approach. In Proceedings of the 2009 International Conference on Power Systems, Kharagpur, India, 27–29 December 2009; pp. 1–6. [Google Scholar] [CrossRef]
- Ahmed, A.S.; Attia, M.A.; Hamed, N.M.; Abdelaziz, A.Y. Comparison between genetic algorithm and whale optimization algorithm in fault location estimation in power systems. In Proceedings of the 2017 Nineteenth International Middle East Power Systems Conference (MEPCON), Cairo, Egypt, 19–21 December 2017; pp. 631–637. [Google Scholar] [CrossRef]
- Sanaye-Pasand, M.; Malik, O.P.; Chen, Z.; Maun, J.C. Discussion of “Artificial neural network approach to single-ended fault locator for transmission lines”. IEEE Trans. Power Syst. 2001, 16, 949–950. [Google Scholar] [CrossRef]
- Lan, S.; Chen, M.-J.; Chen, D.-Y. A Novel HVDC Double-Terminal Non-Synchronous Fault Location Method Based on Convolutional Neural Network. IEEE Trans. Power Deliv. 2019, 34, 848–857. [Google Scholar] [CrossRef]
- Osman, A.H.; Abdelazim, T.; Malik, O.P. Genetic algorithm approach for adaptive data window distance relaying. In Proceedings of the 2003 IEEE Power Engineering Society General Meeting (IEEE Cat. No.03CH37491), Toronto, ON, Canada, 13–17 July 2003; Volume 3, pp. 1862–1867. [Google Scholar] [CrossRef]
- Gupta, M.; Srivastava, S.; Gupta, J.R.P. Power System Frequency Estimation Using Neural Network and Genetic Algorithm. In Proceedings of the 2008 Joint International Conference on Power System Technology and IEEE Power India Conference, New Delhi, India, 12–15 October 2008; pp. 1–5. [Google Scholar] [CrossRef]
- Abdelaziz, A.Y.; Aleem, S.H.E.A.; Yadav, A. Artificial Intelligence Applications in Electrical Transmission and Distribution Systems Protection, 1st ed.; CRC Press: Boca Raton, FL, USA, 2022. [Google Scholar]











| Code | Name | Function |
|---|---|---|
| 21 | Distance (impedance) relay | A device that functions when the circuit admittance or impedance crosses a boundary defined by a characteristic in the admittance or impedance plane. |
| 87 | Differential protective relay | A device that operates on a percentage, phase angle, or other quantitative difference of two or more currents or other electrical quantities. |
| 79 | AC reclosing relay | A device that controls the automatic reclosing and locking out of an AC circuit breaker. |
| 51 | AC inverse time overcurrent relay | A device that functions when the AC input current exceeds a predetermined value, and in which the input current and operating time are inversely related through a substantial portion of the performance range. |
| 67 | AC directional overcurrent relay | A device that functions at a desired value of AC overcurrent flowing in a predetermined direction. |
| Papers | Functionality | Algorithm |
|---|---|---|
| [144] | Optimal Relay Coordination | Genetic Algorithm |
| [145] | Optimal Relay Coordination | Genetic Algorithm and Non-Linear Programming Approach |
| [146] | Coordination of Overcurrent Relays | Seeker Optimization Technique |
| [147] | Optimal Relay Coordination | Adaptive Differential Evolution |
| [148,149] | Optimal Overcurrent Relay Coordination with distributed generation | Genetic Algorithms |
| [150,151,152] | Fault Section Estimation in Distribution Networks | Artificial Neural Networks |
| [153] | Fault Section Estimation in Distribution Networks | Fuzzy Petri Net Technique |
| [154,155,156] | Fault Section Estimation in Distribution Networks | Genetic Algorithms |
| [157,158] | Fault Location Estimation in Transmission Lines | Artificial Neural Networks |
| [159] | Fault Location Estimation in Transmission Lines | Genetic Algorithms |
| [160] | Fault Location Estimation in Transmission Lines | Artificial Neural Networks and Genetic Algorithms |
| Technique | Advantages | Disadvantages |
|---|---|---|
| Partial Discharge Measurements |
|
|
| Thermal Imaging |
|
|
| Electrical Impedance Spectroscopy |
|
|
| Acoustic Emission Testing |
|
|
| Dielectric Response Spectroscopy |
|
|
| Papers | Functionality | Method |
|---|---|---|
| [130,139] | Detection of Malfunctions in HV and MV networks | Multi-Valued Neural Networks |
| [125,126,127] | Detection of Malfunctions in HV lines | Thermal Imaging Analysis |
| [128] | Detection of Malfunctions in HV joints | Time Domain Reflectometry |
| [91] | Detection of Problems in MV Cable Insulation | Particle Swarm Optimization applied on Broadband Impedance Spectroscopy |
| [143] | Detection of Problems in MV Cable Insulation | Online Monitoring of Partial Discharges |
Disclaimer/Publisher’s Note: The statements, opinions and data contained in all publications are solely those of the individual author(s) and contributor(s) and not of MDPI and/or the editor(s). MDPI and/or the editor(s) disclaim responsibility for any injury to people or property resulting from any ideas, methods, instructions or products referred to in the content. |
© 2023 by the authors. Licensee MDPI, Basel, Switzerland. This article is an open access article distributed under the terms and conditions of the Creative Commons Attribution (CC BY) license (https://creativecommons.org/licenses/by/4.0/).
Share and Cite
Bindi, M.; Piccirilli, M.C.; Luchetta, A.; Grasso, F. A Comprehensive Review of Fault Diagnosis and Prognosis Techniques in High Voltage and Medium Voltage Electrical Power Lines. Energies 2023, 16, 7317. https://doi.org/10.3390/en16217317
Bindi M, Piccirilli MC, Luchetta A, Grasso F. A Comprehensive Review of Fault Diagnosis and Prognosis Techniques in High Voltage and Medium Voltage Electrical Power Lines. Energies. 2023; 16(21):7317. https://doi.org/10.3390/en16217317
Chicago/Turabian StyleBindi, Marco, Maria Cristina Piccirilli, Antonio Luchetta, and Francesco Grasso. 2023. "A Comprehensive Review of Fault Diagnosis and Prognosis Techniques in High Voltage and Medium Voltage Electrical Power Lines" Energies 16, no. 21: 7317. https://doi.org/10.3390/en16217317
APA StyleBindi, M., Piccirilli, M. C., Luchetta, A., & Grasso, F. (2023). A Comprehensive Review of Fault Diagnosis and Prognosis Techniques in High Voltage and Medium Voltage Electrical Power Lines. Energies, 16(21), 7317. https://doi.org/10.3390/en16217317

