Next Article in Journal
Energy Literacy of Residents and Sustainable Tourism Interaction in Ethnic Tourism: A Study of the Longji Terraces in Guilin, China
Next Article in Special Issue
Practical Nonlinear Model Predictive Control for Improving Two-Wheel Vehicle Energy Consumption
Previous Article in Journal
DFT Prediction of Radiolytic Stability of Conformationally Flexible Ligands
Previous Article in Special Issue
Agnostic Battery Management System Capacity Estimation for Electric Vehicles
 
 
Font Type:
Arial Georgia Verdana
Font Size:
Aa Aa Aa
Line Spacing:
Column Width:
Background:
Article

Soft Switched Current Fed Dual Active Bridge Isolated Bidirectional Series Resonant DC-DC Converter for Energy Storage Applications

by
Kiran Bathala
*,
Dharavath Kishan
and
Nagendrappa Harischandrappa
Electrical and Electronics Engineering Department, National Institute of Technology Karnataka, Surathkal 575025, India
*
Author to whom correspondence should be addressed.
Energies 2023, 16(1), 258; https://doi.org/10.3390/en16010258
Submission received: 29 October 2022 / Revised: 25 November 2022 / Accepted: 22 December 2022 / Published: 26 December 2022
(This article belongs to the Special Issue Smart Electric Vehicle Charging Approaches for Demand Response)

Abstract

This paper proposes a high-frequency isolated current-fed dual active bridge bidirectional DC–DC series resonant converter with an inductive filter for energy storage applications, and a steady-state analysis of the converter is carried out. The performance of the proposed converter has been compared with a voltage-fed converter with a capacitive output filter. The proposed converter topology is operated in continuous conduction mode with zero circulation current (ZCC), less current stress and high efficiency. The conditions required for soft switching are determined, and it is found that the converter operates with soft switching of all switches for a wide variation in load and input voltage without loss of duty cycle. Current-fed converters are suitable for low-voltage renewable energy applications because of their inherent boosting capability. An inductive output filter is chosen to make the output current ideal for fast charging and high-power-density battery storage applications. Simple single-phase shift control is used to control the switches. The performance of the converter is studied using PSIM simulation software. These results are confirmed by an experiment on a 135 W converter on an OPAL-RT real-time simulator. The maximum efficiency obtained in simulation is 96.31%. Simulation and theoretical results are given in the comparison table for both forward and reverse modes of operation. A breakdown of the losses of this converter is also presented.

1. Introduction

With increasing pollution and an alarming climate situation, it has become imperative to switch from conventional energy sources to renewable energy sources. These renewable energy resources can produce cleaner energy than conventional energy resources. Renewable energy resources are abundant but intermittent in availability. Among the renewable energy resources, solar energy is the most abundant in nature. To utilize this energy, power electronics play a crucial role. In power electronics, DC-DC converters, in combination with photovoltaic systems, can convert solar energy into electrical energy. Due to the non-availability of solar energy at night and lack of sufficient technological advancements, this energy has been given less importance in previous decades. Due to the advances in photovoltaic technology, and pollution damaging the environment, it has become necessary for industry, policymakers and academia shift the focus to solar energy [1,2]. Policymakers are encouraging the use of renewable energy sources such as fuel cells, photovoltaics, wind, etc., for power generation. Currently, solar PVs are becoming more popular and are being installed on rooftops of individual houses. In this scenario, using DC-DC converters and recent advancements in energy storage systems, the drawback of the non-availability of solar energy during the night is no longer a severe problem and soon DC-DC converters will enable solar power to be stored in energy storage systems [3].
Isolated bidirectional dual active full-bridge converters (IBDC) have more advantages in terms of DC-DC converters. Galvanic isolation separates both bridges electrically. Dual active-bridge converters are symmetrical in structure and easy to analyze and control [4,5,6]. In isolated dual active-bridge converters, both voltage-fed non-resonant [7,8,9,10] and resonant [11,12,13,14,15] converters have been discussed. In voltage-fed converters [7,11], the output current has a negative component, which is circulating and incurs more losses. To avoid the circulating current, a discontinuous mode of operation has been chosen for these converters [8,9] in which no power is transferred to the load for a short time. A method has been discussed for a series-resonant DAB converter to reduce the current stress, increase the soft switching range and efficiency, and reduce the effect of dead-time on power transmission and soft switching [16]. A topology has been discussed without an isolation transformer to integrate the photovoltaic system and the grid. The absence of a transformer makes this converter compact but results in a lack of protection through isolation [17]. In [18], a hybrid bridge has been discussed to integrate the DC bus and energy storage system. This topology is a solution when the transformation ratio ‘n’ is away from unity and it has been operated with high efficiency and soft switching even when ‘n’ is not close to unity [18]. A controller has been discussed in [19] to regulate power transmission and reduce losses using a minimum-current-point-tracking technique. This controller is generic in design, as it does not depend on the circuit parameters and complicated circuit modeling [19].
In [20], a topology has been discussed to transfer more power than a conventional dual active-bridge (DAB) converter. This topology has twice the power transmission capacity of conventional DAB converters and has found application in electric-powered aircraft [20]. In a topology with a high step-down ratio, inverter bridges are stacked in series through a capacitor, and rectifier bridges are connected in parallel. Series-connected bridges lead to additions of voltage at the input. Parallel-connected bridges at the output lead to less voltage and more current. This converter uses GaN semiconductor switches and offers the highest efficiency of 99% and the least of 97.5% [21,22]. In [23], a scheme has been discussed to increase the dynamic response, especially for a wide range of load changes. Specifically, this topology is a good candidate for DES, solid-state transformers and energy storage applications [23]. A hybrid-switching scheme has been proposed to reduce the losses for a DAB converter with advanced switching devices like SiC; it has achieved 98.96% efficiency [24].
Voltage-current-fed isolated bidirectional DC-DC (IBDC) converters without a resonant network [25,26,27] have been discussed. The magnetizing current in these converters results in more current stress and losses. Voltage-current-fed IBDC converters with resonant networks [28,29,30] can offer a nearly sinusoidal current. This feature provides lower current stress and conduction losses. Voltage-current-fed converters are unsymmetrical structures due to extra inductors on one of the bidirectional operations. This structure leads to the uneven distribution of current on the switches. Current-fed isolated bidirectional DC-DC resonant converters (IBDC), in both the forward and reverse modes of operation, are symmetrical. These converters require less gate drive than voltage-fed converters, making them suitable for low-voltage applications due to their inherent boosting capability. A search of the literature shows that current-fed isolated bidirectional DC-DC series resonant converters with an inductive filter have not been studied in detail. In this work, a current-fed IBDC with an inductive filter has been studied. The important contributions of this paper are: (i). The converter is operated with an inductive output filter (ii). Continuous conduction mode without loss of duty cycle, (iii) The circulating current at the load is zero to avoid the current stress on the switches and corresponding losses. Due to their bidirectional power transfer capability and high gain, these converters have become an essential part of the conventional structure of plug-in hybrid electric vehicles [6,10]. Current-fed converters allow solar energy generation utilizing PV with a small voltage output, even for individual households. This article presents the operational performance of a high-frequency series-resonant IBDC with a current source for energy storage application. Section 2 describes the proposed circuit in forward and reverse modes of operation. Section 3 describes the steady-state analysis and soft switching boundary conditions for the current-fed IBDC converter. Simulation and experimental results are presented in Section 4; Section 5 gives a comparison of results, and Section 6 presents the conclusion.

2. Proposed Circuit: Current-Fed Isolated Dual Active Bridge Bidirectional DC-DC Series Resonant Converter

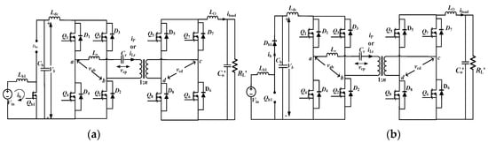
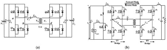
Renewable energy resources require power electronics to make use of the energy that they generate. The importance of power electronics in distributed energy systems is shown in Figure 1. Different types of low-voltage DC DES, which are in operation across the globe, are discussed along with their power and voltage ratings [31]. The voltage-fed DAB and proposed current-fed isolated DAB (CFIBDC) converters are shown in Figure 2a and Figure 2b, respectively. These converters are very useful in charging the battery during daylight hours and discharge the same power from the battery whenever necessary [5]. The CFIBDC shown in Figure 2b consists of a boost stage with ‘Vpv’ as the input voltage, and inductor ‘Lb’, capacitor ‘Cb’, and inductor ‘Ldc’ are used for maintaining a constant current. The switches Q1 to Q4 are on the primary bridge, and Q5 to Q8 are on the second bridge. Diodes D1 to D8 are the anti-parallel body diodes of the switches Q1 to Q8, as shown in Figure 2b. The high-frequency transformer has a turns ratio of 1: n. The elements Lr and Cr are part of the series-resonant circuit. Circuit element Cr aids in avoiding transformer saturation [13,14,15,32]. An inductor Lo can reduce ripples in the load current [28].
The model operating waveforms of the voltage-fed converter and current-fed converter for both forward and reverse operation modes are shown in Figure 3a,b and Figure 3c,d, respectively. These features can be avoided in the current-fed IBDC converter. Figure 3c,d shows a DC current without any negative component at the output of the second bridge in both modes of operation. This means no circulating current or stress on the switches due to the circulating current. This feature enhances the efficiency of the converter [9]. Due to technological advancements in power semiconductor switches, a high-frequency current-fed isolated bidirectional DC-DC converter (CFIBDC) can offer low input-current ripples, built-in short circuit protection, no duty cycle loss, higher gain, easy-to-control current and high-power density. The merits of these CFIBDC converters, which are given in [27], make them suitable for various applications, such as electric vehicles, battery storage power quality improvement and fuel cell EVs [27].
For the CFIBDC converter, a single-phase shift control (SPS) control technique is applied. This technique is the simplest and most-preferred technique for isolated bidirectional dual active-bridge converters. In this technique, diagonal switch pairs in two bridges are turned ON to produce square waveforms having a 50% duty cycle for the respective switches. The square waveforms on either side of the isolation transformer have a phase difference; the leading voltage-side bridge delivers the power to the lagging voltage-bridge side of the transformer. Only a phase-shift ratio (or angle) ‘φ’ is chosen as the freedom of control; adjusting ‘φ’ allows power between the bridges to be controlled [33]. The various operation intervals in the converter’s forward and reverse modes of operation are described in the following subsections. The equivalent circuits during the forward and reverse modes of operation are shown in Figure 4.

2.1. Forward Mode of Operation

Mode-1 (t0t1): for tt0, Q1 and Q2 are given the pulses, and since the primary current ip is negative, Q1 and Q2 remain off. Primary current flows through the anti-parallel diodes D1 and D2 on the primary side. Q5 and Q6 are triggered and are reverse-biased; negative current on the secondary side flows through diodes D5 and D6 through the load till t = t1. Vab = V o , Vcd = −Vo, vcr(to+) is zero and ip(to) = (−nIo).
Mode-2 (t1t2): At tt1, primary current continues to flow through the anti-parallel body diodes D1 and D2 till t = t2. On the secondary side, switches Q7 and Q8 are triggered and a secondary current starts flowing through Q7 and Q8; the current reaches zero at t = t2. Vab = V o , Vcd = Vo, vcr(t2) = −Vcp and ip(t2) = 0.
i p ( t 2 ) = C r   d v cr d t   and   L r   d i p d t + v cr ( t 2 ) = V o n
i p ( t ) = I Lr cos ( ω r t ) + ( v ab n v cr V o ) n Z c sin ( ω r t )  
v cr ( t ) = V o n + I Lr z c sin ( ω r t ) + ( v c r + V o n V ab ) cos ( ω r t ) + V ab  
Mode-3 (t2t3): At t2, iP ≥ 0, switches Q1 and Q2 conduct on the primary side, and the primary current increases till the end of this mode. Q7 and Q8 didn’t conduct; increasing ip makes Q7 and Q8 reverse-biased. D7 and D8 conduct on the secondary side. At t2, the end of this mode, Q1 and Q2 turn off. At t3, IP reaches a maximum and then decreases for t > t3. Vab = V o , Vcd = Vo,
i p ( t ) = i p ( t 2 ) cos ω r ( t t 2 ) + n ( v ab n v cr ) V o n Z c sin ω r ( t t 2 )
  cr ( t 2 ) =   V ab V o n + i p ( t 2 ) z c sin ω r ( t t 2 ) + ( v Cr ( t 2 ) + V o n V ab ) cos ω r ( t t 2 )  
Mode-4 (t3t4): Since Q1 and Q2 turn off at t3, Switches Q3 and Q4 are triggered but reverse-biased by the IP. IP decreases linearly till t4 and discharges through D3 and D4 on the primary side; its voltage remains zero during this interval. The anti-parallel diodes D7 and D8 still conduct on the secondary side, Q7 and Q8 are still reverse-biased by the Ip and the current starts decreasing from its peak value from t3 onward.
V ab = V o ,   V cd = + V o ,   i p ( t 3 ) = I p(peak)
i p ( t ) = i p ( t 3 ) cos ω r ( t t 3 ) + n ( v ab n v cr ) V o n Z c sin ω r ( t t 3 )  
Mode-5 (t4t5): At t4, Q3 and Q4 are still reverse-biased. IP is positive and continues to freewheel through D3 and D4, linearly decreasing to zero at t5. On the secondary side, switches Q5 and Q6 are triggered, and current flow through the load in the opposite direction, making the net current reach zero at t = t5. During this interval Vab = − V o , Vcd = −Vo, ip(t5) = 0.
Mode-6 (t5t6): For tt5, the primary current is negative and starts increasing linearly; Q3 and Q4 are already triggered. These switches start to conduct and the −Ip reaches a maximum at t = t6. At tt5, Q5 and Q6 are reverse-biased, and the secondary current gets discharged through the anti-parallel diodes D5 and D6. Switches Q3 and Q4 are turned off at t = t6. Vab = − V o , Vcd = −Vo, ip(t) is negative.
i p ( t ) = i p ( t 4 ) cos ω r ( t t 4 ) + n ( v ab v cr ( t 4 ) + V cd ) n Z c sin ω r ( t t 4 )
v cr ( t ) = V cd n V ab + i p ( t 4 ) z c sin ω r ( t t 4 ) + ( v Cr ( t 4 ) V cd n + V ab ) cos ω r ( t t 4 )  

2.2. Reverse Mode of Operation

Mode-1 (t0t1): At t0, Q7 and Q8 are turned on; since the secondary current is discharging and is negative, these switches (Q7 and Q8) are forward biased, and the voltage (vcd & vab) across the secondary and primary is positive. Current on the primary flows through the anti-parallel body diodes D1 and D2 in this reverse mode of operation.
V ab = V o ,   V cd = V Battery ,   v cr ( t 1 ) is   V cp   ( peak )   and   i p ( t o ) = ( n I o ) .
i p ( t ) = C r   d v cr d t ,   and   L r   d i p d t + v cr ( t 1 ) = n V o  
v cr ( t ) = V o n + I Lr z c sin ( ω r t ) + ( v cr + V o n V ab ) cos ( ω r t ) V ab  
Mode-2 (t1t2): At t1, ip ≥ 0, switches Q7 and Q8 are triggered, and the positive ip makes these switches reverse-biased. Current conducts through the anti-parallel diodes D7 and D8 on the secondary side. On the primary, this change in the direction of the current makes Q1 and Q2 forward-biased and current flows through Q2 and Q1. The current increases linearly till the end of the following mode. Vab = V o , Vcd = VBattery, vcr(t1) is −Vcp (peak value); for t = t1+ voltage across the resonant capacitor starts decreasing towards zero, and ip(t2) = 0, ip(t) reaches a maximum by the end of this mode.
I p ( t ) = i p ( t 1 ) cos ω r ( t t 1 ) + n ( v ab n v cr ) + V o n Z c sin ω r ( t t 1 )
v cr ( t 2 ) = V o n V ab + i p ( t 1 ) z c sin ω r ( t t 1 ) + ( v Cr ( t 1 ) V o n + V ab ) cos ω r ( t t 1 )  
Mode-3 (t2t3): For t = t2, the Q5 and Q6 switches are turned on. For t > t2, the secondary current is increases linearly and passes through Q5 and Q6 on the HV-bridge side. Switches Q1 and Q2 continue to conduct on the primary side of the converter. The current reaches its peak value at t = t3, the end of this mode. Switches Q1 and Q2 on the primary side are turned off at the end of this mode. Vab = V o , Vcd = −VBattery, vcr(t3) is zero; and ip(t2) = Ip (peak). ip(t) starts decreasing from t = t2.
Mode-4 (t3t4): For t > t3, the Q5 and Q6 switches continue to conduct on the secondary side. The current is starts decreasing linearly from its peak value. The current starts flowing through the anti-parallel body diodes D3 and D4 on the primary side. The current reaches zero at t = t4, the end of this mode. Vab = − V o , Vcd = −VBattery, vcr increases with a positive slope and reaches a maximum Vcp at t = t4; ip(t) starts decreasing from t = t3 and reaches zero at t = t4, ip(t4) = 0.
V ab = V o ,   V cd = + V o ,   i p ( t 3 ) = I p(peak)
i p ( t ) = i p ( t 3 ) cos ω r ( t t 2 ) + n ( v ab n v cr ) V o n Z c sin ω r ( t t 2 )  
Mode-5 (t4t5): For tt4, the current changes its direction, and switches Q5 and Q6 are reverse-biased. Now, the current is starts flowing through the anti-parallel diodes D5 and D6 during this interval on the secondary side. This change in the direction of the current makes the switches Q3 and Q4 forward-biased on the primary side. So, the current starts linearly increasing for tt4. Vab = − V o , Vcd = −VBattery, vcr decreases with a negative slope and reaches zero t = t5+; and. ip(t) starts increasing negatively from t = t4 and reaches -Ip (peak).
I p ( t ) = i p ( t 4 ) cos ω r ( t t 4 ) + n ( v ab v cr ( t 4 ) + V cd ) n Z c sin ω r ( t t 4 )
v cr ( t ) =   V cd n V ab + i p ( t 4 ) z c sin ω r ( t t 4 ) + ( v Cr ( t 4 ) V cd n + V ab ) cos ω r ( t t 4 )  
Mode-6 (t5t6): For t > t5, switches Q7 and Q8 are forward-biased and start conducting on the secondary side. Switches Q3 and Q4 continue to conduct on the primary side till the end of this mode. is reaches its peak value at t = t5. Vab = − V o , Vcd = VBattery, vcr decreases with a negative slope and reaches zero at t = t5+; and. ip(t) starts increasing negatively from t = t4 and reaches −Ip (peak).
To summarise, a current-fed isolated bidirectional DC-DC series resonant converter has been analyzed for different operating intervals. Next, a 135 W converter with the specification given in Table 1 is studied through PSIM simulation and experiment, and the results are presented in Section 4.

3. Steady-State Analysis of the Current-Source IBDC Converter

The current-fed isolated DAB bidirectional DC-DC converter transfers power by a phase shift between the gating signal between the primary and secondary sides on either side of the isolation transformer. To carry this analysis to the proposed topology using approximate analysis, the exceptions are given in [12,34,35,36]. The circuit shown in Figure 2b can be implemented in the forward mode of operation for PV and FC applications; the input is controlled by using the switch Qb1 to maintain a constant voltage, as shown in Figure 5a. Figure 5b shows input-voltage control by turning off the switch Qb1. Voltage vcd is taken as ‘Vrt’ in Figure 6a [11]. The phasor equivalent circuit of the proposed topology is shown in Figure 6b. The equivalent circuit of the proposed topology with fundamental voltages ‘vab’ and ‘vcd’ is shown in Figure 6c. The expression for the fundamental components of the voltages shown in Figure 6c is given as
v ab 1 = V ab   sin ( ω t )
v cd 1 = v cd   cos ( ω t φ )  
The current transferred from one source to another, as shown in Figure 6b, is given as
I Lr ¯ = v ab 1 v cd 1 j ( ω L r 1 ω C r )
The power transferred to load in forward mode Pcd(t) is given as pcd(t) = vcd(t)i(t), and the resultant power then becomes the average power over one full cycle as
p cd ( t ) = v ab   v cd ( ω L r 1 ω C r ) sin ( ω t ) cos ( ω t φ )

3.1. Rac for the Inductive Output Filter

The output current (io) referred to the primary side, as shown in Figure 6a, is given by the following equation
i o = 2 T s 0 T s / 2 I Lr n sin ( ω t ) d ( ω t )  
so the peak current of the i o is given as I o = 2 I Lr n π ; The series-resonant tank current in terms of I o is given as iLr(t) = n π 2 I o sin ( ω t ) . By using Fourier-series analysis, the peak and fundamental component of the voltage input to the rectifier bridge (at the ‘c’ and ‘d’ terminals) in terms of V o   (output voltage referred to primary side) is
V b = 4 V o n π ;   v b ( t ) = 4 n π V o sin ( ω t )
R ac = v b ( t ) i Lr ( t ) = 8 π 2 R L  
The sinusoidal current flowing in the series-resonant components is expressed as
iLr(t) = ILrSin(ωtϕ)
The peak current stress is the same for the resonant elements and switches, and it is expressed as
I Lr = V ab 1 ( p e a k ) | Z ab |
The impedance (Zab) offered by the circuit across the terminals ‘a’ and ‘b’ is given as;
Zab = Rac + j Xab
From Zab, the expression for ϕ is given as
ϕ = tan−1(Xab/Rac)
The sign of the magnitude of the resonant current iLr(t) at ωt = 0 decides the kind of soft switching (either zero-voltage switching (ZVS)/zero-current switching (ZCS)). If iLr(0) is negative then switches are turned-on with ZVS.
iLr(0) = ILr Sin(−ϕ)
When iLr(0) is positive, this indicates that the switches are turned off with ZCS. The ZVS/ZCS schemes minimize switching losses. The maximum voltage across Cr is VCP is given as VCp = ICsp · |XCr|.

3.2. Soft Switching

The performance of the current-fed DAB converter can be analyzed by determining the soft-switching range and conditions of the converter. These boundary conditions of the converter are the critical factors that define the soft switching of the converter [33]. This converter is operated under the above resonance method to achieve ZVS for the switches; the corresponding switching pulses, voltage and current waveforms are shown in Figure 7. The two expressions given in (30) are derived by using simple trigonometry for the current waveshapes shown in Figure 7a. The corresponding equivalent circuit, which depicts the waveforms of Figure 7a during the turn-on transient time in the forward mode, is shown in Figure 8a,b, where Cstray,Qz (z = 1~8) represents stray capacitance in parallel with the switches (Q1 to Q8).
  I t 2 = π n V b ( π 2 ) n 2 V o 2 π L r f s I t 1 = π n 2 V o ( π 2 ) n V b 4 π L r f s }
The bridges are symmetrical, so events belonging to Q4 on the input and Q7 on the output bridge are considered. The dynamic expressions (31) belong to the capacitor Cstray,Q4 and the series inductor are shown in Figure 8a,b.
L r d i p ( t ) d t = v C s t r a y , Q 4 ( t ) [ V b v C s t a r y , Q 3 ( t ) ] V o = 2 v C s t r a y , Q 4 ( t ) V o V b C s t r a y , Q 4 d v C s t r a y , Q 4 ( t ) d t = 1 2 i p ( t ) i p ( 0 ) = n I t 2 v C s t r a y , Q 4 ( 0 ) = V b }
The expression for the capacitor voltage can be given with a frequency ω 1
v C s t r a y , Q 4 ( t ) = V b V o 2 cos ( ω 1 t ) n I t 2 ω 1 L r 2 sin ( ω 1 t ) + V b + V o 2
where ω 1 = 1 L r C s t r a y , Q 4   . By reorganizing (32), the expression for θ 1 is expressed in (33).
From (32), ZVS of Q4 can occur when its capacitance-voltage reaches zero by resonance. The ZVS condition for the input bridge is given in (34).
θ 1 = sin 1 [ n I t 2 ω 1 L r 2 ( V b V o 2 ) 2 + ( n I t 2 ω 1 L r 2 ) 2 ]
I t 2 2 n V b V o C s t r a y , Q 4 L r
The dead-time is essential and must be controlled so that switch turns on when the capacitor voltage of the respective switch discharges to a minimum value, and this will reduce the turn-on loss. The dead-time for the input bridge in the forward mode is derived [33] by substituting ω 1 and (33) into (35) and is given as (36)
T dead , ab = { θ 1 ω 1   ; ( V b < V o ) ( π θ 1 ) ω 1   ; ( V b V o )
T dead , ab = { L r C s t r a y , Q 4   sin 1 [ I t 2 2 L r n 2 C s t r a y , Q 4 ( V b n V o ) 2 + I t 2 2 L r ] ; ( V b < V o ) L r C s t r a y , Q 4 { π sin 1 [ I t 2 2 L r n 2 C s t r a y , Q 4 ( V b n V o ) 2 + I t 2 2 L r ] } ; ( V b V o )    
For the bridge on the secondary, its ZVS analysis is simple, after t = t1, ip has a relatively small di/dt. It is assumed constant as I1 over a short duration. During the transient time of the switch Q7, its capacitor Cstray,Q7 discharges by a current It1/2, instead of resonance between Lr and Cstray,Q7. The voltage across the switch Q7 capacitor (Cstray,Q7) drops from Vo to zero and is supposed to satisfy the condition given in equation (37). This equation provides the condition for achieving ZVS for the output bridge given in (38)
I t 1 2 T d e a d , l , c C s t r a y , Q 7 V o
I t 1 2 C s t r a y , Q 7 V o T d e a d , l , c
The switches (Q1 to Q8) for the input and output bridges are shown in Figure 8c,d. The expression for θ 2 ,  It1 and, during this mode, the charging and discharging of the capacitor across the switches, are shown in Figure 7b. The corresponding equivalent circuits of the input and output full bridges are shown in Figure 8b, It2 and It1 are still aligned with the turn-off of Q1 at t2 and Q8 at t1. The soft-switching conditions are evaluated for the single-phase shift control scheme, and it is as follows.
n I t 2 2 T d e a d , h , d C s t r a y , Q 4 V b
I t 2 2 n C s t r a y , Q 4 V b T d e a d , l , c
Using regular trigonometry, the expression for It2 and It1 in the discharging or reverse modes are the same as the expressions (30) derived in forward mode. The voltage and current waveforms for the reverse mode are shown in Figure 7b. Equivalent circuits representing the capacitors of the switches (Q1 to Q8) for the input and output bridges are shown in Figure 8c,d. The expression for θ 2 ,  It1 and dead-time (Tdead,cd) for reverse operation are derived just as in the forward mode of operation. These expressions are given in (41) to (44)
θ 2 = sin 1 [ n 2 I t 1 ω 2 L r 2 ( n V o V b 2 n ) 2 + ( n 2 I t 1 ω 2 L r 2 ) 2 ]
I t 1 2 n V b V o C s t r a y , Q 1 L r
T dead , cd = { ( π θ 2 ) ω 2   ; ( V b < n V o ) θ 2 ω 2   ; ( V b n V o )
T dead , cd = { L r C s t r a y , Q 7 n   sin 1 [ I t 1 2 L r C s t r a y , Q 7 ( n V o V b ) 2 + I t 1 2 L r ] ; ( V b n V o ) L r C s t r a y , Q 7 n { π sin 1 [ I t 1 2 L r C s t r a y , Q 7 ( n V o V b ) 2 + I t 1 2 L r ] } ; ( V b < n V o )  

4. Simulation and Experimental Results

This section presents the simulation and experimental results of the proposed current-fed isolated DAB bidirectional DC-DC series resonant converter (CFIBDC) in Section 4.1 and Section 4.2, respectively.

4.1. Simulation Results

The specifications and design values for the proposed converter are shown in Table 1 and Table 2. Results are presented for three cases with an output power of 135 Watts. Case 1: In forward mode with an input voltage Vin(min) = 12 Volts, Vo = 48 Volts at 100% and 10% of full load. Case 2: In forward mode with a Vin(max) = 18 Volts, Vo = 48 Volts at 100% and 10% of full load. If the load starts transferring back power to the input, then it is a reverse mode of operation. Case 3: In reverse mode, Vbattery = 48 Volts, V o = 42.5 Volts at 100% and 10% of full load. The comparison values of the theoretical and simulation values are given in Table 3.
The voltage at the inverter output terminal voltage (vab), rectifier bridge input (vcd), primary current (ip) and the voltage across the resonant capacitor (vcr) are shown in waveforms. The HV-side terminal current iload, load voltage vload, load current iLoad and current input to the IBDC converter ib from the boost stage and the switches Q1 to Q8 voltages and currents are shown in Figure 9, Figure 10 and Figure 11. Simulation waveforms of the CFIBDC for Case 1 are shown in Figure 9, and for Case 2 are shown in Figure 10. Case 3, with the current input to the IBDC converter idischarge from stored energy in a forward mode, which is fed back, is also shown in Figure 11. Soft switching is achieved for the switches Q1 to Q8 at full load; the corresponding voltage and current waveforms are offered for both forward and reverse modes of operations. Various losses of the converter are used for the simulation of the losses and efficiency of the converter. The simulation results and theoretical calculations are compared and found to be approximately equal, as can be seen in Table 3.

4.2. Experimental Results

To study the proposed converter’s performance, an experiment has been conducted. Experimental results are taken at Vin(min) and Vo for a variation in load from 100% to 10% in both forward and reverse modes of operation. The specifications and designed values are shown in Table 1 and Table 2. The experimental waveforms are presented in forward and reverse modes. The forward mode has two cases, Case 1 (Full load): square-wave voltages (vab & vcd) across the terminals ‘a’, ’b’ and ‘c’, ’d’ are shown in Figure 12a along with the primary current and voltage across the resonant capacitor. The voltages vab & vcd are the resultant of a single-phase shift control technique. The current flowing through the cross-connected switches such as Q1, Q2 & Q3 and Q4, in a bridge, is the same. The waveforms showing the ZVS for the four switches on the primary side through the complementary switches Q1 and Q3 are shown in Figure 12b. Similarly, the currents flowing through the switches Q5, Q6 & Q7 and Q8 are also the same. The corresponding ZCS for the four switches is shown in Figure 12c through switches Q5 and Q7. The load voltage, load current and input current are shown in Figure 12d, along with the voltage at the boost stage of the converter at 100% load. Case 2 (Full Load): The waveforms, as mentioned above, are shown in Figure 12e–h in the same order at 10% of full load. The reverse mode of operation waveforms are shown in Figure 13. Case 1 (10% of full load): Square waveforms vab & vcd with an input voltage V2 = 48 V and an output voltage Vo = 42.5 V are shown in Figure 13a along with the primary current ip and resonant capacitor voltage vcr. The waveforms showing ZVS for the switches (Q5 to Q8) on the primary side in the reverse mode of operation through complementary switches are shown in Figure 13b. The ZCS for the secondary side switches (Q1 to Q4) is shown in Figure 13c through the voltage and current waveforms of switches Q1 and Q4. The output voltage, load current and input current or discharge current in the reverse mode of operation are shown in Figure 13d. Case 2 (10% of full load): As mentioned above in the reverse mode of operation, the waveforms are shown in Figure 13e–h in the same order for 10% of the full load.

5. Comparison of Results

The performance of the proposed current fed series resonant dual active bridge converter with inductive output filter is analysed by comparing various losses as shown in Figure 14. The efficiecny of proposed converter at various loads is shown in Figure 15, and efficiency comparison of various topologies [7,8,10,11] is shown in Figure 16. The current stress of the proposed converter with the existing dual active bridge (DAB) converters of different topologies [7,8,10,11] is shown in Figure 17. The conventional DAB converter [7] without resonance achieved 93.5% efficiency at full load and 81% efficiency at 10% of full load. However, the converter is operated in discontinuous conduction mode to avoid the circulating current. The voltage-fed dual active-bridge converter with series resonance [11] has been operated with a single-phase shift control technique, and an efficiency of 95% at full load and 77% at 10% of full load is obtained. It has a circulating current at both full load and light load conditions. The non-resonant voltage-fed dual active-bridge (DAB) converter given in [8] has been operated with a zero circulating current modulation scheme. The proposed converter has achieved 94.5% efficiency at full load and 88% efficiency at 10% of full load. This modulation scheme results in low efficiency at light load as the converter is operated in discontinuous mode. The proposed current-fed series-resonant DAB converter has achieved 94.6% efficiency at full load and 83.02% efficiency at 10% of full load. In addition, this converter has achieved 96.31% efficiency at 50% of full load with an input voltage Vin(max) = 18 V and Vo = 48 V. The efficiency comparison of various topologies with the proposed current-fed isolated bidirectional DC-DC converter (CFIBDC) is given in Table 4. The proposed converter operated with soft switching for a wide range of loads; the reduced loading conditions are generally due to the peak switch currents (current stress) not reducing with the load.
The current stress of various topologies compared to that of the proposed CFIBDC converter is shown in Table 5. High current stress on the switching devices leads to more conduction losses of the switches, which in turn reduces the efficiency of the converter and requires a more oversized heat sink. The current stress for a conventional dual active-bridge (DAB) converter is less during the light load condition, but it increases gradually. The conventional DAB [7] has been operated with two inductors, L1 and L2, to increase the light load efficiency of the DAB converter. If this converter uses only one inductor, L1, it will have higher current stresses, but with two inductors, L1 + L2, it offers less current stress, giving higher efficiency at light load conditions. The voltage-fed series resonant DAB [11] converter offers less current stress, as shown in Figure 17. As per the percentage of full load current, the proposed current-fed series resonant converter with an inductive output filter offers lower current stresses from light load to full load compared to any other dual active-bridge converter topologies as can be seen in Figure 17.

6. Conclusions

A current-fed series resonant dual active-bridge isolated bidirectional DC-DC converter with an inductive output filter has been proposed, and its steady-state analysis has been carried out. The performance of the proposed converter has been compared with voltage-fed non-resonant and series-resonant isolated bidirectional DC-DC converters with a capacitive filter, and the results are presented. The proposed converter has been operated in continuous conduction mode without loss of duty cycle. It has shown better efficiency and less current stress and zero circulating current at the load than the voltage-fed non-resonant and series resonant dual-active bridge converters. The condition required for soft switching in both forward and reverse modes of operation for both bridges is derived. Simulation and experimental results for a load variation of 100% to 10% of full load are presented. A maximum efficiency of 96.31%, along with the breakdown of losses for the converter, are presented for a 135 W converter.
Strategies can be designed to overcome the disadvantages of current-fed isolated bidirectional converters, such as charging the inductor at the instant of turn-on and the occurrence of voltage spikes across the switches during the turn-off mode. The latter appears due to the mismatch in current flowing through the boost inductor at the input and leakage inductor of the HF isolation transformer. These current-fed IBDC converters can aid in building hybrid microgrid systems by using renewable energy resources with low voltage capacities such as fuel cells, PV systems and wind energy.

Author Contributions

Conceptualization, K.B.; Investigation, D.K.; Resources, D.K.; Writing – original draft, K.B.; Writing – review & editing, N.H. All authors have read and agreed to the published version of the manuscript.

Funding

This research received no external funding.

Institutional Review Board Statement

This study does not require any ethical approval.

Informed Consent Statement

Not applicable.

Conflicts of Interest

The authors declare no conflict of interest.

References

  1. Kramer, W.; Chakraborty, S.; Kroposki, B.; Thomas, H. Advanced Power Electronic Interfaces for Distributed Energy Systems Part 1: Systems and Topologies; No. NREL/TP-581-42672; National Renewable Energy Lab. (NREL): Golden, CO, USA, 2008. [Google Scholar]
  2. Lund, H.; Munster, E. Integrated energy systems and local energy markets. Energy Policy. 2006, 34, 1152–1160. [Google Scholar] [CrossRef]
  3. Chakraborty, S.B.; Kramer, K.W. Advanced Power Electronic Interfaces for Distributed Energy Systems, Part 2: Modeling, Development, and Experimental Evaluation of Advanced Control Functions for Single-Phase Utility-Connected Inverter; No. NREL/TP-550-44313; National Renewable Energy Lab. (NREL): Golden, CO, USA, 2008. [Google Scholar]
  4. Henao-Bravo, E.E.; Ramos-Paja, C.A.; Saavedra-Montes, A.J.; González-Montoya, D.; Sierra-Pérez, J. Design method of dual active bridge converters for photovoltaic systems with high voltage gain. Energies 2020, 13, 1711. [Google Scholar] [CrossRef]
  5. Pan, X.; Li, H.; Liu, Y.; Zhao, T.; Ju, C.; Gae, A.K.R. An overview and comprehensive comparative evaluation of current-fed-isolated-bidirectional DC/DC converter. IEEE Trans. Power Electron. 2019, 35, 2737–2763. [Google Scholar] [CrossRef]
  6. Zhao, B.; Song, Q.; Liu, W.; Sun, Y. Overview of dual-active-bridge isolated bidirectional DC-DC converter for high-frequency-link power-conversion system. IEEE Trans. Power Electron. 2013, 29, 4091–4106. [Google Scholar] [CrossRef]
  7. Karthikeyan, V.; Gupta, R. Light-load efficiency improvement by extending ZVS range in DAB-bidirectional DC-DC converter for energy storage applications. Energy 2017, 130, 15–21. [Google Scholar] [CrossRef]
  8. Karthikeyan, V.; Gupta, R. Zero circulating current modulation for isolated bidirectional dual-active-bridge DC-DC converter. IET Power Electron. 2016, 9, 1553–1561. [Google Scholar] [CrossRef]
  9. Karthikeyan, V.; Gupta, R. FRS-DAB converter for elimination of circulation power flow at input and output ends. IEEE Trans. Ind. Electron. 2017, 65, 2135–2144. [Google Scholar] [CrossRef]
  10. Prasetya, T.; Wijaya, F.D.; Firmansyah, E. Design of Full-Bridge DC-DC Converter 311/100 V 1kW with PSPWM Method to Get ZVS Condition. Int. J. Power Electron. Drive Syst. 2017, 8, 59. [Google Scholar] [CrossRef]
  11. Li, X.; Bhat, A.K.S. Analysis and design of high-frequency isolated dual-bridge series resonant DC/DC converter. IEEE Trans. Power Electron. 2009, 25, 850–862. [Google Scholar]
  12. Bhat, A.K.S.; Zheng, R.L. Analysis and design of a three-phase LCC-type resonant converter. IEEE Trans. Aerosp. Electron. Syst. 1998, 34, 508–519. [Google Scholar] [CrossRef]
  13. Chen, H.; Bhat, A.K.S. Analysis and design of a dual-bridge series resonant DC-to-DC converter for capacitor semi-active battery-ultracapacitor hybrid storage system. In Proceedings of the 2014 IEEE 23rd International Symposium on Industrial Electronics (ISIE), Istanbul, Turkey, 1–4 June 2014; IEEE: Piscataway, NJ, USA, 2014. [Google Scholar]
  14. Chen, H.; Bhat, A.K. A bidirectional dual-bridge LCL-type series resonant converter controlled with modified gating scheme. In Proceedings of the 2016 IEEE 8th International Power Electronics and Motion Control Conference (IPEMC-ECCE Asia), Hefei, China, 22–26 May 2016; IEEE: Piscataway, NJ, USA, 2016. [Google Scholar]
  15. Lee, S.; Hong, W.; Kim, T.; Kim, G.-D.; Lee, E.S.; Lee, S.-H. Voltage balancing control of a series-resonant DAB converter with a virtual line shaft. J. Power Electron. 2022, 22, 1347–1356. [Google Scholar] [CrossRef]
  16. Yang, J.; Zhang, Y.; Wu, X. Minimum Current Optimization of DBSRC Considering the Dead-Time Effect. Energies 2022, 15, 8484. [Google Scholar] [CrossRef]
  17. Biswas, M.; Biswas, S.P.; Islam, R.; Rahman, A.; Muttaqi, K.M. A New Transformer-Less Single-Phase Photovoltaic Inverter to Improve the Performance of Grid-Connected Solar Photovoltaic Systems. Energies 2022, 15, 8398. [Google Scholar] [CrossRef]
  18. Deng, J.; Wang, H. A hybrid-bridge and hybrid modulation-based dual-active-bridge converter adapted to wide voltage range. IEEE J. Emerg. Sel. Top. Power Electron. 2019, 9, 910–920. [Google Scholar] [CrossRef]
  19. Hebala, O.M.; Aboushady, A.A.; Ahmed, K.H.; Abdelsalam, I.; Burgess, S.J. A New Active Power Controller in Dual Active Bridge DC-DC Converter with a Minimum-Current-Point-Tracking Technique. IEEE J. Emerg. Sel. Top. Power Electron. 2020, 9, 1328–1338. [Google Scholar] [CrossRef]
  20. Jiang, C.; Liu, H. A novel interleaved parallel bidirectional dual-active-bridge DC-DC converter with coupled inductor for more-electric aircraft. IEEE Trans. Ind. Electron. 2020, 68, 1759–1768. [Google Scholar] [CrossRef]
  21. Majmunović, B.; Maksimović, D. 400–48-V Stacked Active Bridge Converter. IEEE Trans. Power Electron. 2022, 37, 12017–12029. [Google Scholar] [CrossRef]
  22. Yamada, R.; Hino, A.; Wada, K. Improvement of Efficiency in Bidirectional DC-DC Converter with Dual Active Bridge Using GaN-HEMT. In Proceedings of the 2022 International Power Electronics Conference (IPEC-Himeji 2022-ECCE Asia), Himeji, Japan, 15–19 May 2022; IEEE: Piscataway, NJ, USA, 2022. [Google Scholar]
  23. Hou, N.; Zhang, Y.; Li, Y.W. A load-current-estimating scheme with delay compensation for the dual-active-bridge DC-DC converter. IEEE Trans. Power Electron. 2021, 37, 2636–2647. [Google Scholar] [CrossRef]
  24. Haneda, R.; Akagi, H. Power-Loss Characterization and Reduction of the 750-V 100-KW 16-KHz Dual-Active-Bridge Converter With Buck and Boost Mode. IEEE Trans. Ind. Appl. 2021, 58, 541–553. [Google Scholar] [CrossRef]
  25. Sha, D.; Wang, X.; Chen, D. High-efficiency current-fed dual active bridge DC-DC converter with ZVS achievement throughout full range of load using optimized switching patterns. IEEE Trans. Power Electron. 2017, 33, 1347–1357. [Google Scholar] [CrossRef]
  26. Xuewei, P.; Rathore, A.K. Novel interleaved bidirectional snubberless soft-switching current-fed full-bridge voltage doubler for fuel-cell vehicles. IEEE Trans. Power Electron. 2013, 28, 5535–5546. [Google Scholar] [CrossRef]
  27. Pan, X.; Rathore, A.K. Comparison of bi-directional voltage-fed and current-fed dual active bridge isolated DC-DC converters low voltage high current applications. In Proceedings of the 2014 IEEE 23rd International Symposium on Industrial Electronics (ISIE), Istanbul, Turkey, 1–4 June 2014; pp. 2566–2571. [Google Scholar]
  28. Bathala, K.; Kishan, D.; Harischandrappa, N. Current Source Isolated Bidirectional Series Resonant DC-DC Converter for Solar Power/Fuel Cell and Energy Storage Application. In Proceedings of the IECON 2021–47th Annual Conference of the IEEE Industrial Electronics Society, Toronto, ON, Canada, 13–16 October 2021; IEEE: Piscataway, NJ, USA, 2021. [Google Scholar]
  29. Wu, H.; Sun, K.; Li, Y.; Xing, Y. Fixed-frequency PWM-controlled bidirectional current-fed soft-switching series-resonant converter for energy storage applications. IEEE Trans. Ind. Electron. 2017, 64, 6190–6201. [Google Scholar] [CrossRef]
  30. Wu, H.; Ding, S.; Sun, K.; Zhang, L.; Li, Y.; Xing, Y. Bidirectional soft-switching series-resonant converter with simple PWM control and load-independent voltage-gain characteristics for energy storage system in DC microgrids. IEEE J. Emerg. Sel. Top. Power Electron. 2017, 5, 995–1007. [Google Scholar] [CrossRef]
  31. Justo, J.J.; Mwasilu, F.; Lee, J.; Jung, J.-W. AC-microgrids versus DC-microgrids with distributed energy resources: A review. Renew. Sustain. Energy Rev. 2013, 24, 387–405. [Google Scholar] [CrossRef]
  32. Mun, S.-H.; Choi, S.-W.; Hong, D.-Y.; Kong, S.-J.; Lee, J.-Y. Three-phase 11 kW on-board charger with single-phase reverse function. J. Power Electron. 2022, 22, 1255–1264. [Google Scholar] [CrossRef]
  33. Qin, Z.; Shen, Y.; Loh, P.C.; Wang, H.; Blaabjerg, F. A dual active bridge converter with an extended high-efficiency range by DC blocking capacitor voltage control. IEEE Trans. Power Electron. 2017, 33, 5949–5966. [Google Scholar] [CrossRef]
  34. Mazumder, S.K.; Rathore, A.K. Primary-side-converter-assisted soft-switching scheme for an AC/AC converter in a cycloconverter-type high-frequency-link inverter. IEEE Trans. Ind. Electron. 2010, 58, 4161–4166. [Google Scholar] [CrossRef]
  35. Harischandrappa, N. High-Frequency Transformer Isolated Fixed-Frequency DC-DC Resonant Power Converters for Alternative Energy Applications. Ph.D. Thesis, University of Victoria, Victoria BC, Canada, 2015. [Google Scholar]
  36. Harischandrappa, N.; Bhat, A.K.S. A 10 kW ZVS Integrated Boost Dual Three-Phase Bridge DC-DC Resonant Converter for a Linear Generator-Based Wave-Energy System: Design and Simulation. Electronics 2019, 8, 115. [Google Scholar] [CrossRef]
Figure 1. Block diagram of a distributed energy system.
Figure 1. Block diagram of a distributed energy system.
Energies 16 00258 g001
Figure 2. Isolated Bidirectional DC-DC Converter (a) Voltage-fed DAB converter (b) Current-fed DAB converter.
Figure 2. Isolated Bidirectional DC-DC Converter (a) Voltage-fed DAB converter (b) Current-fed DAB converter.
Energies 16 00258 g002
Figure 3. Model waveforms for voltage DAB converter (a) Forward mode (b) Reverse Mode and Current-fed converter (c) Forward mode (d) Reverse Mode.
Figure 3. Model waveforms for voltage DAB converter (a) Forward mode (b) Reverse Mode and Current-fed converter (c) Forward mode (d) Reverse Mode.
Energies 16 00258 g003
Figure 4. Modes of operation.
Figure 4. Modes of operation.
Energies 16 00258 g004
Figure 5. (a) CFIBDC Converter with switch Qb1 conducting in FM (b) CFIBDC Converter with switch Qb1 off.
Figure 5. (a) CFIBDC Converter with switch Qb1 conducting in FM (b) CFIBDC Converter with switch Qb1 off.
Energies 16 00258 g005
Figure 6. (a) Equivalent circuit of the converter with secondary referred to the primary side, (b). Phasor equivalent circuit at the output terminals of the inverter, (c). Equivalent circuit with the fundamental components of voltages.
Figure 6. (a) Equivalent circuit of the converter with secondary referred to the primary side, (b). Phasor equivalent circuit at the output terminals of the inverter, (c). Equivalent circuit with the fundamental components of voltages.
Energies 16 00258 g006
Figure 7. Triggering pulses for switches (Q1 to Q8), voltage (vab & vcd) and current (ip or iLr) of the converter (a) Forward mode (b) Reverse mode.
Figure 7. Triggering pulses for switches (Q1 to Q8), voltage (vab & vcd) and current (ip or iLr) of the converter (a) Forward mode (b) Reverse mode.
Energies 16 00258 g007
Figure 8. Equivalent circuits with the stray capacitance of the switches (a) input bridge and (b) output bridge in forward mode (c) output bridge (d) input bridge during the reverse mode of operation.
Figure 8. Equivalent circuits with the stray capacitance of the switches (a) input bridge and (b) output bridge in forward mode (c) output bridge (d) input bridge during the reverse mode of operation.
Energies 16 00258 g008
Figure 9. (a). Simulation results in FM mode with 100% Load at Vin(min) = 12 V, vab, vcd, ip and vcr. Soft-switching characteristics for the primary (Q1 to Q4) and secondary side (Q5 to Q8) switches are also shown. (b). Simulation results in FM mode with 10% Load at Vin(min) = 12 V, vab, vcd, ip and vcr. Soft-switching characteristics for the primary (Q1 to Q4) and secondary characteristics for the primary (Q1 to Q4) and secondary side (Q5 to Q8) switches are also shown.
Figure 9. (a). Simulation results in FM mode with 100% Load at Vin(min) = 12 V, vab, vcd, ip and vcr. Soft-switching characteristics for the primary (Q1 to Q4) and secondary side (Q5 to Q8) switches are also shown. (b). Simulation results in FM mode with 10% Load at Vin(min) = 12 V, vab, vcd, ip and vcr. Soft-switching characteristics for the primary (Q1 to Q4) and secondary characteristics for the primary (Q1 to Q4) and secondary side (Q5 to Q8) switches are also shown.
Energies 16 00258 g009
Figure 10. (a). Simulation results in FM mode with 100% Load at Vin(max) = 18 V, vab, vcd, ip and vcr. Soft-switching characteristics for the primary (Q1 to Q4) and secondary side (Q5 to Q8) switches are also shown. (b). Simulation results in forward mode (FM) with 10% Load at Vin(max) = 18 V, vab, vcd, ip and vcr. Soft-switching characteristics for the primary (Q1 to Q4) and secondary side (Q5 to Q8) switches are also shown.
Figure 10. (a). Simulation results in FM mode with 100% Load at Vin(max) = 18 V, vab, vcd, ip and vcr. Soft-switching characteristics for the primary (Q1 to Q4) and secondary side (Q5 to Q8) switches are also shown. (b). Simulation results in forward mode (FM) with 10% Load at Vin(max) = 18 V, vab, vcd, ip and vcr. Soft-switching characteristics for the primary (Q1 to Q4) and secondary side (Q5 to Q8) switches are also shown.
Energies 16 00258 g010
Figure 11. (a). Simulation results in reverse mode (RM) with 100% Load at VBattery = 48 V, vab, vcd, ip and vcr. Soft-switching characteristics for the primary (Q1 to Q4) and secondary side (Q5 to Q8) switches are also shown. (b). Simulation results in RM mode with 10% Load at VBattery = 48 V, vab, vcd, ip and vcr. Soft-switching characteristics for the primary (Q1 to Q4) and secondary side (Q5 to Q8) switches are also shown.
Figure 11. (a). Simulation results in reverse mode (RM) with 100% Load at VBattery = 48 V, vab, vcd, ip and vcr. Soft-switching characteristics for the primary (Q1 to Q4) and secondary side (Q5 to Q8) switches are also shown. (b). Simulation results in RM mode with 10% Load at VBattery = 48 V, vab, vcd, ip and vcr. Soft-switching characteristics for the primary (Q1 to Q4) and secondary side (Q5 to Q8) switches are also shown.
Energies 16 00258 g011
Figure 12. Forward Mode Case 1: At full load (a) Waveforms of vab, ip, vcd, and vcr (b) waveforms showing ZVS for switches Q1 & Q3 (c) waveforms showing ZCS for switches Q5 & Q7 (d) Waveforms of vo, io, vb, and idis; Case 2: (e) Waveforms of vab, ip, vcd and vcr (f) waveforms showing ZVS for switches Q1 & Q3 (g) waveforms showing ZCS for switches Q5 & Q7 (h) Waveforms of vo, vb, io and is.
Figure 12. Forward Mode Case 1: At full load (a) Waveforms of vab, ip, vcd, and vcr (b) waveforms showing ZVS for switches Q1 & Q3 (c) waveforms showing ZCS for switches Q5 & Q7 (d) Waveforms of vo, io, vb, and idis; Case 2: (e) Waveforms of vab, ip, vcd and vcr (f) waveforms showing ZVS for switches Q1 & Q3 (g) waveforms showing ZCS for switches Q5 & Q7 (h) Waveforms of vo, vb, io and is.
Energies 16 00258 g012
Figure 13. Reverse Mode Case 1: At full load (a) Waveforms of vab, ip, vcd and vcr (b) waveforms showing ZVS for switches Q5 & Q7 (c) waveforms showing ZCS for switches Q1 & Q3 (d) Waveforms of vo, vb, io and is; Case 2: (e) Waveforms of vab, vcd, ip and vcr (f) waveforms showing ZVS for switches Q5 & Q7 (g) waveforms showing ZCS for switches Q1 & Q3 (h) Waveforms of vo, vb, io and is.
Figure 13. Reverse Mode Case 1: At full load (a) Waveforms of vab, ip, vcd and vcr (b) waveforms showing ZVS for switches Q5 & Q7 (c) waveforms showing ZCS for switches Q1 & Q3 (d) Waveforms of vo, vb, io and is; Case 2: (e) Waveforms of vab, vcd, ip and vcr (f) waveforms showing ZVS for switches Q5 & Q7 (g) waveforms showing ZCS for switches Q1 & Q3 (h) Waveforms of vo, vb, io and is.
Energies 16 00258 g013
Figure 14. Conduction, turn-off, transformer and body diode losses of the CFIBDC converter at various input voltages (Vin(min), Vin(max) and Vo) and loads (100%, 50% and 10% of load).
Figure 14. Conduction, turn-off, transformer and body diode losses of the CFIBDC converter at various input voltages (Vin(min), Vin(max) and Vo) and loads (100%, 50% and 10% of load).
Energies 16 00258 g014
Figure 15. Efficiency of the current-fed isolated bidirectional DC-DC converter (CFIBDC) at various input voltages (Vin(min), Vin(max) and Vo) and loads (100%, 50% and 10% of load).
Figure 15. Efficiency of the current-fed isolated bidirectional DC-DC converter (CFIBDC) at various input voltages (Vin(min), Vin(max) and Vo) and loads (100%, 50% and 10% of load).
Energies 16 00258 g015
Figure 16. Comparison of efficiencies of various dual active bridge converters with CFIBDC converter.
Figure 16. Comparison of efficiencies of various dual active bridge converters with CFIBDC converter.
Energies 16 00258 g016
Figure 17. Comparison of current stress of various dual active bridge converters with CFIBDC converter.
Figure 17. Comparison of current stress of various dual active bridge converters with CFIBDC converter.
Energies 16 00258 g017
Table 1. Specifications of the converter.
Table 1. Specifications of the converter.
ParameterSpecification
Output power (Po)135 W
Output voltage (Vo)48 V
Switching frequency (fs)100 kHz
DC Input supply (VPV)12–18 V
Table 2. Designed values of the converter.
Table 2. Designed values of the converter.
ParameterSpecification
Frequency ratio (F)1.1
Gain (M)0.95
Vo reflected to the primary side ( V o )42.75 V
Transformer turns ratio (1:n)1.12
Load resistance (RL) 13.6 Ω
Resonant Inductor (Lr)23.8 µH
Resonant Capacitor (Cr)0.128 µF
Impedance (Zab) 11.02 + j2.52 Ω
Peak current (ILr)4.71 A
Peak voltage (Vcp)65.5 V
Filter inductance (Lo)≤403.4 µH
Filter capacitance (Co)≥1405 µF
Table 3. Comparison of theoretical and simulation values in forward mode with an input voltage Vin = 12V(min) & 18V(max). and reverse mode with an input voltage V2 or Vo = 48 V.
Table 3. Comparison of theoretical and simulation values in forward mode with an input voltage Vin = 12V(min) & 18V(max). and reverse mode with an input voltage V2 or Vo = 48 V.
Parameter Forward Mode Reverse Mode
Vin(min) = 12 V Vin(max) = 18 V V2 = 48 V
100% Load 10% Load Full Load10% LoadFull Load 10% Load
Cal.Sim.Expt.Cal.Sim.Expt.Cal.Sim.Cal.Sim.Cal.Sim.Expt.Cal.Sim.Expt.
Vload(V)4844484849504844.8484942.739.85042.74350
Iload(A)2.812.572.50.280.30.62.812.620.280.293.14.382.80.310.460.6
Isr,peak3.924.451.091.230.53.934.411.291.453.94.3850.410.460.5
Vcp62.956.8525.712.91462.957.15.71562.958555.76.2916
δ (o)180180170170180170179179165165
ZVS/ZCSAllAllAllAllAllAllAllAllAllAll
Table 4. Comparison of efficiencies of different topologies with proposed current-fed isolated bidirectional DC-DC converter (CFIBDC) (Percentage of output power (% of Po) Vs. Efficiency of Topologies given with reference number).
Table 4. Comparison of efficiencies of different topologies with proposed current-fed isolated bidirectional DC-DC converter (CFIBDC) (Percentage of output power (% of Po) Vs. Efficiency of Topologies given with reference number).
% of Po[7][8][10]CFIBDC
1084.577.56983.02
2086.579.57486.5
308883.589.590
4090.5898294.5
509192.583.595.19
6091.592.58494.3
7092938694
809393.58794.2
9093.2948894.3
10093.5958994.6
Table 5. Comparison of current stress in different topologies with current stress of proposed converter CFIBDC (Percentage of output power (% Po) Vs. Current of Topologies given with reference number).
Table 5. Comparison of current stress in different topologies with current stress of proposed converter CFIBDC (Percentage of output power (% Po) Vs. Current of Topologies given with reference number).
% of Po[7]
(Amp)
[8]
(Amp)
[10]
(Amp)
CFIBDC
(Amp)
102.20.830.81.23
202.711.51.42
303.71.32.31.6
40- 1.4532
50- 1.673.42.33
60- 1.823.82.5
70- 2.152.8
80- 2.55.23.2
90- 2.755.83.7
100- 2.8364.4
Disclaimer/Publisher’s Note: The statements, opinions and data contained in all publications are solely those of the individual author(s) and contributor(s) and not of MDPI and/or the editor(s). MDPI and/or the editor(s) disclaim responsibility for any injury to people or property resulting from any ideas, methods, instructions or products referred to in the content.

Share and Cite

MDPI and ACS Style

Bathala, K.; Kishan, D.; Harischandrappa, N. Soft Switched Current Fed Dual Active Bridge Isolated Bidirectional Series Resonant DC-DC Converter for Energy Storage Applications. Energies 2023, 16, 258. https://doi.org/10.3390/en16010258

AMA Style

Bathala K, Kishan D, Harischandrappa N. Soft Switched Current Fed Dual Active Bridge Isolated Bidirectional Series Resonant DC-DC Converter for Energy Storage Applications. Energies. 2023; 16(1):258. https://doi.org/10.3390/en16010258

Chicago/Turabian Style

Bathala, Kiran, Dharavath Kishan, and Nagendrappa Harischandrappa. 2023. "Soft Switched Current Fed Dual Active Bridge Isolated Bidirectional Series Resonant DC-DC Converter for Energy Storage Applications" Energies 16, no. 1: 258. https://doi.org/10.3390/en16010258

APA Style

Bathala, K., Kishan, D., & Harischandrappa, N. (2023). Soft Switched Current Fed Dual Active Bridge Isolated Bidirectional Series Resonant DC-DC Converter for Energy Storage Applications. Energies, 16(1), 258. https://doi.org/10.3390/en16010258

Note that from the first issue of 2016, this journal uses article numbers instead of page numbers. See further details here.

Article Metrics

Back to TopTop