Next Article in Journal
Premises for the Future Deployment of Automated and Connected Transport in Romania Considering Citizens’ Perceptions and Attitudes towards Automated Vehicles
Previous Article in Journal
The Effect of J-Groove on Vortex Suppression and Energy Dissipation in a Draft Tube of Francis Turbine
 
 
Font Type:
Arial Georgia Verdana
Font Size:
Aa Aa Aa
Line Spacing:
Column Width:
Background:
Article

Temperature Variation Law of Core Tube Wall during Coring in Different Strength Coal Seams: Experiment and Modelling

1
School of Safety Science and Engineering, Henan Polytechnic University, Jiaozuo 454000, China
2
State Key Laboratory Cultivation Base for Gas Geology and Gas Control, School of Safety Science and Engineering, Henan Polytechnic University, Jiaozuo 454000, China
3
School of Safety Science and Engineering, Anhui University of Science and Technology, Huainan 232001, China
*
Authors to whom correspondence should be addressed.
Energies 2022, 15(5), 1703; https://doi.org/10.3390/en15051703
Submission received: 1 January 2022 / Revised: 10 February 2022 / Accepted: 20 February 2022 / Published: 24 February 2022

Abstract

:
Temperature is the primary factor affecting the law of coal gas desorption. When the core method is used to measure the coal seam gas content (CSGS), the temperature of the coal core sample (CCS) will increase. The heat generated by the core bit cutting and rubbing the coal during coring is transferred to the CCS through the core tube, resulting in the temperature rising of the CCS. Because the CCS entering the core tube during coring is a dynamic process, the temperature of CCS is difficult to measure. To solve this problem, the temperatures of the core tube wall during coring in the Jiulishan coal mine (JLS), Guhanshan coal mine (GHS) and Zhaogu coal mine (ZG) at the core depth of 20 m were measured by the self-designed temperature measuring device. The thermodynamic models of the core bit and the core tube during coring were established. The reliability of the model was verified by comparing the numerical simulation results with the field measurement results. The verified model was used to predict the temperature changes of the core tube wall during coring in different strength coal seams and different core depths. The results show that the temperature change of the core tube wall was divided into a slowly temperature rising stage Ⅰ, a fast temperature rising stage Ⅱ and a slowly temperature rising and slowly temperature falling stage Ⅲ, which correspond to the process of pushing the core tube, drilling the CCS and early stage and later stage of withdrawing the core tube, respectively. The maximum temperature of the core tube wall appears in the first 3 min of withdrawing the core tube, and increases with the core depth increasing. The temperature of the measuring point at the end of drilling the CCS and the maximum temperature during coring linearly increase with the core depth. The temperature heating rate of the core tube is negatively linear, with the coal seam strength during pushing the core tube wall process. However, the temperature heating rate of the core tube wall is positively linear with the coal seam strength during drilling the CCS process. This study can provide a basis for further research on the dynamic distribution characteristics of temperature in the CCS during coring, which is of profound significance to calculate the gas loss amount and CSGC.

1. Introduction

The accurate determination of the coal seam gas content (CSGC) is significant for the safety of coal mines and CBM (coalbed methane) exploitation [1,2]. It is mainly determined by two methods: one is the direct method developed by Bertard et al. [3] and Kissell et al. [4]; the other is the indirect method [5]. The indirect method has many parameters, resulting in cumulative error and a long measurement period; the direct method is the primary method to measure the CSGC, which is widely applied both in China and the United States [6,7,8]. The error of this method comes from the calculation of the gas loss amount [9,10,11,12]. In China, the core tube sampling method is recommended to obtain the coal core samples (CCS) [13]. However, the friction between the core bit and the core tube and the coal during coring generates heat, which is transmitted to the CCS and leads to temperature of the CCS rising [14]. Previous studies show that the adsorption capacity and adsorption amount of gas decreases with the increasing of the coal temperature, and the high temperature promotes gas desorption, which results in the increase of the gas loss amount during coring [15,16,17,18,19,20,21,22,23]. As the CCS is in a variable temperature environment during coring, the error of calculating the gas loss amount during coring by using the law of gas desorption under normal temperature and pressure is large, which leads to gas outburst in low-gas mines [24]. Therefore, it is necessary to study the variation law of the CCS temperature and gas desorption law during coring, so as to accurately calculate the gas loss amount and the CSGC. However, the temperature of CCS during coring is difficult to be measured in field or laboratory for the following reasons. First, it is a dynamic process that the CCS enters the core tube during coring; second, it is difficult to obtain large coal; third, the stress state of coal is difficult to be realized in a laboratory. Research on the temperature change of the core tube wall during coring may provide a new way for research on the temperature change law of CCS.
Many researchers have studied the heat produced by a bit during drilling. Heidari et al. [25] found that the cutting friction between the drill bit and the wall of hole in the process of drilling rock resulted in the temperature of the drill bit reaching about 500 °C. The instantaneous high temperature of the drill bit reached 1000 °C, while between 70% with 95% of the energy obtained by the drill bit was consumed in heating. Sakurai et al. [26] found that the absorption coefficient of the drilling tool affected the cutting temperature by simulating the heat distribution of twist drill pipe drilling. When the cutting edge breaks hard rock, most of the cutting work is converted to cutting heat, causing the temperature of bit to rise rapidly. Babak et al. [27] systematically studied the influence of bit design parameters on cutting temperature, and concluded that the bit screw angle, drilling location and lithology had a significant impact on the rising of temperature caused by the clog of the drain hole. Delgadillo et al. [28] found that the spindle speed and thrust speed of the drill had a great influence on the bit heating, and the bit temperature rose rapidly to 100 °C within 5 s during dry drilling. The heat generated during drilling rock was mainly affected by the geometrical shape of drilling tool, thermal properties and drilling parameters, such as cutting force, cutting speed and propulsion speed. The average rising temperature of cutting edge was proportional to the square root of propulsion speed when other conditions were the same [29].
The above studies help to understand the temperature distribution characteristics of drilling tools when during bit breaking rock and mechanical drilling. However, the influence of coal strength on the temperature of the core tube wall in the process of sampling by the core tube method has been scarcely studied. In this study, the temperature of the core tube wall surface during coring for the core depth of 20 m were measured by the self-designed temperature measuring device in the Jiulishan coal mine (JLS), Guhanshan coal mine (GHS) and Zhaogu coal mine (ZG). The thermodynamic models of the core bit and the core tube during coring were established, and the reliability of the model was verified by comparing the numerical simulation results with the field measurement results. The temperature changes of the core tube wall during coring in different intensity of coal seam (JLS, GHS and ZG) were predicted using this model. The influence of factors such as the core depth and the coal strength on the temperature variation law of the core tube wall during coring was also studied. The study results provide a basis for the study of CCS temperature change law and gas desorption law during coring, so as to further improve the CSGS determination of coring technology.

2. Coal Sample Parameters

2.1. Coal Basic Parameters

The coal samples with different coal strength used in the test were collected from the Jiulishan coal mine (JLS), Guhanshan coal mine (GHS) and Zhaogu coal mine (ZG) in Jiaozuo, Henan province, China. The physical parameters of coal samples were tested, and the testing procedures were in accordance with Chinese National Standards (GB/T217-2008, GB212-200, GB/T23561.12-2010). The physical parameters of coal samples are shown in Table 1, including Mad (moisture), Aad (ash content), Vad (volatile matter), TRD (true relative density), ARD (apparent relative density), porosity (φ) and f value. The Protodyakonov coefficient f represents the strength of the coal seam [30], and was tested by the drop hammer method [31]. The larger the coal strength, the greater the f value [32].

2.2. Coal Mechanical Parameters

The HZ-15 Electric Corer (Figure 1a) produced by Xingao Weiye Technology Co. Tianjin China, LTD was used to take the coal core block (Figure 1b), and a coal pillar with a diameter of 50 mm was obtained (Figure 1c). Then, the TCHR-Ⅱ Cutting Mill (Figure 1d) produced by Jieke machinery factory Jiangyanqu China was used to cut and ground both ends of the coal pillar to obtain the required coal sample (Figure 1e). Uniaxial compression test was conducted on the RE-8100SZ electro-hydraulic servo rock triaxial testing machine (Figure 1f) to obtain the stress-strain curves of the coal samples, and the results are shown in Figure 2. According to the data of Figure 2, the strength parameters of different coal samples are calculated. The compressive strength of coal samples in JLS, GHS and ZG are 14.15 MPa, 22.39 MPa and 30.90 MPa, respectively. The elastic moduli are 598.85 MPa, 882.91 MPa and 1162.68 MPa, respectively. Poisson ratios are 0.34, 0.31 and 0.28, respectively.
The relationship between mechanical parameters of coal samples and f value is shown in Figure 3. As shown in Figure 3, both the elastic modulus and Poisson’s ratio of coal body have a linear relationship with the f value. The elastic modulus has a positively linear correlation with the f value, while Poisson’s ratio has a negatively linear correlation with the f value. The relationship curves are as follows
E = 269.7 + 552.8 f   ( R 2 = 0.99 )
n u = 0.38 0.059 f   ( R 2 = 0.99 )
where E is the elastic modulus and nu is the Poisson’s ratio.

2.3. Friction Coefficient

The friction coefficient of the coal and steel was measured on an Amsler Friction and Wear Tester. The test results of friction coefficient between different coal samples and steel are shown in Figure 4. It can be seen from Figure 4 that the friction coefficient of different coal samples fluctuates greatly, and has a large value at the initial stage (about the first 3 min of contacting between coal and steel plate), then decreases a stable value at the end of the test. This is because the coal surface is the coarsest and the friction coefficient rises quickly in the initial stage of friction test. After that, the wear track becomes smooth with the further progress of coal surface wear, and the friction coefficient begins to decline, finally reaching a stable value, which is the friction coefficient of coal sample and steel. According to Figure 4, the friction coefficients of coal samples and steel in JLS, GHS and ZG are 0.4, 0.34 and 0.27, respectively.
Figure 5 shows the relationship between friction coefficient and f value. As shown in Figure 5, friction coefficients of different coal samples are negatively linear correlated with the f value, and the relationship curves are as follows
U = 0.48 0.13 f   ( R 2 = 0.999 )
where U is the friction coefficient.

3. Field Test of Core Tube Wall Temperature during Coring

3.1. Temperature Measuring Device for Coring Process

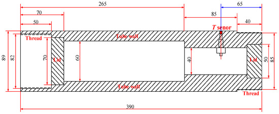
The automatic temperature acquisition device of the core tube wall is mainly composed of four parts: the core bit, the core tube, the thermocouple sensor and the automatic temperature acquisition system, which are shown in Figure 6. The core tube is a cylindrical hollow tube with open ends of stainless steel, a diameter of 89 mm and a length of 390 mm, which is used to install the automatic temperature acquisition system and temperature sensor inside. The diameter of the core bit is 108 mm, and is connected to the core tube by thread. The position of the temperature sensor is arranged on the tube wall. The measurement range of the temperature sensor is between 0 °C and 300 °C, and the measurement error is fluctuation of 0.5 °C. The automatic temperature acquisition system is mainly composed of micro control unit module, temperature signal conditioning module, data storage module, real-time clock module, monitoring module and power module. The entire temperature acquisition device needs to be installed on the well, and each module can work continuously for 24 h after initialization.

3.2. Field Test Site and Test Procedure

The temperature measurement tests of core tube wall during coring were carried out in JLS, GHS and ZG in Jiaozuo, Henan Province, China. The test sites were 14,141 working face in No.14 mining area of JLS, 16,041 working face in No.16 mining area of No.2 coal seam of GHS and 14,030 mining face in No.2 of ZG. The test drilling rig was a Tiefulai ZDY4500LXY crawler hydraulic drilling rig produced by China Henan TFL Mechinery and Manufacturing CO., LTD with the rated torque between 1000 N × m and 4500 N·m, and the rated speed between 60 r/min and 215 r/min. The diameter of the core bit and the core tube were 113 mm and 89 mm, respectively. The core tube and the drill pipe were connected by a reducer joint (Figure 6). Considering that the depth of the borehole should exceed the depth of the heat regulating ring in the roadway and the endurance time of the temperature measuring device, the temperature of the measuring point on the core tube wall during coring were measured at the depth of 20 m.
The coring process includes five processes, namely drilling the hole, withdrawing the drill pipe, pushing the core tube, drilling the CCS and withdrawing the core tube, which are shown in Figure 7. Combined with Figure 7, the test steps of the measuring point temperature on the core tube during coring are as follows: (1) The coring hole was constructed at the target of coal seam, as shown in Figure 7a. When the drilling bit reached 20 m, the drilling was stopped and the drilling pipe was cleaned by high pressurized air, as shown in Figure 7b, and the shaped hole was obtained, as shown in Figure 7c; (2) the drilling bit was removed quickly, the core bit installed, and the core tube pushed the core bit to the bottom of the hole, as shown in Figure 7d, and then drilled CCS, as shown in Figure 7e, the core tube was withdrawn and the drill pipe when the CCS was filled with the core tube, as shown in Figure 7f; and (3) after completion of the coring process, the CCS was poured into the desorption tank for sealed preservation. The temperature test of the core tube wall during coring with the depth of 20 m was completed. The experimental process of the other coal mines test is the same as the above steps.
The three processes, such as pushing the core tube, drilling the CCS and withdrawing the core tube, are the heat sources that cause the rising of temperature on the core tube wall and the CCS. Therefore, only these three processes need to be considered in the temperature measurement of the core tube wall during coring.

3.3. Temperature Measurement Results of Measuring Point on the Tube Wall

The temperature changes of measuring point on the core tube wall in JLS, GHS and ZG (different strengths of coal) during coring at the core depth of 20 m are as shown in Figure 8a–c, respectively. The required time and temperature heating rate of each stage in the coring process are as shown in Table 2. The temperature variation trend of measuring points on the core tube wall is basically the same with different strengths of coal. The temperature change of the core tube wall goes through three stages during coring: Ⅰ slowly temperature rising stage; Ⅱ rapidly temperature rising stage; Ⅲ slowly temperature rising and slowly cooling stage, as shown in Figure 8.
As can be seen from Figure 8 and Table 2, in the stage of I, the temperature of the core tube wall rises slowly, which corresponds to the process of pushing the core tube. The main reason for the temperature rising of the core tube is that the borehole may deform or even collapse due to the influence of gravity and in-situ stress at lower strength coal seam (Figure 9a). By observing the boreholes with an endoscope, we found that the holes after drilling in JLS are shown as Figure 9a, while the holes in GHS and ZG are shown as Figure 9b,c, respectively. The lower the coal strength, the greater the possibility of borehole collapses. The more serious the hole collapse is, the more heat generated by the friction between the core bit and the core tube and the coal body in the process of drilling, and the faster the temperature of the core tube wall rising. The heating rates of JLS, GHS and ZG in this stage are 3.04 °C/min, 1.34 °C/min and 1.1 °C/min, respectively. The tests reveal that the most heat is generated during pushing the core tube stage in JLS of the lowest coal strength.
In the stage of Ⅱ, the temperature rises rapidly, which corresponds to the process of drilling the CCS. In this process, the core bit generates heat when cutting coal, which rapidly increases the temperature of the core tube wall. The greater the coal strength, the greater the heat generated when drilling CCS, resulting in a faster heating rate. The heating rates of JLS, GHS and ZG in this stage are 8.64 °C/min, 16.67 °C/min and 21.13 °C/min, respectively. As the length of the core tube is 1.0 m, it all takes 3 min to collect the CCS in different coal seams. This indicates that the most heat is generated during drilling the CCS stage in ZG of the maximum coal strength.
In the stage of Ⅲ, the temperature firstly rises slowly, which corresponds to the first 3 min when withdrawing the coal core tube. In this process, the temperature of the core bit is higher than that of the core tube, and then the heat will continue to be transmitted to the core tube, making the temperature of the measuring point on the core tube wall rise slowly until it reaches the maximum temperature (the red circled part as shown in Figure 8). The stage of slow temperature decline corresponds to the later stage of withdrawing the core tube from the borehole. Meanwhile, the cooling rate of the core tube wall is lower than the natural cooling rate, due to the heat generated by the friction between the core tube wall and the borehole.

3.4. Heat Transfer Model of Coring Process

The coring process can be regarded as the rotating jump fracture process of drill bit under the action of axial pressure and rotary cutting force. The coal body during drilling must undergo surface micro-cracks, elastic deformation, plastic deformation and other processes, resulting in cracks and expansion, and finally lead to brittle fracture. The brittle fracture stage is the main stage in which a large number of new surfaces and coal spalling become debris, and the thermal work conversion mainly occurs in this stage [33]. The heat generated is distributed between the drill bit and the coal, and is reflected as the temperature increase of them. When the drill bit breaks and invades the coal, the axial displacement of the drill bit per unit time is very small, so the work done by the axial force is almost negligible. The friction and wear between the bit and the coal is the main factor leads to the bit heating up. Therefore, the rising of the temperature for the bit is mainly composed of two parts: one is the shear heat generated by the coal shear failure under the action of the bit edge; and the other is the heat generated by the friction between the bit and the coal and the debris not discharged in time [34].
The increase of the temperature for the core bit is not only affected by drilling speed and torque, bit diameter, physical characteristics of coal and stress state of coal, but also by the number of cutting edges, cutting angle, leading edge surface, trailing edge surface, side edge surface and other factors. In addition, the level of operation of the rig operator is also an important factor for the temperature change of the core bit [35]. If human factors are excluded, material parameters, drilling parameters, coal stress state and physical properties are the main factors affecting the core bit temperature during drilling [36].

3.5. The Core Bit—The Core Tube Heat Conduction Theory

Heat generated by the core bit cutting the coal will be transmitted from the core bit to the core tube wall. In the temperature test of the measuring point on the core tube during coring, we tested the three stages of pushing the core tube, drilling CCS and withdrawing the core tube, and the heat generated not only exchanged with outside, but also conducted between the core bit and the core tube.
The differential equation of transient temperature field in the core bit—core tube in Cartesian coordinate system satisfies Formula (4) [37].
ρ c s T t x ( k x T x ) y ( k y T y ) z ( k z T z ) Q = 0       ( In   Ω )
The boundary conditions are as Formulas (5)–(8)
T = T ¯ ( In   Γ 1   boundary )
k x T x n x + k y T y n y + k z T z n z = q   ( In   Γ 2   boundary )
k x T x n x + k y T y n y + k z T z n z = h ( T T )   ( In   Γ 3   boundary )
Γ = Γ 1 + Γ 2 + Γ 3
where ρ is the material density, kg/m3; cs is the specific heat capacity of materials, J/kg·°C; kx, ky, kz are the thermal conductivity of the material along the X, Y and Z directions, respectively, W/(m·K); Q is the density of the heat source inside the object, W/m3; nx, ny, nz are the direction cosine of the normal outside the boundary; T is the given temperature on the Γ1 boundary, °C; q is the given heat flux on the Γ2 boundary, W/m2; T is the external ambient temperature in natural convection condition on the Γ3 boundary (in forced convection condition, it is the adiabatic wall temperature of the boundary layer); Γ1, Γ2, Γ3 boundary are also called the first, the second and the third boundary conditions; and h is the convective heat transfer coefficient, W/(m2·°C).

3.6. Core Bit—Core Tube Physical Model Establishment

According to the size of the core tube and the core bit which are shown as Figure 10, the connection model between the core bit and the core tube was established, as shown in Figure 11. The core tube model, the core bit model and the overall model of the core tube and the core bit are shown in Figure 11a–c, respectively. The coring system includes four parts, such as the core bit, the core tube, the coal and methane in the borehole. The parameters of materials are shown as Table 3.

3.7. Numerical Calculation Results and Model Validation

There are three stages that cause the temperature rising of the core tube wall during coring. They are as follows: (a) the friction heat between the side of the core bit and the coal body during pushing the core tube process (the first stage); (b) the cutting and friction heat of the core bit during drilling the CCS process (the second stage); (c) heat transferring between gas and the core tube during withdrawing the core tube process (the third stage).
By using the established model, the temperature of measuring points on the core tube wall of coal seams with different strengths during coring at core depth of 20 m was obtained. The results of numerical simulation results and field measurement results are as shown in Figure 12. Temperature changes of measuring points during coring in JLS, GHS and ZG are as shown in Figure 12a–c, respectively. As can be seen from Figure 12, the variation trend and the quantitative results of temperature at the measuring point obtained by numerical simulation are consistent with the experimental results. When coring in different strengths of coal seams with 20 m core depth, the relative error between the field core wall temperature and the numerical simulation results is between -8% and 8%, which meets the engineering requirements. In short, the numerical simulation results of measured point temperature are basically consistent with the test results. Therefore, the model and algorithm proved feasible and effective.

4. Prediction of the Core Tube Wall Temperature during Coring of Coal Seam with Different Strengths

The above model is used to simulate the temperature of the core tube wall in the deep coring process of JLS, GHS and ZG, and predict the temperature of the core tube wall at different core depths. At the same time, the temperature changes of the core tube wall in three stages of the process of coal seam with different strengths are studied.

4.1. JLS

Figure 13 shows the temperature cloud diagram of the core bit-core tube at the end of three stages with the core depth of 100 m in JLS. The temperature of the core bit is the highest during coring, as the heat generation position during coring is at the cutting edge and friction surface of the core bit. At the end of the first stage, the heat begins to transfer from the core bit to the core tube, and the temperature of the core tube wall which is near the core bit tends to increase. At the end of the second stage, the heat transfer from the core bit to the core pipe shows that the closer to the core bit, the higher the temperature of the core tube wall. The temperature of the core tube wall is negatively correlated with the distance of the core bit. At the end of the third stage, heat has transferred to the other end through the core pipe near one end of the core bit. As can be seen from Figure 13, the maximum temperature of the core bit during drilling CCS is 188.7 °C in JLS.
Figure 14 shows the temperature change of measuring point on the core tube wall at different core depths in JLS. The temperature of measuring point has the same change trend under different core depths during coring. With the core depth increase, the temperature of measuring point rises. The reason for this is that the time of pushing the core tube stage (the first stage) is needed for longer with the increase of core depth, and the more friction heat produced by the core bit and the coal body, the higher the temperature of the measuring point.
The temperature of measuring point on the core tube at the end of the second stage and the maximum temperature during coring in JLS both increased linearly with the core depth, which is shown in Figure 15.

4.2. GHS

Figure 16 shows the temperature variation cloud diagram of the core bit and the core tube wall at the core depth of 100 m in GHS. It can be seen from Figure 15 that the maximum temperature of the core bit reached 431.4 °C at the end of the second stage in GHS, and the temperature of the core bit and the core tube wall closing to the core bit were evenly distributed at about 53 °C when exiting the borehole.
Figure 17 shows the prediction of temperature of the measuring point on the core tube wall in GHS during coring at different core depths. As is shown from Figure 17, the temperature at the measuring point has the same change trend at different core depths in GHS, and with the increase of core depth, the temperature at the measuring point gradually increases. The maximum temperature reached 127 °C at the core depth of 100 m, which is much smaller than the core bit temperature. This is because there is a distance between the measuring point and the core bit, and the core process is in an open environment bit. Heat will dissipate when it transferred from the core bit to the core tube wall, resulting in the temperature of the measuring point being much less than the core bit.
The temperature of measuring point on the core tube at the end of the second stage and the maximum temperature during coring in GHS both increased linearly with the core depth, which is shown in Figure 18.

4.3. ZG

Figure 19 shows the temperature variation cloud diagram of the core bit and the core tube at the core depth of 100 m in ZG. It can be seen from Figure 19 that the maximum temperature of the core bit reached 470 °C at the end of the first stage during coring in ZG. The temperature of the core bit and the core tube near the bit was evenly distributed at about 65.6 °C at the end of the three stages during coring.
Figure 20 shows the prediction of temperature of the measuring point on the core tube wall in ZG during coring at different core depths. As is shown from Figure 20, the temperature at the measuring point has the same change trend at different core depths in ZG, and with the increase of core depth, the temperature at the measuring point gradually increases. The maximum temperature reached 120 °C at the core depth of 100 m, which is much smaller than the core bit temperature, which is consistent with the law of JLS and GHS.
The temperature of measuring point on the core tube at the end of the second stage and the maximum temperature during coring in ZG both increased linearly with the core depth, which is shown in Figure 21.

4.4. Influence of Coal Strength on Pipe Wall Temperature in Coring Process

To study the influence of coal strength on the temperature change of the core tube wall during coring, the predicted temperatures of measuring point on the core tube wall in different coal seams with different core depths were compared, and the results are shown in Figure 22. Obviously, the temperature change of the core tube wall during coring can be divided into three stages: the first stage Ⅰ, the second stage Ⅱ and the third stage Ⅲ. It can be seen from Figure 22 that the temperature changes of the core tube wall in JLS and the other two coal mines are different at the same core depth. The temperature heating rate of JLS is much faster than that of the other two mines in the first stage, while there is little difference in the temperature heating rate of GHS and ZG. At the same time, the temperature heating rate of JLS is obviously lower than that of GHS and ZG in the second stage during coring, while the difference between GHS and ZG is relatively small.
Figure 23 shows the temperature heating rate of the first stage (K1) and the second stage (K2) at core depths of 30 m, 50 m, 70 m and 100 m under different coal seam strengths. According to Figure 23a, there is little difference in the heating rate of the first stage when drilling and coring the same coal seam, because the same drilling parameters are used and the mechanical parameters of the coal body are consistent. The heating rates of JLS, GHS and ZG in the first stage at the core depth of 30 m are 3.32 °C/min, 1.17 °C/min and 0.73 °C/min, respectively. The heating rates of JLS, GHS and ZG in the first stage at the core depth of 100 m are 2.96 °C/min, 1.15 °C/min and 0.74 °C/min, respectively. The average heating rate of the first stage during coring is negatively linear correlated with the f value (Figure 24). The reasons are as follows: (a) although the hole is constructed with a large drill bit before coring, the hole may be deformed under the influence of stress and other factors with the withdrawal of the reaming bit, resulting in a reduction of the cross-sectional area. The smaller the f value is, the more serious the hole collapse phenomenon is; and (b) as shown in Figure 9a,b, the hole of JLS collapses seriously, and the higher friction heat generated by the core bit and the coal wall during pushing the core tube, resulting in the rapidly rising of temperature at the measuring point on the core tube wall.
As can be seen from Figure 23b, the heating rates of JLS, GHS and ZG in the second stage at the core depth of 30 m are 6.63 °C/min, 12.26 °C/min and 13.78 °C/min, respectively. The heating rates of JLS, GHS and ZG in the second stage at the core depth of 100 m are 7.18 °C/min, 15.11 °C/min and 16.48 °C/min, respectively. This indicates that the higher the coal seam strength is, the higher the heating rate of the second stage of coring process is. The reasons for this are as follows: the harder the coal body, the greater the cutting heat, and friction heat during coring under the same drilling parameters, the faster the temperature rising in the core tube. As shown in Figure 9b,c, the coal body of GHS and ZG has larger coal strength and better pore formation, and the pore wall is relatively smooth. The heat generated by the friction between the core bit and the coal wall during pushing the core tube is less, resulting in a slowly rising of temperature at the measuring point on the core tube. With the increase of the core depth, the heating rate of the second stage of coring process increases slightly. With JLS as an example, the heating rates of the second stage of JLS are 6.47 °C/min, 6.63 °C/min, 6.83 °C/min and 7.18 °C/min, respectively. The average heating rate of the second stage during coring is positively linear correlated with the f value (Figure 24).

4.5. Limitations and Future Work

The friction between the core bit and the core tube and the coal wall during coring produces heat, and the heat from the core bit and the core tube wall is transmitted to the CCS, resulting in the temperature increase of the CCS. With the increase of the coal core temperature, the gas adsorption capacity decreases, which accelerates the gas desorption of CCS and increases the gas loss amount during coring. As the CCS is in a variable temperature environment during coring, the error of calculating the gas loss amount during coring by using the law of gas desorption under normal temperature and pressure is large. Therefore, we adopt numerical simulation method to study the temperature of CCS during coring, which is the basis of research on gas loss during coring process. In our future work, we will study the CCS temperature variation law during coring and its influence on the gas loss, and finally calculate the gas loss amount in the process of coring. The challenge of this study is that the numerical simulation simplifies boundary conditions and material properties, resulting in differences between numerical simulation results and field experimental test results. Therefore, we will further refine the heat transfer model of the coring process in our next research.

5. Conclusions

In this paper, based on the self-designed temperature measuring device, the temperature of the core tube wall during coring at the core depth of 20 m in JLS, GHS and ZG were measured. The heat transfer model of the core bit—core tube during coring was established. The reliability of the model was verified by comparing the numerical simulation results with the field measurement results. Using the verified model, we predicted the temperature of the core tube wall at different core depths in different strength coal seams, such as JLS, GHS and ZG. The effects of the core depth and the coal strength on the temperature of the core tube wall during coring were studied by numerical analysis. The results show the following:
(1)
The temperature change of the core tube wall during coring can be divided into three stages—the slowly rising stage, fast rising stage, slowly rising and slowly falling stage—which correspond to the process of pushing the core tube, drilling the coal core sample, early stage and later stage of withdrawing the core tube, respectively.
(2)
The maximum temperature of the core tube wall appears in the first 3 min of withdrawing the core tube, and increases alongside the core depth. The temperature of the measuring point at the end of drilling the CCS and the maximum temperature during coring linearly increase with the core depth.
(3)
The temperature heating rate of the core tube is negatively linear, with the coal seam strength during pushing the core tube wall process. Meanwhile, the temperature heating rate of the core tube wall is positively linear with the coal seam strength during drilling the coal core sample process.

Author Contributions

Writing—review and editing, writing—original draft preparation and formal analysis, Q.W.; conceptualization, methodology, resources, funding acquisition, supervision and project administration, Z.W.; software, J.Y.; validation, F.A.; investigation, J.D.; and data curation and visualization, Y.S. All authors have read and agreed to the published version of the manuscript.

Funding

This research was financially funded by the National Natural Science Foundation of China, grant number 52074107; 52174172; and 52104224, the scientific research start-up fund for high-level talent introduction of Anhui University of Science and Technology, grant number 2021yjrc45, the key natural science research projects of colleges and universities in Anhui Province, grant number KJ2021A0459.

Institutional Review Board Statement

Not applicable.

Informed Consent Statement

Not applicable.

Data Availability Statement

Not applicable.

Acknowledgments

The authors are grateful for financial support from the National Natural Science Foundation of China (No. 52074107; No. 52174172; and No. 52104224), the support from the scientific research start-up fund for high-level talent introduction of Anhui University of Science and Technology (2021yjrc45), the key natural science research projects of colleges and universities in Anhui Province (KJ2021A0459). The authors also appreciate the editor and the anonymous reviewers for their careful reviews of this paper.

Conflicts of Interest

The authors declare no potential conflicts of interest with respect to the research, authorship and/or publication of this article.

Abbreviations

AbbreviationsThe full name
CSGScoal seam gas content
CCScoal core sample
JLSJiulishan coal mine
GHSGuhanshan coal mine
ZGZhaogu coal mine
CBMcoalbed methane

References

  1. Mohamed, T.; Mehana, M. Coalbed methane characterization and modeling: Review and outlook. Energy Sources Part A 2020, 10, 1–23. [Google Scholar] [CrossRef]
  2. Dennis, J.B. Review of coal and gas outburst in Australian underground coal mines. Int. J. Min. Sci. Technol. 2019, 29, 815–824. [Google Scholar]
  3. Bertard, C.; Bruyet, B.; Gunther, J. Determination of desorbable gas concentration of coal (direct method). Int. J. Rock Mech. Min. Sci. Geomech. Abstr. 1970, 7, 43–65. [Google Scholar] [CrossRef]
  4. Kissell, F.N.; McCulloch, C.M.; Elder, C.H. Direct Method of Determining Methane Content of Coalbeds for Ventilation Design; RI 7767; U.S. Department of Interior, Bureau of Mines: Pittsburgh, PA, USA, 1973.
  5. William, P.D.; Steven, J.S. Measuring the gas content of coal: A review. Int. J. Coal Geol. 1998, 35, 311–331. [Google Scholar]
  6. Szlazak, N.; Korzec, M. Method for determining the coalbed methane content with determination the uncertainty of measurements. Arch. Min. Sci. 2016, 61, 443–456. [Google Scholar] [CrossRef] [Green Version]
  7. Sheng, X.; Liang, Y. The use of coal cuttings from underground boreholes to determine gas content of coal with direct desorption method. Int. J. Coal Geol. 2017, 174, 1–7. [Google Scholar]
  8. Wang, Z.F.; Wang, L.; Dong, J.X.; Wang, Q. Simulation on the temperature evolution law of coal containing gas in the freezing coring process. J. China Coal Soc. 2021, 46, 199–210. [Google Scholar]
  9. Li, Z.H.; Qi, Q.Q.; Yang, Y.L.; Zhou, Y.B.; Wang, B. Factors impacting gas content measurements using gas desorption by drilling underground boreholes. Adsorpt. Sci. Technol. 2016, 34, 488–505. [Google Scholar] [CrossRef]
  10. Abouna, S. Discussion on determination of gas content of coal and uncertainties of measurement. Int. J. Min. Sci. Technol. 2017, 27, 741–748. [Google Scholar]
  11. Xu, H.J.; Pan, Z.J.; Hu, B.L.; Liu, H.H.; Sun, G. A new approach to estimating coal gas content for deep core sample. Fuel 2020, 277, 118246. [Google Scholar] [CrossRef]
  12. Szlązak, N.; Obracaj, D.; Korzec, M. Estimation of gas loss in methodology for determining methane content of coal seams. Energies 2021, 14, 982. [Google Scholar] [CrossRef]
  13. Wang, F.K.; Luo, Y.J.; Liang, Y.P.; Li, B.J. Sampling methane-bearing coal seams by freezing method: Coalbed methane desorption and inhibition characteristics under freezing temperature. Nat. Resour. Res. 2020, 29, 1351–1360. [Google Scholar] [CrossRef]
  14. Wang, L.; Wang, Z.F.; Qi, C.J.; Ma, S.J.; Yue, J.W. Physical simulation of temperature and pressure evolvement in coal by different refrigeration modes for freezing coring. ACS Omega 2019, 4, 20178–20187. [Google Scholar]
  15. Peter, J.C.; Tim, A.M.; Tennille, E.M. Influence of moisture content and temperature on methane adsorption isotherm analysis for coals from a low-rank, biogenically-sourced gas reservoir. Int. J. Coal Geol. 2008, 76, 166–174. [Google Scholar]
  16. Kim, C.J.; Jang, H.C.; Lee, J.W. Experimental investigation on the characteristics of gas diffusion in shale gas reservoir using porosity and permeability of nanopore scale. J. Pet. Sci. Eng. 2015, 133, 226–237. [Google Scholar] [CrossRef]
  17. Tang, X.; Li, Z.Q.; Repepi, N.; Louk, A.K.; Wang, Z.F.; Song, D.Y. Temperature-dependent diffusion process of methane through dry crushed coal. J. Nat. Gas Sci. Eng. 2015, 22, 609–617. [Google Scholar] [CrossRef]
  18. Wang, Z.F.; Tang, X.; Yue, G.W.; Kang, B.; Xie, C.; Li, X.J. Physical simulation of temperature influence on methane sorption and kinetics in coal: Benefits of temperature under 273.15K. Fuel 2015, 158, 207–216. [Google Scholar] [CrossRef]
  19. Wu, S.; Tang, D.Z.; Li, S.; Chen, H.; Wu, H.Y. Coalbed methane adsorption behavior and its energy variation features under supercritical pressure and temperature conditions. J. Pet. Sci. Eng. 2016, 146, 726–734. [Google Scholar] [CrossRef]
  20. Zhu, C.J.; Ren, J.; Wan, J.M.; Lin, B.Q.; Yang, K.; Li, Y. Methane adsorption on coals with different coal rank under elevated temperature and pressure. Fuel 2019, 254, 115686. [Google Scholar] [CrossRef]
  21. Cai, T.T.; Feng, Z.Z.; Jiang, Y.L.; Zhao, D.; Claudio, P. Thermodynamic characteristics of methane adsorption of coal with different initial gas pressures at different temperatures. Adv. Mater. Sci. Eng. 2019, 2019, 1–9. [Google Scholar] [CrossRef] [Green Version]
  22. Sun, L.L.; Wang, H.S.; Zhang, C.; Zhang, S.H.; Liu, N.; He, Z.L. Evolution of methane ad-/desorption and diffusion in coal under in the presence of oxygen and nitrogen after heat treatment. J. Nat. Gas Sci. Eng. 2021, 95, 104196. [Google Scholar] [CrossRef]
  23. Zhao, S.; Chen, X.J.; Li, X.J.; Qi, L.L.; Zhang, G.X. Experimental analysis of the effect of temperature on coal pore structure transformation. Fuel 2021, 305, 121613. [Google Scholar] [CrossRef]
  24. Black, D.J. Investigations into the identification and control of outburst risk in Australian underground coal mines. Int. J. Min. Sci. Technol. 2017, 27, 5. [Google Scholar] [CrossRef]
  25. Heidari, M.; Akbari, J.; Yan, J.W. Effects of tool rake angle and tool nose radius on surface quality of ultraprecision diamond-turned porous silicon. J. Manuf. Process. 2007, 37, 321–331. [Google Scholar] [CrossRef]
  26. Sakurai, A.; Kanbayashi, R.; Matsubara, K.; Maruyama, S. Radiative Heat Transfer Analysis in a Turbulent Natural Convection Obtained from Direct Numerical Simulation. J. Therm. Sci. Technol. 2011, 6, 449–462. [Google Scholar] [CrossRef] [Green Version]
  27. Babak, A.; Stefan, M. The effects of chamfer and back rake angle on PDC cutters friction. J. Nat. Gas Sci. Eng. 2016, 35, 347–353. [Google Scholar]
  28. Delgadillo, A.J.; Rosales, M.G.; Perez, A.C.; Ojeda, C. CFD analysis to study the effect of design variables on the particle cut size in hydrocyclones. Asia-Pac. J. Chem. Eng. 2013, 8, 627–635. [Google Scholar] [CrossRef]
  29. Abbas, R.K. A review on the wear of oil drill bits (conventional and the state of the art approaches for wear reduction and quantification). Eng. Fail. Anal. 2018, 90, 554–584. [Google Scholar] [CrossRef]
  30. Paithankar, A.G.; Misra, G.B. A critical appraisal of the protodyakonov index. Int. J. Rock Mech. Min. Sci. 1976, 13, 249–251. [Google Scholar] [CrossRef]
  31. Jia, H.F.; An, F.H. Experimental Study on Influence of Gas Occurrence State on Strength of Granular Coal. Saf. Coal Mines 2020, 51, 29–33. [Google Scholar]
  32. Guo, H.G. Study on Strength Test of Coal Mass Containing Gas Based on Drop Hammer Method. Saf. Coal Mines 2019, 50, 210–213. [Google Scholar]
  33. Zhang, X.H.; Wang, H.F.; Shang, Z.; Ren, T.W.; Chen, P.; Wang, Z.Y.; Shi, Z.Z.; Lv, P.F. Experimental study on the preparation method of coal-like materials based on similarity of material properties and drilling parameters. Powder Technol. 2022, 395, 26–42. [Google Scholar] [CrossRef]
  34. Lv, X.F.; Zhou, H.Y.; Xu, L.M. Study on the quantitative relationship between soil in situ strength and drilling parameters. Environ. Earth Sci. 2018, 77, 469. [Google Scholar] [CrossRef]
  35. Zhu, N.; Huang, W.J.; Gao, D.L. Numerical analysis of the stuck pipe mechanism related to the cutting bed under various drilling operations. J. Pet. Sci. Eng. 2022, 208, 109783. [Google Scholar] [CrossRef]
  36. Mackolil, J.; Mahanthesh, B. Heat transfer optimization and sensitivity analysis of Marangoni convection in nanoliquid with nanoparticle interfacial layer and cross-diffusion effects. Int. Commun. Heat Mass Transf. 2021, 126, 105361. [Google Scholar] [CrossRef]
  37. Mohamed, E.H.A.; Mounir, B.; Adil, R. Numerical investigation and experimental validation of the thermal performance enhancement of a compact finned-tube heat exchanger for efficient latent heat thermal energy storage. J. Clean. Prod. 2021, 280, 124238. [Google Scholar]
Figure 1. Coal sample preparation and mechanical test: (a) HZ–15 Electric Corer; (b) coal core block; (c) coal pillar; (d) TCHR–Ⅱ Cutting Mill; (e) coal samples and (f) RE–8100SZ electro-hydraulic servo rock triaxial testing machine.
Figure 1. Coal sample preparation and mechanical test: (a) HZ–15 Electric Corer; (b) coal core block; (c) coal pillar; (d) TCHR–Ⅱ Cutting Mill; (e) coal samples and (f) RE–8100SZ electro-hydraulic servo rock triaxial testing machine.
Energies 15 01703 g001
Figure 2. Stress-strain curves of coal samples: εZJ, εZG and εZZ are axial strain of JLS, GHS and ZG, respectively; εθJ, εθG and εθZ are radial strain of JLS, GHS and ZG, respectively.
Figure 2. Stress-strain curves of coal samples: εZJ, εZG and εZZ are axial strain of JLS, GHS and ZG, respectively; εθJ, εθG and εθZ are radial strain of JLS, GHS and ZG, respectively.
Energies 15 01703 g002
Figure 3. Relationship between coal mechanical parameters and f value.
Figure 3. Relationship between coal mechanical parameters and f value.
Energies 15 01703 g003
Figure 4. Variation friction coefficient with friction time of different coal samples under different loads: (a) JLS; (b) GHS; and (c) ZG.
Figure 4. Variation friction coefficient with friction time of different coal samples under different loads: (a) JLS; (b) GHS; and (c) ZG.
Energies 15 01703 g004
Figure 5. Relationship between friction coefficient and f value.
Figure 5. Relationship between friction coefficient and f value.
Energies 15 01703 g005
Figure 6. Temperature measuring device for the core tube wall.
Figure 6. Temperature measuring device for the core tube wall.
Energies 15 01703 g006
Figure 7. Diagram of coring process: the yellow arrow represents the movement direction of the core tube: (a) the process of drilling hole; (b) withdrawing the drill pipe; (c) formation of the hole; (d) the process of pushing core tube; (e) drilling the coal core sample and (f) withdrawing the core tube.
Figure 7. Diagram of coring process: the yellow arrow represents the movement direction of the core tube: (a) the process of drilling hole; (b) withdrawing the drill pipe; (c) formation of the hole; (d) the process of pushing core tube; (e) drilling the coal core sample and (f) withdrawing the core tube.
Energies 15 01703 g007
Figure 8. Temperature of measuring point on the core tube wall during coring process: (a) JLS; (b) GHS; (c) ZG; and (d) different coal mines.
Figure 8. Temperature of measuring point on the core tube wall during coring process: (a) JLS; (b) GHS; (c) ZG; and (d) different coal mines.
Energies 15 01703 g008
Figure 9. Borehole form: (a) hole spalling; (b) hole roughness and (c) hole smooth.
Figure 9. Borehole form: (a) hole spalling; (b) hole roughness and (c) hole smooth.
Energies 15 01703 g009
Figure 10. Thermometric tube size.
Figure 10. Thermometric tube size.
Energies 15 01703 g010
Figure 11. Core bit—core tube physical model: (a) temperature core tube model; (b) core bit model; and (c) integral model of core tube and drill bit.
Figure 11. Core bit—core tube physical model: (a) temperature core tube model; (b) core bit model; and (c) integral model of core tube and drill bit.
Energies 15 01703 g011
Figure 12. Numerical simulation and field test results: (a) JLS; (b) GHS; and (c) ZG.
Figure 12. Numerical simulation and field test results: (a) JLS; (b) GHS; and (c) ZG.
Energies 15 01703 g012
Figure 13. Temperature nephogram of core bit and core tube at core depth of 100 m in JLS: (a) the end of first stage; (b) the end of second stage; and (c) the end of third stage.
Figure 13. Temperature nephogram of core bit and core tube at core depth of 100 m in JLS: (a) the end of first stage; (b) the end of second stage; and (c) the end of third stage.
Energies 15 01703 g013
Figure 14. Temperature variation law of measuring point on the core tube wall at different core depths in JLS.
Figure 14. Temperature variation law of measuring point on the core tube wall at different core depths in JLS.
Energies 15 01703 g014
Figure 15. Temperature of measuring point at different core depths in JLS. T2 is the temperature of measuring point at the end of the second stage; Tmax is the maximum temperature of measuring point during coring.
Figure 15. Temperature of measuring point at different core depths in JLS. T2 is the temperature of measuring point at the end of the second stage; Tmax is the maximum temperature of measuring point during coring.
Energies 15 01703 g015
Figure 16. Temperature nephogram of the core bit and core tube at the core depth of 100 m in GHS: (a) the end of first stage; (b) the end of second stage; and (c) the end of third stage.
Figure 16. Temperature nephogram of the core bit and core tube at the core depth of 100 m in GHS: (a) the end of first stage; (b) the end of second stage; and (c) the end of third stage.
Energies 15 01703 g016
Figure 17. Temperature variation law of temperature measuring point at different core depths in GHS.
Figure 17. Temperature variation law of temperature measuring point at different core depths in GHS.
Energies 15 01703 g017
Figure 18. Maximum temperature of measuring point at different core depths in GHS.
Figure 18. Maximum temperature of measuring point at different core depths in GHS.
Energies 15 01703 g018
Figure 19. Temperature nephogram of the core bit and core tube at core depth of 100 m in ZG: (a) the end of first stage; (b) the end of second stage; (c) the end of third stage.
Figure 19. Temperature nephogram of the core bit and core tube at core depth of 100 m in ZG: (a) the end of first stage; (b) the end of second stage; (c) the end of third stage.
Energies 15 01703 g019
Figure 20. Temperature variations of measuring point during coring at different core depths in ZG.
Figure 20. Temperature variations of measuring point during coring at different core depths in ZG.
Energies 15 01703 g020
Figure 21. Maximum temperature of measuring point during coring at different core depths in ZG.
Figure 21. Maximum temperature of measuring point during coring at different core depths in ZG.
Energies 15 01703 g021
Figure 22. Prediction of temperature of measuring point on core tube wall during coring for different coal mines: (a) is the core depth of 30 m; (b) is the core depth of 50 m; (c) is the core depth of 70 m; and (d) is the core depth of 100 m.
Figure 22. Prediction of temperature of measuring point on core tube wall during coring for different coal mines: (a) is the core depth of 30 m; (b) is the core depth of 50 m; (c) is the core depth of 70 m; and (d) is the core depth of 100 m.
Energies 15 01703 g022
Figure 23. Temperature rising rates in different coal strengths during coring. (a): K1 is the temperature rising rates of first stage during coring; and (b): K2 is the temperature rising rates of second stage during coring.
Figure 23. Temperature rising rates in different coal strengths during coring. (a): K1 is the temperature rising rates of first stage during coring; and (b): K2 is the temperature rising rates of second stage during coring.
Energies 15 01703 g023
Figure 24. Relationship between average temperature rising rate and f value.
Figure 24. Relationship between average temperature rising rate and f value.
Energies 15 01703 g024
Table 1. Basic parameters of coal samples.
Table 1. Basic parameters of coal samples.
Sampling LocationsMad
(%)
Aad
(%)
Vad
(%)
TRD
(g/cm3)
ARD
(g/cm3)
φ
(%)
f Value
Jiulishan coal mine (JLS)2.057.817.381.441.557.10.63
Guhanshan coal mine (GHS)1.349.627.831.551.465.811.05
Zhaogu coal mine (ZG)3.7611.717.591.561.494.191.64
Table 2. Time required and temperature change rate at different stages of coring process.
Table 2. Time required and temperature change rate at different stages of coring process.
Samples LocationPush the Core Tube Process
Time/minTemperature
When Meeting the Coal/°C
The Heating Rate/(°C/min)
JLS1050.403.04
GHS835.31.34
ZG833.21.1
Samples LocationDrilling the Coal Core Sample (CCS) Process
Time/minThe Maximum Temperature/°CThe Heating Rate/(°C/min)
JLS376.328.64
GHS385.316.67
ZG396.621.13
Samples LocationWithdraw the Core Tube Process
Slow Heating ProcessSlow Cooling Stage
Time/minThe Maximum Temperature/°CThe Heating Rate/(°C/min)Time/minTemperature at the Orifice/°CThe Cooling Rate/(°C/min)
JLS383.092.261076.520.94
GHS189.23.9456.451.8
ZG2102.63.0693.21.57
Table 3. Parameters of the model.
Table 3. Parameters of the model.
ParametersValuesUnitsDescription of Parameters
JLSGHSZG
rho_coal144015501560kg/m3Density of coal sample
nu_coal0.340.310.281Poisson’s ratio of coal sample
E_coal0.5990.8831.163GpaElastic modulus of coal sample
k_coal0.200.230.25W/(m × K)Thermal conductivity of coal sample
Cp_coal100012001300J/kg × °CSpecific heat capacity of coal sample
U0.40.340.271Friction coefficient between coal sample and core bit
rho_steel785078507850kg/m3Density of core bit and core tube
nu_steel0.30.30.31Poisson’s ratio of core bit and core tube
E_steel206206206GpaElastic modulus of core bit and core tube
k_steel0.250.250.25W/(m × K)Thermal conductivity of core bit and core tube
Cp_steel460460460J/kg × °CSpecific heat capacity of core bit and core tube
rho_ch4716716716kg/m3Density of methane
k_ch40.0020.0020.002W/(m × K)Thermal conductivity of methane
Cp_ch4460460460J/kg × °CSpecific heat capacity of coal sample
mu_ch41.08 × 10−51.08 × 10−51.08 × 10−5m2/sViscosity coefficient of methane
h101010W/m2Heat transfer coefficient between steel and methane
Publisher’s Note: MDPI stays neutral with regard to jurisdictional claims in published maps and institutional affiliations.

Share and Cite

MDPI and ACS Style

Wang, Q.; Wang, Z.; Yue, J.; An, F.; Dong, J.; Sun, Y. Temperature Variation Law of Core Tube Wall during Coring in Different Strength Coal Seams: Experiment and Modelling. Energies 2022, 15, 1703. https://doi.org/10.3390/en15051703

AMA Style

Wang Q, Wang Z, Yue J, An F, Dong J, Sun Y. Temperature Variation Law of Core Tube Wall during Coring in Different Strength Coal Seams: Experiment and Modelling. Energies. 2022; 15(5):1703. https://doi.org/10.3390/en15051703

Chicago/Turabian Style

Wang, Qiao, Zhaofeng Wang, Jiwei Yue, Fenghua An, Jiaxin Dong, and Yongxin Sun. 2022. "Temperature Variation Law of Core Tube Wall during Coring in Different Strength Coal Seams: Experiment and Modelling" Energies 15, no. 5: 1703. https://doi.org/10.3390/en15051703

APA Style

Wang, Q., Wang, Z., Yue, J., An, F., Dong, J., & Sun, Y. (2022). Temperature Variation Law of Core Tube Wall during Coring in Different Strength Coal Seams: Experiment and Modelling. Energies, 15(5), 1703. https://doi.org/10.3390/en15051703

Note that from the first issue of 2016, this journal uses article numbers instead of page numbers. See further details here.

Article Metrics

Back to TopTop