An Adaptive Frequency Phase-Locked Loop Based on a Third Order Generalized Integrator
Abstract
1. Introduction
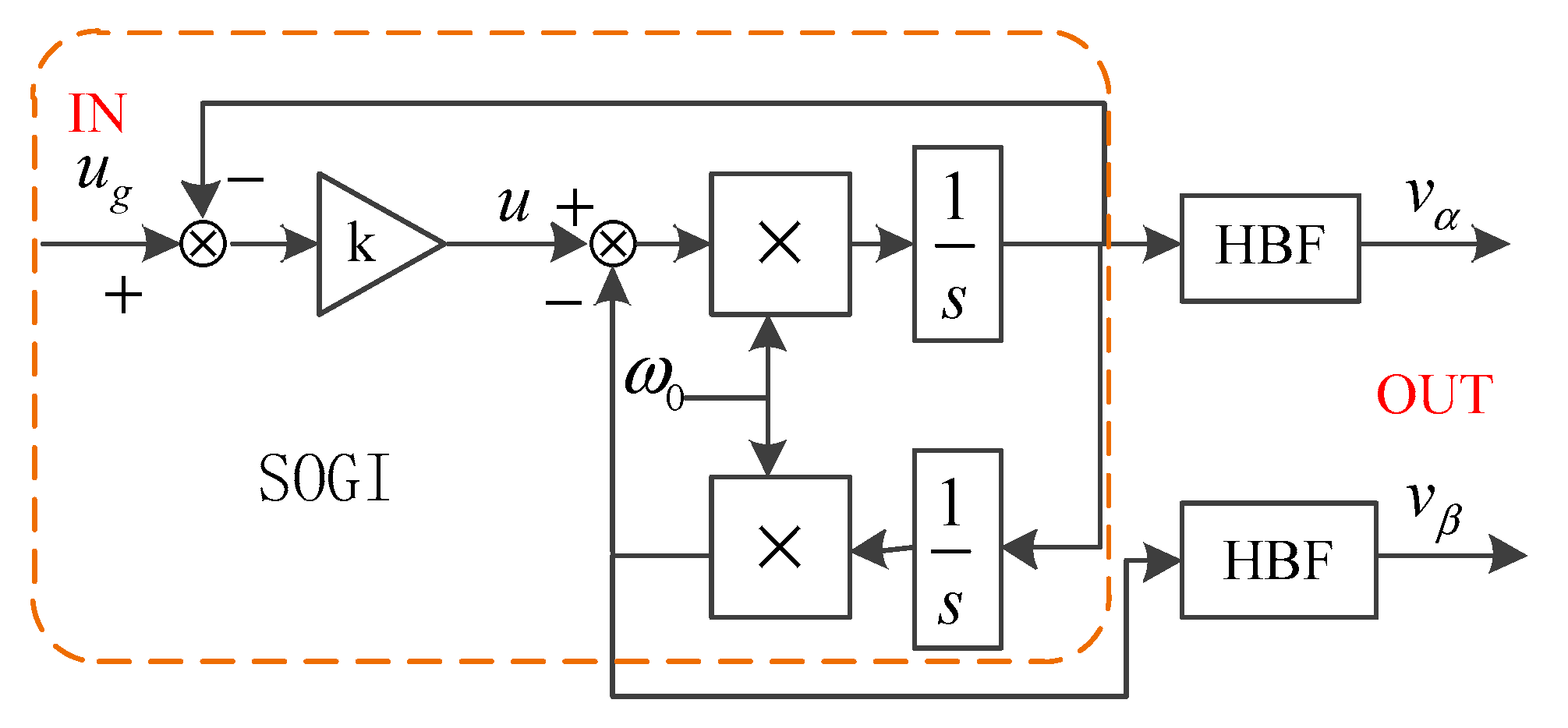
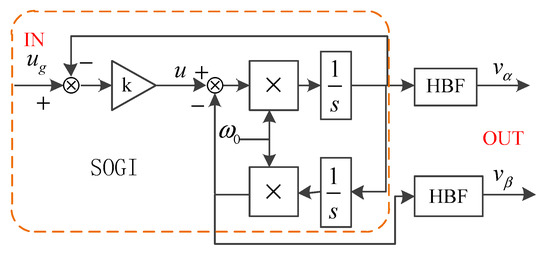
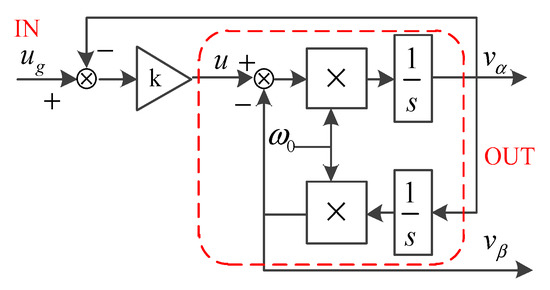
2. PLL Based on SOGI Structure
3. Adaptive Frequency PLL Based on TOGI
- (1)
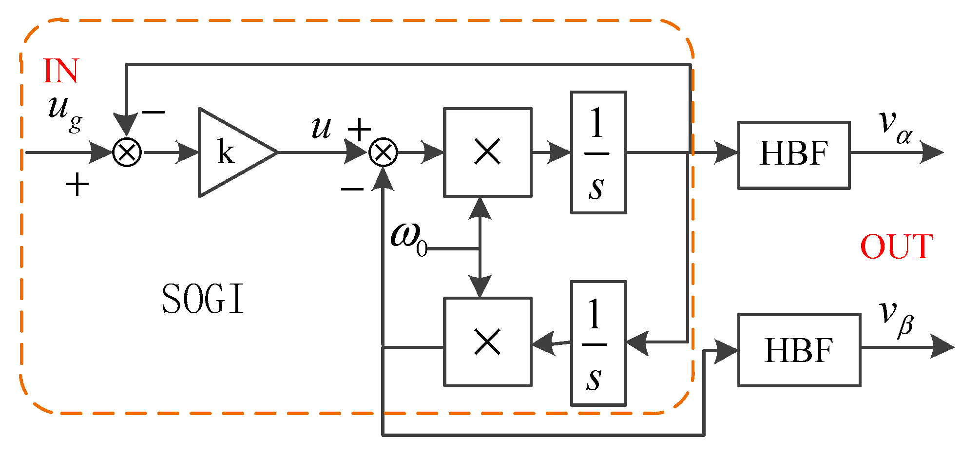
- The DC elimination unit eliminates the DC offset which is generated by the A/D sampling deviation, and it makes sure the only the AC signal passes to the TOGI. The amplitude of orthogonal signals is equal without the DC offset, and phase of signals has a difference of 90 deg.
- (2)
- The frequency estimation unit involving the adaptive frequency unit can extract the frequency accurately during a disturbance of the power grid frequency. Furthermore, the resonant frequency of TOGI is guaranteed to change with the grid frequency in real time, and the grid voltage orthogonal signal is constructed accurately.
3.1. DC Offset Elimination Unit Based on TOGI
3.2. Adaptive Frequency Unit Based on TOGI
4. Discretization of TOGI
5. Simulation
5.1. Simulation of DC Offset Elimination
- (1)
- In both the SOGI structure and TOGI structure, the synchronous signal and signal accurately extract the voltage signal of the power grid, but still contains a small amount of harmonics.
- (2)
- In the SOGI structure, the orthogonal signal contains a large number of DC components, and the DC components content in the grid voltage signal is significantly obvious; however, in the TOGI structure, the DC components in the grid voltage signal are almost completely filtered out in the orthogonal signal , and only a small number of DC components remain.
- (3)
- Through simulation comparison, without changing ac signal filtering effect of the SOGI structure, the TOGI structure increases the DC signal filtering effect in the orthogonal signal, so as to achieve accurate phase tracking when DC components are included in a power grid voltage signal.
5.2. Simulation of TOGI PLL
- (1)
- When the power grid frequency is 50 Hz, both the SOGI PLL and TOGI PLL can complete the power grid voltage phase and frequency locking, and the synchronization result of the two approaches are almost same and equally accurate (refer to the detailed waveform from 0.3 s–0.34 s).
- (2)
- When the grid voltage frequency jumps from the 50 Hz to 52 Hz, the SOGI PLL can’t synchronize the grid voltage frequency and has an angular difference, but the TOGI can track the grid voltage frequency. However, the overshoot and adjusting time of the TOGI PLL is less than SOGI PLL. In the detailed waveform from 0.8 s–0.84 s, the SOGI PLL has a small vibration in the zoom-in area, but the TOGI PLL tracks the new frequency well.
- (3)
- For the frequency estimation unit in the PLL structure, both the SOGI structure and TOGI structure can achieve accurate frequency estimation at 50 Hz, but the overshoot and adjustment time in the dynamic response process of the traditional SOGI structure are much larger than those of the TOGI structure. When the voltage signal of the power grid suddenly changes to 52 Hz, the frequency estimation result of the SOGI structure shows serious oscillations, while the frequency estimation effect of the TOGI structure is much better than that of SOGI structure due to the introduction of the frequency adaptive unit.
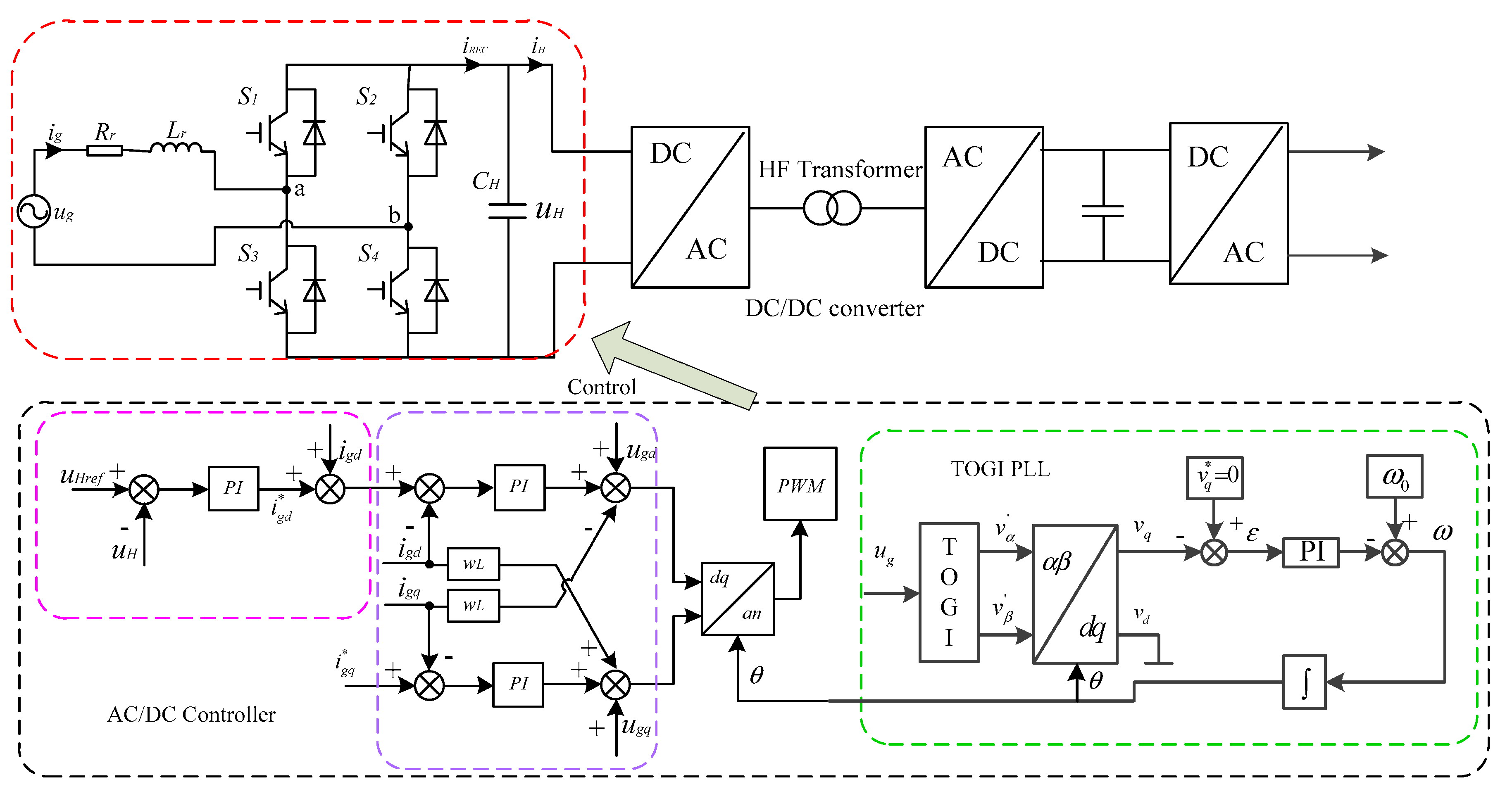
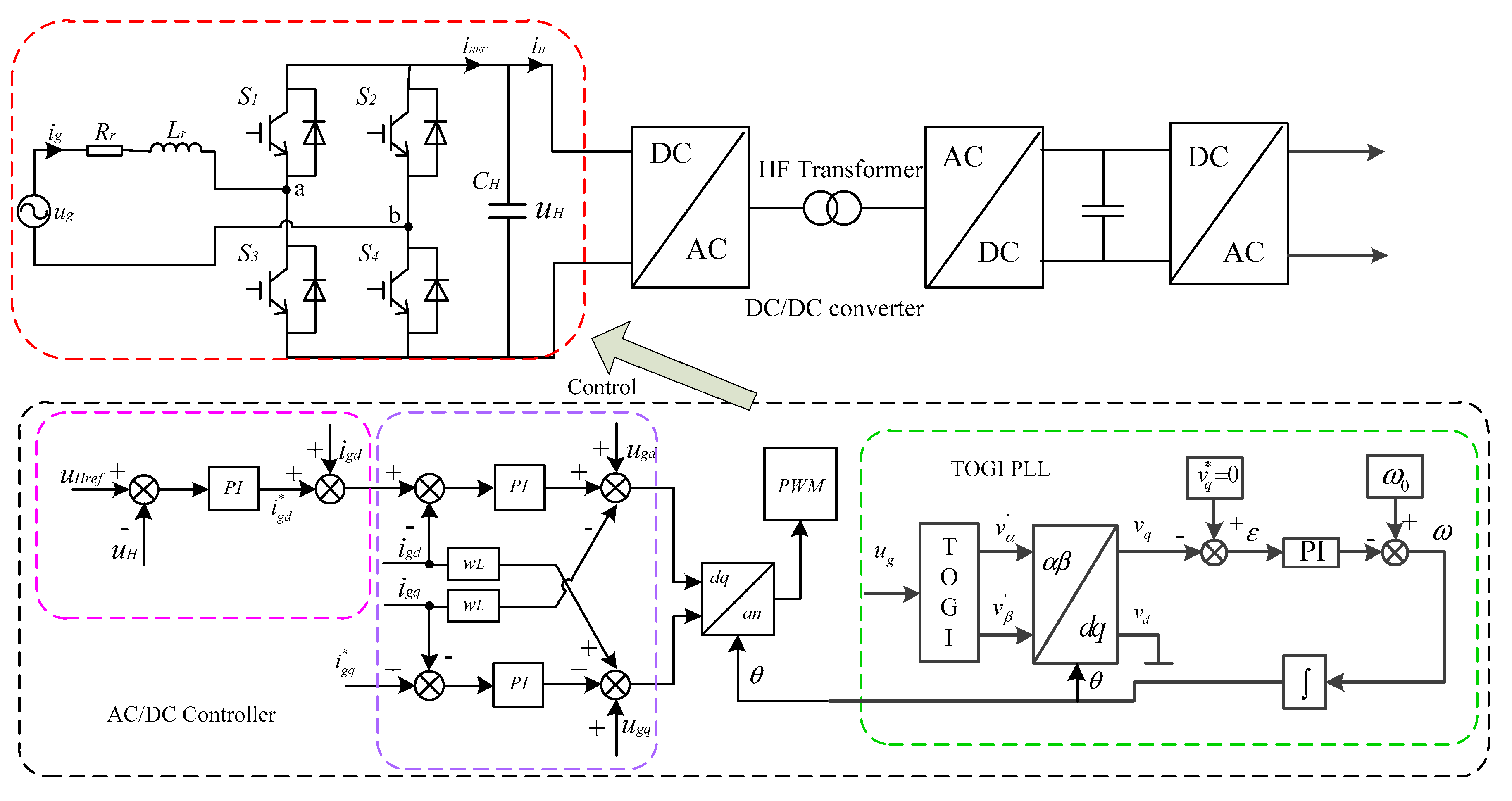
6. Experimental Results
7. Conclusions
Author Contributions
Funding
Conflicts of Interest
References
- Dujic, D.; Zhao, C.; Mester, A.; Steinke, J.K.; Weiss, M.; Lewdeni-Schmid, S.; Chaudhuri, T.; Stefanutti, P. Power Electronic Traction Transformer-Low Voltage Prototype. IEEE Trans. Ind. Electron. 2014, 61, 3257–3268. [Google Scholar] [CrossRef]
- Li, Z.; Wang, P.; Chu, Z.; Zhu, H.; Li, Y. Research on medium- and high-voltage smart distribution grid oriented power electronic transformer. Power Syst. Technol. 2013, 37, 2592–2601. (In Chinese) [Google Scholar]
- Huang, A.Q.; Crow, M.L.; Heydt, G.T.; Zheng, J.P.; Dale, S.J. The Future Renewable Electric Energy Delivery and Management (FREEDM) System: The Energy Internet. Proc. IEEE 2010, 99, 133–148. [Google Scholar] [CrossRef]
- Wang, J.; Meng, K.; Cao, J.; Chen, Z.; Gao, L.; Lin, C. Information technology for energy internet: A survey. J. Comput. Res. Dev. 2015, 52, 1109–1126. (In Chinese) [Google Scholar]
- Cao, J.; Meng, K.; Wang, J.; Yang, M.; Chen, Z.; Li, W.; Lin, C. An energy internet and energy routers. Sci. Sin. 2014, 44, 714–727. [Google Scholar]
- Zha, Y.; Zhang, T.; Huang, Z.; Zhang, Y.; Liu, B.; Huang, S. Analysis of energy internet key technologies. Sci. Sin. 2014, 44, 702–713. [Google Scholar]
- Blaabjerg, F.; Teodorescu, R.; Liserre, M.; Timbus, A.V. Overview of Control and Grid Synchronization for Distributed Power Generation Systems. IEEE Trans. Ind. Electron. 2006, 53, 1398–1409. [Google Scholar] [CrossRef]
- Chung, S.K. A phase tracking system for three phase utility interface inverters. Power Electron. IEEE Trans. 2000, 15, 431–438. [Google Scholar] [CrossRef]
- Golestan, S.; Freijedo, F.; Vidal, A.; Yepes, A.; Guerrero, J.; Doval-Gandoy, J. An Efficient Implementation of Generalized Delayed Signal Cancellation PLL. IEEE Trans. Power Electron. 2015, 31, 1085–1094. [Google Scholar] [CrossRef]
- Wang, B.; Shan, G.; Guo, X.; Wu, W. Grid synchronization and PLL for distributed power generation systems. Proc. CSEE 2013, 33, 50–55. (In Chinese) [Google Scholar]
- Rader, C.M.; Jackson, L.B. Approximating Noncausal IIR Digital Filters Having Arbitrary Poles, Including New Hilbert Transformer Designs, Via Forward/Backward Block Recursion. IEEE Trans. Circuits Syst. I Regul. Pap. 2006, 53, 2779–2787. [Google Scholar] [CrossRef]
- Li, M.; Wang, Y.; Fang, X.; Wang, Z. Research on single-phase DQ phase-locked loop without imaginary signal generation. Proc. CSEE 2011, 31, 27–32. (In Chinese) [Google Scholar]
- Rodriguez, P.; Luna, A.; Candela, I.; Mujal, R.; Teodorescu, R.; Blaabjerg, F. Multiresonant Frequency-Locked Loop for Grid Synchronization of Power Converters Under Distorted Grid Conditions. IEEE Trans. Ind. Electron. 2010, 58, 127–138. [Google Scholar] [CrossRef]
- Hao, Y.; Wang, X.; Blaabjerg, F.; Zhuo, F. Impedance Analysis of SOGI-FLL-Based Grid Synchronization. IEEE Trans. Power Electron. 2017, 32, 7409–7413. [Google Scholar]
- Galkin, I.; Vorobyov, M. Optimizing of sampling in a low-cost single-phase instantaneous AC-grid synchronization unit with discrete calculation of derivative function. In Proceedings of the Conference of the IEEE Industrial Electronics Society, Yokohama, Japan, 9–12 November 2015. [Google Scholar]
- Pang, H.; Wang, Z.; Chen, J. A measuring method of the single-phase AC frequency, phase, and reactive power based on the Hilbert filtering. IEEE Trans. Instrum. Meas. 2007, 56, 918–923. [Google Scholar]
- Subramanian, C.; Kanagaraj, R. Single-phase grid voltage attributes tracking for the control of grid power converters. Emerg. Sel. Top. Power Electron. IEEE J. 2014, 2, 1041–1048. [Google Scholar] [CrossRef]
- Karimighartemani, M.; Ooi, B.T.; Bakhshai, A. Application of Enhanced Phase-Locked Loop System to the Computation of Synchrophasors. IEEE Trans. Power Deliv. 2010, 26, 22–32. [Google Scholar] [CrossRef]
- Ngo, T.; Quan, N.; Santoso, S. Improving performance of single-phase SOGI-FLL under DC-offset voltage condition. In Proceedings of the IECON 2014—40th Annual Conference of the IEEE Industrial Electronics Society, Dallas, TX, USA, 30 October–1 December 2014; pp. 1537–1541. [Google Scholar]
- Ciobotaru, M.; Teodorescu, R.; Blaabjerg, F. A new single-phase PLL structure based on second order generalized integrator. In Proceedings of the IEEE Power Electronics Specialists Conference, Jeju, Korea, 18–22 June 2006. [Google Scholar]
- Wang, A.J.; Ma, B.Y.; Meng, C.X. A frequency-locked loop technology of three-phase grid-connected inverter based on improved reduced order generalized integrator. In Proceedings of the IEEE Industrial Electronics Applications, Auckland, New Zealand, 15–17 June 2015. [Google Scholar]
- Xin, Z.; Zhao, R.; Blaabjerg, F.; Zhang, L.; Chiang Loh, P. An Improved Flux Observer for Field-Oriented Control of Induction Motors Based on Dual Second-Order Generalized Integrator Frequency-Locked Loop. IEEE J. Emerg. Sel. Top. Power Electron. 2016, 5, 513–525. [Google Scholar] [CrossRef]
- Xiao, F.; Dong, L.; Li, L.; Liao, X. A Frequency-Fixed SOGI-Based PLL for Single-Phase Grid-Connected Converters. IEEE Trans. Power Electron. 2016, 32, 1713–1719. [Google Scholar] [CrossRef]
- Golestan, S.; Mousazadeh Mousavi, S.Y.; Guerrero, J.; Vasquez, J. A Critical Examination of Frequency-Fixed Second-Order Generalized Integrator-Based Phase-Locked Loops. IEEE Trans. Power Electron. 2017, 32, 6666–6672. [Google Scholar] [CrossRef]
- Matas, J.; Castilla, M.; Miret, J.; de Vicuña, L.G.; Guzman, R. An Adaptive Prefiltering Method to Improve the Speed/Accuracy Tradeoff of Voltage Sequence Detection Methods Under Adverse Grid Conditions. IEEE Trans. Ind. Electron. 2014, 61, 2139–2151. [Google Scholar] [CrossRef]
- Xin, Z.; Wang, X.; Qin, Z.; Lu, M.; Chiang Loh, P.; Blaabjerg, F. An Improved Second-Order Generalized Integrator Based Quadrature Signal Generator. IEEE Trans. Power Electron. 2016, 31, 8068–8073. [Google Scholar] [CrossRef]
- Xie, M.; Wen, H.; Zhu, C.; Yang, Y. DC Offset Rejection Improvement in Single-Phase SOGI-PLL Algorithms: Methods Review and Experimental Evaluation. IEEE Access 2017, 5, 12810–12819. [Google Scholar] [CrossRef]
- Reza, M.; Ciobotaru, M.; Agelidis, V. Grid voltage offset and harmonics rejection using second order generalized integrator and kalman filter technique. In Proceedings of the IEEE Power Electronics & Motion Control Conference, Harbin, China, 2–5 June 2012. [Google Scholar]
- Kulkarni, A.; John, V. Design of a fast response time single-phase PLL with dc offset rejection capability. Electr. Power Syst. Res. 2017, 145, 35–43. [Google Scholar] [CrossRef]
- Kherbachi, A.; Bendib, A.; Kara, K.; Chouder, A. ARM based implementation of SOGI-FLL method for power calculation in single-phase power system. In Proceedings of the 2017 5th International Conference on Electrical Engineering-Boumerdes (ICEE-B), Boumerdes, Algeria, 29–31 October 2017; pp. 1–6. [Google Scholar]
- Karimi-Ghartemani, M.; Khajehoddin, S.A.; Jain, P.K.; Bakhshai, A.; Mojiri, M. Addressing DC Component in PLL and Notch Filter Algorithms. IEEE Trans. Power Electron. 2012, 27, 78–86. [Google Scholar] [CrossRef]
- Lanconelli, A. Grid Synchronization of Power Converters Using Multiple Second Order Generalized Integrators. J. Am. Med. Inform. Assoc. 2009, 8, 755–760. [Google Scholar]
- Amin, M.; Molinas, M. A Grey-box Method for Stability and Controller Parameter Estimation in HVDC-connected Wind Farms based on Non-parametric Impedance. IEEE Trans. Ind. Electron. 2019, 66, 1872–1882. [Google Scholar] [CrossRef]






















| Type | is Approximated By |
|---|---|
| Trapezoidal | |
| Second order integrator | |
| Third order integrator |
| Parameters | Values |
|---|---|
| Fundamental grid voltage | 311 V/peak |
| Frequency loop coefficient kf | −20 |
| TOGI parameter k | 1.414 |
| TOGI coefficient kdc | 0.21 |
| Refer angular frequency | 314.15 |
| PI parameter |
| Parameters | Values |
|---|---|
| Converter power: | 5 kW |
| Rated grid voltage: | 220 V/RMS |
| Grid frequency: | 50 Hz |
| DC bus voltage: | 400 V |
| Filter inductance Lr: | 2.5 mH |
| Filter resistance Rr: | 0.01 ohm |
| DC bus capacitance: | 1 mF |
| Sampling frequency: | 19.2 kHz |
| AC current inner loop PI | |
| DC voltage outer loop PI |
| Harmonic Order/% | Grid Voltage | Grid Current Based on TOGI | Grid Current Based on SOGI |
|---|---|---|---|
| THD/% | 4.0 | 3.8 | 4.9 |
| H3/% | 3.7 | 3.4 | 4.5 |
| H5/% | 0.1 | 0.4 | 0.4 |
| H7/% | 0.9 | 0.8 | 0.6 |
| H9/% | 0.5 | 0.7 | 0.5 |
| H11/% | 0.6 | 0.6 | 0.7 |
| H13/% | 0.5 | 0.5 | 0.3 |
| H15/% | 0.7 | 0.8 | 0.2 |
© 2019 by the authors. Licensee MDPI, Basel, Switzerland. This article is an open access article distributed under the terms and conditions of the Creative Commons Attribution (CC BY) license (http://creativecommons.org/licenses/by/4.0/).
Share and Cite
Du, H.; Sun, Q.; Cheng, Q.; Ma, D.; Wang, X. An Adaptive Frequency Phase-Locked Loop Based on a Third Order Generalized Integrator. Energies 2019, 12, 309. https://doi.org/10.3390/en12020309
Du H, Sun Q, Cheng Q, Ma D, Wang X. An Adaptive Frequency Phase-Locked Loop Based on a Third Order Generalized Integrator. Energies. 2019; 12(2):309. https://doi.org/10.3390/en12020309
Chicago/Turabian StyleDu, Heng, Qiuye Sun, Qifu Cheng, Dazhong Ma, and Xu Wang. 2019. "An Adaptive Frequency Phase-Locked Loop Based on a Third Order Generalized Integrator" Energies 12, no. 2: 309. https://doi.org/10.3390/en12020309
APA StyleDu, H., Sun, Q., Cheng, Q., Ma, D., & Wang, X. (2019). An Adaptive Frequency Phase-Locked Loop Based on a Third Order Generalized Integrator. Energies, 12(2), 309. https://doi.org/10.3390/en12020309
