Thermal Performance Evaluation of an Induced Draft Evaporative Cooling System through Adaptive Neuro-Fuzzy Interference System (ANFIS) Model and Mathematical Model
Abstract
1. Introduction
2. Evaporative Cooling System
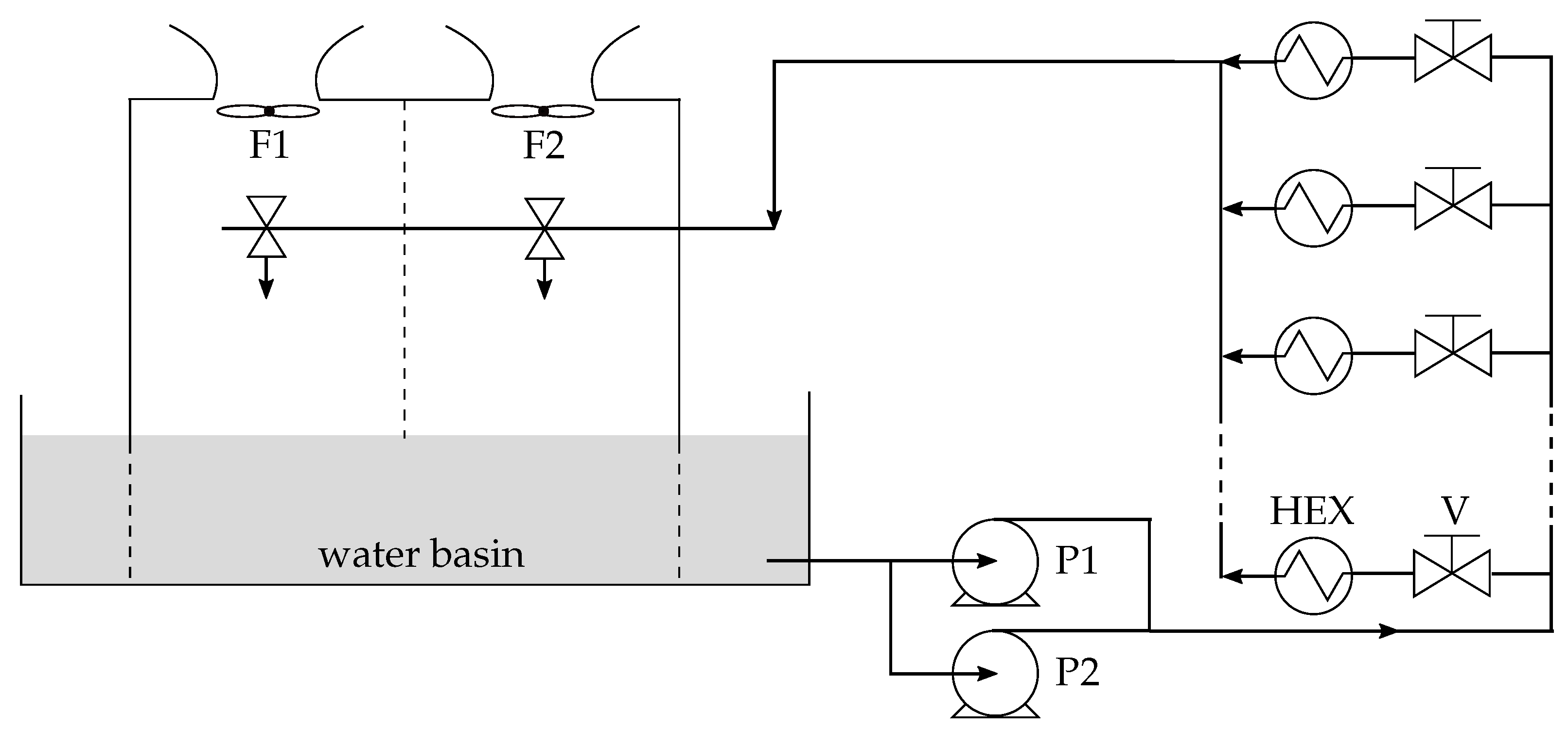
2.1. INEOS Cooling System
2.1.1. Design
2.1.2. Operation
2.1.3. Data Availability and Pre-Processing
3. Cooling Tower Modelling
3.1. Black Box
3.1.1. Prerequisites and Limitations
3.1.2. Model Development
3.1.3. Analysis
3.2. White Box
3.2.1. Prerequisites and Limitations
- The air leaving the cooling tower is saturated with water vapour, i.e., RHl = 100%.
- The temperature of the air leaving the cooling, is equal to the sum of the water basin temperature and half of the design range (which is 9 , see Section 2.1.1).
- The process heat is considered an input parameter and is defined by Equation (1).
- The total volume of water in the basin has an equal temperature.
- The Lewis factor is considered to be 1.
3.2.2. Model Development
3.2.3. Analysis
3.3. Model Comparison
4. Discussion on the Optimal Design and Operation Strategy
4.1. Thermal Mass
4.2. Pre-Cooling
5. Conclusions
Author Contributions
Funding
Acknowledgments
Conflicts of Interest
References
- European Commission. The Commission Presents Strategy for a Climate Neutral Europe by 2050—Questions and Answers; European Commission: Brussels, Belgium, 2018. [Google Scholar]
- Baetens, J.; Zwaenepoel, B.; De Kooning, J.D.M.; Van Eetvelde, G.; Vandevelde, L. Thermal systems in process industry as a source for electrical flexibility. In Proceedings of the 52nd International Universities Power Engineering Conference (UPEC), Crete, Greece, 28–31 August 2017. [Google Scholar]
- Müller, T. The role of demand side management for the system integration of renewable energies. In Proceedings of the 14th International Conference on the European Energy Market (EEM), Dresden, Germany, 6–9 June 2017; pp. 1–6. [Google Scholar]
- Zwaenepoel, B.; Baetens, J.; Van Eetvelde, G.; Vandevelde, L. Assessing electrical flexibility in process industry. In Proceedings of the 7th International Conference & Workshop REMOO–2017, Venice, Italy, 10–12 May 2017. [Google Scholar]
- Viljoen, J.; Muller, C.; Craig, I. Dynamic modelling of induced draft cooling towers with parallel heat exchangers, pumps and cooling water network. J. Process Control 2018, 68, 34–51. [Google Scholar] [CrossRef]
- Marley Cooling Tower; INEOS Project, Technical Description, Internal Document INEOS; INEOS: London, UK, 1995.
- Hosoz, M.; Ertunc, H.; Bulgurcu, H. An adaptive neuro-fuzzy inference system model for predicting the performance of a refrigeration system with a cooling tower. Expert Syst. Appl. 2011, 38, 14148–14155. [Google Scholar] [CrossRef]
- Pan, T.H.; Shieh, S.S.; Jang, S.S.; Tseng, W.H.; Wu, C.W.; Ou, J.J. Statistical multi-model approach for performance assessment of cooling tower. Energy Convers. Manag. 2011, 52, 1377–1385. [Google Scholar] [CrossRef]
- Hathaway, R.J.; Bezdek, J.C. Local convergence of the fuzzy c-Means algorithms. Pattern Recognit. 1986, 19, 477–480. [Google Scholar] [CrossRef]
- Hamid Abdalla, E.A.; Nallagownden, P.; Mohd Nor, N.B.; Romlie, M.F.; Hassan, S.M. An Application of a Novel Technique for Assessing the Operating Performance of Existing Cooling Systems on a University Campus. Energies 2018, 11, 719. [Google Scholar] [CrossRef]
- Jang, J.S.R. Fuzzy Modeling Using Generalized Neural Networks and Kalman Filter Algorithm. In Proceedings of the Ninth National Conference on Artificial Intelligence, Anaheim, CA, USA, 14–19 July 1991; Volume 2, pp. 762–767. [Google Scholar]
- Merkel, F. Verdunstungskühlung, Volume 70, Forschungsarbeiten auf dem Gebiete des Ingenieurwesens; VDI-Verlag: Düsseldorf, Germany, 1925; pp. 123–128. [Google Scholar]
- Poppe, M.; Rögener, H. Berechnung von Rückkühlwerken; VDI-Wärmeatlas: Düsseldorf, Germany, 1991; pp. Mi 1–Mi 15. [Google Scholar]
- Jaber, H.L.; Webb, R. Design of Cooling Towers by the Effectiveness-NTU Method. J. Heat Transf.-Trans. ASME 1989, 111, 837–843. [Google Scholar] [CrossRef]
- Kloppers, J.C.; Kroöger, D.G. Cooling Tower Performance Evaluation: Merkel, Poppe, and e-NTU Methods of Analysis. J. Eng. Gas Turbines Power ASME 2005, 127, 1–7. [Google Scholar] [CrossRef]
- Past Weather. Available online: https://www.timeanddate.com/weather/ (accessed on 22 October 2018).
- Balan, M.; Mrenes, M.; Plesa, A. Simulation of the moist air thermodynamic properties. Acta Tech. Napoc. Sect. Constr. Mach. Mater. U.T. Cluj-Napoca 2001, 44, 133–138. [Google Scholar]
- Buck, L.A. New Equations for Computing Vapor Pressure and Enhancement Factor. J. Appl. Meteorol. 1981, 20, 1527–1532. [Google Scholar] [CrossRef]
- Panjeshahi, M.H.A.; Ataei, A.; Gharaie, M. A Comprehensive Approach to an Optimum Design and Simulation Model of a Mechanical Draft Wet Cooling Tower. Iran. J. Chem. Chem. Eng. (IJCCE) 2010, 29, 21–32. [Google Scholar]
- Rubio-Castro, E.; Serna-Gonzalez, M.; Ponce-Ortega, J.M.; Jimenez-Gutieerrez, A. Optimal Design of Cooling Towers; Heat and Mass Transfer—Modeling and Simulation; IntechOpen: Londen, UK, 2011. [Google Scholar]
- SPX Cooling Technologies, Inc. MC75 Film Fill Datasheet. 2018. Available online: https://spxcooling.com/parts/mc75-counterflow-film-fill (accessed on 7 May 2019).
- AMCA Standard 205-10, Rev. 2011. Energy Efficiency Classification for Fans. 2011. Available online: https://www.amca.org/assets/resources/public/userfiles/file/AMCA%20205-10%20(Rev_%202011).pdf (accessed on 7 May 2019).
- Hedbrandt, J. On the Thermal Inertia and Time Constant of Single-Family Houses. Ph.D. Thesis, Linkopings Universitet, Linkoping, Sweden, 2001. [Google Scholar]
- Yin, R.; Xu, P.; Piette, M.A.; Kiliccote, S. Study on Auto-DR and pre-cooling of commercial buildings with thermal mass in California. Energy Build. 2010, 42, 967–975. [Google Scholar] [CrossRef]
- Bhattacharya, S.; Kar, K.; Chow, J.H. Optimal precooling of thermostatic loads under time-varying electricity prices. In Proceedings of the 2017 American Control Conference (ACC), Seattle, WA, USA, 24–26 May 2017; pp. 1407–1412. [Google Scholar]
- Sun, Y.; Wang, S.; Xiao, L.; Huang, G. A Study of Pre-cooling Impacts on Peak Demand Limiting in Commercial Buildings. HVAC&R Res. 2012, 18. [Google Scholar] [CrossRef]
- Romanos, P. Thermal Model Predictive Control for Demand Side Management Cooling Strategies; Kassel University Press: Hessen, Germany, 2008. [Google Scholar]












| Symbol | Description | Unit |
|---|---|---|
| State of cooling tower fan F1 | OFF, LOW, HIGH | |
| State of cooling tower fan F2 | OFF, LOW, HIGH | |
| Water basin temperature | ||
| Process water temperature | ||
| Dry bulb ambient air temperature | ||
| Water flow rate of circulated process water | ||
| Water flow rate of fresh water added to the basin | ||
| Electric current of pump P1 | ||
| Electric current of pump P2 |
| Symbol | Description | Unit | Value |
|---|---|---|---|
| Fan casing area | m2 | 29.19 | |
| Tower frontal area | m2 | 121 | |
| Surface area | m2 | ||
| Specific heat capacity of dry air | 1.006 | ||
| Specific heat capacity of water vapour | |||
| Specific heat capacity of water | |||
| G | Heat conductance | ||
| Entering air enthalpy | |||
| Leaving air enthalpy | |||
| Evaporation heat of water | 2500 | ||
| Eliminator coefficient | / | 1 | |
| Mass flow of water | kg/s | ||
| Mass flow of air | kg/s | ||
| Designed volume flow of air | 329.24 | ||
| Ambient air pressure | Pa | ||
| Electric fan power | W | ||
| Designed mechanical shaft fan power | 95 | ||
| Water vapour saturation pressure | Pa | ||
| Tower cooling capacity | W | ||
| Process heat | W | ||
| Relative humidity of the air entering the cooling tower | % | ||
| Relative humidity of the air leaving the cooling tower | % | 100 | |
| Specific Fan Power | |||
| Dry bulb air temperature | |||
| Temperature of air entering the cooling tower | |||
| Temperature of air leaving the cooling tower | |||
| Basin water temperature increment | /s | ||
| Basin water temperature | |||
| Process water temperature | |||
| Pre-cooling time | min | ||
| Water volume | m3 | 900 | |
| w | Humidity ratio | kgwater/kgair | |
| Psychometric constant | kPa/ | 0.622 | |
| Total pressure drop in the cooling tower | |||
| Fill pressure drop | Pa | 107.1 | |
| Miscellaneous pressure drop | Pa | ||
| Air density | kg/m3 | ||
| Water density | kg/m3 | ||
| Fan efficiency | % | ||
| Motor efficiency | % | see Section 2.1 | |
| Total efficiency | % | ||
| Time constant | s |
| Model | Description | RMSE |
|---|---|---|
| White box | fourteen-day period | 0.445 |
| Black box | fourteen-day period | 0.570 |
| White box | 6 h after fan switch | 0.998 |
| Black box | 6 h after fan switch | 1.473 |
| White box | 1 h after fan switch | 1.513 |
| Black box | 1 h after fan switch | 2.895 |
| Sim 1 | Sim 2 | Sim 3 | Sim 4 | Sim 5 | Sim 6 | |
|---|---|---|---|---|---|---|
| 450 | 1800 | 3600 | 5400 | 7200 | 9000 | |
| 32 | 115 | 216 | 330 | 443 | 545 |
| Sim 1 | Sim 2 | Sim 3 | Sim 4 | Sim 5 | Sim 6 | |
|---|---|---|---|---|---|---|
| 0 | 15 | 30 | 60 | 120 | 180 | |
| 18.28 | 17.87 | 17.58 | 17.26 | 17.05 | 17.01 |
© 2019 by the authors. Licensee MDPI, Basel, Switzerland. This article is an open access article distributed under the terms and conditions of the Creative Commons Attribution (CC BY) license (http://creativecommons.org/licenses/by/4.0/).
Share and Cite
Baetens, J.; Van Eetvelde, G.; Lemmens, G.; Kayedpour, N.; De Kooning, J.D.M.; Vandevelde, L. Thermal Performance Evaluation of an Induced Draft Evaporative Cooling System through Adaptive Neuro-Fuzzy Interference System (ANFIS) Model and Mathematical Model. Energies 2019, 12, 2544. https://doi.org/10.3390/en12132544
Baetens J, Van Eetvelde G, Lemmens G, Kayedpour N, De Kooning JDM, Vandevelde L. Thermal Performance Evaluation of an Induced Draft Evaporative Cooling System through Adaptive Neuro-Fuzzy Interference System (ANFIS) Model and Mathematical Model. Energies. 2019; 12(13):2544. https://doi.org/10.3390/en12132544
Chicago/Turabian StyleBaetens, Jens, Greet Van Eetvelde, Gert Lemmens, Nezmin Kayedpour, Jeroen D. M. De Kooning, and Lieven Vandevelde. 2019. "Thermal Performance Evaluation of an Induced Draft Evaporative Cooling System through Adaptive Neuro-Fuzzy Interference System (ANFIS) Model and Mathematical Model" Energies 12, no. 13: 2544. https://doi.org/10.3390/en12132544
APA StyleBaetens, J., Van Eetvelde, G., Lemmens, G., Kayedpour, N., De Kooning, J. D. M., & Vandevelde, L. (2019). Thermal Performance Evaluation of an Induced Draft Evaporative Cooling System through Adaptive Neuro-Fuzzy Interference System (ANFIS) Model and Mathematical Model. Energies, 12(13), 2544. https://doi.org/10.3390/en12132544

