Smart Wireless Transducer Dedicated for Use in Aviation Laboratories
Abstract
1. Introduction
- Network communication with other devices;
- Processing and analysis of measured data;
- Failure detection and self-diagnosis;
- Ability to make decisions or self-learning.
2. Materials and Methods
2.1. Basic System Concept
2.2. System Structure
- Communication through low-energy Bluetooth;
- Sampling in the range of 0.1–2 Hz (reduced due to power saving);
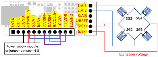
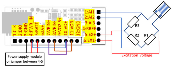
- Ability to work with thermocouples, RTDs, strain gauges, and voltage outputs;
- Combination of RF and battery power supply (to optimize the flexibility of use);
- Small size (17 × 35 mm)
2.3. PCB Design
2.4. Microcontroller and Wireless Communication
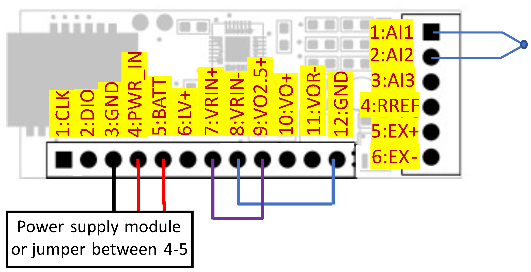
2.5. Measurements
3. Test Results
3.1. Test of Operation with Sensors
3.2. Test of Battery Power Supply
3.3. Test of Wireless Power Transfer
3.4. Test of Operation in a Real Test Environment
4. Discussion
5. Conclusions
Author Contributions
Funding
Institutional Review Board Statement
Informed Consent Statement
Data Availability Statement
Conflicts of Interest
References
- Manikandan, L.P.; Kulkarni, S.S.; Radhakrishna, M.; Jana, S.; Gouda, G.; Rajaram, N.; Mahibalan, A.; Kumar, A.; Kumar, V.A. Testing of main shaft bearing of typical aero engine. In Proceedings of the IIT Conference, Madras, India, 22 January 2018. [Google Scholar]
- Fabry, S.; Spodniak, M.; Gasparovic, P.; Koscak, P. Aircraft Gas Turbine Engine Testing. Acta Avion. J. 2019, 21, 39–44. [Google Scholar] [CrossRef]
- Guidelines for Engine Component Tests. Aerospace Recommended Practice. SAE Aerospace, nr. ARP5757A. 2016. Available online: https://www.sae.org/standards/content/arp5757a/ (accessed on 10 January 2024).
- Instrumentation Engineers Handbook; Secretariat Range Commanders Council US Army: White Sands Missile Range, NM, USA, 2013.
- Ramgade, R.; Thak, U.; Pidurkar, H.; Kathale, L. Literature Review on Innovative Technologies for Temperature Measurement of Aero Engine Component. Int. Res. J. Eng. Technol. 2018, 5, 2361–2367. [Google Scholar]
- DeAnna, R.G. Wireless Telemetry for Gas-Turbine Applications; U.S. Army Research Laboratory, Glenn Research Center: Cleveland, OH, USA, 2000; NASA Technical Reports Server (NTRS); pp. 2–8. [Google Scholar]
- Imay, M.; Cranley, N.; Atman, O. UDP based wireless telemetry network and data acquisition system for rotary application. In Proceedings of the International Telemetering Conference Proceedings, Las Vegas, AZ, USA, 25–28 October 2012; Volume 48. [Google Scholar]
- He, X.; Shu, W.; Yu, B.; Ma, X. Wireless Power Transfer System for Rotary Parts Telemetry of Gas Turbine Engine. Electronics 2018, 7, 58. [Google Scholar] [CrossRef]
- 1451.5-2007; IEEE Standard for a Smart Transducer Interface for Sensors and Actuator—Wireless Communication Protocols and Transducer Electronic Data Sheet (TEDS) Formats. IEEE: Piscataway, NJ, USA, 2007.
- Frank, R. Understanding Smart Sensors, 3rd ed.; Artech House: New York, NY, USA, 2013. [Google Scholar]
- Schütze, A.; Helwig, N.; Schneider, T. Sensors 4.0–Smart sensors and measurement technology enable Industry 4.0. J. Sens. Sens. Syst. 2018, 7, 359–371. [Google Scholar] [CrossRef]
- Ullo, S.L.; Sinha, G.R. Advances in IoT and Smart Sensors for Remote Sensing and Agriculture Applications. Remote Sens. 2021, 13, 2585. [Google Scholar] [CrossRef]
- Pech, M.; Vrchota, J.; Bednář, J. Predictive Maintenance and Intelligent Sensors in Smart Factory: Review. Sensors 2021, 21, 1470. [Google Scholar] [CrossRef] [PubMed]
- Sharma, A.; Sharma, S.; Gupta, D. A Review of Sensors and Their Application in Internet of Things (IOT). Int. J. Comput. Appl. 2021, 174, 27–34. [Google Scholar] [CrossRef]
- Broer, A.A.R.; Benedictus, R.; Zarouchas, D. The Need for Multi-Sensor Data Fusion in Structural Health Monitoring of Composite Aircraft Structures. Aerospace 2022, 9, 183. [Google Scholar] [CrossRef]
- Giannakeas, I.N.; Khodaei, Z.S.; Aliabadi, M.H.F. Structural Health Monitoring Cost Estimation of a Piezosensorized Aircraft Fuselage. Sensors 2022, 22, 1771. [Google Scholar] [CrossRef]
- Pittaway, N. Flight Test Instrumentation—Without Wires; Aerospace Testing International: Dartford, UK, 2019; Available online: https://www.aerospacetestinginternational.com/features/flight-test-instrumentation-without-wires.html (accessed on 18 February 2024).
- Wichniarz, M. Certification of Testing Laboratories—The Basis of Reliability among Research Vendors in Aviation. Fatigue Aircr. Struct. 2021, 2021, 99–105. [Google Scholar] [CrossRef]
- Martins, A.; Farinha, J.; Cardoso, A.J.M. Calibration and Certification of Industrial Sensors—A Global Review. WSEAS Trans. Syst. Control. 2020, 15, 394–416. [Google Scholar] [CrossRef]
- Ze, L. Design of Wireless Charging Coils for Aero-engine Telemetry Information Transmission System. J. Phys. Conf. Ser. 2022, 2252, 12033. [Google Scholar]
- Farman, J.R. Wireless RF Telemetry for Rotating Frame Data Acquisition and Control. In Proceedings of the XXIII Biannual Symposium on Measuring Techniques in Turbomachinery, Studgard, Germany, 1–2 September 2016. [Google Scholar]
- Detka, K.; Górecki, K. Wireless Power Transfer—A Review. Energies 2022, 15, 7236. [Google Scholar] [CrossRef]
- Nguyen, M.T.; Nguyen, C.V.; Truong, L.H.; Le, A.M.; Quyen, T.V.; Masaracchia, A.; Teague, K.A. Electromagnetic Field Based WPT Technologies for UAVs: A Comprehensive Survey. Electronics 2020, 9, 461. [Google Scholar] [CrossRef]
- System Reference Document (SRdoc)-Wireless Power Transmission (WPT) Systems Operating below 30 MHz; ETSI Technical Report; ETSI: Sophia Antipolis, France, 2019.
- Van Mulders, J.; Delabie, D.; Lecluyse, C.; Buyle, C.; Callebaut, G.; Van der Perre, L.; De Strycker, L. Wireless Power Transfer: Systems, Circuits, Standards, and Use Cases. Sensors 2022, 22, 5573. [Google Scholar] [CrossRef] [PubMed]
- Rajendra, J.; Sharma, D. A Review on Wireless Power Transfer New Paradigm for Low Power Devices. In Proceedings of the International Conference on Innovative Computing & Communication (ICICC), New Delhi, India, 19–20 February 2022. [Google Scholar]
- Wireless Power Consortium. Introduction to the Power Class 0 Specification; Technical Specification; Wireless Power Consortium: Piscataway, NJ, USA, 2017. [Google Scholar]
- IEC 63028:2017; AirFuel Allance, Resonant Wireless Power Transfer (WPT) System Baseline System Spefication (BSS). iTeh, Inc.: Newark, DE, USA, 2018.
- Nordic Semiconductor, nRF52840 Product Specification v1.1. 2019. Available online: https://infocenter.nordicsemi.com/index.jsp?topic=%2Fps_nrf52840%2Fkeyfeatures_html5.html (accessed on 20 March 2024).
- Wurth Elektronik, Version 1.10, Protesu III User Manual. 28 June 2023. Available online: https://www.we-online.com/de/components/products/manual/2611011024000_Proteus-III%202611011024000%20Manual_rev1.11.pdf (accessed on 1 February 2024).
- Kambourakis, G.; Kolias, C.; Geneiatakis, D.; Karopoulos, G.; Makrakis, G.M. A State-of-the-Art Review on the Security of Mainstream IoT Wireless PAN Protocol Stacks. Symmetry 2020, 12, 579. [Google Scholar] [CrossRef]
- Dementyev, A.; Hodges, S.; Taylor, S.; Smith, J. Power Consumption Analysis of Bluetooth Low Energy, ZigBee and ANT Sensor Nodes in a Cyclic Sleep Scenario. In Proceedings of the 2013 IEEE International Wireless Symposium (IWS), Beijing, China, 14–18 April 2013. [Google Scholar]
- Moreno-Cruz, F.; Toral-López, V.; Escobar-Molero, A.; Ruíz, V.U.; Rivadeneyra, A.; Morales, D.P. treNch: Ultra-Low Power Wireless Communication Protocol for IoT and Energy Harvesting. Sensors 2020, 20, 6156. [Google Scholar] [CrossRef]
- Woolley, M. Bluetooth Core Specification Version 5.2 Feature Overview. 2020. Available online: https://www.bluetooth.com/wp-content/uploads/2020/01/Bluetooth_5.2_Feature_Overview.pdf (accessed on 5 December 2023).
- Nordic Semiconductor, Software Development Kit Documentation. Available online: https://infocenter.nordicsemi.com/ (accessed on 5 December 2023).
- Li, S.; Zhang, Y.; Hernes, M. Bluetooth Low Energy Tree Structure Network; Report SWRA648; Texas Instruments: Dallas, TX, USA, 2019. [Google Scholar]
- Natgunanathan, I.; Fernando, N.; Loke, S.W.; Weerasuriya, C. Bluetooth Low Energy Mesh: Applications, Considerations and Current State-of-the-Art. Sensors 2023, 23, 1826. [Google Scholar] [CrossRef]
- Maxim Integrated, MAX11410 Product Specification 2019. Available online: https://www.analog.com/media/en/technical-documentation/data-sheets/MAX11410.pdf (accessed on 5 December 2023).
- Wu, J. A Basic Guide to RTD Measurements, Texas Instruments Application Report; Texas Instrumnets: Dallas, TX, USA, 2018. [Google Scholar]
- Wu, J. A Basic Guide to Thermocouple Measurements, Texas Instruments Application Report; Texas Instrumnets: Dallas, TX, USA, 2018. [Google Scholar]
- Agilent Technologies. Application Note 290-1—Practical Strain Gage Masurement. 1999. Available online: https://www.hpmemoryproject.org/an/pdf/an_290-1.pdf (accessed on 25 February 2024).
- National Instruments. NI PXIe-4330/4331 User Manual 373029A-01. 2010. Available online: https://www.ni.com/docs/zh-CN/bundle/pxie-4330-4331-features/resource/373029a.pdf (accessed on 10 February 2024).
- Tutak, P. Application of Strain Gauges in Measurements of Strain Distribution in Complex Objects. J. Appl. Comput. Sci. Methods 2014, 6, 135–145. [Google Scholar] [CrossRef]
- O’Grady, A. Transducer/sensor excitation and measurement techniques. Analog Dialogue 2000, 34, 1–6. [Google Scholar]
- Khan, S.; Won, J.; Shin, J.; Park, J.; Park, J.W.; Kim, S.E.; Jang, Y.; Kim, D.J. SSVM: An Ultra-Low-Power Strain Sensing and Visualization Module for Long-Term Structural Health Monitoring. Sensors 2021, 21, 2211. [Google Scholar] [CrossRef] [PubMed]























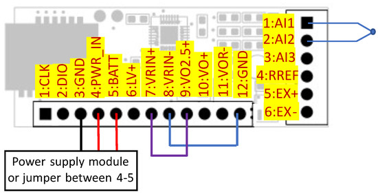
| Pin Terminal | Screw Terminal | ||
|---|---|---|---|
| 1: CLK | Clock pin used for programming | 1: AI1 | Analog input 1 |
| 2: DIO | Input/output for programmer | 2: AI2 | Analog input 2 |
| 3: GND | GND | 3: AI3 | Analog input 3 |
| 4: PWRIN | Power input | 4: RREF | Input to reference resistor |
| 5: BATT | Voltage from battery | 5: EX+ | Excitation voltage+ |
| 6: LV+ | Not used | 6: EX– | Excitation voltage- |
| 7: VRIN+ | MAX11410 reference coltage input+ | ||
| 8: VRIN– | MAX11410 reference voltage input- | ||
| 9: VO2.5+ | Reference voltage output | ||
| 10: VO+ | Input of voltage switched by transistor | ||
| 11: VOR– | Voltage before transistor for reference | ||
| 12: GND | GND | ||
| Strain Gauge Nominal Resistance | 1.8 VDC | 3.3 VDC | 10 VDC |
|---|---|---|---|
| 120 Ω | 15 mA | 27.5 mA | 83.3 mA |
| 350 Ω | 5.1 mA | 9.4 mA | 28.5 mA |
| 1000 Ω | 1.8 mA | 3.3 mA | 10 mA |
| PT1000 | Thermocouple | SG Bridge (1000 Ω, 3 V) | ||||
|---|---|---|---|---|---|---|
| Frequency | Average Current | Time | Average Current | Time | Average Current | Time |
| Hz | μA | Days (24 h) | μA | Days (24 h) | μA | Days (24 h) |
| 0.1 | 18 | 453 | 23 | 354 | 38 | 214 |
| 0.2 | 22 | 370 | 36 | 226 | 62 | 131 |
| 0.5 | 38 | 214 | 66 | 123 | 163 | 50 |
| 1 | 60 | 136 | 118 | 69 | 197 | 41 |
| 2 | 114 | 71 | 236 | 35 | 480 | 17 |
| Transducer Power Supply CR2032 230 mAh | Sensor Power Supply-Two 6LR61 9 V Batteries, 550 mAh | |||
|---|---|---|---|---|
| Frequency | Average Current | Time | Average Current | Time |
| Hz | μA | Days (24 h) | μA | Days (24 h) |
| 0.1 | 15 | 543 | 31 | 734 |
| 0.2 | 19 | 429 | 62 | 367 |
| 0.5 | 30 | 271 | 156 | 146 |
| 1 | 47 | 173 | 312 | 73 |
| 2 | 92 | 89 | 624 | 36 |
| WPT Distance [cm] | |||
|---|---|---|---|
| Frequency [Hz] | RTD PT1000 | Thermocouple | Strain Gauge Bridge |
| 0.1 | 115 | 64 | 62 |
| 0.2 | 102 | 59 | 57 |
| 0.5 | 83 | 54 | 50 |
| 1 | 73 | 48 | 42 |
| 2 | 62 | 43 | 30 |
Disclaimer/Publisher’s Note: The statements, opinions and data contained in all publications are solely those of the individual author(s) and contributor(s) and not of MDPI and/or the editor(s). MDPI and/or the editor(s) disclaim responsibility for any injury to people or property resulting from any ideas, methods, instructions or products referred to in the content. |
© 2024 by the authors. Licensee MDPI, Basel, Switzerland. This article is an open access article distributed under the terms and conditions of the Creative Commons Attribution (CC BY) license (https://creativecommons.org/licenses/by/4.0/).
Share and Cite
Kabala, T.; Weremczuk, J. Smart Wireless Transducer Dedicated for Use in Aviation Laboratories. Sensors 2024, 24, 3585. https://doi.org/10.3390/s24113585
Kabala T, Weremczuk J. Smart Wireless Transducer Dedicated for Use in Aviation Laboratories. Sensors. 2024; 24(11):3585. https://doi.org/10.3390/s24113585
Chicago/Turabian StyleKabala, Tomasz, and Jerzy Weremczuk. 2024. "Smart Wireless Transducer Dedicated for Use in Aviation Laboratories" Sensors 24, no. 11: 3585. https://doi.org/10.3390/s24113585
APA StyleKabala, T., & Weremczuk, J. (2024). Smart Wireless Transducer Dedicated for Use in Aviation Laboratories. Sensors, 24(11), 3585. https://doi.org/10.3390/s24113585

