Generalized Pulse Width Modulation Switch Model for Converters Based on the Multistate Switching Cell in Discontinuous Conduction Mode
Abstract
1. Introduction
- -
- Introduction of a generalized form of the PWM switch that can be applied to the analysis of multiphase converters operating in DCM;
- -
- Development of dc and ac models aiming to characterize converters employing the MSSC in DCM;
- -
- Demonstrating the applicability of the unified models to the representation of MSSC-based converters while considering any number of switching states and any operating region defined in terms of the rated duty cycle;
- -
- Validating the proposed models through a thorough analysis performed in both time and frequency domains.
2. Brief Theoretical Background
3. Unified Small-Signal Model of MSSC-Based Converters in DCM
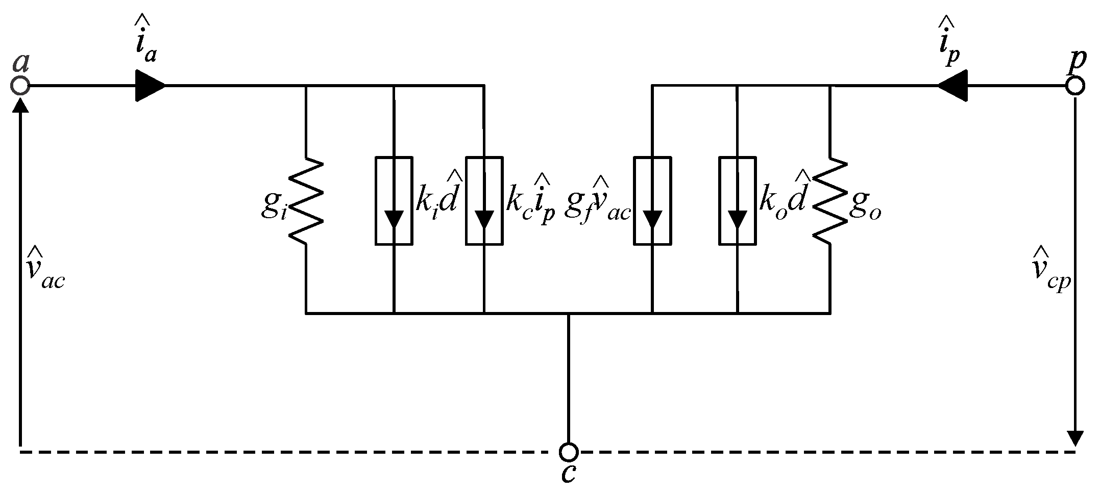
3.1. DC Model
3.2. AC Model
4. Small-Signal Modeling of a DC–DC Buck Converter Based on the MSSC in DCM
5. Results and Discussion
6. Conclusions
Funding
Institutional Review Board Statement
Informed Consent Statement
Data Availability Statement
Conflicts of Interest
References
- Shete, S.H.; Joshi, P.M. Analytical techniques for dc-dc converters and 1Φ inverters: A comprehensive review. J. Inst. Eng. Ser. B 2022, 103, 1827–1844. [Google Scholar] [CrossRef]
- Sridhar, S.; Li, Q. Multiphase constant on-time control with phase overlapping—Part i: Small-signal model. IEEE Trans. Power Electron. 2024, 39, 6703–6720. [Google Scholar] [CrossRef]
- Zhou, S.; Zhang, X.; Zhou, G. Small-signal modeling and loss analysis of capacitor-current dynamic freewheeling controlled PCCM SIDO buck converter. IEEE Trans. Power Electron. 2024, 39, 6961–6973. [Google Scholar] [CrossRef]
- Gallo, E.; Biadene, D.; Cvejić, F.; Spiazzi, G.; Caldognetto, T. An energy-based model of four-switch buck–boost converters. IEEE Trans. Power Electron. 2024, 39, 4139–4148. [Google Scholar] [CrossRef]
- Cao, L. Alternative way to develop small-signal models of power converters. IEEE Power Electron. Mag. 2024, 11, 62–69. [Google Scholar] [CrossRef]
- Middlebrook, R.D.; Cuk, S. A general unified approach to modelling switching-converter power stages. In Proceedings of the 1976 IEEE Power Electronics Specialists Conference, Cleveland, OI, USA, 8–10 June 1976; pp. 18–34. [Google Scholar]
- Cuk, S.; Middlebrook, R.D. A general unified approach to modelling switching DC-to-DC converters in discontinuous conduction mode. In Proceedings of the 1977 IEEE Power Electronics Specialists Conference, Glendale, AZ, USA, 14–16 June 1977; pp. 36–57. [Google Scholar]
- Polsky, T.; Horen, Y.; Bronshtein, S.; Baimel, D. Transient and steady-state analysis of a SEPIC converter by an average state-space modelling. In Proceedings of the 2018 IEEE 18th International Power Electronics and Motion Control Conference (PEMC), Budapest, Hungary, 26–30 August 2018; pp. 211–215. [Google Scholar]
- Alonge, F.; Pucci, M.; Rabbeni, R.; Vitale, G. Dynamic modelling of a quadratic DC/DC single-switch boost converter. Electr. Power Syst. Res. 2017, 152, 130–139. [Google Scholar] [CrossRef]
- Vorperian, V. Simplified analysis of PWM converters using model of PWM switch. Continuous conduction mode. IEEE Trans. Aerosp. Electron. Syst. 1990, 26, 490–496. [Google Scholar] [CrossRef]
- Vorperian, V. Simplified analysis of PWM converters using model of PWM switch. II. Discontinuous conduction mode. IEEE Trans. Aerosp. Electron. Syst. 1990, 26, 497–505. [Google Scholar] [CrossRef]
- Moussa, W.M.; Morris, J.E. Comparison between state space averaging and PWM switch for switch mode power supply analysis. In Proceedings of the IEEE Technical Conference on Southern Tier, Binghamton, NY, USA, 25 April 1990; pp. 15–21. [Google Scholar]
- Tymerski, R.; Vorperian, V.; Lee, F.C.Y.; Baumann, W.T. Nonlinear modeling of the PWM switch. IEEE Trans. Power Electron. 1989, 4, 225–233. [Google Scholar] [CrossRef]
- Dijk, E.V.; Spruijt, J.N.; Sullivan, D.M.O.; Klaassens, J.B. PWM-switch modeling of DC-DC converters. IEEE Trans. Power Electron. 1995, 10, 659–665. [Google Scholar] [CrossRef]
- Ngo, K.D.T. Alternate forms of the PWM switch models. IEEE Trans. Aerosp. Electron. Syst. 1999, 35, 1283–1292. [Google Scholar] [CrossRef]
- Chen, J.; Ngo, K.D.T. Alternate forms of the PWM switch model in discontinuous conduction mode [DC-DC converters]. IEEE Trans. Aerosp. Electron. Syst. 2001, 37, 754–758. [Google Scholar] [CrossRef]
- Be-Tao, L.; Yim-Shu, L. A unified approach to modeling, synthesizing, and analyzing quasi-resonant converters. IEEE Trans. Power Electron. 1997, 12, 983–992. [Google Scholar] [CrossRef]
- Hong, S.-S. Unified model of PWM switch including inductor in DCM. Electron. Lett. 1999, 35, 10–11. [Google Scholar] [CrossRef]
- Ammous, A.; Ammous, K.; Ayedi, M.; Ounajjar, Y.; Sellami, F. An advanced PWM-switch model including semiconductor device nonlinearities. IEEE Trans. Power Electron. 2003, 18, 1230–1237. [Google Scholar] [CrossRef]
- Canalli, V.M.; Cobos, J.A.; Oliver, J.A.; Uceda, J. Behavioral large signal averaged model for DC/DC switching power converters. In Proceedings of the PESC Record. 27th Annual IEEE Power Electronics Specialists Conference, Baveno, Italy, 23–27 June 1996; pp. 1675–1681. [Google Scholar]
- Ridley, R.B. A new, continuous-time model for current-mode control (power convertors). IEEE Trans. Power Electron. 1991, 6, 271–280. [Google Scholar] [CrossRef]
- Hsieh, Y.H.; Lee, F.C. Improved three-terminal model for PWM converters with current-mode control. In Proceedings of the 2022 IEEE Energy Conversion Congress and Exposition (ECCE), Detroit, MI, USA, 9–13 October 2022; pp. 1–8. [Google Scholar]
- Rajagopalan, J.; Xing, K.; Guo, Y.; Lee, F.C.; Manners, B. Modeling and dynamic analysis of paralleled DC/DC converters with master-slave current sharing control. In Proceedings of the Applied Power Electronics Conference. APEC'96, San Jose, CA, USA, 3–7 March 1996; Volume 2, pp. 678–684. [Google Scholar]
- Spiazzi, G.; Mattavelli, P. Design criteria for power factor preregulators based on Sepic and Cuk converters in continuous conduction mode. In Proceedings of the 1994 IEEE Industry Applications Society Annual Meeting, Denver, CO, USA, 2–6 October 1994; Volume 2, pp. 1084–1089. [Google Scholar]
- Manias, S.N.; Kostakis, G. Modular DC–DC convertor for high-output voltage applications. IEE Proc. B (Electr. Power Appl.) 1993, 140, 97–102. [Google Scholar] [CrossRef]
- Park, J.H.; Cho, B.H.; Kim, T.H. PWM-switch model of tapped inductor converters under hysteretic current-mode control. In Proceedings of the IECON 2006—32nd Annual Conference on IEEE Industrial Electronics, Paris, France, 6–10 November 2006; pp. 2899–2904. [Google Scholar]
- Rodrigues, M.C.B.; Braga, H.A.C. Experimental validation of a mathematical modeling of single-phase active power filter. In Proceedings of the 2003 IEEE International Symposium on Industrial Electronics (Cat. No.03TH8692), Rio de Janeiro, Brazil, 9–11 June 2003; Volume 2, pp. 1077–1082. [Google Scholar]
- Tsai, F.S. Small-signal and transient analysis of a zero-voltage-switched, phase-controlled PWM converter using averaged switch model. IEEE Trans. Ind. Appl. 1993, 29, 493–499. [Google Scholar] [CrossRef]
- Huang, C.C.; Chiu, H.J. A PWM switch model of isolated battery charger in constant-current mode. IEEE Trans. Ind. Appl. 2019, 55, 2942–2951. [Google Scholar] [CrossRef]
- Jianhua, W.; Fanghua, Z.; Chunying, G.; Ran, C. Modeling and analysis of a buck/boost bidirectional converter with developed PWM switch model. In Proceedings of the 8th International Conference on Power Electronics-ECCE Asia, Jeju, Republic of Korea, 30 May–3 June 2011; pp. 705–711. [Google Scholar]
- Caceres, R.O.; Barbi, I. A boost DC-AC converter: Analysis, design, and experimentation. IEEE Trans. Power Electron. 1999, 14, 134–141. [Google Scholar] [CrossRef]
- Alcazar, Y.J.A.; Cabero, W.G.C.; Bascopé, R.P.T.; Daher, S.; Oliveira, D.S.; Sousa, G.J.M.d. Modeling and control of the high voltage gain boost converter based on three-state switching cell and voltage multipliers (mc). In Proceedings of the 2009 Brazilian Power Electronics Conference, Bonito-Mato Grosso do Sul, Brazil, 27 September–1 October 2009; pp. 655–664. [Google Scholar]
- Maciel, W.H.; Carvalho, J.A.R.; Tofoli, F.L. A unified modeling approach for DC-DC converters based on the three-state switching cell. AEU-Int. J. Electron. Commun. 2018, 88, 30–37. [Google Scholar] [CrossRef]
- Reatti, A.; Kazimierczuk, M.K. Small-signal model of PWM converters for discontinuous conduction mode and its application for boost converter. IEEE Trans. Circuits Syst. I: Fundam. Theory Appl. 2003, 50, 65–73. [Google Scholar] [CrossRef]
- Davoudi, A.; Jatskevich, J.; Rybel, T.D. Numerical state-space average-value modeling of PWM DC-DC converters operating in DCM and CCM. IEEE Trans. Power Electron. 2006, 21, 1003–1012. [Google Scholar] [CrossRef]
- Davoudi, A.; Jatskevich, J. Parasitics realization in state-space average-value modeling of PWM DC–DC Converters using an equal area method. IEEE Trans. Circuits Syst. I Regul. Pap. 2007, 54, 1960–1967. [Google Scholar] [CrossRef]
- Khaligh, A. Realization of parasitics in stability of DC–DC converters loaded by constant power loads in advanced multiconverter automotive systems. IEEE Trans. Ind. Electron. 2008, 55, 2295–2305. [Google Scholar] [CrossRef]
- Reatti, A.; Balzani, M. PWM switch model of a buck-boost converter operated under discontinuous conduction mode. In Proceedings of the 48th Midwest Symposium on Circuits and Systems, Covington, KY, USA, 7–10 August 2005; Volume 1, pp. 667–670. [Google Scholar]
- Ridley, R.B. A new continuous-time model for current-mode control with constant frequency, constant on-time, and constant off-time, in CCM and DCM. In Proceedings of the 21st Annual IEEE Conference on Power Electronics Specialists, San Antonio, TX, USA, 11–14 June 1990; pp. 382–389. [Google Scholar]
- Tofoli, F.L. Unified small-signal model for DC-DC converters based on the three-state switching cell operating in discontinuous conduction mode. Int. J. Circuit Theory Appl. 2024, 52, 694–722. [Google Scholar] [CrossRef]
- Bascope, G.V.T.; Barbi, I. Generation of a family of non-isolated DC-DC PWM converters using new three-state switching cells. In Proceedings of the 2000 IEEE 31st Annual Power Electronics Specialists Conference. Conference Proceedings (Cat. No.00CH37018), Galway, Ireland, 23 June 2000; Volume 2, pp. 858–863. [Google Scholar]
- Peraca, M.T.; Barbi, I. The generation of dc-dc converters using new three-terminal multiple-state cells. In Proceedings of the 2005 IEEE 36th Power Electronics Specialists Conference, Dresden, Germany, 16 June 2005; pp. 2657–2663. [Google Scholar]
- Maksimovic, D.; Cuk, S. A unified analysis of PWM converters in discontinuous modes. IEEE Trans. Power Electron. 1991, 6, 476–490. [Google Scholar] [CrossRef]
- Tang, W.; Lee, F.C.; Ridley, R.B. Small-signal modeling of average current-mode control. IEEE Trans. Power Electron. 1993, 8, 112–119. [Google Scholar] [CrossRef]
- Venable, H.D. The K factor: A new mathematical tool for stability analysis and synthesis. In Proceedings of the Powercon 10, San Diego, CA, USA, 22–24 March 1982; pp. 1–12. [Google Scholar]










Disclaimer/Publisher’s Note: The statements, opinions and data contained in all publications are solely those of the individual author(s) and contributor(s) and not of MDPI and/or the editor(s). MDPI and/or the editor(s) disclaim responsibility for any injury to people or property resulting from any ideas, methods, instructions or products referred to in the content. |
© 2024 by the author. Licensee MDPI, Basel, Switzerland. This article is an open access article distributed under the terms and conditions of the Creative Commons Attribution (CC BY) license (https://creativecommons.org/licenses/by/4.0/).
Share and Cite
Tofoli, F.L. Generalized Pulse Width Modulation Switch Model for Converters Based on the Multistate Switching Cell in Discontinuous Conduction Mode. Sensors 2024, 24, 3084. https://doi.org/10.3390/s24103084
Tofoli FL. Generalized Pulse Width Modulation Switch Model for Converters Based on the Multistate Switching Cell in Discontinuous Conduction Mode. Sensors. 2024; 24(10):3084. https://doi.org/10.3390/s24103084
Chicago/Turabian StyleTofoli, Fernando Lessa. 2024. "Generalized Pulse Width Modulation Switch Model for Converters Based on the Multistate Switching Cell in Discontinuous Conduction Mode" Sensors 24, no. 10: 3084. https://doi.org/10.3390/s24103084
APA StyleTofoli, F. L. (2024). Generalized Pulse Width Modulation Switch Model for Converters Based on the Multistate Switching Cell in Discontinuous Conduction Mode. Sensors, 24(10), 3084. https://doi.org/10.3390/s24103084

